时间:2017-09-25 08:07:30
1、简答题 如图所示,ab=25cm,ad=20cm,匝数为50匝的矩形线圈,线圈总电阻r=1Ω,外电路电阻R=9Ω,磁感应强度B=0.4T,线圈绕垂直于磁感线的OO′轴以角速度ω=50rad/s匀速转动,求:
(1)从此位置开始计时,它的感应电动势的瞬时值表达式.
(2)经过R的电流最大值与有效值.
参考答案:(1)感应电动势的最大值为:Em=nBSω=50×0.4×0.2×0.25×50=50V
所以感应电动势的瞬时值表达式为e=nBωScosωt=50cos50t(V)
(2)由闭合电路欧姆定律知:Im=EmR+r=509+1=5A
有效值I=Im
本题解析:
本题难度:一般
2、选择题 在如图所示的电路中,E为电源电动势,r为电源内阻,R1和R3均为定值电阻,R2为滑动变阻器。当R2的滑动触点在a端时合上开关S,此时三个电表A1、A2和V的示数分别为I1、I2和U。现将R2的滑动触点向b端移动,则三个电表示数的变化情况是

[? ]
参考答案:B
本题解析:
本题难度:一般
3、简答题 电路如图所示,电源电动势E=9V,内阻r=lΩ,R2=2Ω,灯A是“6V,6W”,灯B是“4V,4W”求:
(1)如果要使B灯正常发光,R1应是多大?
(2)这时灯A的实际功率多大?
参考答案:(1)A、B两灯的电阻分别为:RA=U2APA=626Ω=6Ω,RB=U2BPB=424Ω=4Ω
B灯正常发光时其UB=6V,电流 IB=PBUB=66A=1A
则M、N间的电压 UNM=IBR2+UB=1×2+4=6(V)
通过A灯的电流 IA=UMNRA=66A=1A
故总电流 I=IA+IB=2A
由E=UNM+I(R1+r)得
R1=E-UMNI-r=9-62-1=0.5(Ω)
(2)A灯的UA=6V,等于其额定电压,所以A灯正常发光,功率为 P=6W
答:
(1)如果要使B灯正常发光,R1应是0.5Ω.
(2)这时灯A的实际功率为6W.
本题解析:
本题难度:一般
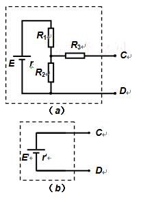
4、计算题 如图(a)所示电路中,电源电动势E=12V,内阻r=2Ω,R1=4Ω,R2=6Ω,R3=3Ω。
小题1:若在C、D间连一个理想电压表,其读数是多少?
小题2:若在C、D间连一个理想电流表,其读数是多少?
小题3:图(a)中虚线框内的电路可等效为一个电源,即图(a)可等效为图(b),其等效电动势E′等于CD间未接入用电器时CD间的电压;若用导线直接将CD两点连接起来,通过该导线的电流等于等效电源的短路电流。则等效电源的内电阻r′是多少?
小题4:若在C、D间连一个“6V,3W”的小灯泡,则小灯泡的实际功率是多少?
参考答案:
小题1:6V
小题2:1A
小题3:
小题4:1.33W
本题解析:(1)若在C、D间连一个理想电压表,根据闭合电路欧姆定律,有
理想电压表读数为UV=I1R2="6V?"
(2)若在C、D间连一个理想电流表,这时电阻R2与R3并联,并联电阻大小

根据闭合电路欧姆定律,有
理想电流表读数为
(3)依题意,该等效电源的电动势
,
短路电流
,所以其等效内阻
?
(4)小灯泡的电阻
将小灯泡连在C、D之间,相当于接在等效电源E′两端,则流过小灯泡的电流大小为
小灯泡的实际功率为
本题难度:一般
5、简答题 如图所示,在磁感强度B=0.5T,方向竖直向上的某匀强磁场中,垂直于磁场方向的同一水平面内放置两根不计电阻的平行金属导轨MN和PQ,两导轨间距离为d=0.1m,在两导轨端点N、Q间接一电阻R=0.3Ω,再在导轨上垂直放置一根长L=0.2m,总电阻r=0.2Ω的金属棒ab,当棒ab以v=4m/s的速度向左匀速运动时,试求:
(1)电阻R中电流强度的大小和方向;
(2)金属棒ab两端的电压.
参考答案:
整根金属棒在磁场中切割磁感线,只有中间一部分接入闭合回路,上下两段金属棒虽未接入电路,但也会产生电动势,
其等效电路如图所示.
(1)根据右手定则,电阻R中的电流方向由N流向Q.?
∵ε2=B?d?v=0.5×0.1×4V=0.2V?
?r2=r2=0.1Ω
∴电阻R中电流强度I=?2R+r2=0.20.3+0.1A=0.5A
(2)设金属棒上下两段导体的长度分别为L1、L2,则
?L1+L2=L-d=(0.2-0.1)m=0.1m
?ε1=B?L1?V、ε2=B?L2?V
则ab两端的电压Uab=ε1+UNQ+ε3=ε1+ε3+I?R
=B(L1+L2)V+I?R
=(0.5×0.1×4+0.5×0.3)V
=0.35V
答:
(1)电阻R中电流强度为0.5A,由N流向Q.
(2)金属棒ab两端的电压为0.35V.
本题解析:
本题难度:一般