时间:2017-09-25 08:07:30
1、计算题 (10分) 如图所示,电源电动势E=10 V,内阻r=1 Ω,R1=3 Ω,R2=6 Ω,C=30 μF.
(1)闭合开关S,求稳定后通过R1的电流;
(2)然后将开关S断开,求电容器两端的电压变化量和断开开关后流过R1的总电量;
(3)如果把R2换成一个可变电阻,其阻值可以在0~10 Ω范围变化,求开关闭合并且电路稳定时,R2消耗的最大电功率.
参考答案:(1)1A(2)
(3)
本题解析:(1)稳定时,电容器看做断开状态,电路中的电流:
(2分)
(2)S闭合,电路处于稳定状态时,电容器两端的电压
,(1分)
断开开关后,电容器两端的电压为10 V,所以
, (2分)
流过
的总电量为
. (2分)
(3)当
时,
消耗的电功率最大, ?(1分)
?(2分)
本题难度:一般
2、选择题 随着中国电信业的发展,国产手机在手机市场上已经占有了相当大的市场份额。如图所示是中国科健股份有限公司生产的一块手机电池外壳上的文字说明,由此可知此电池的电动势和待机状态下平均工作电流分别是
A.4.2V 14.58mA
B.4.2V 700mA
C.3.7V 14.58mA
D.3.7V 700mA
参考答案:C
本题解析:电动势为4.2V,共作电流
,选C
本题难度:简单
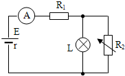
3、选择题 如图所示,R1为定值电阻,R2是负温度系数电阻的热敏电阻,L为小灯泡,当温度下降时,( )
A.R1两端的电压增大
B.电流表的示数增大
C.小灯泡的亮度变强
D.小灯泡的亮度变弱
参考答案:A、R2增大,并联部分电阻增大,总电阻增大,总电流减小,R1电压减小.故A错误.
? B、电流表的示数减小,故B错误.
? C、D灯泡的电压U=E-I(R1+r),增大,灯泡变亮.故C正确,D错误.
故选C
本题解析:
本题难度:简单
4、选择题 在如图所示电路中,电源电动势为12V,电源内阻为l.0Ω,电路中的电阻R0为1.5Ω,小型直流电动机M的内阻为0.5Ω,闭合开关S后,电动机转动,已知电动机两端的电压为7V,则以下判断中正确的是

[? ]
参考答案:D
本题解析:
本题难度:一般
5、选择题 如图所示,在坐标系xOy中,有边长为L的正方形金属线框abcd,其一条对角线ac和y轴重合、顶点a位于坐标原点O处.在y轴的右侧的Ⅰ象限内有一垂直纸面向里的匀强磁场,磁场的上边界与线框的ab边刚好完全重合,下边界与x轴重合,右边界与y轴平行.t=0时刻,线圈以恒定的速度v沿垂直于磁场上边界的方向穿过磁场区域.取沿a→b→c→d→a的感应电流方向为正,则在线圈穿越磁场区域的过程中,感应电流i、ab间的电势差Uab随时间t变化的图线是如图中的( )
A.
B.
C.
D.

参考答案:A、在d点运动到O点过程中,ab边切割磁感线,根据右手定则可以确定线框中电流方向为逆时针方向,即正方向,电动势均匀减小到0,则电流均匀减小到0;然后cd边开始切割,感应电流的方向为顺时针方向,即负方向,电动势均匀减小到0,则电流均匀减小到0.故A正确,B错误.
C、d点运动到O点过程中,ab边切割磁感线,ab相当于电源,电流由a到b,b点的电势高于a点,ab间的电势差Uab为负值,大小等于电流乘以bcda三条边的电阻,并逐渐减小.ab边出磁场后后,cd边开始切割,cd边相当于电源,电流由b到a,ab间的电势差Uab为负值,大小等于电流乘以ab边得电阻,并逐渐减小.故C错误,D也错误.
故选A.
本题解析:
本题难度:简单