时间:2017-09-25 07:49:08
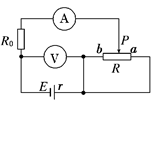
1、选择题 如图所示,电源的电动势和内阻分别为E、r,在滑动变阻器的滑动触头P由a向b移动的过程中,下列各物理量变化情况为 ( )
A.电流表的读数一直减小
B.R0的功率先增大后减小
C.电压表的读数先减小后增大
D.电源的总功率先减小后增大
2、选择题 两个电源的伏安图象如图所示,由图可知
[? ]
A.电源a的内电阻较小,电动势较大
B.电源a的内电阻较大,电动势较大
C.电源b的内电阻较小,电动势较小
D.电源b的内电阻较大,电动势较大
3、简答题 如图所示的电路中,电阻R1=9Ω,R2=15Ω,R3=30Ω,电池组的电动势E=12伏,内电阻r=1Ω,求电流表的读数.
4、选择题 如右图所示,1、2为两电阻R1和R2的伏安特性曲线。关于它们的电阻值及发热功率的比较正确的是 
A.电阻R1的阻值较大
B.电阻R2的阻值较大
C.若在两电阻两端加上相同的电压,电阻R1的发热功率较大
D.若在两电阻两端加上相同的电压,电阻R2的发热功率较大
5、选择题 某同学设计了一个转向灯电路(如图),其中L为指示灯,L1、L2分别为左、右转向灯,S为单刀双掷开关,E为电源。当S置于位置1时,以下判断正确的是

[? ]