时间:2017-09-25 07:41:32
1、简答题 真空室中有如图所示的装置.电极K发出的电子(初速不计)经过加速电场后,由小孔O沿水平放置的偏转板M、N间的中心轴线UOO′射入.M、N板长为L,两板间加有恒定电压,它们间的电场可看作匀强电场.偏转板右端边缘到荧光屏P的距离为s.当加速电压为U1时,电子恰好打在N板中央的A点;当加速电压为U2时,电子打在荧光屏的B点.已知A、B点到中心轴OO′的距离相等.求U1:U2.
参考答案:设电子电量为e,质量为m.
由题意,电子在偏转电场中做类平抛运动,加速度为a,且保持不变.
加速电压为U1时,设电子进入偏转电场时,速度为v1,则有eU1=12mv21
偏转距离为y1,沿板方向的位移为L2,
则有L2=v1t?
y1=12at21
加速电压为U2时,设电子进入偏转电场时,速度为v2,则有
eU2=12mv22
偏转距离为y2,沿板方向的位移为L,
L=v2t2?
y2=12at22
如图所示,电子从C点离开电场,沿直线CB匀速运动打在B点,
由几何关系,y1+y2s=at2v2
由上综合而得,U1U2=L4(L+2s)
答:两种情况下的电压之比为,U1U2=L4(L+2s)
本题解析:
本题难度:一般
2、实验题 在如图所示的电路中,A、B、C为三节干电池,实验中理想电压表和理想电流表的读数如下表所示。
? 
(1)根据表中实验数据,计算出表中空格处小灯泡的电阻和功率(保留两位小数);
(2)如果干电池A和B具有相同的电动势和内阻,根据表中实验数据,可计算出干电池A的电动势为_________V,内阻为_________Ω;
(3)当电键K与“接线柱3”连接,串联电池组的总电动势增加,电流表的示数反而减小,究其原因可能是__________________________________。
参考答案:(1)9.00;0.74
(2)1.5,0.5
(3)干电池C的电动势较小,内阻较大,功率损耗较大
本题解析:
本题难度:困难
3、简答题 某物理工作者设计了一个测量电场强度的实验:用已知质量为m,电量为q的微粒,令其垂直电场进入一区域为矩形的电场,如图.电场方向与ad平行且竖直向上,微粒第一次是靠近矩形dc进入的,而且好从b点飞出.然后保持电场大小不变,让方向变得相反,再令微粒以同样的速度从靠近上边ad垂直进入电场,则正好从下边dc的中点e处飞出.试根据以上信息求出 电场强度.
参考答案:设矩形区域的长为l,宽为d
第一次:
沿水平方向:l=v0t;
沿竖直方向:d=12a1t21;qE-mg=ma1
第二次:
沿水平方向:12l=v0t2;
压竖直方向:d=12a2t22;qE+mg=ma2
由以上各式联立可求得:E=5mg3q
答:该电场的电场强度为E=5mg3q.
本题解析:
本题难度:一般
4、选择题 关于电源的电动势,下面说法错误的是( )
A.电源的电动势就是电源两极间的电压
B.电动势越大的电源,将其它形式的能转化为电能的本领越大
C.电动势的数值等于内、外电路电压之和
D.电动势只由电源性质决定,外电路无关
参考答案:A
本题解析:
本题难度:一般
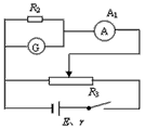
5、实验题 某物理兴趣小组要精确测量一只电流表G(量程为1mA、内阻约为100Ω)的内阻。实验室中可供选择的器材有:
电流表A1:量程为3mA,内阻约为200Ω;
电流表A2:量程为0.6A,内阻约为0.1Ω;
定值电阻R1:阻值为10Ω;
定值电阻R2:阻值为60Ω;
滑动变阻器R3:最大电阻20Ω,额定电流1.5A;
直流电源:电动势1.5V,内阻0.5Ω;
开关,导线若干。
(1)为了精确测量电流表G的内阻,你认为该小组同学应选择的电流表为__________、定值电阻为__________。(填写器材的符号)
(2)在方框中画出你设计的实验电路图。
(3)按照你设计的电路进行实验,测得电流表A的示数为I1,电流表G的示数为I2,则电流表G的内阻的表达式为rg=__________。
参考答案:(1)A1,R2
(2)
(3)
本题解析:
本题难度:困难