时间:2017-09-23 23:46:14
1、选择题  如图所示,一光滑小球放置在木板与竖直墙面之间。设墙面对球的压力大小为N
,球对木板的压力大小为N
。将木板由图示位置开始绕O点缓慢地转到水平位置。在此过程中
A.N
始终增大,N
始终增大
B.N
始终减小,N
始终减小
C.N
先增大后减小,N
始终减小
D.N
始终减小,N
先减小后增大
2、选择题  如图所示的电路中,电源有不可忽略的电阻,R1、R2、R3为三个可变电阻,电容器C1、C2所带电荷量分别为Q1和Q2,下面判断正确的是(  )
A.仅将R1增大,Q1和Q2都将增大
B.仅将R2增大,Q1和Q2都将减小
C.仅将R3增大,Q1和Q2都将不变
D.突然断开开关S,Q1和Q2都将不变
3、填空题  一电容器带电量Q=4×10-8C,此时两板间电压U=2V,则此电容器的电容为?_________F
4、选择题  下列叙述中正确的有
A.导体中电荷运动就形成电流
B.电流强度的单位是安
C.电流强度是一个标量,其方向是没有意义的
D.对于导体,如果两端电势差为零,则电流强度不一定为零
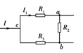
5、选择题  如图所示电路,已知R1=3 kΩ,R2=2 kΩ,R3=1 kΩ,I=10 mA,I1=6 mA,则a、b两点电势高低和通过R2中电流正确的是(  )
A.a比b高,7 mA
B.a比b高,2 mA
C.a比b低,7 mA
D.a比b低,2 mA