时间:2017-09-23 23:23:55
1、选择题  某同学设计了如图甲所示电路研究电源输出功率随外电阻变化的规律。电源电动势E恒定,内电阻r=6Ω,R1为滑动变阻器,R2、R3为定值电阻,A、V为理想电表。当滑动变阻器滑臂从a到b移动的过程中,输出功率随滑臂移动距离x的变化情况如乙图所示,则R1的最大阻值及R2、R3的阻值可能为下列哪组( ? )

参考答案:A
本题解析:
本题难度:一般
2、选择题  四个相同的电流表分别改装成两个电流表A1、A2和两个电压表?V1、V2,A1的量程大于A2的量程,V1的量程大于V2的量程,把它们接入如图所示的电路,闭合开关后(  )
A.A1的读数比A2的读数大
B.A1指针偏转角度比A2指针偏转角度大
C.V1读数比V2读数大
D.V1,V2指针偏转角度一样
参考答案:A、电流表A1的量程大于A2的量程,故电流表A1的内阻小于A2的内阻;电压表V1的量程大于V2的量程,故V1的电阻大于V2的电阻;
由图可知,两电流表并联,故两流表两端的电压相等,故A1中的电流要大于A2中的电流,故A1的读数比A2的读数大,故A正确;
B、因两表由同一电流表改装而成,而将电流表扩大量程时为并联一小电阻,故相当于为四个电阻并联,故两表头中电流相同,故两表的偏角相同;故B错误;
C、两电压表串联,故通过两表的电流相等,故V1的读数比V2的读数大,故C正确;
D、因表头与电阻串联,故为四个电阻串联,因此通过两表头的电流相等,两表的偏转角度一样,故D正确;
故选ACD.
本题解析:
本题难度:简单
3、选择题  如右图所示,一电压表和可变电阻器R串联后接在一个电压恒定的电源两端,如果可变电阻的阻值减小的原来的1/4,
电压表的示数将由U变为2U,则(   )
A.流过R的电流将增大到原来的2倍
B.R两端的电压将减小到原来的1/2
C.R上消耗的功率将变为原来的1/2
D.当R阻值变为零时,电压表的示数为3U
参考答案:ABD
本题解析:略
本题难度:一般
4、填空题  ⑴ 如图所示,有一个表头G,满偏电流为Ig =" 1" mA,内阻Rg ="100" Ω,用它改装为有5 V和50 V两种量程的电压表,则R1 =_____________Ω、R2 = _____________Ω。
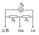
⑵ 如图所示,有一个表头G,满偏电流Ig =" 500" mA,内阻Rg=200Ω,用它改装为有1 A和10 A两种量程的电流表,则R1 = ______Ω、R2 = ______Ω。
参考答案:(1)? 4900?,??45000?, (2)? 180?,??20?
本题解析:解答:解:(1)接5V量程时,为串联的R1,则R1=
-Rg=
-100=4900Ω
接10V量程时,为串联的R1和R2,则R2=
-Rg-R1=
-100-4900=45000Ω
(2)接1A量程时,为并联的R1和R2,接10A量程时,则
,为表头串联的R1,然后与R2并联,则
,联立两式可得R1 =180Ω,R2 =20Ω
故答案为:(1)4900,45000;(2)180,20
本题难度:简单
5、填空题  甲乙两地相距50km,其间有两条相同的电话线,在D处有一条因绝缘皮被老鼠咬破触地而发生故障.为了确定触地点到甲地的距离,甲地的检修人员先让乙地的工作人员把两条电话线短接,(图中D、E两点都接地,可以认为两点间用导线连接且电阻不计)然后调节电阻箱的阻值R,使通过理想电流表G的电流为零,R1=R2,此时电阻箱的阻值为360Ω,已知每1km电话线的阻值为6Ω,则触地点到甲地的距离为______km;若把电阻箱R阻值调大,则通过电流表G的电流方向______.
参考答案:设D点到甲地的距离为x.
由题,理想电流表G的电流为零,桥式电路平衡,则有
? 6×(100-x)6x+R=R1R2
? R1=R2,R=360Ω
解得,x=20km
原来理想电流表G的电流为零,说明A、B两点的电势相等;
把电阻箱R阻值调大,电阻R2的电压减小,而电阻R1的电压不变,由于A、B两点的电势都低于C点,则B点的电势将高于A点的电势,通过电流表G的电流方向由B到A.
故答案为:20,B到A
本题解析:
本题难度:一般