时间:2017-09-23 23:21:32
1、计算题 如图所示是磁动力电梯示意图,即在竖直平面内有两根很长的平行竖直轨道,轨道间有垂直轨道平面交替排列的匀强磁场
和
,
=
=1.0T,
和
的方向相反,两磁场始终竖直向上做匀速运动,电梯轿厢固定在图示的金属框abcd内,并且与之绝缘。已知电梯载人时的总质量为
,所受阻力
,金属框垂直轨道的边长
,两磁场的宽度均与金属框的边长
相同,金属框整个回路的电阻
,g取
。已知电梯正以
的速度匀速上升,求:
(1)金属框中感应电流的大小及图示时刻感应电流的方向;
(2)磁场向上运动速度
的大小;
(3)该电梯的工作效率。
2、选择题 如图所示,闭合电键S,电压表的示数为U,电流表的示数为I,现向左调节滑动变阻器R的触头P,电压表V的示数改变量的大小为ΔU,电流表的示数改变量大小为ΔI,则下列说法正确的是 (?)?
A.
变大
B.
变大
C.电阻R1的功率变大
D.电源的总功率变大
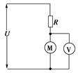
3、计算题 (12分)如图所示,电源的电动势是6V,内电阻是0.5
,小电动机M的线圈电阻为0.5
,限流电阻R0为3
,若电压表的示数为3V,试求:
(1)电源的功率和电源的输出功率
(2)电动机消耗的功率和电动机输出的机械功率
4、选择题 如图所示,图中画出了RA、RB、RC三个电阻的伏安特性曲线.将这三个电阻并联后接在电路中,其中消耗电功率最大的是:
A.RA? B.RB? C.RC? D.条件不足,无法确定
5、选择题 如图为某两个电阻的U-I图象, 则R1:R2,把两电阻串联后接入电路,则消耗功率P1:P2,并联后接入电路,消耗功率之比
,分别为:
A.2∶1 2∶1 1∶2
B.2∶1 1∶2 2∶1
C.1∶2 1∶2 2∶1
D.1∶2 2∶1 1∶2