时间:2017-09-23 22:58:41
1、选择题 描述电源能量转化本领大小的物理量是
A.电动势
B.电源的总功率
C.端压
D.电源的输出功率
参考答案:A
本题解析:试题分析:描述电源能量转化本领大小的物理量是电动势,A正确,
考点:考查了对电动势的理解
点评:基础题,非常简单,关键是对上述几个物理量的物理含义正确理解
本题难度:简单
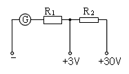
2、计算题 如图所示,一个有3V和30V两种量程的电压表,表头内阻为15 Ω,满偏电流为1 mA,求R1、R2的阻值各为多大?

参考答案:解:由题意知,
Rg=15 Ω,Ig=1 mA=1×10-3A,U1=3 V,U2=30 V
R1=
-Rg=(
-15) Ω=2985 Ω
当量程为30 V时,Rg+R1相当于表头。
R2=
-(Rg+R1)=[
-(15+2985)]Ω=27000 Ω。
本题解析:
本题难度:一般
3、选择题 为了使需要传递的信号载在电磁波上发射到远方,必须对振荡电流进行
A.调制
B.放大
C.调谐
D.检波
参考答案:A
本题解析:
本题难度:困难
4、选择题 在下列用电器中,那些用电器接到电路中消耗的电能等于电流产生的热量( ?)
A.电扇和电吹风
B.白炽灯、电烙铁和电热毯
C.洗衣机和电冰箱
D.电解槽
参考答案:B
本题解析:试题分析:纯电阻电路中电流做功全部转化为电热,非纯电阻电路中电流做功除转化为内能外还要转化为其他形式的能,白炽灯、电烙铁和电热毯是纯电阻电路,电扇、电吹、电解槽、风洗衣机和电冰箱是非纯电阻电路;故选B
考点:电功与电热的区别
点评:容易题。此题考查电功与电热的区别,一定要注意在纯电阻电路中,电功与电热相等,即
;在非纯电阻电路中,电功大于电热,即
,
。
本题难度:一般
5、选择题 如下图所示的电路中两个灯泡均发光,当变阻器滑片向下滑动时,则: 
A.A灯变亮,B灯变暗
B.A灯和B灯都变亮
C.电源的输出功率减小
D.电源的工作效率降低
参考答案:A
本题解析:试题分析:当滑动变阻器的滑动头向下滑动时,变阻器接入电路的电阻增大,根据欧姆定律分析总电流的变化和A灯电压的变化,判断A灯亮度的变化.根据总电流与R2电流的变化,分析流过B灯电流的变化,分析B灯亮度的变化.电源的效率等于输出功率与总功率之比,等于外电路总电阻与整个电路总电阻之比.
A、B当滑动变阻器的滑动头向下滑动时,变阻器接入电路的电阻增大,根据全电路欧姆定律得知,总电流I变小,A灯的电压UA=E-I(R1+r),I变小,UA变大,A灯变亮.流过B的电流
,I变小,I2变大,则IB变小,B灯变暗.故A正确,B错误.
C、由于外电阻与电源的内阻大小关系未知,无法判断电源的输出功率如何变化.故C错误.
D、电源的工作效率
,外电路总电阻R增大,电源的工作效率增大.故D错误.
故选A
考点:闭合电路的欧姆定律;电功、电功率.
点评:对于电路动态变化分析问题,首先要根据电路结构的变化分析外电路总电阻的变化,到总电流和路端电压变化,再到局部电路电流和电压的变化进行分析.
本题难度:简单