时间:2017-09-23 22:36:36
1、选择题 请你应用已经学过的电磁学知识,判断以下不正确的是( )
A.我国上空水平飞行的客机,机翼上有微弱的电流
B.电动机启动后,随着转速的加快,其消耗的电功率也随之增加
C.雷雨天,我们不可以在树下躲雨
D.电动机可以作为发电机来提供电源
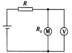
2、计算题 如图所示的电路中,电源电压为60 V,内阻不计,电阻R=2 Ω,电动机的内阻R0=1.6 Ω,电压表的示数为50 V,电动机正常工作,求电动机的输出功率。
3、选择题 关于电功,下列说法中正确的是( )
A.电功的实质是电场力所做的功
B.电功就是电热,两个量是一回事
C.电场力做功使金属导体内的自由电子运动的速率越来越大
D.电流通过电动机时的电功率和热功率相等
4、计算题 如图所示,两个灯泡A(220V?100W)和B(220V 25W)串联后接在电路PQ段.为使两灯泡安全使用,电路PQ所加的电压最大值为多少?电路PQ段允许消耗的最大功率为多少?
5、选择题 如图所示,一导体棒AC以速度υ在金属轨道DFEG上匀速滑动,向右通过一匀强磁场,金属轨道EF间有电阻R,其余的电阻不计,导体棒与轨道接触良好。则在通过此匀强磁场的过程中,下列物理量中与速度υ成正比的是 
[? ]
A.导线AC中的感应电流强度
B.磁场作用于导线AC上的安培力
C.用于导线AC上的安培力的功率
D.电阻R上所消耗的电功率