时间:2017-09-23 22:30:03
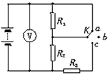
1、计算题 在如图所示的电路中,R1=2Ω,R2=R3=4Ω,当电键K接a时,R2上消耗的电功率为4 W,当电键K接b时,电压表示数为4.5 V,试求:
(1)电键K接a时,通过电源的电流和电源两端的电压;
(2)电源的电动势和内电阻;
(2)当电键K接c时,通过R2的电流。 
2、计算题 如图所示,图线Ⅰ为一电源的路端电压随电流变化的图线,图线Ⅱ为一导体两端电压和导体中电流的关系图线,若该导体和电源连接成闭合电路,求路端电压和电源的输出功率。
3、计算题 用图中所示的电路测定未知电阻Rx的值,图中电源的电动势E未知,电源内阻r与电流表的内阻RA均可忽略不计,R为电阻箱.
小题1:要测得Rx的值,R至少需要取几个不同的数值?请用所测得的物理量推导出计算Rx的表达式;
小题2:若电流表每个分度表示的电流值未知,但指针偏转角度与通过的电流成正比,则在用此电路测RX时,R至少需要取几个不同的数值?请用所测得的物理量推导出计算Rx的表达式;
小题3:若电源内阻r不可忽略,能否应用此电路测量Rx.
4、简答题 如图所示的电路中,电阻R1=12Ω,R2=R3=R4=6Ω.当电键S断开时,电压表的示数为12V,全电路消耗的电功率为13W.问电键S闭合后,电压表及电流表的示数各是多大(电流表的内阻忽略不计,电压表的内阻非常大)?
5、选择题 一正方形金属框ABCD水平向右匀速进入一匀强磁场,磁场的边界平行于对角线AD边,如图所示,则金属框进入匀强磁场的过程中,下列图象中正确的是:(垂直纸面向里为磁通量的正方向、逆时针方向为电流的正向)( )
A.
B.
C.
D.
