时间:2017-08-25 12:46:56
1、选择题 如图甲所示,两个相邻的有界匀强磁场区,方向相反,且垂直纸面,磁感应强度的大小均为B,磁场区在y轴方向足够宽,在x轴方向宽度均为a,一正三角形(中垂线长为a)导线框ABC从图示位置向右匀速穿过磁场区域,以逆时针方向为电流的正方向,在图乙中感应电流i与线框移动距离x的关系图象正确的是( )
A.
B.
C.
D.

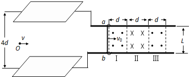
2、简答题 如图所示,两金属板正对并水平放置,分别与平行金属导轨连接,Ⅰ、Ⅱ、Ⅲ区域有垂直导轨所在平面的匀强磁场.金属杆ab与导轨垂直且接触良好,并一直向右匀速运动.某时刻ab进入Ⅰ区域,同时一带正电小球从O点沿板间中轴线水平射入两板间.ab在Ⅰ区域运动时,小球匀速运动;ab从Ⅲ区域右边离开磁场时,小球恰好从金属板的边缘离开.已知板间距为4d,导轨间距为L,Ⅰ、Ⅱ、Ⅲ区域的磁感应强度大小相等、宽度均为d.带电小球质量为m,电荷量为q,ab运动的速度为v0,重力加速度为g.求:
(1)磁感应强度的大小;
(2)ab在Ⅱ区域运动时,小球的加速度大小;
(3)要使小球恰好从金属板的边缘离开,ab运动的速度v0要满足什么条件.
3、计算题 abcd是质量为m,长和宽分别为b和l的矩形金属线框,有静止沿两条平行光滑的倾斜轨道下滑,轨道平面与水平面成θ角。efmn为一矩形磁场区域,磁感应强度为B,方向竖直向上。已知da=an=ne=b,线框的cd边刚要离开磁区时的瞬时速度为v,整个线框的电阻为R,试用题中给出的物理量(m、b、l、B、θ、v、R)表述下列物理量。
(1)ab刚进入磁区时产生的感应电动势
(2)此时线框的加速度
(3)线框下滑中共产生的热量
4、选择题 一闭合线圈放在匀强磁场中,线圈的轴线与磁场方向成30°角,如图所示,磁场的磁感应强度随时间均匀变化。在下述几种方法中可使线圈中感应电流增加一倍的是: 
A.把线圈直径增加一倍
B.把线圈面积增加一倍
C.把线圈匝数增加一倍
D.把线圈匝数减少一半
5、选择题 下列实验现象,属于电磁感应现象的是( )
A.
B.
C.
D.