时间:2017-08-25 12:07:31
1、选择题 穿过一个10匝线圈的磁通量每秒钟均匀地减少2Wb,则感应电动势
[? ]
A. 大小不变
B. 随时间均匀变化
C. 减少了20V
D. 等于20V
参考答案:AD
本题解析:
本题难度:简单
2、选择题 如图所示,相距为d的两水平虚线p1、p2表示方向垂直纸面向里的匀强磁场中的上下边界,磁场的磁感应强度为B,正方形abcd的边长为L(L<d)、质量为m、电阻为R,线框处在磁场正上方,ab边与虚线p1相距h.线框由静止释放,下落过程中线框平面始终在竖直平面内,线框的ab边刚进入磁场时的速度和ab边刚离开磁场时的速度相同.在线框从进入到全部穿过磁场的过程中,下列说法正确的是(? )
A.线框克服安培力所做的功为2mgd
B.线框克服安培力所做的功为mgd
C.线框的最小速度一定为
D.线框的最小速度一定为
参考答案:AD
本题解析:根据cd边刚进入磁场和cd边刚离开磁场时速度大小相等,对这一过程应用动能定理可得线圈进入磁场的过程克服安培力做功为mgd,出磁场的过程同样要克服安培力做功mgd,所以总共产生电能2mgd,则感应电流做功2mgd,所以A对、B错;若进入过程中出现匀速运动情况,则安培力与重力相等,所以存在最小速度为的可能,如果进入磁场过程中线框做减速运动,可能有重力小于安培力的情况,C说一定不正确;对整个过程应用动能定理可得D正确.
本题难度:一般
3、计算题 如图所示,n=10匝的边长为10cm的正方形线圈abcd绕对称轴OO/在匀强磁场中匀速转动,已知转动角速度ω=20rad/s,磁感应强度B=10T,外电阻R=6Ω,线圈的电阻r=4Ω。图示位置线圈平面与磁感线平行。求:
(1)从如图位置开始计时,写出感应电流的瞬时表达式;
(2)交流电压表的示数;
(3)从如图位置开始,转过90°的过程中通过线圈某横截面的电量。
参考答案:
本题解析:(1)
(2)由串联分压可得,
?1
?2
由12得,
,则电压表的示数为
。
(3)
?3?
?4
?5
由345得:
点评:该题目考察了电动机中电量的相关知识,只能应用
进行计算,其中电流值为平均值。
本题难度:一般
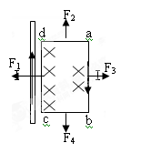
4、选择题 在固定不动的通电长直导线的近旁,放置一个可以自由移动的通电矩形线圈,若线圈abcd与直导线在同一水平面内,电流方向如图中箭头所示,则(?)
A.线圈不动
B.线圈向右运动
C.线圈向左运动
D.线圈转动
参考答案:C
本题解析:根据右手定则,直流导线在右侧产生垂直纸面向内的磁场;根据左手定则,矩形线圈受到安培力的方向如图所示,ad、bc边所在位置磁场一样,F2、F4抵消;cd边所在位置磁场强于ab边,所以F1>F3。线框整体受到向左的安培力,将向左运动。C正确。
本题难度:简单
5、选择题 如图所示.导线足够长当导线中通有恒定电流I时,以下做法中,线框(abcd)中没有感应电流产生的是(? )
A.线框上下移动
B.线框左右移动
C.线框以cb边为轴转动
D.线框以ad边为轴转动
参考答案:A
本题解析:通过线圈的磁通量发生变化时,则线框abcd中就会产生感应电流。
A、当线框上下移动时,通过线框的磁通量没有变化,所以没有感应电动势,也没有感应电流;正确
B、当线框左右移动,由于距通电导线的远近不同导致磁场的强弱变化,所以使得穿过线框的磁通量变化,从而产生感应电流;错误
C、当线框以cb边为轴转动,穿过线框的磁通量发生变化,所以有感应电流;错误
D、当线框以ad边为轴转动,穿过线框的磁通量发生变化,所以有感应电流;错误
故选A
点评:使穿过线框的磁通量发生的变化原因可能有,磁场变化导致磁通量变化、面积变化导致磁通量变化、磁场与面积均变化导致磁通量变化、、磁场与面积均不变,而是放置的角度变化导致磁通量变化。
本题难度:简单