时间:2017-08-25 11:43:05
1、选择题 下列各组电磁波,按波长由长到短顺序排列正确的是( ? )
A.γ射线、红外线、紫外线、可见光
B.红外线、可见光、紫外线、γ射线
C.可见光、红外线、紫外线、γ射线
D.紫外线、可见光、红外线、γ射线
参考答案:B
本题解析:
本题难度:简单
2、选择题 不定项选择
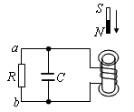
电阻R、电容C与一线圈连成闭合电路,条形磁铁静止于线圈的正上方,N极朝下,如图所示。现使磁铁开始自由下落,在N极接近线圈上端的过程中,流过R的电流方向和电容器极板的带电情况是( ? )

参考答案:D
本题解析:
本题难度:一般
3、选择题 如图所示,家用微波炉中使用的微波频率为2450MHz,则它的波长是( )
A.1.2×10-1m
B.7.35×10-17m
C.1.2×10-4m
D.7.35×10-11m
参考答案:由波速公式c=λf得:该电磁波的波长为λ=cf=3×1082450×106m≈0.12m
故选:A.
本题解析:
本题难度:简单
4、简答题 关于电磁波,下列说法正确的是( )
A.光不是电磁波
B.电磁波需要有介质才能传播
C.只要有电场和磁场,就可以产生电磁波
D.真空中,电磁波的传播速度与光速相同
参考答案:A、光是电磁波,故A错误.
B、电磁波既可以在介质中传播,也可以在真空中传播,故B错误.
C、变化的电场产生磁场,变化的磁场产生电场,使电场和磁场交替产生向外传播,形成电磁波,故C错误.
D、光是一种电磁波,故在真空中,电磁波的传播以光速进行,即与光速相同.故D正确.
故选D.
本题解析:
本题难度:一般
5、选择题 要增大图18-1-9所示振荡电路的频率,下列说法中正确的是( )
图18-1-9
A.减少电容器的带电荷量
B.将开关S从“1”位置拨到“2”位置
C.在线圈中插入磁铁棒芯
D.将电容器的动片旋出些
参考答案:BD
本题解析:根据公式
可知
,要增大f,必须减小L和C二者之积.C跟电容器的带电荷量无关,减小两极板的正对面积、增大两极板间的距离,从两极板间抽出介质都可减小电容量C,因此,A不正确,D正确.线圈越细、越长、匝数越少、抽出铁芯,L越小,可见B正确,C不正确.
本题难度:简单