时间:2017-08-25 11:25:52
1、简答题 某同学在“测定金属的电阻率”的实验中:
①用螺旋测微器测量金属丝的直径如图甲所示,则该金属丝的直径为______mm.
②先用多用电表粗测其电阻Rx.将选择开关调到欧姆挡“×100”挡位并调零,测量时发现指针偏转角度过大,这时他应该将选择开关换成欧姆挡的“______”挡西半球(选填“×l0””“×1K”),重新欧姆调零,再次测量金属丝的阻值.其表盘及指针所指位置如图乙所示,则此段金属丝的电阻为______Ω.
③现要进一步精确测量Rx的阻值,实
验室提供了以下器材:
直流电源E(电动势4V,内阻不计)
电流表A1(量程30mA,内阻约1Ω)
电流表A2(量程500μA,内阻为100Ω)
滑动变阻器R1(最大阻值为10Ω)
定值电阻R2=5000Ω,;
定值电阻R3=500Ω;
电键S及导线若干.
为了测定金属丝上的电压,可以将电流表______(选填“A1”或“A2”)串联定值电阻______(选填“R2“或“R3”),将其改装成一个量程为3.0V的电压表.如图丙所示,该同学设计了测量电阻Rx的a、b两种方案,其中用到了改装后的电压表和另一个电流表,则应选方案______(选填“a”或“b”).
参考答案:①螺旋测微器读数为d=0.5mm+2.0×0.01mm=0.520mm(0.518~0.522均正确)
②用×100挡测量时欧姆表的指针偏角很大,说明待测电阻值较小,应换成×10挡,欧姆表的示数为R=12×10Ω=120Ω.
③应将内阻一定的电流表A?2改装为电压表,根据欧姆定律有U=I(r?2+R?0),解得R?0=3500×10-6?-100=5900Ω,故应串联定值电阻R?2,由于电压表的内阻确定,由I=UR?V+UR可知,电流表应用外接法,所以应选方案a.
故答案为①0.520
? ②×10,120
? ③A?2,R?3,a
本题解析:
本题难度:一般
2、填空题 (1)在进行测定电源电动势和内电阻的实验时,除了需有待测电源、开关和导线外,下列各组器材可以完成实验的是______(填字母代号).
A.电压表和电流表?B.电流表和电阻箱?C.电压表和电阻箱
D.电流表和滑动变阻器?E.电压表和滑动变阻器?F.电压表、电流表和滑动变阻器
(2)某同学在用电流表和电压表测电池的电动势和内阻的实验中,串联了一只2.5Ω的保护电阻R0,实验电路如图所示.
①连好电路后,当该同学闭合电键,发现电流表和电压表均有一定的读数.检查各接线柱均未接错且接触良好;他用多用电表的电压档检查电路,把两表笔分别接a、b时,读数与电压表读数接近,把两表笔分别接b、c,c、d,d、e时,读数趋于零或为零,由此可推断故障可能是______;
②依据电路原理图,在下图中以笔画线代替导线,连接该同学用多用电表的电压挡检查电路cd段时的实物电路;
③排除故障后,该同学顺利完成实验,将测量的数据反映在U-I图上,根据这一图线,可求出电池的电动势E=______V,内电阻r=______Ω.

参考答案:(1)根据闭合电路欧姆定律E=Ir+IR=Ir+U=URr+U,测定电源电动势有伏安法(测量U、I)、伏阻法(测量U、R)、安阻法(测量I、R);
其中伏安法要改变电流,需要滑动变阻器;
故选BCF.
(2)①电流表有电流,电路没有断路;
电阻R两端电压为零,根据U=IR,电阻为零,说明短路;
故答案为:R短路;
②对照电路图连线即可,要注意电表的极性;
实物图连线如图?
③U-I图象的纵轴截距表示电源的电动势,故E=1.49V(1.47-1.50均可);
内阻等于图线的斜率,故
r=|△U△I|=1.4V-1.15V0.55A-0.15A=0.625Ω
故答案为:1.49,0.625.
本题解析:
本题难度:一般
3、实验题 给你一个电压表、一个电阻箱、电键及导线等,如何根据闭合电路欧姆定律测出一节旧干电池的电动势和内电阻。
(1)画出电路图。
(2)实验过程中,将电阻箱拨到45Ω时,电压表读数为0.90V;若将电阻箱拨到图(甲)所示为?时,电压表的读数如图(乙)所示是?V。
(3)根据以上实验数据,可以算出该节干电池的电动势E=?V,内电阻r=?Ω。? ?高#考#资#源#
参考答案:(1)如图
(2)110? 1.10
(3)1.30? 20
本题解析:略
本题难度:一般
4、填空题 某同学利用多用电表做了以下实验:
(1)使用多用电表测电阻,他的主要实验步骤如下
①把选择开关扳到“×100”的欧姆挡上.
②把表笔插入测试插孔中,先把两根表笔相接触,旋转欧姆调零旋钮,使指针指在电阻刻度的零位上.
③把两根表笔分别与某一待测电阻的两端相接,发现这时指针偏转较小.
④换用“×10”的欧姆档,随即记下欧姆数值.
⑤把表笔从测试笔插孔中拔出后,就把多用表放回桌上原处,实验完毕.
这个学生在测量时已注意到:待测电阻与其他元件和电源断开,不用手碰表笔的金属杆,那么这个学生在实验中有哪些操作是错误的?(三个错误)
错误一:______错误二:______错误三:______
(2)如图1所示,为多用电表的表盘,测电阻时,若用的是×100量程,这时表针所示被测电阻的阻值应为______欧;测直流电流时,用的是100mA的量程,指针所示电流值为______毫安;测直流电压时,用的是50V量程,则指表针所示的电压值为______伏.
(3)用多用电表欧姆挡(×100)测试三只晶体二极管,其结果依次如图2甲、乙、丙所示.由图2可知,图中______的二极管是好的,该二极管的正极是______端.
参考答案:(1)错误一:指针偏转较小说明电阻偏大,应该选用较大挡位,即换用“×1K”的欧姆档;
错误二:欧姆表换挡后要重新调零;
错误三:使用完毕应将选择开关调到“OFF”档或交流最高电压档;
(2)欧姆挡:16.5Ω×100=1650Ω;
电流挡,最小刻度为2mA,故读数为75mA;
电压挡,最小刻度为1V,故读数为23.5V;
(3)二极管正向导电,反向截至,故红黑表笔反向时,指针偏转角度应该有较大差异,故乙图中二极管是正常的;
故答案为:(1)换用“×10”的欧姆档,应该改为换用“×1K”的欧姆档;换挡后没有重新调零;使用完毕没有将旋转开关旋至“OFF”挡;
(2)1650,47,23.5;
(3)乙,a.
本题解析:
本题难度:一般
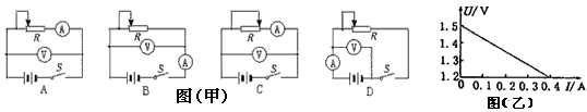
5、实验题 如图(甲)所示,上面几个测量电动势E及内阻r的实验电路图中符合要求的是_______。图(乙)根据实验数据画出的U-I图像,由此可知这节干电池的电动势E=_______V,内电阻r=_______Ω。

参考答案:A,1.5,0.75
本题解析:
本题难度:一般