时间:2017-08-22 03:06:48
1、选择题  如图所示,电源电动势E=9 V,内电阻r=4.5 Ω,变阻器R1的最大电阻R1m=5.0 Ω,R2=1.5 Ω,R3=R4=1 000 Ω,平行板电容器的两金属板水平放置,在开关S与a接触且当电路稳定时,电源恰好有最大的输出功率,此时在平行板电容器正中央一带电微粒恰能静止。则下列说法正确的是
[? ]
A.在题设条件下,R1接入电路的阻值为3 Ω,电源的输出功率为4.5 W 
B.微粒带负电,当开关扳向b(未接触b)的过程中,微粒将向下运动 
C.在题设条件下,R1的阻值增大时,R2两端的电压增大 
D.在题设条件下,当开关扳向b后,流过R3的电流方向为h→g 
2、计算题  (10分)一台小型电动机在3 V电压下工作,用此电动机提升所受重力为4 N的物体时,通过它的电流是0.2 A.在30 s内可使该物体被匀速提升3 m.若不计除电动机线圈生热之外的能量损失,求:
(1)电动机的输入功率;
(2)在提升重物的30 s内,电动机线圈所产生的热量;
(3)线圈的电阻.
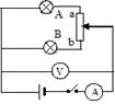
3、选择题  如右图所示,电灯A标有“10V,10W”,电灯B标有“8V,20W”,滑动变阻器的总电阻为6Ω,当滑动触头由a端向b端滑动的过程中(不考电灯电阻的变化)(?) 
A.电流表示数一直减小,电压表示数一直增大
B.电流表示数一直增大,电压表示数一直减小
C.电流表示数先增大后减小,电压表示数先减小后增大;
D.电流表示数先减小后增大,电压表示数先增大后减小。
4、选择题  如图所示的电路中,电源电动势为E,内阻为r,R1、R2为定值电阻,R3为可变电阻,C为电容器.在可变电阻R3由较小逐渐变大的过程中,下列说法中正确的是
A.电容器的带电量在逐渐减小
B.流过R2的电流方向是由上向下
C.电源的输出功率变大
D.电源内部消耗的功率变大
5、选择题  如图甲所示,光滑平行金属导轨MN、PQ所在平面与水平面成θ角,M、P两端接一阻值为R的定值电阻,阻值为r的金属棒ab垂直导轨放置,其他部分电阻不计。整个装置处在磁感应强度为B的匀强磁场中,磁场方向垂直导轨平面向上。t=0时对棒施一平行于导轨的外力F,棒由静止开始沿导轨向上运动,通过R的感应电流随时间t变化的关系如图乙所示。下列关于穿过回路abPMa的磁通量Φ和磁通量的瞬时变化率
以及ab两端的电势差Uab和通过棒的电荷量q随时间变化的图象中,正确的是
