时间:2017-08-22 02:45:04
1、选择题 如图所示,在频率为f的交流电路中,当开关S依次接通R、C、L支路时,交流电流表的读数均相同,如果该交流电电压不变,而将频率加大,则下列判断中不正确的是

[? ]
参考答案:C
本题解析:
本题难度:一般
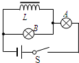
2、选择题 如图所示电路中,L为电感线圈,C为电容器,当开关S由断开变为闭合时,则( )
A.A灯有电流通过,方向由a到b
B.A灯中无电流通过,不可能变亮
C.B灯立即熄灭,c点电势低于d点电势
D.B灯逐渐熄灭,c点电势低于d点电势
参考答案:D
本题解析:
本题难度:简单
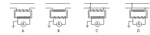
3、选择题 在变电所里,需要用交流电表去监测电网上的强电流。由于电网中的电流通常会超过一般电流表的量程,因此常使用电流互感器。下面四个图中,正确反映电流互感器工作原理的是
参考答案:A
本题解析:略
本题难度:简单
4、选择题 如图,L是直流电阻为零、自感系数很大的线圈,A和B是两个相同的小灯泡,某时刻闭合开关S,通过A、B两灯泡中的电流IA、IB随时间t变化的图象,正确的是( )
A.
B.
C.
D.

参考答案:A
本题解析:
本题难度:简单
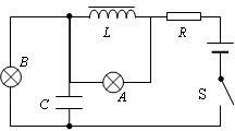
5、选择题 如图所示,A、B是两个完全相同的的灯泡,L是一个自感系数较大的理想电感线圈,C是电容较大的电容器。关于A、B亮度情况的说法中不正确的是(? )
A.S闭合时,A立即亮,然后逐渐熄灭
B.S闭合时,B立即亮,然后逐渐熄灭
C.S闭合足够长时间后,B发光,而A不发光
D.S闭合足够长时间再断开S后,B逐渐熄灭
参考答案:B
本题解析:A、S闭合时,L自感系数较大,由于自感相当于断路,A立即亮,稳定后线圈对恒定电流阻碍作用极小,相当于短路,A逐渐熄灭;正确,不选
B、S闭合时,电容器C电容较大,充电电流很大,通过B的电流很小,B不亮,稳定后电容器对恒定电流为断路,B亮;错误符合题意,应选
C、由A、B分析可知S闭合足够长时间后,B发光,而A不发光;正确,不选
D、S闭合足够长时间再断开S后,电容器通过B灯放电,则B逐渐熄灭;正确,不选
故选B
点评:注意自感系数较大的线圈,对变化电流阻碍作用较大,电容较大的电容器对变化电流阻碍作用很小。
本题难度:一般