时间:2015-06-10 22:18:26
www.^91exam.org
2015年普通高等学校招生全国统一考试(天津卷)
理科综合能力测试化学试题
1、 下列有关“化学与生活”的叙述不正确的是
A、点燃爆竹后,硫燃烧生成SO3
B、 中国古代利用明矾溶液的酸性清除铜镜表面的铜锈
C、 服用阿司匹林出现水杨酸反应时,用NaHCO3溶液解毒
D、使用含钙离子浓度较大的地下水洗衣服,肥皂去污能力减弱
2、 下列关于物质或离子检验的叙述正确的是
A、在溶液中加KSCN,溶液显红色,证明原溶液中有Fe3+,无Fe2+
B、 气体通过无水硫酸铜,粉末变蓝,证明原气体中含有水蒸气
C、 灼烧白色粉末,火焰成黄色,证明原粉末中有Na+,无K+
D、将气体通入澄清石灰水,溶液变浑浊,证明原气体是CO2
3、 下列说法不正确的是
A、Na与H2O的反应是熵增的放热反应,该反应能自发进行
B、 饱和Na2SO4溶液或浓硝酸均可使蛋白质溶液产生沉淀,但原理不同
C、 FeCl3和MnO2均可加快H2O2分解,同等条件下二者对H2O2分解速率的改变相同
D、Mg(OH)2固体在溶液中存在平衡:Mg(OH)2(s)
Mg2+(aq)+2OH—(aq),该固体可溶于NH4Cl溶液
4、 锌铜原电池装置如图所示,其中阳离子交换膜只允许阳离子和水分子通过,下列有关叙述正确的是

A、铜电极上发生氧化反应
B、 电池工作一段时间后,甲池的c(SO42-)减小
C、 电池工作一段时间后,乙池溶液的总质量增加
D、阴阳离子离子分别通过交换膜向负极和正极移动,保持溶液中电荷平衡
5、 室温下,将0.05mol Na2CO3固体溶于水配成100mL溶液,向溶液中加入下列物质。有关结论正确的是
|
|
加入的物质 |
结论 |
|
A |
50mL 1mol·L-1H2SO4 |
反应结束后,c(Na+)=c(SO42-) |
|
B |
0.05molCaO |
溶液中 |
|
C |
50mL H2O |
由水电离出的c(H+)·c(OH—)不变 |
|
D |
0.1molNaHSO4固体 |
反应完全后,溶液pH减小,c(Na+)不变 |
6、 某温度下,在2L的密闭容器中,加入1molX(g)和2molY(g)发生反应:X(g)+m Y(g)
3Z(g),平衡时,X、Y、Z的体积分数分别为30%、60%、10%。在此平衡体系中加入1molZ(g),再次达到平衡后,X、Y、Z的体积分数不变。下列叙述不正确的是
A、m=2
B、 两次平衡的平衡常数相同
C、 X与Y的平衡转化率之比为1:1
D、第二次平衡时,Z的浓度为0.4 mol·L-1
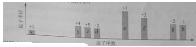
7.(14分)随原子序数的递增,八种短周期元素(用字母X表示)原子半径的相对大小、最高正价或最低负价的变化如下图所示。

根据判断出的元素回答问题:
(1)f在元素周期表的位置是__________。
(2)比较d、e常见离子的半径的小(用化学式表示,下同)_______>__________;比较g、h的最高价氧化物对应的水化物的酸性强弱是:_______>__________。
(3)任选上述元素组成一种四原子共价化合物,写出其电子式__________。
(4)已知1mole的单质在足量d2中燃烧,恢复至室温,放出255.5kJ热量,写出该反应的热化学方程式:___________________。
(5)上述元素可组成盐R:zx4f(gd4)2,向盛有10mL1mol·L-1R溶液的烧杯中滴加1mol·L-1NaOH溶液,沉淀物质的量随NaOH溶液体积变化示意图如下:

①R离子浓度由大到小的顺序是:__________。
②写出m点反应的而梨子方程式_________________。
③若R溶液改加20mL1.2 mol·L-1Ba(OH)2溶液,充分反应后,溶液中产生沉淀的物质的量为__________mol。
8.(18分)扁桃酸衍生物是重要的医药中间体,以A和B 为原料合成扁桃酸衍生物F路线如下:

(1)A的分子式为C2H2O3,可发生银镜反应,且具有酸性,A所含官能团名称为:_________,写出A+B→C的化学反应方程式为__________________________.
(2)
中①、②、③3个—OH的酸性有强到弱的顺序是:_____________。
(3)E是由2分子C生成的含有3个六元环的化合物,E的分子中不同化学环境的氢原子有________种。
(4)D→F的反应类型是__________,1mol F在一定条件下与足量NaOH溶液反应,最多消耗NaOH的物质的量为:________mol .
写出符合下列条件的F的所有同分异构体(不考虑立体异构)的结构简式:______
①、属于一元酸类化合物,②、苯环上只有2个取代基且处于对位,其中一个是羟基
(5)已知:
A有多种合成方法,在方框中写出由乙酸合成A的路线流程图(其他原料任选)合成路线流程图示例如下:

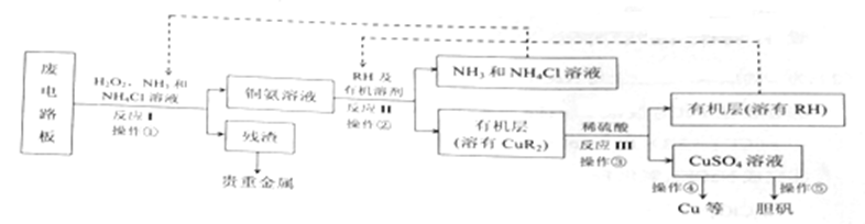
9.(18分)废旧印刷电路板是一种电子废弃物,其中铜的含量达到矿石中的几十倍。湿法技术是将粉碎的印刷电路板经溶解、萃取、电解等操作得到纯铜等产品。某化学小组模拟该方法回收铜和制取胆矾,流程简图如下:

回答下列问题:
(1)反应Ⅰ是将Cu转化为Cu(NH3 )42+,反应中H2O2 的作用是 。写出操作①的名称: 。
(2)反应是铜氨溶液中的Cu(NH3 )42+与有机物RH反应,写出该反应的离子方程式: 。操作②用到的主要仪器名称为 ,其目的是(填序号) 。
a.富集铜元素
b.使铜元素与水溶液中的物质分离
c.增加Cu2+在水中的溶解度
(3)反应Ⅲ是有机溶液中的CuR2与稀硫酸反应生成CuSO4和 。若操作③使用右图装置,图中存在的错误是 。
(4)操作④以石墨作电极电解CuSO4 溶液。阴极析出铜,阳极产物是 。操作⑤由硫酸铜溶液制胆矾的主要步骤是 。
(5)流程中有三次实现了试剂的循环使用,已用虚线标出两处,第三处的试剂是 。循环使用的NH4Cl在反应Ⅰ中的主要作用是 。
10.(14分)FeCl3 具有净水作用,但腐蚀设备,而聚合氯化铁是一种新型的絮凝剂,处理污水比FeCl3 高效,且腐蚀性小。请回答下列问题:
(1)FeCl3 净水的原理是 。FeCl3 溶液腐蚀钢铁设备,除H+作用外,另一主要原因是(用离子方程式表示) 。
(2)为节约成本,工业上用NaClO3 氧化酸性FeCl2 废液得到FeCl3 。
①若酸性FeCl2 废液中c(Fe2+)=2.0×10-2mol·L-1, c(Fe3+)=1.0×10-3mol·L-1, c(Cl-)=5.3×10-2mol·L-1,则该溶液的PH约为 。
②完成NaClO3 氧化FeCl2 的离子方程式:
ClO3-+
Fe2++
=
Cl-+
Fe3++
.
(3)FeCl3 在溶液中分三步水解:
Fe3++H2O
Fe(OH)2++H+ K1
Fe(OH)2++H2O
Fe(OH)2++H+ K2
Fe(OH)++H2O
Fe(OH)3+H+ K3
以上水解反应的平衡常数K1、K2、K3由大到小的顺序是 。
通过控制条件,以上水解产物聚合,生成聚合氧化铁,离子方程式为:
xFe3++yH2O
Fex(OH)y(3x-y)++yH+
欲使平衡正向移动可采用的方法是(填序号) 。
室温下,使氯化铁溶液转化为高浓度聚合氯化铁的关键条件是 。
(4)天津某污水处理厂用氯化铁净化污水的结果如下图所示。由图中数据得出每升污水中投放聚合氯化铁[以Fe(mg·L-1)表示]的最佳范围约为 mg·L-1。