手机用户可
保存上方二维码到手机中,在
微信扫一扫中右上角选择“从
相册选取二维码”即可。
1、判断题 电器元件正常工作的周围温度一般规定为-5—+400()
点击查看答案
本题答案:微信扫下方二维码即可打包下载完整带答案解析版《★动力与电气工程》或《动力与电气工程:电机与电气控制技术》题库
2、填空题 能耗制动的优点是()
点击查看答案
本题答案:微信扫下方二维码即可打包下载完整带答案解析版《★动力与电气工程》或《动力与电气工程:电机与电气控制技术》题库
3、单项选择题 C650卧式车床的停止按钮按下后一直不松开,则主轴电机()。
A、反接制动
B、能耗制动
C、自然减速
D、继续运行
点击查看答案
本题答案:微信扫下方二维码即可打包下载完整带答案解析版《★动力与电气工程》或《动力与电气工程:电机与电气控制技术》题库
4、单项选择题 改变交流电动机的运转方向,调整电源采取的方法是()。
A、调整其中两相的相序
B、调整三相的相序
C、定子串电阻
D、转子串电阻
点击查看答案
本题答案:微信扫下方二维码即可打包下载完整带答案解析版《★动力与电气工程》或《动力与电气工程:电机与电气控制技术》题库
5、问答题 漏电断路器的结构有那些?
点击查看答案
本题答案:微信扫下方二维码即可打包下载完整带答案解析版《★动力与电气工程》或《动力与电气工程:电机与电气控制技术》题库
6、单项选择题 欲使几个电器都能控制甲接触器通电,则()。
A、几个电器的动合触点应串联,接到甲接触器的线圈电路中
B、几个电器的动合触点应并联,接到甲接触器的线圈电路中
C、几个电器的动断触点应串联,接到甲接触器的线圈电路中
D、几个电器的动断触点应并联,到甲接触器的线圈电路中
点击查看答案
本题答案:微信扫下方二维码即可打包下载完整带答案解析版《★动力与电气工程》或《动力与电气工程:电机与电气控制技术》题库
7、单项选择题 C650卧式车床中时间继电器KT的作用是()。
A、确定起动时间
B、确定制动时间
C、保护控制变压器TC
D、保护电流表PA
点击查看答案
本题答案:微信扫下方二维码即可打包下载完整带答案解析版《★动力与电气工程》或《动力与电气工程:电机与电气控制技术》题库
8、问答题 短路保护和过载保护有什么区别?
点击查看答案
本题答案:微信扫下方二维码即可打包下载完整带答案解析版《★动力与电气工程》或《动力与电气工程:电机与电气控制技术》题库
9、填空题 双速电动机的定子绕组在低速时是()联结,高速时是()联结。
点击查看答案
本题答案:微信扫下方二维码即可打包下载完整带答案解析版《★动力与电气工程》或《动力与电气工程:电机与电气控制技术》题库
10、单项选择题 ()可在规定范围内补偿环境温度对热继电器的影响。
A、双金属片
B、调节凸轮
C、热元件
D、温度补偿双金属片
点击查看答案
本题答案:微信扫下方二维码即可打包下载完整带答案解析版《★动力与电气工程》或《动力与电气工程:电机与电气控制技术》题库
11、判断题 容量小于10kW的笼型异步电机,一般采用全电压直接起动。()
点击查看答案
本题答案:微信扫下方二维码即可打包下载完整带答案解析版《★动力与电气工程》或《动力与电气工程:电机与电气控制技术》题库
12、判断题 电压型变频器和电流型变频器的区别在于滤波环节不同。()
点击查看答案
本题答案:微信扫下方二维码即可打包下载完整带答案解析版《★动力与电气工程》或《动力与电气工程:电机与电气控制技术》题库
13、判断题 反接制动的速度继电器应适当调整反力弹簧的松紧程度,以期获得较好的制动效果()
点击查看答案
本题答案:微信扫下方二维码即可打包下载完整带答案解析版《★动力与电气工程》或《动力与电气工程:电机与电气控制技术》题库
14、判断题 在C650卧式车床中,KM3和KA的触点可以换用。()
点击查看答案
本题答案:微信扫下方二维码即可打包下载完整带答案解析版《★动力与电气工程》或《动力与电气工程:电机与电气控制技术》题库
15、问答题 什么是自锁控制?为什么说接触器自锁控制线路具有欠压和失压保护?
点击查看答案
本题答案:微信扫下方二维码即可打包下载完整带答案解析版《★动力与电气工程》或《动力与电气工程:电机与电气控制技术》题库
16、判断题 热继电器和过电流继电器在起过载保护作用时可相互替代。()
点击查看答案
本题答案:微信扫下方二维码即可打包下载完整带答案解析版《★动力与电气工程》或《动力与电气工程:电机与电气控制技术》题库
17、单项选择题 为了减小接触电阻,下列做法中不正确的是()
A、在静铁心的端面上嵌有短路铜环
B、触点接触面保持清洁
C、在触点上镶一块纯银块
D、加一个触点弹簧
点击查看答案
本题答案:微信扫下方二维码即可打包下载完整带答案解析版《★动力与电气工程》或《动力与电气工程:电机与电气控制技术》题库
18、单项选择题 C650车床的电流表()
A、只在主轴运行时投入
B、起动时投入
C、制动时投入
点击查看答案
本题答案:微信扫下方二维码即可打包下载完整带答案解析版《★动力与电气工程》或《动力与电气工程:电机与电气控制技术》题库
19、判断题 在点动电路、可逆旋转电路等电路中主电路一定要接热继电器。()
点击查看答案
本题答案:微信扫下方二维码即可打包下载完整带答案解析版《★动力与电气工程》或《动力与电气工程:电机与电气控制技术》题库
20、单项选择题 电压继电器的返回系数是指()。
A、吸合电流与释放电流之比值
B、吸合电压与释放电压的比值
C、释放电流与吸合电流的比值
D、释放电压与吸合电压的比值
点击查看答案
本题答案:微信扫下方二维码即可打包下载完整带答案解析版《★动力与电气工程》或《动力与电气工程:电机与电气控制技术》题库
21、单项选择题 若接触器用按钮起动,且起动按扭两端并联接触器的常开触点,则电路具有()
A、零压保护功能
B、短路保护功能
C、过载保护功能
D、弱磁保护功能
点击查看答案
本题答案:微信扫下方二维码即可打包下载完整带答案解析版《★动力与电气工程》或《动力与电气工程:电机与电气控制技术》题库
22、填空题 选择低压断路器时,额定电压或额定电流应()电路正常工作时的电压和电流。
点击查看答案
本题答案:微信扫下方二维码即可打包下载完整带答案解析版《★动力与电气工程》或《动力与电气工程:电机与电气控制技术》题库
23、判断题 在反接制动的控制线路中,必须采用以时间为变化参量进行控制。()
点击查看答案
本题答案:微信扫下方二维码即可打包下载完整带答案解析版《★动力与电气工程》或《动力与电气工程:电机与电气控制技术》题库
24、填空题 摇臂钻床具有两套()控制系统
点击查看答案
本题答案:微信扫下方二维码即可打包下载完整带答案解析版《★动力与电气工程》或《动力与电气工程:电机与电气控制技术》题库
25、判断题 三相笼型电动机采用降压启动的同时可以增大启动转矩。
点击查看答案
本题答案:微信扫下方二维码即可打包下载完整带答案解析版《★动力与电气工程》或《动力与电气工程:电机与电气控制技术》题库
26、判断题 分析控制电路最基本的方法是查线读图法。()
点击查看答案
本题答案:微信扫下方二维码即可打包下载完整带答案解析版《★动力与电气工程》或《动力与电气工程:电机与电气控制技术》题库
27、填空题 三相异步电动机常用的电气制动方法有()和()。
点击查看答案
本题答案:微信扫下方二维码即可打包下载完整带答案解析版《★动力与电气工程》或《动力与电气工程:电机与电气控制技术》题库
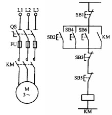
28、问答题
根据下图,分析它的工作原理

点击查看答案
本题答案:微信扫下方二维码即可打包下载完整带答案解析版《★动力与电气工程》或《动力与电气工程:电机与电气控制技术》题库
29、问答题
分析点动控制电路的工作原理

点击查看答案
本题答案:微信扫下方二维码即可打包下载完整带答案解析版《★动力与电气工程》或《动力与电气工程:电机与电气控制技术》题库
30、判断题 交流接触器吸引线圈的额定电压与接触器的额定电压总是一致的.
点击查看答案
本题答案:微信扫下方二维码即可打包下载完整带答案解析版《★动力与电气工程》或《动力与电气工程:电机与电气控制技术》题库
31、问答题 时间继电器的选用原则
点击查看答案
本题答案:微信扫下方二维码即可打包下载完整带答案解析版《★动力与电气工程》或《动力与电气工程:电机与电气控制技术》题库
32、单项选择题 直流电机调速时方法()
A、只改变励磁绕组电源的正负端
B、同时改变励磁绕组和电枢绕组电源的正负端
C、改变励磁绕组电流的大小
点击查看答案
本题答案:微信扫下方二维码即可打包下载完整带答案解析版《★动力与电气工程》或《动力与电气工程:电机与电气控制技术》题库
33、名词解释 减压起动
点击查看答案
本题答案:微信扫下方二维码即可打包下载完整带答案解析版《★动力与电气工程》或《动力与电气工程:电机与电气控制技术》题库
34、填空题 车床的冷却泵电机采用()控制电路
点击查看答案
本题答案:微信扫下方二维码即可打包下载完整带答案解析版《★动力与电气工程》或《动力与电气工程:电机与电气控制技术》题库
35、名词解释 联锁
点击查看答案
本题答案:微信扫下方二维码即可打包下载完整带答案解析版《★动力与电气工程》或《动力与电气工程:电机与电气控制技术》题库
36、单项选择题 下面()不是接触器的组成部分。
A、电磁机构
B、触点系统
C、灭弧装置
D、脱扣机构
点击查看答案
本题答案:微信扫下方二维码即可打包下载完整带答案解析版《★动力与电气工程》或《动力与电气工程:电机与电气控制技术》题库
37、判断题 主令电器可分为控制按钮、行程开关、万能转换开关等。
点击查看答案
本题答案:微信扫下方二维码即可打包下载完整带答案解析版《★动力与电气工程》或《动力与电气工程:电机与电气控制技术》题库
38、填空题 电气控制原理图的分析,是控制原理图分析的()
点击查看答案
本题答案:微信扫下方二维码即可打包下载完整带答案解析版《★动力与电气工程》或《动力与电气工程:电机与电气控制技术》题库
39、单项选择题 仪用互感器是用来测量()的特殊变压器。
A、大电流、低电压
B、大电流、高电压
C、小电流、低电压
D、小电流、高电压
点击查看答案
本题答案:微信扫下方二维码即可打包下载完整带答案解析版《★动力与电气工程》或《动力与电气工程:电机与电气控制技术》题库
40、单项选择题 甲乙两个接触器,若要求乙接触器线圈断电后方允许甲接触器线圈断电,则应()。
A、将乙接触器的动合触点并联在甲接触器的停止按钮两端
B、将乙接触器的动合触点串联在甲接触器的停止按钮两端
C、将甲接触器的动合触点并联在乙接触器的停止按钮两端
D、将甲接触器的动合触点串联在乙接触器的停止按钮两端
点击查看答案
本题答案:微信扫下方二维码即可打包下载完整带答案解析版《★动力与电气工程》或《动力与电气工程:电机与电气控制技术》题库
41、填空题 铁磁材料的磁导率()非铁磁材料的磁导率。
点击查看答案
本题答案:微信扫下方二维码即可打包下载完整带答案解析版《★动力与电气工程》或《动力与电气工程:电机与电气控制技术》题库
42、单项选择题 速度变化是()
A、人为地改变电机的转速
B、自动地改变电机的转速
C、负载变动引起的
点击查看答案
本题答案:微信扫下方二维码即可打包下载完整带答案解析版《★动力与电气工程》或《动力与电气工程:电机与电气控制技术》题库
43、问答题 简述机床的调速方法有哪几种?
点击查看答案
本题答案:微信扫下方二维码即可打包下载完整带答案解析版《★动力与电气工程》或《动力与电气工程:电机与电气控制技术》题库
44、判断题 采用磁吹灭弧时,电弧电流越大,灭弧能力越强。
点击查看答案
本题答案:微信扫下方二维码即可打包下载完整带答案解析版《★动力与电气工程》或《动力与电气工程:电机与电气控制技术》题库
45、名词解释 全压起动
点击查看答案
本题答案:微信扫下方二维码即可打包下载完整带答案解析版《★动力与电气工程》或《动力与电气工程:电机与电气控制技术》题库
46、判断题 电动机采用制动措施的目的是为了迅速停车。()
点击查看答案
本题答案:微信扫下方二维码即可打包下载完整带答案解析版《★动力与电气工程》或《动力与电气工程:电机与电气控制技术》题库
47、判断题 低压断路器具有欠电压、过载和短路保护功能。
点击查看答案
本题答案:微信扫下方二维码即可打包下载完整带答案解析版《★动力与电气工程》或《动力与电气工程:电机与电气控制技术》题库
48、问答题 热继电器的选用原则?
点击查看答案
本题答案:微信扫下方二维码即可打包下载完整带答案解析版《★动力与电气工程》或《动力与电气工程:电机与电气控制技术》题库
49、填空题 原理图中的各电器元件只画出其()部件
点击查看答案
本题答案:微信扫下方二维码即可打包下载完整带答案解析版《★动力与电气工程》或《动力与电气工程:电机与电气控制技术》题库
50、判断题 在控制线路设计时,应使分布在电路中不同位置的同一电器触点接到电源的同一相上.
点击查看答案
本题答案:微信扫下方二维码即可打包下载完整带答案解析版《★动力与电气工程》或《动力与电气工程:电机与电气控制技术》题库
51、判断题 继电器的返回系数是指吸合值与释放值的比值.
点击查看答案
本题答案:微信扫下方二维码即可打包下载完整带答案解析版《★动力与电气工程》或《动力与电气工程:电机与电气控制技术》题库
52、填空题 低压电器按操作方式分为()和()
点击查看答案
本题答案:微信扫下方二维码即可打包下载完整带答案解析版《★动力与电气工程》或《动力与电气工程:电机与电气控制技术》题库
53、填空题 XA6132卧式万能铣床有()台电机
点击查看答案
本题答案:微信扫下方二维码即可打包下载完整带答案解析版《★动力与电气工程》或《动力与电气工程:电机与电气控制技术》题库
54、填空题 熔体为一次性使用元件,再次工作必须()。
点击查看答案
本题答案:微信扫下方二维码即可打包下载完整带答案解析版《★动力与电气工程》或《动力与电气工程:电机与电气控制技术》题库
55、判断题 直流发电机电枢电动势与电枢电流方向相同。
点击查看答案
本题答案:微信扫下方二维码即可打包下载完整带答案解析版《★动力与电气工程》或《动力与电气工程:电机与电气控制技术》题库
56、名词解释 低压电器
点击查看答案
本题答案:微信扫下方二维码即可打包下载完整带答案解析版《★动力与电气工程》或《动力与电气工程:电机与电气控制技术》题库
57、单项选择题 过电流继电器的()触头接于控制电路中。
A、常开
B、常闭
C、主
D、辅助
点击查看答案
本题答案:微信扫下方二维码即可打包下载完整带答案解析版《★动力与电气工程》或《动力与电气工程:电机与电气控制技术》题库
58、单项选择题 三相异步电动机要想实现正反转()
A、调整三线中的两线
B、三线都调整
C、接成星
D、接成角形
点击查看答案
本题答案:微信扫下方二维码即可打包下载完整带答案解析版《★动力与电气工程》或《动力与电气工程:电机与电气控制技术》题库
59、判断题 一台线圈额定电压为220V的交流接触器,在交流220V和直流220V的电源上均可使用。()
点击查看答案
本题答案:微信扫下方二维码即可打包下载完整带答案解析版《★动力与电气工程》或《动力与电气工程:电机与电气控制技术》题库
60、名词解释 零压保护
点击查看答案
本题答案:微信扫下方二维码即可打包下载完整带答案解析版《★动力与电气工程》或《动力与电气工程:电机与电气控制技术》题库
61、判断题 电磁机构是电磁式电器的执行元件。
点击查看答案
本题答案:微信扫下方二维码即可打包下载完整带答案解析版《★动力与电气工程》或《动力与电气工程:电机与电气控制技术》题库
62、单项选择题 现有两个交流接触器,它们的型号相同,额定电压相同,则在电气控制线路中其线圈应该()
A、串联连接
B、并联连接
C、既可以串联连接,又可以并联连接
D、以上说法都不对
点击查看答案
本题答案:微信扫下方二维码即可打包下载完整带答案解析版《★动力与电气工程》或《动力与电气工程:电机与电气控制技术》题库
63、填空题 机械式行程开关常见的有()和()两种。
点击查看答案
本题答案:微信扫下方二维码即可打包下载完整带答案解析版《★动力与电气工程》或《动力与电气工程:电机与电气控制技术》题库
64、单项选择题 接触器的型号为CJ10-160,其额定电流是()。
A、10A
B、160A
C、10~160A
D、大于160A
点击查看答案
本题答案:微信扫下方二维码即可打包下载完整带答案解析版《★动力与电气工程》或《动力与电气工程:电机与电气控制技术》题库
65、单项选择题 在控制电路中将接触器的常闭触头串在对方线圈的中,形成相互制约的控制称()。
A、起动
B、自锁
C、点动
D、互锁
点击查看答案
本题答案:微信扫下方二维码即可打包下载完整带答案解析版《★动力与电气工程》或《动力与电气工程:电机与电气控制技术》题库
66、判断题 磁吹灭弧广泛应用于交流灭弧装置中()
点击查看答案
本题答案:微信扫下方二维码即可打包下载完整带答案解析版《★动力与电气工程》或《动力与电气工程:电机与电气控制技术》题库
67、判断题 电气原理图可分为主电路和辅助电路,一般是主电路的电流较小,辅助电路电流比较大。
点击查看答案
本题答案:微信扫下方二维码即可打包下载完整带答案解析版《★动力与电气工程》或《动力与电气工程:电机与电气控制技术》题库
68、判断题 熔断器在电路中既可作短路保护,又可作过载保护。()
点击查看答案
本题答案:微信扫下方二维码即可打包下载完整带答案解析版《★动力与电气工程》或《动力与电气工程:电机与电气控制技术》题库
69、判断题 刀开关安装时,手柄要向上装。接线时,电源线接在上端,下端接用电器。()
点击查看答案
本题答案:微信扫下方二维码即可打包下载完整带答案解析版《★动力与电气工程》或《动力与电气工程:电机与电气控制技术》题库
70、填空题 电磁结构是电磁式电器的()元件
点击查看答案
本题答案:微信扫下方二维码即可打包下载完整带答案解析版《★动力与电气工程》或《动力与电气工程:电机与电气控制技术》题库
71、判断题 三相异步电动机的调速方法有变频和变极调速两种。
点击查看答案
本题答案:微信扫下方二维码即可打包下载完整带答案解析版《★动力与电气工程》或《动力与电气工程:电机与电气控制技术》题库
72、判断题 车床主要用于金属切削,如车削外圆,内圆,螺纹和定型表面。
点击查看答案
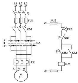
本题答案:微信扫下方二维码即可打包下载完整带答案解析版《★动力与电气工程》或《动力与电气工程:电机与电气控制技术》题库
73、判断题 Z3040摇臂钻床的摇臂升降设有极限AZ3040摇臂钻床电路中变压器T二次侧只有36V。
点击查看答案
本题答案:微信扫下方二维码即可打包下载完整带答案解析版《★动力与电气工程》或《动力与电气工程:电机与电气控制技术》题库
74、单项选择题 转换开关图形符号中每根竖的虚线表示()
A、手柄的一个位置
B、触点接通
C、一路触点
D、触点断开
点击查看答案
本题答案:微信扫下方二维码即可打包下载完整带答案解析版《★动力与电气工程》或《动力与电气工程:电机与电气控制技术》题库
75、填空题 直流电机弱磁保护是在电机励磁回路串入()线圈
点击查看答案
本题答案:微信扫下方二维码即可打包下载完整带答案解析版《★动力与电气工程》或《动力与电气工程:电机与电气控制技术》题库
76、单项选择题 三相异步电动机反接制动的优点是()。
A、制动平稳
B、能耗较小
C、制动迅速
D、定位准确
点击查看答案
本题答案:微信扫下方二维码即可打包下载完整带答案解析版《★动力与电气工程》或《动力与电气工程:电机与电气控制技术》题库
77、单项选择题 三相五线制中电器设备金属外壳接地指的是接()。
A、PE
B、N
C、都可
D、L
点击查看答案
本题答案:微信扫下方二维码即可打包下载完整带答案解析版《★动力与电气工程》或《动力与电气工程:电机与电气控制技术》题库
78、判断题 开关电器在所有电路都可直接接负载。()
点击查看答案
本题答案:微信扫下方二维码即可打包下载完整带答案解析版《★动力与电气工程》或《动力与电气工程:电机与电气控制技术》题库
79、判断题 直流电动机电磁转矩与电枢旋转方向相同。
点击查看答案
本题答案:微信扫下方二维码即可打包下载完整带答案解析版《★动力与电气工程》或《动力与电气工程:电机与电气控制技术》题库
80、问答题 三相交流电动机反接制动和能耗制动各有何特点?
点击查看答案
本题答案:微信扫下方二维码即可打包下载完整带答案解析版《★动力与电气工程》或《动力与电气工程:电机与电气控制技术》题库
81、填空题 断相保护又称()保护
点击查看答案
本题答案:微信扫下方二维码即可打包下载完整带答案解析版《★动力与电气工程》或《动力与电气工程:电机与电气控制技术》题库
82、判断题 具有电压线圈的直流电磁机构,气隙与电流成正比。
点击查看答案
本题答案:微信扫下方二维码即可打包下载完整带答案解析版《★动力与电气工程》或《动力与电气工程:电机与电气控制技术》题库
83、判断题 他励直流电动机的机械特性曲线倾斜程度越大,说明其机械特性越硬。
点击查看答案
本题答案:微信扫下方二维码即可打包下载完整带答案解析版《★动力与电气工程》或《动力与电气工程:电机与电气控制技术》题库
84、判断题 低压断路器具有失压保护的功能。()
点击查看答案
本题答案:微信扫下方二维码即可打包下载完整带答案解析版《★动力与电气工程》或《动力与电气工程:电机与电气控制技术》题库
85、判断题 编写设计计算说明书是电气控制系统设计的内容之一。
点击查看答案
本题答案:微信扫下方二维码即可打包下载完整带答案解析版《★动力与电气工程》或《动力与电气工程:电机与电气控制技术》题库
86、单项选择题 能用来表示电机控制电路中电气元件实际安装位置的是()。
A.电气原理;
B.电气布置图;
C.电气接线图;
D.电气系统图;
点击查看答案
本题答案:微信扫下方二维码即可打包下载完整带答案解析版《★动力与电气工程》或《动力与电气工程:电机与电气控制技术》题库
87、单项选择题 电机正反转运行中的两接触器必须实现相互间()。
A、联锁
B、自锁
C、禁止
D、记忆
点击查看答案
本题答案:微信扫下方二维码即可打包下载完整带答案解析版《★动力与电气工程》或《动力与电气工程:电机与电气控制技术》题库
88、判断题 万能转换开关本身带有各种保护。
点击查看答案
本题答案:微信扫下方二维码即可打包下载完整带答案解析版《★动力与电气工程》或《动力与电气工程:电机与电气控制技术》题库
89、问答题 简述电磁离合器工作原理
点击查看答案
本题答案:微信扫下方二维码即可打包下载完整带答案解析版《★动力与电气工程》或《动力与电气工程:电机与电气控制技术》题库
90、单项选择题 以下()是数字伺服系统的测量元件。
A、脉冲编码器
B、旋转变压器
C、感应同步器
D、磁尺
点击查看答案
本题答案:微信扫下方二维码即可打包下载完整带答案解析版《★动力与电气工程》或《动力与电气工程:电机与电气控制技术》题库
91、单项选择题 EL是()的文字符号.
A、照明灯
B、热继电器
C、接触器
D、变压器
点击查看答案
本题答案:微信扫下方二维码即可打包下载完整带答案解析版《★动力与电气工程》或《动力与电气工程:电机与电气控制技术》题库
92、判断题 当起重机高速下放重物时,可采用能耗制动方式。
点击查看答案
本题答案:微信扫下方二维码即可打包下载完整带答案解析版《★动力与电气工程》或《动力与电气工程:电机与电气控制技术》题库
93、问答题 电气控制系统图分哪几类?
点击查看答案
本题答案:微信扫下方二维码即可打包下载完整带答案解析版《★动力与电气工程》或《动力与电气工程:电机与电气控制技术》题库
94、填空题 熔断器的类型有瓷插式、()和()三种。
点击查看答案
本题答案:微信扫下方二维码即可打包下载完整带答案解析版《★动力与电气工程》或《动力与电气工程:电机与电气控制技术》题库
95、判断题 中间继电器实质上是电压继电器的一种,只是触点多少不同。()
点击查看答案
本题答案:微信扫下方二维码即可打包下载完整带答案解析版《★动力与电气工程》或《动力与电气工程:电机与电气控制技术》题库
96、单项选择题 在机床电气控制电路中采用两地分别控制方式,其控制按钮连接的规律是()。
A、全为串联
B、全为并联
C、起动按钮并联,停止按钮串联
D、起动按钮串联,停止按钮并联
点击查看答案
本题答案:微信扫下方二维码即可打包下载完整带答案解析版《★动力与电气工程》或《动力与电气工程:电机与电气控制技术》题库
97、判断题 多地控制电路中,各地起动按钮的常开触点并联连接,各停止按钮的常闭触头并联连接()
点击查看答案
本题答案:微信扫下方二维码即可打包下载完整带答案解析版《★动力与电气工程》或《动力与电气工程:电机与电气控制技术》题库
98、判断题 直流电机调速系统速度可以随意调整,不影响动态性能。()
点击查看答案
本题答案:微信扫下方二维码即可打包下载完整带答案解析版《★动力与电气工程》或《动力与电气工程:电机与电气控制技术》题库
99、单项选择题 三相感应电动机起动时,起动电流很大,可达额定电流的()。
A、4~7倍
B、2~2.5倍
C、10~20倍
D、5~6倍
点击查看答案
本题答案:微信扫下方二维码即可打包下载完整带答案解析版《★动力与电气工程》或《动力与电气工程:电机与电气控制技术》题库
100、名词解释 速度继电器
点击查看答案
本题答案:微信扫下方二维码即可打包下载完整带答案解析版《★动力与电气工程》或《动力与电气工程:电机与电气控制技术》题库
101、问答题 简述交流接触器的工作原理
点击查看答案
本题答案:微信扫下方二维码即可打包下载完整带答案解析版《★动力与电气工程》或《动力与电气工程:电机与电气控制技术》题库
102、单项选择题 靠磁吹力的作用将电弧拉长,在空气中冷却,使电弧迅速熄灭的方式叫()
A、电动力灭弧
B、纵缝灭弧
C、栅片灭弧
D、磁吹式灭弧
点击查看答案
本题答案:微信扫下方二维码即可打包下载完整带答案解析版《★动力与电气工程》或《动力与电气工程:电机与电气控制技术》题库
103、判断题 如果主电动机容量较大,在控制线路中要单独设短路保护.
点击查看答案
本题答案:微信扫下方二维码即可打包下载完整带答案解析版《★动力与电气工程》或《动力与电气工程:电机与电气控制技术》题库
104、单项选择题 三相异步电动机反接制动的优点是()。
A、制动平稳
B、能耗较小
C、制动迅速
D、定位准确
点击查看答案
本题答案:微信扫下方二维码即可打包下载完整带答案解析版《★动力与电气工程》或《动力与电气工程:电机与电气控制技术》题库
105、判断题 交流电动机由于通入的是交流电,因此它的转速也是不断变化的,而直流电动机则其转速是恒定不变的。()
点击查看答案
本题答案:微信扫下方二维码即可打包下载完整带答案解析版《★动力与电气工程》或《动力与电气工程:电机与电气控制技术》题库
106、问答题 低压断路器可以起到哪些保护作用?
点击查看答案
本题答案:微信扫下方二维码即可打包下载完整带答案解析版《★动力与电气工程》或《动力与电气工程:电机与电气控制技术》题库
107、单项选择题 松开按钮时,动作情况为()
A、常闭触点断开,常开触点闭合
B、常开触点断开,常闭触点闭合
C、常开和常闭触点都断开
D、常开和常闭触点都闭合
点击查看答案
本题答案:微信扫下方二维码即可打包下载完整带答案解析版《★动力与电气工程》或《动力与电气工程:电机与电气控制技术》题库
108、判断题 检修电路时,电机不转而发出嗡嗡声,松开时,两相触点有火花,说明电机主电路一相断路。()
点击查看答案
本题答案:微信扫下方二维码即可打包下载完整带答案解析版《★动力与电气工程》或《动力与电气工程:电机与电气控制技术》题库
109、单项选择题 下列电器中不能实现短路保护的是()。
A、熔断器
B、热继电器
C、过电流继电器
D、空气开关
点击查看答案
本题答案:微信扫下方二维码即可打包下载完整带答案解析版《★动力与电气工程》或《动力与电气工程:电机与电气控制技术》题库
110、单项选择题 直流控制电路中,两电感值相差悬殊的电压线圈在电路中()。
A、可以直接并联
B、不可以直接并联
C、不能同在一个控制电路中
D、只能串联
点击查看答案
本题答案:微信扫下方二维码即可打包下载完整带答案解析版《★动力与电气工程》或《动力与电气工程:电机与电气控制技术》题库
111、填空题 Z3040摇臂钻床四台电机为()电机、冷却泵电机、液压泵电机和()电机。
点击查看答案
本题答案:微信扫下方二维码即可打包下载完整带答案解析版《★动力与电气工程》或《动力与电气工程:电机与电气控制技术》题库
112、单项选择题 11kW以上的笼型电机,进行起动时应采取()。
A、全压起动
B、减压起动
C、刀开关直接起动
D、接触器直接起动
点击查看答案
本题答案:微信扫下方二维码即可打包下载完整带答案解析版《★动力与电气工程》或《动力与电气工程:电机与电气控制技术》题库
113、单项选择题 对于延时精度不高的场合,()时间继电器就可以。
A、电子式
B、电动式
C、空气阻尼式
D、以上说法都不对
点击查看答案
本题答案:微信扫下方二维码即可打包下载完整带答案解析版《★动力与电气工程》或《动力与电气工程:电机与电气控制技术》题库
114、单项选择题 电气控制方法中,最基本应用最广的方法()
A、继点接触器控制法
B、计算机控制法
C、PLC、控制法
D、单片机控制法
点击查看答案
本题答案:微信扫下方二维码即可打包下载完整带答案解析版《★动力与电气工程》或《动力与电气工程:电机与电气控制技术》题库
115、单项选择题 触头的接触电阻()
A、越大越好
B、越小越好
C、大小都不影响控制回路的性能
点击查看答案
本题答案:微信扫下方二维码即可打包下载完整带答案解析版《★动力与电气工程》或《动力与电气工程:电机与电气控制技术》题库
116、单项选择题 电动机过载保护常用的元件是()。
A、熔断器
B、热继电器
C、刀开关
D、行程开
点击查看答案
本题答案:微信扫下方二维码即可打包下载完整带答案解析版《★动力与电气工程》或《动力与电气工程:电机与电气控制技术》题库
117、名词解释 欠压保护
点击查看答案
本题答案:微信扫下方二维码即可打包下载完整带答案解析版《★动力与电气工程》或《动力与电气工程:电机与电气控制技术》题库
118、问答题 简述脱扣器的分类
点击查看答案
本题答案:微信扫下方二维码即可打包下载完整带答案解析版《★动力与电气工程》或《动力与电气工程:电机与电气控制技术》题库
119、单项选择题 时间继电器的作用是()。
A、短路保护
B、过电流保护
C、延时通断主回路
D、延时通断控制回路
点击查看答案
本题答案:微信扫下方二维码即可打包下载完整带答案解析版《★动力与电气工程》或《动力与电气工程:电机与电气控制技术》题库
120、判断题 交流接触器多采用纵缝灭弧装置灭弧()
点击查看答案
本题答案:微信扫下方二维码即可打包下载完整带答案解析版《★动力与电气工程》或《动力与电气工程:电机与电气控制技术》题库
121、填空题 一般速度继电器的动作转速为()r/min,复位转速为()r/min。
点击查看答案
本题答案:微信扫下方二维码即可打包下载完整带答案解析版《★动力与电气工程》或《动力与电气工程:电机与电气控制技术》题库
122、判断题 在控制电路中,额定电压相同的线圈允许串联使用。()
点击查看答案
本题答案:微信扫下方二维码即可打包下载完整带答案解析版《★动力与电气工程》或《动力与电气工程:电机与电气控制技术》题库
123、单项选择题 在电机和变压器铁心材料周围的气隙中()磁场。
A.存在
B.不存在
C.不好确定
点击查看答案
本题答案:微信扫下方二维码即可打包下载完整带答案解析版《★动力与电气工程》或《动力与电气工程:电机与电气控制技术》题库
124、判断题 固态继电器是一种无触点继电器。()
点击查看答案
本题答案:微信扫下方二维码即可打包下载完整带答案解析版《★动力与电气工程》或《动力与电气工程:电机与电气控制技术》题库
125、填空题 接触器的触头有()两种
点击查看答案
本题答案:微信扫下方二维码即可打包下载完整带答案解析版《★动力与电气工程》或《动力与电气工程:电机与电气控制技术》题库
126、填空题 开启式负荷开关俗称()
点击查看答案
本题答案:微信扫下方二维码即可打包下载完整带答案解析版《★动力与电气工程》或《动力与电气工程:电机与电气控制技术》题库
127、单项选择题 三相异步电机采用能耗制动时,当切断电源时,将()。
A、转子回路串入电阻
B、定子任意两相绕组进行反接
C、转子绕组进行反接
D、定子绕组送入直流电
点击查看答案
本题答案:微信扫下方二维码即可打包下载完整带答案解析版《★动力与电气工程》或《动力与电气工程:电机与电气控制技术》题库
128、判断题 交流电动机的控制必须采用交流电源操作。()
点击查看答案
本题答案:微信扫下方二维码即可打包下载完整带答案解析版《★动力与电气工程》或《动力与电气工程:电机与电气控制技术》题库
129、单项选择题 如果在某接触器线圈下方标有2︱4︱5字样,则说明该接触器主触点在()。
A、2区
B、3区
C、4区
D、5区
点击查看答案
本题答案:微信扫下方二维码即可打包下载完整带答案解析版《★动力与电气工程》或《动力与电气工程:电机与电气控制技术》题库
130、单项选择题 下列元件中,开关电器有()。
A、组合开关
B、接触器
C、行程开关
D、时间继电器
点击查看答案
本题答案:微信扫下方二维码即可打包下载完整带答案解析版《★动力与电气工程》或《动力与电气工程:电机与电气控制技术》题库
131、问答题 什么是软磁材料?什么是硬磁材料?
点击查看答案
本题答案:微信扫下方二维码即可打包下载完整带答案解析版《★动力与电气工程》或《动力与电气工程:电机与电气控制技术》题库
132、单项选择题 欲使接触器KM1和接触器KM2实现互锁控制,需要()。
A、在KM1的线圈回路中串入KM2的常开触点
B、在KM1的线圈回路中串入KM2的常闭触点
C、在两接触器的线圈回路中互相串入对方的常开触点
D、在两接触器的线圈回路中互相串入对方的常闭触点
点击查看答案
本题答案:微信扫下方二维码即可打包下载完整带答案解析版《★动力与电气工程》或《动力与电气工程:电机与电气控制技术》题库
133、判断题 电动机的额定转速越高越好。()
点击查看答案
本题答案:微信扫下方二维码即可打包下载完整带答案解析版《★动力与电气工程》或《动力与电气工程:电机与电气控制技术》题库
134、单项选择题 LW2是一种()的型号。
A、按钮
B、行程开关
C、接触器
D、万能转换开关
点击查看答案
本题答案:微信扫下方二维码即可打包下载完整带答案解析版《★动力与电气工程》或《动力与电气工程:电机与电气控制技术》题库
135、填空题 C650卧式车床的三台电机为()电机、冷却泵电机和()电机。
点击查看答案
本题答案:微信扫下方二维码即可打包下载完整带答案解析版《★动力与电气工程》或《动力与电气工程:电机与电气控制技术》题库
136、判断题 触头闭合时,动静触头间存在的电阻称为接触电阻。
点击查看答案
本题答案:微信扫下方二维码即可打包下载完整带答案解析版《★动力与电气工程》或《动力与电气工程:电机与电气控制技术》题库
137、填空题 熔断器的类型应根据()来选择。
点击查看答案
本题答案:微信扫下方二维码即可打包下载完整带答案解析版《★动力与电气工程》或《动力与电气工程:电机与电气控制技术》题库
138、判断题 交流接触器线圈起动功率和吸持功率相等()
点击查看答案
本题答案:微信扫下方二维码即可打包下载完整带答案解析版《★动力与电气工程》或《动力与电气工程:电机与电气控制技术》题库
139、单项选择题 发现一台接触器铁心嵌有短路环,它一定是()
A、交流接触器
B、直流接触器
C、两种都有可能
D、两种都不是
点击查看答案
本题答案:微信扫下方二维码即可打包下载完整带答案解析版《★动力与电气工程》或《动力与电气工程:电机与电气控制技术》题库
140、单项选择题 下列()不属于摇臂钻床的组成部分。
A、摇臂
B、外立柱
C、主轴箱
D、溜板与刀架
点击查看答案
本题答案:微信扫下方二维码即可打包下载完整带答案解析版《★动力与电气工程》或《动力与电气工程:电机与电气控制技术》题库
141、问答题 电动机控制系统常用的保护环节有哪些?各用什么低压电器实现?
点击查看答案
本题答案:微信扫下方二维码即可打包下载完整带答案解析版《★动力与电气工程》或《动力与电气工程:电机与电气控制技术》题库
142、填空题 电动机电动势、电压平衡方程()
点击查看答案
本题答案:微信扫下方二维码即可打包下载完整带答案解析版《★动力与电气工程》或《动力与电气工程:电机与电气控制技术》题库
143、填空题 多台电动机由一个熔断器保护时,熔体额定电流的计算公式为()
点击查看答案
本题答案:微信扫下方二维码即可打包下载完整带答案解析版《★动力与电气工程》或《动力与电气工程:电机与电气控制技术》题库
144、判断题 热继电器在电路中既可作短路保护,又可作过载保护。()
点击查看答案
本题答案:微信扫下方二维码即可打包下载完整带答案解析版《★动力与电气工程》或《动力与电气工程:电机与电气控制技术》题库
145、填空题 熔断器主要作()保护
点击查看答案
本题答案:微信扫下方二维码即可打包下载完整带答案解析版《★动力与电气工程》或《动力与电气工程:电机与电气控制技术》题库
146、名词解释 触头
点击查看答案
本题答案:微信扫下方二维码即可打包下载完整带答案解析版《★动力与电气工程》或《动力与电气工程:电机与电气控制技术》题库
147、名词解释 继电器
点击查看答案
本题答案:微信扫下方二维码即可打包下载完整带答案解析版《★动力与电气工程》或《动力与电气工程:电机与电气控制技术》题库
148、判断题 直流接触器比交流接触器更适用于频繁操作的场合。
点击查看答案
本题答案:微信扫下方二维码即可打包下载完整带答案解析版《★动力与电气工程》或《动力与电气工程:电机与电气控制技术》题库
149、名词解释 接触器
点击查看答案
本题答案:微信扫下方二维码即可打包下载完整带答案解析版《★动力与电气工程》或《动力与电气工程:电机与电气控制技术》题库
150、判断题 熔断器的额定电流大于或等于熔体的额定电流。()
点击查看答案
本题答案:微信扫下方二维码即可打包下载完整带答案解析版《★动力与电气工程》或《动力与电气工程:电机与电气控制技术》题库
151、填空题 三相异步电动机常用的电气起动方法有()和()。
点击查看答案
本题答案:微信扫下方二维码即可打包下载完整带答案解析版《★动力与电气工程》或《动力与电气工程:电机与电气控制技术》题库
152、判断题 直流接触器的铁心无磁滞和涡流损耗.
点击查看答案
本题答案:微信扫下方二维码即可打包下载完整带答案解析版《★动力与电气工程》或《动力与电气工程:电机与电气控制技术》题库
153、单项选择题 接触器与继电器的触点可以互换的决定条件是()。
A、额定电压相同
B、额定电流相同
C、触点数量相同
D、以上三者相同
点击查看答案
本题答案:微信扫下方二维码即可打包下载完整带答案解析版《★动力与电气工程》或《动力与电气工程:电机与电气控制技术》题库
154、问答题
分析起动、自保控制电路的工作原理

点击查看答案
本题答案:微信扫下方二维码即可打包下载完整带答案解析版《★动力与电气工程》或《动力与电气工程:电机与电气控制技术》题库
155、单项选择题 下电压等级相同的电感较大的电磁阀与电压继电器在电路中()
A、可以直接并联
B、不可以直接并联
C、不能同在一个控制电路中
D、只能串联
点击查看答案
本题答案:微信扫下方二维码即可打包下载完整带答案解析版《★动力与电气工程》或《动力与电气工程:电机与电气控制技术》题库
156、单项选择题 交流接触器的主触头产生的电弧是()
A、直流电弧
B、交流电弧
C、交流或直流电弧
点击查看答案
本题答案:微信扫下方二维码即可打包下载完整带答案解析版《★动力与电气工程》或《动力与电气工程:电机与电气控制技术》题库
157、判断题 置换元件法修理电气故障就是把电器元件全部换掉。()
点击查看答案
本题答案:微信扫下方二维码即可打包下载完整带答案解析版《★动力与电气工程》或《动力与电气工程:电机与电气控制技术》题库
158、单项选择题 CJ20-160型交流接触器在380V的额定电流是()
A、100A
B、20A
C、80A
D、160A
点击查看答案
本题答案:微信扫下方二维码即可打包下载完整带答案解析版《★动力与电气工程》或《动力与电气工程:电机与电气控制技术》题库
159、单项选择题 一般速度继电器触头的动作转速为()。
A、70r/min
B、100r/min
C、140r/min
D、200r/min
点击查看答案
本题答案:微信扫下方二维码即可打包下载完整带答案解析版《★动力与电气工程》或《动力与电气工程:电机与电气控制技术》题库
160、问答题 速度继电器的触头动作时的速度范围是多少?
点击查看答案
本题答案:微信扫下方二维码即可打包下载完整带答案解析版《★动力与电气工程》或《动力与电气工程:电机与电气控制技术》题库
161、问答题
分析多点控制电路的工作原理

点击查看答案
本题答案:微信扫下方二维码即可打包下载完整带答案解析版《★动力与电气工程》或《动力与电气工程:电机与电气控制技术》题库
162、单项选择题 JR15是低压电器中()的型号。
A、接触器
B、电流继电器
C、热继电器
D、熔断器
点击查看答案
本题答案:微信扫下方二维码即可打包下载完整带答案解析版《★动力与电气工程》或《动力与电气工程:电机与电气控制技术》题库
163、名词解释 温度继电器
点击查看答案
本题答案:微信扫下方二维码即可打包下载完整带答案解析版《★动力与电气工程》或《动力与电气工程:电机与电气控制技术》题库
164、填空题 刀开关的额定电压应()线路电压
点击查看答案
本题答案:微信扫下方二维码即可打包下载完整带答案解析版《★动力与电气工程》或《动力与电气工程:电机与电气控制技术》题库
165、填空题 自锁电路是利用()来保持输出动作,又称“自保持环节”。
点击查看答案
本题答案:微信扫下方二维码即可打包下载完整带答案解析版《★动力与电气工程》或《动力与电气工程:电机与电气控制技术》题库
166、判断题 无触点电器通断电路的执行功能由触头来实现()
点击查看答案
本题答案:微信扫下方二维码即可打包下载完整带答案解析版《★动力与电气工程》或《动力与电气工程:电机与电气控制技术》题库
167、名词解释 交流继电器
点击查看答案
本题答案:微信扫下方二维码即可打包下载完整带答案解析版《★动力与电气工程》或《动力与电气工程:电机与电气控制技术》题库
168、问答题
分析通电延时时间继电器的延时触头动作原理

点击查看答案
本题答案:微信扫下方二维码即可打包下载完整带答案解析版《★动力与电气工程》或《动力与电气工程:电机与电气控制技术》题库
169、填空题 低压断路器的额定电压是它在电路中长期工作的()电压。
点击查看答案
本题答案:微信扫下方二维码即可打包下载完整带答案解析版《★动力与电气工程》或《动力与电气工程:电机与电气控制技术》题库
170、单项选择题 温度继电器()
A、串接在主电路中
B、埋入电机的发热部位
C、并联在控制回路中
点击查看答案
本题答案:微信扫下方二维码即可打包下载完整带答案解析版《★动力与电气工程》或《动力与电气工程:电机与电气控制技术》题库
171、判断题 确定电动机类型,型号,容量,转速是电气控制系统设计的内容之一.
点击查看答案
本题答案:微信扫下方二维码即可打包下载完整带答案解析版《★动力与电气工程》或《动力与电气工程:电机与电气控制技术》题库
172、判断题 能耗制动中只能由速度原则控制电动机。
点击查看答案
本题答案:微信扫下方二维码即可打包下载完整带答案解析版《★动力与电气工程》或《动力与电气工程:电机与电气控制技术》题库
173、判断题 直流电动机和三相异步电动机的机械特性都是指电磁转矩和转速的关系,即n=f(T)。
点击查看答案
本题答案:微信扫下方二维码即可打包下载完整带答案解析版《★动力与电气工程》或《动力与电气工程:电机与电气控制技术》题库
174、判断题 在正反转电路中,用复合按钮能够保证实现可靠联锁。()
点击查看答案
本题答案:微信扫下方二维码即可打包下载完整带答案解析版《★动力与电气工程》或《动力与电气工程:电机与电气控制技术》题库
175、问答题 简述脱扣器的工作原理
点击查看答案
本题答案:微信扫下方二维码即可打包下载完整带答案解析版《★动力与电气工程》或《动力与电气工程:电机与电气控制技术》题库
176、问答题
分析倒顺开关控制电路的工作原理

点击查看答案
本题答案:微信扫下方二维码即可打包下载完整带答案解析版《★动力与电气工程》或《动力与电气工程:电机与电气控制技术》题库
177、判断题 电压继电器线圈导线粗、阻抗小。()
点击查看答案
本题答案:微信扫下方二维码即可打包下载完整带答案解析版《★动力与电气工程》或《动力与电气工程:电机与电气控制技术》题库
178、判断题 一台额定电压为220V的交流接触器在交流220V和直流220V的电源上均可使用。
点击查看答案
本题答案:微信扫下方二维码即可打包下载完整带答案解析版《★动力与电气工程》或《动力与电气工程:电机与电气控制技术》题库
179、填空题 电器元件布置图中,体积大的放在()方
点击查看答案
本题答案:微信扫下方二维码即可打包下载完整带答案解析版《★动力与电气工程》或《动力与电气工程:电机与电气控制技术》题库
180、填空题 只要将三相电源中的()就可实现电动机反转。
点击查看答案
本题答案:微信扫下方二维码即可打包下载完整带答案解析版《★动力与电气工程》或《动力与电气工程:电机与电气控制技术》题库
181、问答题 电动机的起动电流很大,当电动机起动时,热继电器会不会动作?为什么?
点击查看答案
本题答案:微信扫下方二维码即可打包下载完整带答案解析版《★动力与电气工程》或《动力与电气工程:电机与电气控制技术》题库
182、单项选择题 电气安装接线图中照明灯应在()
A、盘内
B、盘外
C、任意
D、不画
点击查看答案
本题答案:微信扫下方二维码即可打包下载完整带答案解析版《★动力与电气工程》或《动力与电气工程:电机与电气控制技术》题库
183、判断题 直流接触器的衔铁有短路环。()
点击查看答案
本题答案:微信扫下方二维码即可打包下载完整带答案解析版《★动力与电气工程》或《动力与电气工程:电机与电气控制技术》题库
184、判断题 电磁机构由电磁线圈、衔铁和铁心三部分组成。
点击查看答案
本题答案:微信扫下方二维码即可打包下载完整带答案解析版《★动力与电气工程》或《动力与电气工程:电机与电气控制技术》题库
185、填空题 电磁线圈按与电路连接方式分()和()连种
点击查看答案
本题答案:微信扫下方二维码即可打包下载完整带答案解析版《★动力与电气工程》或《动力与电气工程:电机与电气控制技术》题库
186、判断题 有触头和无触头结合的电器称为混合电器()
点击查看答案
本题答案:微信扫下方二维码即可打包下载完整带答案解析版《★动力与电气工程》或《动力与电气工程:电机与电气控制技术》题库
187、填空题 电磁线圈按电压种类分为()和()两种
点击查看答案
本题答案:微信扫下方二维码即可打包下载完整带答案解析版《★动力与电气工程》或《动力与电气工程:电机与电气控制技术》题库
188、单项选择题 时间继电器的结构组成中不含()
A、电磁系统
B、延时机构
C、工作触头
D、电流线圈
点击查看答案
本题答案:微信扫下方二维码即可打包下载完整带答案解析版《★动力与电气工程》或《动力与电气工程:电机与电气控制技术》题库
189、填空题 在磁路中与电路中的电势源作用相同的物理量是()。
点击查看答案
本题答案:微信扫下方二维码即可打包下载完整带答案解析版《★动力与电气工程》或《动力与电气工程:电机与电气控制技术》题库
190、填空题 主电路标号一般由()和()组成
点击查看答案
本题答案:微信扫下方二维码即可打包下载完整带答案解析版《★动力与电气工程》或《动力与电气工程:电机与电气控制技术》题库
191、单项选择题 电器布置图中强电和弱电应该()。
A、靠拢
B、间插
C、分开并屏蔽
点击查看答案
本题答案:微信扫下方二维码即可打包下载完整带答案解析版《★动力与电气工程》或《动力与电气工程:电机与电气控制技术》题库
192、名词解释 电弧
点击查看答案
本题答案:微信扫下方二维码即可打包下载完整带答案解析版《★动力与电气工程》或《动力与电气工程:电机与电气控制技术》题库
193、单项选择题 交流接触器控制电动机运行,可以点动而不能持续运行,其原因可能在于()。
A、线圈断线;
B、线圈匝间短路;
C、常开辅助触点未闭合;
D、常闭辅助触点未分断
点击查看答案
本题答案:微信扫下方二维码即可打包下载完整带答案解析版《★动力与电气工程》或《动力与电气工程:电机与电气控制技术》题库
194、填空题 摩擦片式电磁离合器按摩擦片的数量可分为()两种
点击查看答案
本题答案:微信扫下方二维码即可打包下载完整带答案解析版《★动力与电气工程》或《动力与电气工程:电机与电气控制技术》题库
195、判断题 JR20-10型热继电器的额定电流为10A.
点击查看答案
本题答案:微信扫下方二维码即可打包下载完整带答案解析版《★动力与电气工程》或《动力与电气工程:电机与电气控制技术》题库
196、判断题 设计控制线路时,应尽可能增多连接导线的数量。
点击查看答案
本题答案:微信扫下方二维码即可打包下载完整带答案解析版《★动力与电气工程》或《动力与电气工程:电机与电气控制技术》题库
197、填空题 常漏电保护器与低压断路器组合构成()
点击查看答案
本题答案:微信扫下方二维码即可打包下载完整带答案解析版《★动力与电气工程》或《动力与电气工程:电机与电气控制技术》题库
198、判断题 直流电机可逆调速系统是改变直流电动机的转向。()
点击查看答案
本题答案:微信扫下方二维码即可打包下载完整带答案解析版《★动力与电气工程》或《动力与电气工程:电机与电气控制技术》题库
199、填空题 电磁式中间继电器实质上是一种电磁式()继电器
点击查看答案
本题答案:微信扫下方二维码即可打包下载完整带答案解析版《★动力与电气工程》或《动力与电气工程:电机与电气控制技术》题库
200、填空题 常用的低压电器是指工作电压在交流()V以下、直流()V以下的电器。
点击查看答案
本题答案:微信扫下方二维码即可打包下载完整带答案解析版《★动力与电气工程》或《动力与电气工程:电机与电气控制技术》题库
201、单项选择题 电气图中,三相交流电源采用()标记。
A、U、W`·V
B、1、2、3
C、L1、L2、L3
D、U1、V2、W3
点击查看答案
本题答案:微信扫下方二维码即可打包下载完整带答案解析版《★动力与电气工程》或《动力与电气工程:电机与电气控制技术》题库
202、单项选择题 ()不是三相异步电动机的调速方法。
A、变电源电压
B、变转差率
C、变电源频率
D、变极对数
点击查看答案
本题答案:微信扫下方二维码即可打包下载完整带答案解析版《★动力与电气工程》或《动力与电气工程:电机与电气控制技术》题库
203、单项选择题 50kW以上的笼型电机,进行起动时应采取()。
A、全压起动
B、减压起动
C、刀开关直接起动
D、接触器直接起动
点击查看答案
本题答案:微信扫下方二维码即可打包下载完整带答案解析版《★动力与电气工程》或《动力与电气工程:电机与电气控制技术》题库
204、判断题 电气控制系统设计包括电气原理图设计和电气工艺设计两部分。
点击查看答案
本题答案:微信扫下方二维码即可打包下载完整带答案解析版《★动力与电气工程》或《动力与电气工程:电机与电气控制技术》题库
205、填空题 低压断路器的操纵结构是实现断路器()的结构。
点击查看答案
本题答案:微信扫下方二维码即可打包下载完整带答案解析版《★动力与电气工程》或《动力与电气工程:电机与电气控制技术》题库
206、判断题 电机智能综合保护是目前保护装置最先进、最可靠的换代产品()
点击查看答案
本题答案:微信扫下方二维码即可打包下载完整带答案解析版《★动力与电气工程》或《动力与电气工程:电机与电气控制技术》题库
207、单项选择题 由于电弧的存在,将导致()
A、电路的分断时间缩短
B、电路的分断时间不变
C、电路的分断时间加长
D、分断能力提高
点击查看答案
本题答案:微信扫下方二维码即可打包下载完整带答案解析版《★动力与电气工程》或《动力与电气工程:电机与电气控制技术》题库
208、判断题 接触器不具有欠压保护的功能。
点击查看答案
本题答案:微信扫下方二维码即可打包下载完整带答案解析版《★动力与电气工程》或《动力与电气工程:电机与电气控制技术》题库
209、判断题 在限制起动电流相同情况下,采用自耦变压器减压起动可获得比串电阻或电抗减压起动更大的起动转矩。
点击查看答案
本题答案:微信扫下方二维码即可打包下载完整带答案解析版《★动力与电气工程》或《动力与电气工程:电机与电气控制技术》题库
210、判断题 组合开关具有过载,短路和欠电压等多种保护功能.
点击查看答案
本题答案:微信扫下方二维码即可打包下载完整带答案解析版《★动力与电气工程》或《动力与电气工程:电机与电气控制技术》题库
211、单项选择题 星型——三角形减压电路中,星型接法起动电流为三角形接法电流的()。
A、1/√3
B、1/√2
C、1/3
D、1/2
点击查看答案
本题答案:微信扫下方二维码即可打包下载完整带答案解析版《★动力与电气工程》或《动力与电气工程:电机与电气控制技术》题库
212、判断题 刀开关可以频繁接通和断开电路。()
点击查看答案
本题答案:微信扫下方二维码即可打包下载完整带答案解析版《★动力与电气工程》或《动力与电气工程:电机与电气控制技术》题库
213、单项选择题 原理图绘制要求()
A、所用元件、触头数量最少
B、所用元件、触头数量最多
C、通电元件最多
点击查看答案
本题答案:微信扫下方二维码即可打包下载完整带答案解析版《★动力与电气工程》或《动力与电气工程:电机与电气控制技术》题库
214、问答题 简述三相异步电机能耗制动的原理。
点击查看答案
本题答案:微信扫下方二维码即可打包下载完整带答案解析版《★动力与电气工程》或《动力与电气工程:电机与电气控制技术》题库
215、单项选择题 欲使接触器KM1断电返回后接触器KM2才能断电返回,需要()。
A、在KM1的停止按钮两端并联KM2的常开触点
B、在KM1的停止按钮两端并联KM2的常闭触点
C、在KM2的停止按钮两端并联KM1的常开触点
D、在KM2的停止按钮两端并联KM1的常闭触点
点击查看答案
本题答案:微信扫下方二维码即可打包下载完整带答案解析版《★动力与电气工程》或《动力与电气工程:电机与电气控制技术》题库
216、填空题 时间继电器是一种触头()的控制电器。
点击查看答案
本题答案:微信扫下方二维码即可打包下载完整带答案解析版《★动力与电气工程》或《动力与电气工程:电机与电气控制技术》题库
217、判断题 低压断路器是开关电器,不具备过载、短路、失压保护。()
点击查看答案
本题答案:微信扫下方二维码即可打包下载完整带答案解析版《★动力与电气工程》或《动力与电气工程:电机与电气控制技术》题库
218、问答题 简述空气开关的作用。
点击查看答案
本题答案:微信扫下方二维码即可打包下载完整带答案解析版《★动力与电气工程》或《动力与电气工程:电机与电气控制技术》题库
219、单项选择题 星型——三角形减压电路中,星型接法起动电压为三角形接法电压的()。
A、1/√3
B、1/√2
C、1/3
D、1/2
点击查看答案
本题答案:微信扫下方二维码即可打包下载完整带答案解析版《★动力与电气工程》或《动力与电气工程:电机与电气控制技术》题库
220、判断题 有触点电器通断电路的执行功能由输出信号的逻辑电平来实现()
点击查看答案
本题答案:微信扫下方二维码即可打包下载完整带答案解析版《★动力与电气工程》或《动力与电气工程:电机与电气控制技术》题库
221、判断题 在电力拖动系统中应用最广泛的保护元件是双金属片式热继电器()
点击查看答案
本题答案:微信扫下方二维码即可打包下载完整带答案解析版《★动力与电气工程》或《动力与电气工程:电机与电气控制技术》题库
222、判断题 触头分断时、如果触头之间的电压达12-20V,触头间隙内产生电弧()
点击查看答案
本题答案:微信扫下方二维码即可打包下载完整带答案解析版《★动力与电气工程》或《动力与电气工程:电机与电气控制技术》题库
223、判断题 编写使用维护说明书属于电气工艺设计内容.
点击查看答案
本题答案:微信扫下方二维码即可打包下载完整带答案解析版《★动力与电气工程》或《动力与电气工程:电机与电气控制技术》题库
224、单项选择题 电气原理图中下列说法正确的是()
A、必须使用国家统一规定的文字符号
B、必须使用地方统一规定的文字符号
C、必须使用国际电工组织统一规定的文字符号
D、都不是
点击查看答案
本题答案:微信扫下方二维码即可打包下载完整带答案解析版《★动力与电气工程》或《动力与电气工程:电机与电气控制技术》题库
225、填空题 触头按原始状态分()两种
点击查看答案
本题答案:微信扫下方二维码即可打包下载完整带答案解析版《★动力与电气工程》或《动力与电气工程:电机与电气控制技术》题库
226、单项选择题 电压继电器线圈与电流继电器线圈相比,具有的特点是B。
A、电压继电器线圈与被测线路串联。
B、电压继电器线圈的匝数多,导线细,电阻大。
C、电压继电器线圈的匝数少,导线粗,电阻小。
D、电压继电器线圈的匝数少,导线粗,电阻大。
点击查看答案
本题答案:微信扫下方二维码即可打包下载完整带答案解析版《★动力与电气工程》或《动力与电气工程:电机与电气控制技术》题库
227、判断题 螺旋式熔断器的电源线应接在熔断器的下接线座.
点击查看答案
本题答案:微信扫下方二维码即可打包下载完整带答案解析版《★动力与电气工程》或《动力与电气工程:电机与电气控制技术》题库
228、问答题 简述热继电器的作用。
点击查看答案
本题答案:微信扫下方二维码即可打包下载完整带答案解析版《★动力与电气工程》或《动力与电气工程:电机与电气控制技术》题库
229、单项选择题 黄绿相间的双色线,按电气规范只能用作()。
A、火线
B、零线
C、接地线
D、网络线
点击查看答案
本题答案:微信扫下方二维码即可打包下载完整带答案解析版《★动力与电气工程》或《动力与电气工程:电机与电气控制技术》题库
230、问答题 常用的主令开关有那些?
点击查看答案
本题答案:微信扫下方二维码即可打包下载完整带答案解析版《★动力与电气工程》或《动力与电气工程:电机与电气控制技术》题库
231、判断题 拟定电气设计任务书是电气控制系统设计的内容之一。
点击查看答案
本题答案:微信扫下方二维码即可打包下载完整带答案解析版《★动力与电气工程》或《动力与电气工程:电机与电气控制技术》题库
232、单项选择题 若硅钢片的叠片接缝增大,则其磁阻()。
A.增加
B.减小
C.基本不变
点击查看答案
本题答案:微信扫下方二维码即可打包下载完整带答案解析版《★动力与电气工程》或《动力与电气工程:电机与电气控制技术》题库
233、单项选择题 热继电器的整定值为6.8A,则动作范围应选用()。
A、0.4~0.64A
B、0.64~1A
C、4~6.4A
D、6.4~10A
点击查看答案
本题答案:微信扫下方二维码即可打包下载完整带答案解析版《★动力与电气工程》或《动力与电气工程:电机与电气控制技术》题库
234、填空题 变极对数调速一般仅用于()
点击查看答案
本题答案:微信扫下方二维码即可打包下载完整带答案解析版《★动力与电气工程》或《动力与电气工程:电机与电气控制技术》题库
235、判断题 电气原理图设计中,应尽量减少电源的种类。()
点击查看答案
本题答案:微信扫下方二维码即可打包下载完整带答案解析版《★动力与电气工程》或《动力与电气工程:电机与电气控制技术》题库
236、判断题 电压继电器的线圈一般要串联在电路中。()
点击查看答案
本题答案:微信扫下方二维码即可打包下载完整带答案解析版《★动力与电气工程》或《动力与电气工程:电机与电气控制技术》题库
237、问答题 简述交流接触器触头的分类。
点击查看答案
本题答案:微信扫下方二维码即可打包下载完整带答案解析版《★动力与电气工程》或《动力与电气工程:电机与电气控制技术》题库
238、判断题 电力拖动方式分单独拖动和集中拖动。
点击查看答案
本题答案:微信扫下方二维码即可打包下载完整带答案解析版《★动力与电气工程》或《动力与电气工程:电机与电气控制技术》题库
239、名词解释 主令电器
点击查看答案
本题答案:微信扫下方二维码即可打包下载完整带答案解析版《★动力与电气工程》或《动力与电气工程:电机与电气控制技术》题库
240、填空题 电气原理图主要有()等部分组成。
点击查看答案
本题答案:微信扫下方二维码即可打包下载完整带答案解析版《★动力与电气工程》或《动力与电气工程:电机与电气控制技术》题库
241、问答题 简述三相异步电机反接制动的工作原理。
点击查看答案
本题答案:微信扫下方二维码即可打包下载完整带答案解析版《★动力与电气工程》或《动力与电气工程:电机与电气控制技术》题库
242、判断题 弱磁保护就是磁场越弱越好。()
点击查看答案
本题答案:微信扫下方二维码即可打包下载完整带答案解析版《★动力与电气工程》或《动力与电气工程:电机与电气控制技术》题库
243、填空题 磁通恒定的磁路称为(),磁通随时间变化的磁路称为()。
点击查看答案
本题答案:微信扫下方二维码即可打包下载完整带答案解析版《★动力与电气工程》或《动力与电气工程:电机与电气控制技术》题库
244、单项选择题 三相异步电动机在运行时出现一相电源断电,对电动机带来的影响主要是B。
A、电动机立即停转
B、电动机转速降低、温度升高
C、电动机出现振动及异声
D、电动机反转
点击查看答案
本题答案:微信扫下方二维码即可打包下载完整带答案解析版《★动力与电气工程》或《动力与电气工程:电机与电气控制技术》题库
245、填空题 交流接触器的结构由()()()和其他部件组成。
点击查看答案
本题答案:微信扫下方二维码即可打包下载完整带答案解析版《★动力与电气工程》或《动力与电气工程:电机与电气控制技术》题库
246、单项选择题 在电气线路中保护导线用()颜色.
A、黄色
B、绿色
C、黄绿双色
D、蓝色
点击查看答案
本题答案:微信扫下方二维码即可打包下载完整带答案解析版《★动力与电气工程》或《动力与电气工程:电机与电气控制技术》题库
247、判断题 低压电器在实际应用中可通过改变反力弹簧的松紧实现反力特性和吸力特性的配合()
点击查看答案
本题答案:微信扫下方二维码即可打包下载完整带答案解析版《★动力与电气工程》或《动力与电气工程:电机与电气控制技术》题库
248、判断题 在Z3040钻床床中,摇臂升降的联锁是利用电气方法实现的。()
点击查看答案
本题答案:微信扫下方二维码即可打包下载完整带答案解析版《★动力与电气工程》或《动力与电气工程:电机与电气控制技术》题库
249、单项选择题 钻床不能完成的是()
A、钻孔
B、扩孔
C、加工平面
D、绞孔
点击查看答案
本题答案:微信扫下方二维码即可打包下载完整带答案解析版《★动力与电气工程》或《动力与电气工程:电机与电气控制技术》题库
250、名词解释 自锁电路
点击查看答案
本题答案:微信扫下方二维码即可打包下载完整带答案解析版《★动力与电气工程》或《动力与电气工程:电机与电气控制技术》题库
251、单项选择题 CJ10是低压电器中()的型号。
A、交流接触器
B、电流继电器
C、行程开关
D、熔断器
点击查看答案
本题答案:微信扫下方二维码即可打包下载完整带答案解析版《★动力与电气工程》或《动力与电气工程:电机与电气控制技术》题库
252、判断题 全压控制,主回路电压一定是380V。()
点击查看答案
本题答案:微信扫下方二维码即可打包下载完整带答案解析版《★动力与电气工程》或《动力与电气工程:电机与电气控制技术》题库
253、判断题 车床的主轴运动是恒转矩负载,应采用恒转矩调速方式。()
点击查看答案
本题答案:微信扫下方二维码即可打包下载完整带答案解析版《★动力与电气工程》或《动力与电气工程:电机与电气控制技术》题库
254、填空题 低压断路器的额定电流指脱扣器的()
点击查看答案
本题答案:微信扫下方二维码即可打包下载完整带答案解析版《★动力与电气工程》或《动力与电气工程:电机与电气控制技术》题库
255、判断题 开启式负荷开关接线时应将电源进线接在上端接线端子,负载接在下端接线端子上。
点击查看答案
本题答案:微信扫下方二维码即可打包下载完整带答案解析版《★动力与电气工程》或《动力与电气工程:电机与电气控制技术》题库
256、单项选择题 刀开关正确的安装方位在合闸后操作手柄向()。
A、上
B、下
C、左
D、右
点击查看答案
本题答案:微信扫下方二维码即可打包下载完整带答案解析版《★动力与电气工程》或《动力与电气工程:电机与电气控制技术》题库
257、问答题 说明磁路和电路的不同点?
点击查看答案
本题答案:微信扫下方二维码即可打包下载完整带答案解析版《★动力与电气工程》或《动力与电气工程:电机与电气控制技术》题库
258、问答题
说明下面两个索引的具体意义。

点击查看答案
本题答案:微信扫下方二维码即可打包下载完整带答案解析版《★动力与电气工程》或《动力与电气工程:电机与电气控制技术》题库
259、单项选择题 断电延时型时间继电器,它的延时动合触点是()。
A、延时闭合的动合触点
B、瞬动动合触点
C、瞬动闭合延时断开的动合触点
D、延时闭合瞬时断开的动合触点
点击查看答案
本题答案:微信扫下方二维码即可打包下载完整带答案解析版《★动力与电气工程》或《动力与电气工程:电机与电气控制技术》题库
260、填空题 Z3040型摇臂钻床有()电机
点击查看答案
本题答案:微信扫下方二维码即可打包下载完整带答案解析版《★动力与电气工程》或《动力与电气工程:电机与电气控制技术》题库
261、问答题 低压电器按用途分那几类?
点击查看答案
本题答案:微信扫下方二维码即可打包下载完整带答案解析版《★动力与电气工程》或《动力与电气工程:电机与电气控制技术》题库
262、判断题 QJ10和XJ01系列自耦变压器减压起动器,在进入正常运行时,自耦变压器仍然带电()
点击查看答案
本题答案:微信扫下方二维码即可打包下载完整带答案解析版《★动力与电气工程》或《动力与电气工程:电机与电气控制技术》题库
263、单项选择题 交流接触器不释放,原因可能是()
A、线圈断电
B、触点粘结
C、复位弹簧拉长,失去弹性
D、衔铁失去磁性
点击查看答案
本题答案:微信扫下方二维码即可打包下载完整带答案解析版《★动力与电气工程》或《动力与电气工程:电机与电气控制技术》题库
264、判断题 电气原理图中所有电器的触电都按没有通电或没有外力作用时的开闭状态画出。()
点击查看答案
本题答案:微信扫下方二维码即可打包下载完整带答案解析版《★动力与电气工程》或《动力与电气工程:电机与电气控制技术》题库
265、判断题 容量大于30kW的笼型异步电机,一般采用减压的方式起动。()
点击查看答案
本题答案:微信扫下方二维码即可打包下载完整带答案解析版《★动力与电气工程》或《动力与电气工程:电机与电气控制技术》题库
266、判断题 设计电气控制线路的方法只有分析设计法。
点击查看答案
本题答案:微信扫下方二维码即可打包下载完整带答案解析版《★动力与电气工程》或《动力与电气工程:电机与电气控制技术》题库
267、单项选择题 直流电机如果不配置弱磁保护,则电机运行时发生弱磁会导致()。
A、电机过流烧毁
B、电机过压绝缘击穿
C、电网电压下降
D、电机飞车事故
点击查看答案
本题答案:微信扫下方二维码即可打包下载完整带答案解析版《★动力与电气工程》或《动力与电气工程:电机与电气控制技术》题库
268、判断题 以电动机带动生产机械运转的拖动方式称为电力拖动.
点击查看答案
本题答案:微信扫下方二维码即可打包下载完整带答案解析版《★动力与电气工程》或《动力与电气工程:电机与电气控制技术》题库
269、问答题 按动作原理时间继电器分那几种
点击查看答案
本题答案:微信扫下方二维码即可打包下载完整带答案解析版《★动力与电气工程》或《动力与电气工程:电机与电气控制技术》题库
270、判断题 按操作方式分类,低压电器可分为手动电器和自动电器。
点击查看答案
本题答案:微信扫下方二维码即可打包下载完整带答案解析版《★动力与电气工程》或《动力与电气工程:电机与电气控制技术》题库
271、填空题 热继电器是利用()来工作的电器。
点击查看答案
本题答案:微信扫下方二维码即可打包下载完整带答案解析版《★动力与电气工程》或《动力与电气工程:电机与电气控制技术》题库
272、填空题 设计机床电气控制系统首先要满足机床的()
点击查看答案
本题答案:微信扫下方二维码即可打包下载完整带答案解析版《★动力与电气工程》或《动力与电气工程:电机与电气控制技术》题库
273、判断题 检修电路时,电机不转而发出嗡1、开关电器在所有电路都可直接接负载。()
点击查看答案
本题答案:微信扫下方二维码即可打包下载完整带答案解析版《★动力与电气工程》或《动力与电气工程:电机与电气控制技术》题库
274、名词解释 电压
点击查看答案
本题答案:微信扫下方二维码即可打包下载完整带答案解析版《★动力与电气工程》或《动力与电气工程:电机与电气控制技术》题库
275、填空题 电气控制系统图分为()()和()三类。
点击查看答案
本题答案:微信扫下方二维码即可打包下载完整带答案解析版《★动力与电气工程》或《动力与电气工程:电机与电气控制技术》题库
276、问答题
分析电弧产生的原理

点击查看答案
本题答案:微信扫下方二维码即可打包下载完整带答案解析版《★动力与电气工程》或《动力与电气工程:电机与电气控制技术》题库
277、判断题 主令电器在自动控制系统中接入主回路。()
点击查看答案
本题答案:微信扫下方二维码即可打包下载完整带答案解析版《★动力与电气工程》或《动力与电气工程:电机与电气控制技术》题库
278、单项选择题 通电延时时间继电器,它的延时触点动作情况是()。
A、线圈通电时触点延时动作,断电时触点瞬时动作
B、线圈通电时触点瞬时动作,断电时触点延时动作
C、线圈通电时触点不动作,断电时触点瞬时动作
D、线圈通电时触点不动作,断电时触点延时动作
点击查看答案
本题答案:微信扫下方二维码即可打包下载完整带答案解析版《★动力与电气工程》或《动力与电气工程:电机与电气控制技术》题库
279、单项选择题 电气接线时,A、B、C、三相按相序,线的颜色配置为()
A、红、绿、黄
B、黄、绿、红
C、绿、黄、红
点击查看答案
本题答案:微信扫下方二维码即可打包下载完整带答案解析版《★动力与电气工程》或《动力与电气工程:电机与电气控制技术》题库
280、单项选择题 电气原理图中()
A、不反映元件的大小
B、反映元件的大小
C、反映元件的实际位置
D、以上都不对
点击查看答案
本题答案:微信扫下方二维码即可打包下载完整带答案解析版《★动力与电气工程》或《动力与电气工程:电机与电气控制技术》题库
281、单项选择题 控制电路中利用热继电器的()触点实现过载保护。
A、常闭
B、常开
C、热元件
D、互锁
点击查看答案
本题答案:微信扫下方二维码即可打包下载完整带答案解析版《★动力与电气工程》或《动力与电气工程:电机与电气控制技术》题库
282、判断题 电气原理图绘制中,不反映电器元件的大小。()
点击查看答案
本题答案:微信扫下方二维码即可打包下载完整带答案解析版《★动力与电气工程》或《动力与电气工程:电机与电气控制技术》题库
283、填空题 当外加电压大小不变而铁心磁路中的气隙增大时,对直流磁路,则磁通(),电感(),电流();对交流磁路,则磁通(),电感(),电流()。
点击查看答案
本题答案:微信扫下方二维码即可打包下载完整带答案解析版《★动力与电气工程》或《动力与电气工程:电机与电气控制技术》题库
284、单项选择题 电磁制动器的文字符号为()。
A、KT
B、KM
C、YB
D、SQ
点击查看答案
本题答案:微信扫下方二维码即可打包下载完整带答案解析版《★动力与电气工程》或《动力与电气工程:电机与电气控制技术》题库
285、判断题 直流发电机之所以能发出直流电,是因为电枢绕组中产生的是直流电。
点击查看答案
本题答案:微信扫下方二维码即可打包下载完整带答案解析版《★动力与电气工程》或《动力与电气工程:电机与电气控制技术》题库
286、单项选择题 下列元件中,主令电器有()。
A、熔断器
B、按钮
C、刀开关
D、速度继电器
点击查看答案
本题答案:微信扫下方二维码即可打包下载完整带答案解析版《★动力与电气工程》或《动力与电气工程:电机与电气控制技术》题库
287、判断题 在易爆易燃场合应选用防爆型和真空接触器()
点击查看答案
本题答案:微信扫下方二维码即可打包下载完整带答案解析版《★动力与电气工程》或《动力与电气工程:电机与电气控制技术》题库
288、单项选择题 一般速度继电器触头的复位转速为()
A、70r/min
B、100r/min
C、140r/min
D、200r/min
点击查看答案
本题答案:微信扫下方二维码即可打包下载完整带答案解析版《★动力与电气工程》或《动力与电气工程:电机与电气控制技术》题库
289、判断题 在C650卧式车床中,电流表PA的作用是防止电动机过载。()
点击查看答案
本题答案:微信扫下方二维码即可打包下载完整带答案解析版《★动力与电气工程》或《动力与电气工程:电机与电气控制技术》题库
290、问答题 三相交流电动机反接制动和能耗制动分别适用于什么情况?
点击查看答案
本题答案:微信扫下方二维码即可打包下载完整带答案解析版《★动力与电气工程》或《动力与电气工程:电机与电气控制技术》题库
291、判断题 电气控制设计的首要原则是最大限度满足生产机械和生产工艺对电气控制的要求。
点击查看答案
本题答案:微信扫下方二维码即可打包下载完整带答案解析版《★动力与电气工程》或《动力与电气工程:电机与电气控制技术》题库
292、单项选择题 铁心叠片越厚,其损耗()。
A.越大
B.越小
C.不变
点击查看答案
本题答案:微信扫下方二维码即可打包下载完整带答案解析版《★动力与电气工程》或《动力与电气工程:电机与电气控制技术》题库
293、问答题 电压继电器和电流继电器在电路中各起什么作用?
点击查看答案
本题答案:微信扫下方二维码即可打包下载完整带答案解析版《★动力与电气工程》或《动力与电气工程:电机与电气控制技术》题库
294、单项选择题
下边控制电路可实现()

A、三相异步电动机的正、停、反控制
B、三相异步电动机的正、反、停控制
C、三相异步电动机的正反转控制
点击查看答案
本题答案:微信扫下方二维码即可打包下载完整带答案解析版《★动力与电气工程》或《动力与电气工程:电机与电气控制技术》题库
295、单项选择题 晶体管时间继电器常用的产品是()
A、JSJ
B、JS7-A
C、JL14
D、CJ10
点击查看答案
本题答案:微信扫下方二维码即可打包下载完整带答案解析版《★动力与电气工程》或《动力与电气工程:电机与电气控制技术》题库
296、判断题 电磁式电压继电器的线圈并接在电路电网上。
点击查看答案
本题答案:微信扫下方二维码即可打包下载完整带答案解析版《★动力与电气工程》或《动力与电气工程:电机与电气控制技术》题库
297、问答题 电气原理图阅读的方法和步骤是什么?
点击查看答案
本题答案:微信扫下方二维码即可打包下载完整带答案解析版《★动力与电气工程》或《动力与电气工程:电机与电气控制技术》题库
298、单项选择题 常开触点也叫()触点。
A、常闭
B、动合
C、动断
D、复合
点击查看答案
本题答案:微信扫下方二维码即可打包下载完整带答案解析版《★动力与电气工程》或《动力与电气工程:电机与电气控制技术》题库
299、单项选择题 采用星-三角降压起动的电动机,正常工作时定子绕组接成()。
A、角形
B、星形
C、星形或角形
D、定子绕组中间带抽头
点击查看答案
本题答案:微信扫下方二维码即可打包下载完整带答案解析版《★动力与电气工程》或《动力与电气工程:电机与电气控制技术》题库
300、单项选择题
边控制电路可实现()

A、三相异步电动机的正、停、反控制
B、三相异步电动机的正、反、停控制
C、三相异步电动机的正反转控制
点击查看答案
本题答案:微信扫下方二维码即可打包下载完整带答案解析版《★动力与电气工程》或《动力与电气工程:电机与电气控制技术》题库
题库试看结束后
微信扫下方二维码即可打包下载完整版《★动力与电气工程》题库
手机用户可保存上方二维码到手机中,在微信扫一扫中右上角选择“从相册选取二维码”即可。
题库试看结束后微信扫下方二维码即可打包下载完整版《动力与电气工程:电机与电气控制技术》题库,分栏、分答案解析排版、小字体方便打印背记!经广大会员朋友实战检验,此方法考试通过率大大提高!绝对是您考试过关的不二利器!
手机用户可保存上方二维码到手机中,在微信扫一扫中右上角选择“从相册选取二维码”即可。
微信搜索关注"91考试网"公众号,领30元,获取公务员事业编教师考试资料40G