点击进入《★变电检修工考试》题库
点击进入《变电检修工考试:变电检修高级工》考试资料下载,在线测试
1、问答题 蓄电池组的电源电压E为6V,将R1=2.9Ω电阻接在它两端,测出电流I为2A,求它的内阻Ri为多大?
点击查看答案
本题答案:
试题答案
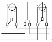
2、问答题 画出三相变压器Y,d11接线组的相量图和接线图。
点击查看答案
本题答案:
试题答案
3、问答题 电容器的搬运和保存应注意什么?
点击查看答案
本题答案:(1)搬运电容器时应直立放置,严禁搬拿套管。(2)保存电容器
本题解析:试题答案(1)搬运电容器时应直立放置,严禁搬拿套管。(2)保存电容器应在防雨仓库内,周围温度应在-40~+50℃范围内,相对湿度不应大于95%。(3)户内式电容器必须保存于户内。(4)在仓库中存放电容器应直立放置,套管向上,禁止将电容器相互支撑。
4、问答题 画出三相三线电能表不经电流互感器的测量原理接线图。
点击查看答案
本题答案:
试题答案
5、问答题 对违反《电业安全工作规程》者有哪些处理意见?
点击查看答案
本题答案:(1)对违反规程者,应认真分析加强教育,视其情节严肃处理。(
本题解析:试题答案(1)对违反规程者,应认真分析加强教育,视其情节严肃处理。(2)对造成事故者,应按情节轻重,予以行政或刑事处分。
6、问答题 在220V电源上并联两只灯泡,功率分别是100W和400W,问这两只灯泡从电源取用的总电流是多少?
点击查看答案
本题答案:
试题答案
7、问答题 一个圆油罐,其直径d为4m,高h为6m,最多能储存多少变压器油(变压器油比重γ为0.9tm3)?
点击查看答案
本题答案:
试题答案
8、问答题 变电检修常用哪些工器具?
点击查看答案
本题答案:(1)常用电工工具(钢丝钳、螺丝刀、电工刀、活动搬手、尖嘴钳
本题解析:试题答案(1)常用电工工具(钢丝钳、螺丝刀、电工刀、活动搬手、尖嘴钳)。(2)公用工具(套扳手、管子钳、平口钳、电钻、电烙铁、砂轮、钳工工具和起重工具)。(3)常用量具(钢板尺、水平尺、千分尺、游标卡尺)。(4)仪表(万用表、兆欧表、电桥)。(5)变电设备检修专用工具。
9、问答题 有一电阻R=10kΩ和电容C=0.637μF的电阻电容串联电路,接在电压U=224V,频率f=50Hz的电源上,试求该电路中的电流I及电容两端的电压UC。
点击查看答案
本题答案:
试题答案
10、问答题 在设备的起吊中,常常利用滑轮来提升重物,现提升重物的质量m=100kg,绳索材料的许用应力是[σ]=9.8×106Pa,求这根绳索的直径d应是多少?
点击查看答案
本题答案:
试题答案
11、问答题 简述高压断路器检修前的准备工作?
点击查看答案
本题答案:(1)根据运行、试验发现的缺陷及上次检修后的情况,确定
本题解析:试题答案(1)根据运行、试验发现的缺陷及上次检修后的情况,确定重点检修项目,编制检修计划。(2)讨论检修项目、进度、需消除缺陷的内容以及有关安全注意事项。(3)制订技术措施,准备有关检修资料及记录表格和检修报告等。(4)准备检修时必需的工具、材料、测试仪器和备品备件及施工电源。(5)按部颁《电业安全工作规程》规定,办理工作票许可手续,做好现场检修安全措施,完成检修开工手续。
12、问答题 创伤急救的原则是什么?
点击查看答案
本题答案:创伤急救原则上是先抢救,后固定,再搬运,并注意采取措施,防止
本题解析:试题答案创伤急救原则上是先抢救,后固定,再搬运,并注意采取措施,防止伤情加重或污染。需要送医院救治的,应立即做好保护伤员措施后送医院救治。
13、问答题 在储压筒活塞上部为什么必须加入一定容积的航空液压油?
点击查看答案
本题答案:在储压筒活塞上部加入一定高度的航空液压油,可提高活塞上部氮气
本题解析:试题答案在储压筒活塞上部加入一定高度的航空液压油,可提高活塞上部氮气和下部液压油之间的密封性能。当活塞上部加入一定高度的航空液压油后,形成了油封密封层,氮气就不直接作用在橡胶密封圈上而是作用在油层上,气体不易渗漏至活塞下部。另一方面,液压油可改善活塞上氮气侧密封圈与筒壁之间的润滑效果,使密封圈在油中滑动而不易损坏。
14、问答题 在绝缘子上固定矩形母线有哪些要求?
点击查看答案
本题答案:绝缘子上固定母线的夹板,通常都用钢材料制成,不应使其形成闭合
本题解析:试题答案绝缘子上固定母线的夹板,通常都用钢材料制成,不应使其形成闭合磁路。若形成闭合磁路,在夹板和螺栓形成的环路中将产生很大的感应环流,使母线过热,在工作电流较大的母线上,这种情况更严重。为避免形成闭合磁路,两块夹板均为铁质的时,两个紧固螺栓应一个用铁质的,另一个用铜质。另外还可以采用开口卡板固定母线,也可以两块夹板一块为铁质,一块为铝质,两个紧固螺栓均为铁质。
15、问答题 常用的裸导线有哪几种?
点击查看答案
本题答案:①裸铜绞线(TJ);②裸铝绞线(LJ);③钢芯铝绞线(LGJ
本题解析:试题答案①裸铜绞线(TJ);②裸铝绞线(LJ);③钢芯铝绞线(LGJ,LGJQ,LGJJ);④铝合金绞线(HLJ);⑤钢绞线(GJ)。
16、问答题 怎样进行高温中暑急救?
点击查看答案
本题答案:应立即将病员从高温或日晒环境转移到阴凉通风处休息。用冷水檫浴
本题解析:试题答案应立即将病员从高温或日晒环境转移到阴凉通风处休息。用冷水檫浴,湿毛巾覆盖身体,电扇吹风,或在头部置冰袋等方法降温,并及时给病人口服盐水。严重者送医院治疗。
17、问答题 有一堆无缝钢管,它的外径D为100mm,壁厚δ为10mm,经逐根测量总长度L为100m,求此堆钢管重G是多少(钢的密度ρ为7.8t/m3)?
点击查看答案
本题答案:
试题答案
18、问答题 SF6断路器从外形结构上分哪两类?各有何特点?
点击查看答案
本题答案:SF6断路器从外形结构上分为瓷柱式SF6断路器和落地罐式SF
本题解析:试题答案SF6断路器从外形结构上分为瓷柱式SF6断路器和落地罐式SF6断路器两种。瓷柱式SF6断路器在结构上和户外少油断路器相似,有系列性好、单断口电压高、开断电流大、运行可靠性高和检修维护工作量小等优点;但不能内附电流互感器,且抗地震能力相对较差。落地罐式SF6断路器具有瓷柱式SF6断路器的所有优点,而且可以内附电流互感器,产品整体高度低,抗震能力相对提高;但造价比较昂贵。
19、问答题 引起隔离开关触头发热的原因是什么?
点击查看答案
本题答案:(1)隔离开关过载或者接触面不严密使电流通路的截面减小,接触
本题解析:试题答案(1)隔离开关过载或者接触面不严密使电流通路的截面减小,接触电阻增加。以至熔接的可能。在正常情况下触头的最高允许温度为75℃,因此应调整接触电阻使其值不大于200μΩ。
20、问答题 《电业安全工作规程》规定,遇有电气设备着火时,应如何处理?
点击查看答案
本题答案:遇有电气设备着火时,应立即将有关设备的电源切断,然后进行救火
本题解析:试题答案遇有电气设备着火时,应立即将有关设备的电源切断,然后进行救火。对带电设备应使用干式灭火器、二氧化碳灭火器等灭火,不得使用泡沫灭火器灭火。对注油设备应使用泡沫灭火器或干燥的砂子等灭火。发电厂和变电所控制室内应备有防毒面具,防毒面具要按规定使用并定期进行试验,使其经常处于良好状态。
21、问答题 硬母线接触面加工后,其截面减少值不应超过原截面的多少?
点击查看答案
本题答案:接触面加工后,其截面减少值,铜母线应不超过原截面3%,铝母线
本题解析:试题答案接触面加工后,其截面减少值,铜母线应不超过原截面3%,铝母线应不超过5%。
22、问答题 高压套管按使用的绝缘介质和内部绝缘结构可分为哪几种?
点击查看答案
本题答案:可分为:①纯瓷套管;②充油套管;③电容套管。
本题解析:试题答案可分为:①纯瓷套管;②充油套管;③电容套管。
23、问答题 某一变电所一照明电路中保险丝的熔断电流为3A,现将10盏额定电压Un为220V,额定功率Pn为40W的电灯同时接入该电路中,问熔断器是否会熔断,如果是10盏额定功率P′n为100W的电灯同时接入情况下又将会怎样?
点击查看答案
本题答案:
试题答案
24、问答题 如何选择千斤顶的顶升位置?
点击查看答案
本题答案:选择千斤顶的顶升位置时应注意:(1)千斤顶的施力点应选择在有
本题解析:试题答案选择千斤顶的顶升位置时应注意:(1)千斤顶的施力点应选择在有足够强度的部位,防止顶起后造成施力点变形或破坏。(2)应使用设备上设置的顶升点。(3)使用多台千斤顶时,顶升点应对称于重心线。(4)对于底座为矩形平面的物体两端各用一台千斤顶时,顶升点应在重心线两侧对称于重心线的位置。
25、问答题 在转轴上装配D型及V型密封圈时应注意哪些事项?
点击查看答案
本题答案:(1)在组装时,不仅要注意按顺序依次装入各密封部件,而且要注
本题解析:试题答案(1)在组装时,不仅要注意按顺序依次装入各密封部件,而且要注意密封件的清洁和安装方向。(2)为减小各摩擦表面上产生的摩擦力,组装时可在胶圈内外圆周上、转轴、转轴孔上薄薄涂抹一层中性凡士林。
26、问答题 SF6设备解体检查应遵守哪些安全规定?
点击查看答案
本题答案:根据《电业安全工作规程(发电厂变电所电气部分)》第20
本题解析:试题答案根据《电业安全工作规程(发电厂变电所电气部分)》第200条,SF6电气设备解体检修时应遵守的主要规定如下:(1)设备解体之前,必须先抽取气体做成分检验,根据毒腐气体含量,确定具体的检修防护措施。(3)设备封盖打开后,检修人员须离开现场0.5h,让附着在壳体内表的残气向外散尽。在清除粉尘和吸附剂之前,应先戴上防护手套和防毒面具,然后才可铺开工作。
27、问答题 已知电流的瞬时值函数式i=sin(1000t+45°),试求其最大值、角频率、频率和相角,并求该电流经多长时间第一次出现最大值。
点击查看答案
本题答案:
试题答案
28、问答题 电容型套管有哪些优点?
点击查看答案
本题答案:电容型套管具有运行可靠、体积小、重量轻、易于维护等优点。
本题解析:试题答案电容型套管具有运行可靠、体积小、重量轻、易于维护等优点。
29、问答题 何谓绝缘材料的8℃规则?
点击查看答案
本题答案:绝缘材料使用的温度超过极限温度时,绝缘材料会迅速劣化,使用寿
本题解析:试题答案绝缘材料使用的温度超过极限温度时,绝缘材料会迅速劣化,使用寿命会大大缩短。如A级绝缘材料极限工作温度为105℃,当超过极限工作温度8℃时,其寿命会缩短一半左右,这就是8℃热劣化规则。
30、问答题
如图254所示起吊质量m=500kg的电流互感器,不计摩擦系数,求F1、F2大小?

点击查看答案
本题答案:
试题答案
点击进入《★变电检修工考试》题库
点击进入《变电检修工考试:变电检修高级工》考试资料、试题下载,试卷在线测试