时间:2025-06-17 03:44:44
1、填空题 SPC指()。
2、单项选择题 倾斜度属于位置公差中的()。
A.定向位置公差
B.定位位置公差
C.形状公差
3、填空题 表面粗糙度3.2对应光洁度等级为()。
4、单项选择题 零件在加工和装配中使用的基准称()。
A.定位基准
B.测量基准
C.设计基准
5、单项选择题 当工序能力指数Cp为1.11时,说明工序能力()。
A.充分
B.尚可
C.不充分
6、填空题 法定计量单位是由国家以()形式规定()的计量单位。
7、问答题 计算题:某轴应镀铬,镀层厚度为20±4µm,镀铬后与孔形成的配合为∮70H7/f7,公差值IT7=0.03;f7的es=-0.03;求(1)孔和轴的上、下偏差,(2)画出尺寸链图,(3)轴在镀铬前的尺寸是多少?
8、单项选择题 在单件小批量生产条件下确定加工余量的方法用()。
A.查表法
B.实验法
C.估算法
D.计算法
9、单项选择题 GB/T1900系列标准()ISO9000系列标准。
A.等效应用
B.不等效采用
C.等同采用
D.没有关系
10、单项选择题 粗糙度样板属于()。
A、标准量具
B、通用量具
C、专用量具
11、单项选择题 上偏差和下偏差统称为()。
A.实际偏差
B.尺寸公差
C.极限偏差
D.基本偏差
12、单项选择题 标准样件应由()保管。
A.检验室
B.工艺室
C.技术质量部
13、填空题 6S是指:整理、整顿、清洁、()、()、安全。
14、问答题 测量基准的选择原则是什么?
15、单项选择题 测试设备超期,但未损坏,()继续使用。
A、可以
B、不可以
C、无法确定
16、填空题 量具分为标准量具、()、()、()四大类。
17、填空题 机械图样主要有()、()、布置图、示意图和轴测图等。
18、单项选择题 光滑量规的通规用来控制被测零件的(),它不应超越最大实体尺寸。
A.局部实际尺寸
B.作用尺寸
C.最大极限尺寸
D.最小极限尺寸
19、名词解释 测量方法误差
20、问答题
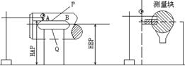
计算题:已知轴的半径为R,槽深为h,试简述检验附图所示加工键槽的对称度误差方法,并写相应的表达式?
21、单项选择题 仪器仪表设备应按主管部门相关规定()、检查维修、合格,并在合格有效期内使用,严禁超期和不合格状况下使用。
A.定期校验
B.定量校验
C.不定时校验
22、单项选择题 国家标准的一级平板,在25×25mm内,研点达()点左右。
A.12
B.20
C.25
D.30
23、问答题 计算题:一对蜗轮蜗杆,已知模数m=3mm,蜗杆特性系数q=12mm,蜗杆头数k=1,蜗轮齿数Z=40,试分别计算蜗杆的分度圆直径、齿顶圆直径、导程、蜗轮的分度圆直径及蜗轮蜗杆的啮合中心距。
24、单项选择题 内径百分表是一种()。
A.间接测量法
B.比较测量法
C.直接测量法
25、单项选择题 选用加工表面的设计基准为定位基准是基准()原则。
A.重合
B.统一
C.自身定位
D.重复
26、问答题 简述铸铁的优良性能。
27、单项选择题 安全裕度A表达了各种()误差的综合结果。
A.形状
B.计量仪器
C.测量
28、单项选择题 螺纹标注为M10—5H6H,那么5H和6H分别表示螺纹的()。
A.中径和大径公差带
B.中径和小径公差带
C.大径和小径公差带
29、问答题 简述全数检验与抽样检验的区别和特点,并举例加以说明。
30、填空题 公差带的参数由形位公差带的()、()、()和()四个参数组成。