手机用户可
保存上方二维码到手机中,在
微信扫一扫中右上角选择“从
相册选取二维码”即可。
1、单项选择题 差动式直流放大器抑制零点漂移效果取决于()。
A、两个晶体三极管的放大倍数;
B、两个晶体三极管的对称程度;
C、两个三极和的零点漂移
点击查看答案
本题答案:微信扫下方二维码即可打包下载完整带答案解析版《★维修电工考试》或《维修电工考试:维修电工考试》题库
2、问答题 用兆欧表测量设备绝缘前,应做哪些安全措施?
点击查看答案
本题答案:微信扫下方二维码即可打包下载完整带答案解析版《★维修电工考试》或《维修电工考试:维修电工考试》题库
3、判断题 负载的功率因数越高,电源设备的利用率就越高。
点击查看答案
本题答案:微信扫下方二维码即可打包下载完整带答案解析版《★维修电工考试》或《维修电工考试:维修电工考试》题库
4、问答题 为保证晶闸管装置能正常可靠地工作,触发电路应满足哪些要求?
点击查看答案
本题答案:微信扫下方二维码即可打包下载完整带答案解析版《★维修电工考试》或《维修电工考试:维修电工考试》题库
5、判断题 熄灭交流电弧时,在电流为过零值前被切断,会产生过电压;而熄灭直流电弧时,不存在过电压的问题。
点击查看答案
本题答案:微信扫下方二维码即可打包下载完整带答案解析版《★维修电工考试》或《维修电工考试:维修电工考试》题库
6、判断题 绝缘栅双极晶体管内部为四层结构。
点击查看答案
本题答案:微信扫下方二维码即可打包下载完整带答案解析版《★维修电工考试》或《维修电工考试:维修电工考试》题库
7、单项选择题 三相变压器绕组采用星形接法时,如果一相绕组接反则三个铁芯柱中的磁通将会()
A.发生严重畸变
B.大大增加
C.大大减小
D.不变
点击查看答案
本题答案:微信扫下方二维码即可打包下载完整带答案解析版《★维修电工考试》或《维修电工考试:维修电工考试》题库
8、判断题 在电阻、电感串联的交流电路中,阻抗随着电源频率的升高而增大,随频率的下降而见减小。
点击查看答案
本题答案:微信扫下方二维码即可打包下载完整带答案解析版《★维修电工考试》或《维修电工考试:维修电工考试》题库
9、单项选择题 标准规定项目代号可用代号段表示,其中第一段表示()。
A.高层代号
B.位置代号
C.种类代号
D.端子代号
点击查看答案
本题答案:微信扫下方二维码即可打包下载完整带答案解析版《★维修电工考试》或《维修电工考试:维修电工考试》题库
10、判断题 单齿纹锉刀适用于锉硬材料。
点击查看答案
本题答案:微信扫下方二维码即可打包下载完整带答案解析版《★维修电工考试》或《维修电工考试:维修电工考试》题库
11、判断题 采用环路是接地装置的可降低跨步电压和接触电压。
点击查看答案
本题答案:微信扫下方二维码即可打包下载完整带答案解析版《★维修电工考试》或《维修电工考试:维修电工考试》题库
12、问答题 选择用串级调速的异步电动机应考虑哪几个方面?
点击查看答案
本题答案:微信扫下方二维码即可打包下载完整带答案解析版《★维修电工考试》或《维修电工考试:维修电工考试》题库
13、判断题 集成运放器工作时,其反向输入端和同相输入端之间的电位差总是为零。
点击查看答案
本题答案:微信扫下方二维码即可打包下载完整带答案解析版《★维修电工考试》或《维修电工考试:维修电工考试》题库
14、单项选择题 用直流电压表测量某正常工作的放大电路中的一NPN型晶体三极管,各电极对地的电位是:U1=3V,U2=5.5V,U3=3.7V,则该三级管各管脚的名称是()
A、1脚为e,2脚为b,3脚为c
B、1脚为e,2脚为c,3脚为b
C、1脚为b,2脚为e,3脚为c
点击查看答案
本题答案:微信扫下方二维码即可打包下载完整带答案解析版《★维修电工考试》或《维修电工考试:维修电工考试》题库
15、多项选择题 cosφ对电力系统的影响有()。
A、cosφ低增加线路的电压损失和功率损失;
B、cosφ低使发电设备不能充分利用,即利用率低;
C、供电线路损坏加快
点击查看答案
本题答案:微信扫下方二维码即可打包下载完整带答案解析版《★维修电工考试》或《维修电工考试:维修电工考试》题库
16、判断题 PLC交流电梯在任何层停梯后,司机可以改变电梯的运行方向。
点击查看答案
本题答案:微信扫下方二维码即可打包下载完整带答案解析版《★维修电工考试》或《维修电工考试:维修电工考试》题库
17、单项选择题 感性负载可控整流电路的触发脉冲应选择()脉冲。
A、尖;
B、窄短形;
C、宽矩形
点击查看答案
本题答案:微信扫下方二维码即可打包下载完整带答案解析版《★维修电工考试》或《维修电工考试:维修电工考试》题库
18、判断题 润滑脂是由基础油、稠化剂和添加剂在高温下混合而成的膏状物。
点击查看答案
本题答案:微信扫下方二维码即可打包下载完整带答案解析版《★维修电工考试》或《维修电工考试:维修电工考试》题库
19、判断题 对于800KvA及以上容量的电力变压器以及400KVA及以上的车间变压器均应装设瓦斯保护。
点击查看答案
本题答案:微信扫下方二维码即可打包下载完整带答案解析版《★维修电工考试》或《维修电工考试:维修电工考试》题库
20、判断题 对多地控制,只要把各地的启动按钮并接即可实现。
点击查看答案
本题答案:微信扫下方二维码即可打包下载完整带答案解析版《★维修电工考试》或《维修电工考试:维修电工考试》题库
21、问答题 三相异步电动机产生旋转磁场的条件是什么?
点击查看答案
本题答案:微信扫下方二维码即可打包下载完整带答案解析版《★维修电工考试》或《维修电工考试:维修电工考试》题库
22、判断题 CPU主要是存放用户程序。
点击查看答案
本题答案:微信扫下方二维码即可打包下载完整带答案解析版《★维修电工考试》或《维修电工考试:维修电工考试》题库
23、判断题 电磁转差离合器---异步电动机调速系统是以异步电动机为原动机,通过改变电磁转差离合器的励磁电流的大小和方向来实现调速。
点击查看答案
本题答案:微信扫下方二维码即可打包下载完整带答案解析版《★维修电工考试》或《维修电工考试:维修电工考试》题库
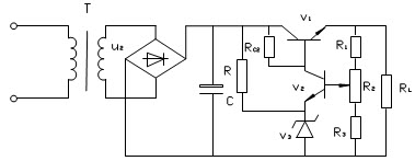
24、单项选择题
题图241所示电路中,电位器的中心抽头处于最上端时,输出电压()。

A、最高;
B、最小;
C、不变
点击查看答案
本题答案:微信扫下方二维码即可打包下载完整带答案解析版《★维修电工考试》或《维修电工考试:维修电工考试》题库
25、问答题 同步发电机并网的条件是什么?
点击查看答案
本题答案:微信扫下方二维码即可打包下载完整带答案解析版《★维修电工考试》或《维修电工考试:维修电工考试》题库
26、问答题 什么叫再生发电制动?它有几种制动状态?
点击查看答案
本题答案:微信扫下方二维码即可打包下载完整带答案解析版《★维修电工考试》或《维修电工考试:维修电工考试》题库
27、判断题 伺服系统包括伺服控制线路、功率放大线路、伺服电动机、机械传动机构和执行机构等,其主要功能是将数控装置产生的插补脉冲信号转换成机床执行机构的运动。
点击查看答案
本题答案:微信扫下方二维码即可打包下载完整带答案解析版《★维修电工考试》或《维修电工考试:维修电工考试》题库
28、判断题 为改善电缆半导电层切断处绝缘表面的电位分布,所采用的盈利控制层材料的体积电阻率越高越好。
点击查看答案
本题答案:微信扫下方二维码即可打包下载完整带答案解析版《★维修电工考试》或《维修电工考试:维修电工考试》题库
29、问答题 试说明PLC机的工作过程。
点击查看答案
本题答案:微信扫下方二维码即可打包下载完整带答案解析版《★维修电工考试》或《维修电工考试:维修电工考试》题库
30、判断题 为了使电炉中电弧电流大小和输入功率等参数尽可能保持稳定,应及时的调节电极的升降,为此,要在一次或二次侧安装电流护感器,以便取出电弧电流信号。
点击查看答案
本题答案:微信扫下方二维码即可打包下载完整带答案解析版《★维修电工考试》或《维修电工考试:维修电工考试》题库
31、判断题 如果晶闸管整流电路所带的负载为纯阻性,这电路的功率因数一定为1。
点击查看答案
本题答案:微信扫下方二维码即可打包下载完整带答案解析版《★维修电工考试》或《维修电工考试:维修电工考试》题库
32、问答题 什么是仪表的准确度?准确度等级是如何规定的?
点击查看答案
本题答案:微信扫下方二维码即可打包下载完整带答案解析版《★维修电工考试》或《维修电工考试:维修电工考试》题库
33、判断题 三角形联结的三相异步电动机在满载运行时,若一相电源断路,则首先会烧坏一相绕组。
点击查看答案
本题答案:微信扫下方二维码即可打包下载完整带答案解析版《★维修电工考试》或《维修电工考试:维修电工考试》题库
34、判断题 用晶体管图示仪观察显示NPN型三极管的输出特性时,基极阶梯信号的极性开关应置于"+",集电极扫描电压极性开关应置于"-"。
点击查看答案
本题答案:微信扫下方二维码即可打包下载完整带答案解析版《★维修电工考试》或《维修电工考试:维修电工考试》题库
35、判断题 主令控制器是用杰按顺序操纵多个控制回路的主令电器,型号是LK系列。
点击查看答案
本题答案:微信扫下方二维码即可打包下载完整带答案解析版《★维修电工考试》或《维修电工考试:维修电工考试》题库
36、判断题 由于现代企业产品生产批量的增加,由此产生了计算机集成制造(CIM)技术。
点击查看答案
本题答案:微信扫下方二维码即可打包下载完整带答案解析版《★维修电工考试》或《维修电工考试:维修电工考试》题库
37、判断题 变压器电流速断保护的动作电流按躲过最大负载电流来整定。
点击查看答案
本题答案:微信扫下方二维码即可打包下载完整带答案解析版《★维修电工考试》或《维修电工考试:维修电工考试》题库
38、判断题 变压器的经济运行方式是使其本身及电力系统有功损耗最小,能获得最佳经济效益的运行方式。
点击查看答案
本题答案:微信扫下方二维码即可打包下载完整带答案解析版《★维修电工考试》或《维修电工考试:维修电工考试》题库
39、单项选择题 CIMS着重解决产品设计和经营管理中的()。
A、计算机网络技术
B、系统信息集成
C、计算机接口技术
D、计算机辅助制造系统
点击查看答案
本题答案:微信扫下方二维码即可打包下载完整带答案解析版《★维修电工考试》或《维修电工考试:维修电工考试》题库
40、判断题 直流电动机改变电枢电压调速,电动机励磁应保持为额定值。当工作电流为额定电流时,则允许的负载转矩不变,所以属于恒转矩调速
点击查看答案
本题答案:微信扫下方二维码即可打包下载完整带答案解析版《★维修电工考试》或《维修电工考试:维修电工考试》题库
41、问答题 放大电路采用直流负反馈及交流负反馈的目的是什么?交流负反馈分哪几种组态?
点击查看答案
本题答案:微信扫下方二维码即可打包下载完整带答案解析版《★维修电工考试》或《维修电工考试:维修电工考试》题库
42、问答题 通常对同步电动机的励磁系统有哪些主要要求?
点击查看答案
本题答案:微信扫下方二维码即可打包下载完整带答案解析版《★维修电工考试》或《维修电工考试:维修电工考试》题库
43、问答题 电磁系测量机构为什么不能直接用于交流电的测量?
点击查看答案
本题答案:微信扫下方二维码即可打包下载完整带答案解析版《★维修电工考试》或《维修电工考试:维修电工考试》题库
44、判断题 晶体二极管具有单向导电性。
点击查看答案
本题答案:微信扫下方二维码即可打包下载完整带答案解析版《★维修电工考试》或《维修电工考试:维修电工考试》题库
45、判断题 在相同的输入电压条件下,单相桥式整流电路输出的直流电压平均值是半波整流电路输出的直流电压平均值的2倍。
点击查看答案
本题答案:微信扫下方二维码即可打包下载完整带答案解析版《★维修电工考试》或《维修电工考试:维修电工考试》题库
46、问答题 数控系统硬件故障的检查分析方法。
点击查看答案
本题答案:微信扫下方二维码即可打包下载完整带答案解析版《★维修电工考试》或《维修电工考试:维修电工考试》题库
47、判断题 半导体显示器因其亮度高,耗电量小而被广泛应用在各类数码显示器中。
点击查看答案
本题答案:微信扫下方二维码即可打包下载完整带答案解析版《★维修电工考试》或《维修电工考试:维修电工考试》题库
48、判断题 三相对称电路分析计算可以归结为一相电路计算,其他两相可依此滞后120°直接写出。
点击查看答案
本题答案:微信扫下方二维码即可打包下载完整带答案解析版《★维修电工考试》或《维修电工考试:维修电工考试》题库
49、问答题 什么是集散型计算机工业控制系统?
点击查看答案
本题答案:微信扫下方二维码即可打包下载完整带答案解析版《★维修电工考试》或《维修电工考试:维修电工考试》题库
50、判断题 JIT生产方式适用于多品种小批量生产。
点击查看答案
本题答案:微信扫下方二维码即可打包下载完整带答案解析版《★维修电工考试》或《维修电工考试:维修电工考试》题库
51、判断题 自动调速系统按照使用电动机类型来分,可分为直流调速系统和交流调速系统。目前在生产机械上使用较多的时直流调速系统。
点击查看答案
本题答案:微信扫下方二维码即可打包下载完整带答案解析版《★维修电工考试》或《维修电工考试:维修电工考试》题库
52、单项选择题 HTL与非门与TTL与非门相比()
A、HTL比TTL集成度高
B、HTL比TTL作速度快
C、HTL比TTL抗干扰能力强
点击查看答案
本题答案:微信扫下方二维码即可打包下载完整带答案解析版《★维修电工考试》或《维修电工考试:维修电工考试》题库
53、问答题 PLC的输出元件有哪几种类型?它们的主要区别是什么?
点击查看答案
本题答案:微信扫下方二维码即可打包下载完整带答案解析版《★维修电工考试》或《维修电工考试:维修电工考试》题库
54、判断题 交流电的有效值是交流电在一个周期内的平均值。
点击查看答案
本题答案:微信扫下方二维码即可打包下载完整带答案解析版《★维修电工考试》或《维修电工考试:维修电工考试》题库
55、判断题 有静差调速系统是依靠偏差进行调节;无静差调速系统是依靠偏差的积累进行调节的。
点击查看答案
本题答案:微信扫下方二维码即可打包下载完整带答案解析版《★维修电工考试》或《维修电工考试:维修电工考试》题库
56、判断题 电容滤波电路中RL值越大,滤波效果越好。
点击查看答案
本题答案:微信扫下方二维码即可打包下载完整带答案解析版《★维修电工考试》或《维修电工考试:维修电工考试》题库
57、问答题 绕线式三相异步电动机的起动通常用什么方法?各种方法有哪些优缺点?
点击查看答案
本题答案:微信扫下方二维码即可打包下载完整带答案解析版《★维修电工考试》或《维修电工考试:维修电工考试》题库
58、判断题 调速系统的调速范围和静差率两个指标不是互相孤立的,对一个系统所提的静差率要求时对最低转速运行是的静差率要求。
点击查看答案
本题答案:微信扫下方二维码即可打包下载完整带答案解析版《★维修电工考试》或《维修电工考试:维修电工考试》题库
59、问答题 变频器的外部接口电路由哪几部分组成?
点击查看答案
本题答案:微信扫下方二维码即可打包下载完整带答案解析版《★维修电工考试》或《维修电工考试:维修电工考试》题库
60、判断题 直流测速发电机,若其负载阻抗值增大,则其测速误差就增大
点击查看答案
本题答案:微信扫下方二维码即可打包下载完整带答案解析版《★维修电工考试》或《维修电工考试:维修电工考试》题库
61、问答题 分析电路的叠加原理的内容是什么?为什么不适用于功率的计算?
点击查看答案
本题答案:微信扫下方二维码即可打包下载完整带答案解析版《★维修电工考试》或《维修电工考试:维修电工考试》题库
62、问答题 直流正、负极接地对运行有哪些危害?
点击查看答案
本题答案:微信扫下方二维码即可打包下载完整带答案解析版《★维修电工考试》或《维修电工考试:维修电工考试》题库
63、单项选择题 测温仪由两部分构成,即()部分及主机部分。
A、探头
B、热电偶
C、热敏电阻
D、传感器
点击查看答案
本题答案:微信扫下方二维码即可打包下载完整带答案解析版《★维修电工考试》或《维修电工考试:维修电工考试》题库
64、判断题 电磁抱闸通电动作型的性能是:线圈通电时闸瓦紧紧抱住闸轮制动。
点击查看答案
本题答案:微信扫下方二维码即可打包下载完整带答案解析版《★维修电工考试》或《维修电工考试:维修电工考试》题库
65、问答题 在双稳态电路中,要使其工作状态翻转的条件是什么?
点击查看答案
本题答案:微信扫下方二维码即可打包下载完整带答案解析版《★维修电工考试》或《维修电工考试:维修电工考试》题库
66、判断题 感应加热是电热应用的一种形式,它是利用电磁感应的原理将电能转变为热能的。
点击查看答案
本题答案:微信扫下方二维码即可打包下载完整带答案解析版《★维修电工考试》或《维修电工考试:维修电工考试》题库
67、单项选择题 下列三组逻辑运算中,全部正确的一组是()
A、AB=A+B,A+BC=(A+B)(A+C)
B、A+B=A+B,(AB)C=A(BC)
C、A+BC=AB+AC,A(B+C)=AB+AC
点击查看答案
本题答案:微信扫下方二维码即可打包下载完整带答案解析版《★维修电工考试》或《维修电工考试:维修电工考试》题库
68、单项选择题 晶闸管变流电路用作整流器不是逆变顺,只需在不同情况下,控制不同的()
A、电源;
B、负载;
C、宽矩形
点击查看答案
本题答案:微信扫下方二维码即可打包下载完整带答案解析版《★维修电工考试》或《维修电工考试:维修电工考试》题库
69、判断题 交-直-交变频器,将工频交流电经整流器变换为直流电,经中间滤波环节后,再经逆变器变换为变频变压的交流电,故称为间接变频器
点击查看答案
本题答案:微信扫下方二维码即可打包下载完整带答案解析版《★维修电工考试》或《维修电工考试:维修电工考试》题库
70、判断题 断路器的事故跳闸信号回路,应按"不对应原理"接线。
点击查看答案
本题答案:微信扫下方二维码即可打包下载完整带答案解析版《★维修电工考试》或《维修电工考试:维修电工考试》题库
71、问答题 举例说明运算放大器的线性与非线性应用电路,说明运算放大器在这两种工作状态中各有什么特点?
点击查看答案
本题答案:微信扫下方二维码即可打包下载完整带答案解析版《★维修电工考试》或《维修电工考试:维修电工考试》题库
72、判断题 带有整流元件的回路,不能用绝缘电阻表摇测绝缘电阻,如欲测量绝缘电阻,应将整流元件焊开。
点击查看答案
本题答案:微信扫下方二维码即可打包下载完整带答案解析版《★维修电工考试》或《维修电工考试:维修电工考试》题库
73、问答题 简述交交变频调速系统的注意特点及使用场合?
点击查看答案
本题答案:微信扫下方二维码即可打包下载完整带答案解析版《★维修电工考试》或《维修电工考试:维修电工考试》题库
74、判断题 硅整流器和电容储能装置的交流电源应有两路,每周应对硅整流的电源互投装置进行一次传动试验,每班应对电容储能装置作放电试验一次。在遇有停电时,还应用电容储能装置对断路器进行跳闸传动试验。
点击查看答案
本题答案:微信扫下方二维码即可打包下载完整带答案解析版《★维修电工考试》或《维修电工考试:维修电工考试》题库
75、判断题 电压互感器使用中,副边绕组不准开路。
点击查看答案
本题答案:微信扫下方二维码即可打包下载完整带答案解析版《★维修电工考试》或《维修电工考试:维修电工考试》题库
76、问答题 什么是二进制数?为什么在数字电路中采用二进制计数?
点击查看答案
本题答案:微信扫下方二维码即可打包下载完整带答案解析版《★维修电工考试》或《维修电工考试:维修电工考试》题库
77、判断题 计算机由CPU、内存和输入/输出接口组成。
点击查看答案
本题答案:微信扫下方二维码即可打包下载完整带答案解析版《★维修电工考试》或《维修电工考试:维修电工考试》题库
78、判断题 感抗是表示电感线圈对交流电起阻碍作用大小的一个物理量。
点击查看答案
本题答案:微信扫下方二维码即可打包下载完整带答案解析版《★维修电工考试》或《维修电工考试:维修电工考试》题库
79、判断题 电子示波器只能显示被测信号的波形而不能用来测量被测信号的大小。
点击查看答案
本题答案:微信扫下方二维码即可打包下载完整带答案解析版《★维修电工考试》或《维修电工考试:维修电工考试》题库
80、判断题 三相负载做三角形连接时,若测出三个相电流相等,则三个线电流也必然相等。阻抗角不一定等
点击查看答案
本题答案:微信扫下方二维码即可打包下载完整带答案解析版《★维修电工考试》或《维修电工考试:维修电工考试》题库
81、问答题 为什么在大容量的晶闸管可控整流装置中,多采用同步电压为锯齿波的触发电路?
点击查看答案
本题答案:微信扫下方二维码即可打包下载完整带答案解析版《★维修电工考试》或《维修电工考试:维修电工考试》题库
82、判断题 使用JSS-4A型晶体三极管测试仪时,接通电源预热5分钟后才可以使用。
点击查看答案
本题答案:微信扫下方二维码即可打包下载完整带答案解析版《★维修电工考试》或《维修电工考试:维修电工考试》题库
83、单项选择题 变压器铁心采用薄硅钢片制造的主要目的是为了降低()
A、磁滞损耗;
B、铜耗;
C、涡流损耗
点击查看答案
本题答案:微信扫下方二维码即可打包下载完整带答案解析版《★维修电工考试》或《维修电工考试:维修电工考试》题库
84、填空题 晶体管特性图示仪是一种能在()撒谎那个直接观察各种晶体管()的专用仪器,通过仪器上的()可直接读得被测晶体管的各项参数。
点击查看答案
本题答案:微信扫下方二维码即可打包下载完整带答案解析版《★维修电工考试》或《维修电工考试:维修电工考试》题库
85、判断题 用直流双臂电桥测量电阻时,应使电桥电位接头的引出线比电流接头的引出线更靠近被测电阻。
点击查看答案
本题答案:微信扫下方二维码即可打包下载完整带答案解析版《★维修电工考试》或《维修电工考试:维修电工考试》题库
86、单项选择题 热继电器在通过额定电流时不动作,如果过载时能脱扣,但不再扣,反复调整仍是这样,则说明()
A、热元件发热量太小
B、热元件发热量太大
C、双金属片安装方向反了
D、热元件规格错
点击查看答案
本题答案:微信扫下方二维码即可打包下载完整带答案解析版《★维修电工考试》或《维修电工考试:维修电工考试》题库
87、判断题 数控装置是数控机床的控制核心,它根据输入的程序和数据,完成数值计算、逻辑判断、输入输出控制、轨迹插补等功能。
点击查看答案
本题答案:微信扫下方二维码即可打包下载完整带答案解析版《★维修电工考试》或《维修电工考试:维修电工考试》题库
88、判断题 串联型稳压电路中的基准电压,其温度稳定性不会影响到输出电压的稳定性。
点击查看答案
本题答案:微信扫下方二维码即可打包下载完整带答案解析版《★维修电工考试》或《维修电工考试:维修电工考试》题库
89、问答题 电力系统中性点三种运行方式的优缺点是什么?
点击查看答案
本题答案:微信扫下方二维码即可打包下载完整带答案解析版《★维修电工考试》或《维修电工考试:维修电工考试》题库
90、判断题 PLC是现代能替代传统的J-C控制的最佳工业控制器。
点击查看答案
本题答案:微信扫下方二维码即可打包下载完整带答案解析版《★维修电工考试》或《维修电工考试:维修电工考试》题库
91、填空题 交变电流在导体内趋于导体表面流动的现象称为()。
点击查看答案
本题答案:微信扫下方二维码即可打包下载完整带答案解析版《★维修电工考试》或《维修电工考试:维修电工考试》题库
92、判断题 采用定宽制调制方法的斩波器,是指保持斩波器通断频率不变,通过改变电压脉冲宽度来使输出电压平均值改变。
点击查看答案
本题答案:微信扫下方二维码即可打包下载完整带答案解析版《★维修电工考试》或《维修电工考试:维修电工考试》题库
93、单项选择题 电气灭火最好选用()。
A、干粉灭火器
B、CO2灭火器
C、1211灭火器
D、泡沫灭火器
点击查看答案
本题答案:微信扫下方二维码即可打包下载完整带答案解析版《★维修电工考试》或《维修电工考试:维修电工考试》题库
94、单项选择题 三相异步电动机的正常联结若是△形,当错接成丫形,则电流、电压和功率将如何变化()
A、电流、电压变低,输出的机械功率为额定功率的1/2
B、电流、电压变低,输出的机械功率为额定功率的1/3
C、电流、电压、功率基本不变
点击查看答案
本题答案:微信扫下方二维码即可打包下载完整带答案解析版《★维修电工考试》或《维修电工考试:维修电工考试》题库
95、单项选择题 液压系统中,使用流量阀必须使用()
A、单向阀
B、顺序阀
C、溢流阀
D、减压阀
点击查看答案
本题答案:微信扫下方二维码即可打包下载完整带答案解析版《★维修电工考试》或《维修电工考试:维修电工考试》题库
96、判断题 非工作状态时,减压阀的阀口是常闭的,而溢流阀是常开的。
点击查看答案
本题答案:微信扫下方二维码即可打包下载完整带答案解析版《★维修电工考试》或《维修电工考试:维修电工考试》题库
97、填空题 有源逆变的电路()接有续流二极管。
点击查看答案
本题答案:微信扫下方二维码即可打包下载完整带答案解析版《★维修电工考试》或《维修电工考试:维修电工考试》题库
98、问答题 什么是移相触发?其主要缺点是什么?
点击查看答案
本题答案:微信扫下方二维码即可打包下载完整带答案解析版《★维修电工考试》或《维修电工考试:维修电工考试》题库
99、判断题 可逆调速系统反转过程是由正向制动过程和反向起动过程衔接起来的,在正向制动过程中包括本桥逆变和反桥制动两个阶段
点击查看答案
本题答案:微信扫下方二维码即可打包下载完整带答案解析版《★维修电工考试》或《维修电工考试:维修电工考试》题库
100、问答题 PLC机有几种输出类型?各有什么特点。
点击查看答案
本题答案:微信扫下方二维码即可打包下载完整带答案解析版《★维修电工考试》或《维修电工考试:维修电工考试》题库
101、填空题 兼有()和()两种增强型MOS电路称为CMOS电路。
点击查看答案
本题答案:微信扫下方二维码即可打包下载完整带答案解析版《★维修电工考试》或《维修电工考试:维修电工考试》题库
102、判断题 TTL与非门电路参数中的扇出电压No,是指该门电路能驱动同类门电路的数量。
点击查看答案
本题答案:微信扫下方二维码即可打包下载完整带答案解析版《★维修电工考试》或《维修电工考试:维修电工考试》题库
103、判断题 数字触发器在某一时刻的输出状态,不仅取决于当时的输入信号的状态,还与电路的原始状态有关。
点击查看答案
本题答案:微信扫下方二维码即可打包下载完整带答案解析版《★维修电工考试》或《维修电工考试:维修电工考试》题库
104、判断题 在硅稳压管的简单并联型稳压电路中,稳压管应工作在反向击穿状态,并且应与负载电阻串联。并联
点击查看答案
本题答案:微信扫下方二维码即可打包下载完整带答案解析版《★维修电工考试》或《维修电工考试:维修电工考试》题库
105、判断题 三端集成稳压器的输出有正、负之分,应根据需要正确的使用。
点击查看答案
本题答案:微信扫下方二维码即可打包下载完整带答案解析版《★维修电工考试》或《维修电工考试:维修电工考试》题库
106、判断题 白炽灯属于热辐射光源。
点击查看答案
本题答案:微信扫下方二维码即可打包下载完整带答案解析版《★维修电工考试》或《维修电工考试:维修电工考试》题库
107、问答题 实数选择与应用ISO9000族标准的步骤和方法
点击查看答案
本题答案:微信扫下方二维码即可打包下载完整带答案解析版《★维修电工考试》或《维修电工考试:维修电工考试》题库
108、单项选择题 若将两台以上变压器投入并联运行,必须要满足一定的条件,而首先一个条件是()
A、各变压器应为相同的联结组别
B、各变压器的变比应相等
C、各变压器的容量应相等
点击查看答案
本题答案:微信扫下方二维码即可打包下载完整带答案解析版《★维修电工考试》或《维修电工考试:维修电工考试》题库
109、问答题 变频调速时,为什么常采用恒压频比(U/f=常数)的控制方式?
点击查看答案
本题答案:微信扫下方二维码即可打包下载完整带答案解析版《★维修电工考试》或《维修电工考试:维修电工考试》题库
110、判断题 自激荡振动器的输出量须经正反馈电路反馈到输入端才能使振荡器起振。
点击查看答案
本题答案:微信扫下方二维码即可打包下载完整带答案解析版《★维修电工考试》或《维修电工考试:维修电工考试》题库
111、问答题 采用变频器运转时,电机的起动电流、起动转矩怎样?
点击查看答案
本题答案:微信扫下方二维码即可打包下载完整带答案解析版《★维修电工考试》或《维修电工考试:维修电工考试》题库
112、判断题 接通电源,灯管两端亮,中间不亮,用手动启辉器,灯管能正常发光,说明镇流器损坏。
点击查看答案
本题答案:微信扫下方二维码即可打包下载完整带答案解析版《★维修电工考试》或《维修电工考试:维修电工考试》题库
113、问答题 变频调速系统一般分为那几类?
点击查看答案
本题答案:微信扫下方二维码即可打包下载完整带答案解析版《★维修电工考试》或《维修电工考试:维修电工考试》题库
114、判断题 麻花钻主切削刃上,各点的前角大小是相等的。
点击查看答案
本题答案:微信扫下方二维码即可打包下载完整带答案解析版《★维修电工考试》或《维修电工考试:维修电工考试》题库
115、判断题 单相桥式整流电路流过每只二极管的平均电流只有负载电流的一半。
点击查看答案
本题答案:微信扫下方二维码即可打包下载完整带答案解析版《★维修电工考试》或《维修电工考试:维修电工考试》题库
116、判断题 工作电源线路的断路器因继电器保护装置动作跳闸后,备用电源自动投入装置应将备用线路投入,以保证供电的连续性。
点击查看答案
本题答案:微信扫下方二维码即可打包下载完整带答案解析版《★维修电工考试》或《维修电工考试:维修电工考试》题库
117、填空题 TTL集成逻辑门电路的内部大多是由()级、()级和()级
点击查看答案
本题答案:微信扫下方二维码即可打包下载完整带答案解析版《★维修电工考试》或《维修电工考试:维修电工考试》题库
118、问答题 晶闸管触发器调试标准和质量要求有哪些?
点击查看答案
本题答案:微信扫下方二维码即可打包下载完整带答案解析版《★维修电工考试》或《维修电工考试:维修电工考试》题库
119、问答题 左手定则(电动机定则)应用在什么场合?
点击查看答案
本题答案:微信扫下方二维码即可打包下载完整带答案解析版《★维修电工考试》或《维修电工考试:维修电工考试》题库
120、判断题 要使电弧熄灭,必须使触头间电弧中的去游离率大于游离率。
点击查看答案
本题答案:微信扫下方二维码即可打包下载完整带答案解析版《★维修电工考试》或《维修电工考试:维修电工考试》题库
121、判断题 在要求调速范围较大的情况下,调压调速是性能最好、应用最广泛的直流电动机调速方法
点击查看答案
本题答案:微信扫下方二维码即可打包下载完整带答案解析版《★维修电工考试》或《维修电工考试:维修电工考试》题库
122、单项选择题 通过(),能使学员的动手能力不断增强和提高,从而熟练掌握操作技能。
A、示范操作
B、安全教育
C、现场技术指导
D、指导操作
点击查看答案
本题答案:微信扫下方二维码即可打包下载完整带答案解析版《★维修电工考试》或《维修电工考试:维修电工考试》题库
123、问答题 数码显示器的显示方式有哪几种?数码显示前发光物质不同可以分为哪几类?
点击查看答案
本题答案:微信扫下方二维码即可打包下载完整带答案解析版《★维修电工考试》或《维修电工考试:维修电工考试》题库
124、判断题 中间继电器是将一个输入信号变成一个或多个输出信号的继电器。
点击查看答案
本题答案:微信扫下方二维码即可打包下载完整带答案解析版《★维修电工考试》或《维修电工考试:维修电工考试》题库
125、填空题 扰动是一种系统输出量产生()的信号。
点击查看答案
本题答案:微信扫下方二维码即可打包下载完整带答案解析版《★维修电工考试》或《维修电工考试:维修电工考试》题库
126、单项选择题 测量电感大小时,应选用()。
A、直流单臂电桥
B、直流双臂电桥
C、交流电桥
D、万用表
点击查看答案
本题答案:微信扫下方二维码即可打包下载完整带答案解析版《★维修电工考试》或《维修电工考试:维修电工考试》题库
127、判断题 运行中电流表发热冒烟,应短路电流端子,甩开故障仪表,在准备更换仪表。
点击查看答案
本题答案:微信扫下方二维码即可打包下载完整带答案解析版《★维修电工考试》或《维修电工考试:维修电工考试》题库
128、问答题 触电急救的基本原则是什么?
点击查看答案
本题答案:微信扫下方二维码即可打包下载完整带答案解析版《★维修电工考试》或《维修电工考试:维修电工考试》题库
129、问答题 FX2N系列PLC的指令由哪几部分组成?其含义如何?
点击查看答案
本题答案:微信扫下方二维码即可打包下载完整带答案解析版《★维修电工考试》或《维修电工考试:维修电工考试》题库
130、判断题 在工厂供电系统中,二次回路毕竟时器一次电路的辅助部分,因此对供电系统的安全、可靠、优质、经济运行影响不大。
点击查看答案
本题答案:微信扫下方二维码即可打包下载完整带答案解析版《★维修电工考试》或《维修电工考试:维修电工考试》题库
131、判断题 为防止架空线路由于绝缘子污秽而引起闪络事故,常采用防污绝缘子,增加绝缘子的泄漏距离和采用高一级电压等级的绝缘子。
点击查看答案
本题答案:微信扫下方二维码即可打包下载完整带答案解析版《★维修电工考试》或《维修电工考试:维修电工考试》题库
132、判断题 微机的应用使仪表向数字化、智能化的方向发展。
点击查看答案
本题答案:微信扫下方二维码即可打包下载完整带答案解析版《★维修电工考试》或《维修电工考试:维修电工考试》题库
133、判断题 测寻电缆闪络性故障时,往往先采用反复击穿的方法,使之转化为稳定性故障后,再用仪器测寻。
点击查看答案
本题答案:微信扫下方二维码即可打包下载完整带答案解析版《★维修电工考试》或《维修电工考试:维修电工考试》题库
134、问答题 简述工业电视检测的特点。
点击查看答案
本题答案:微信扫下方二维码即可打包下载完整带答案解析版《★维修电工考试》或《维修电工考试:维修电工考试》题库
135、单项选择题 感性负载单相桥式半控整流电路,当流过每一个晶闸管的电流等于续流二极管的电流时,晶闸管的导能角是()。
A、θ=120°;
B、θ>120°;
C、θ<120°
点击查看答案
本题答案:微信扫下方二维码即可打包下载完整带答案解析版《★维修电工考试》或《维修电工考试:维修电工考试》题库
136、单项选择题 8421BCD码(001010000010)8421BCD所表示的十进制数是()
A、642
B、282
C、640
点击查看答案
本题答案:微信扫下方二维码即可打包下载完整带答案解析版《★维修电工考试》或《维修电工考试:维修电工考试》题库
137、问答题 为什么要在电力电容器与其断路器之间装设一组氧化锌避雷器?
点击查看答案
本题答案:微信扫下方二维码即可打包下载完整带答案解析版《★维修电工考试》或《维修电工考试:维修电工考试》题库
138、问答题 直流测速发电机的输出的特性上为什么有不灵敏区Δn?
点击查看答案
本题答案:微信扫下方二维码即可打包下载完整带答案解析版《★维修电工考试》或《维修电工考试:维修电工考试》题库
139、判断题 两根平行的直导线同时通入相反方向的电流时,其间作用力相互排斥。
点击查看答案
本题答案:微信扫下方二维码即可打包下载完整带答案解析版《★维修电工考试》或《维修电工考试:维修电工考试》题库
140、判断题 电动机的各种故障最终大多引起电流增大,温升过高。
点击查看答案
本题答案:微信扫下方二维码即可打包下载完整带答案解析版《★维修电工考试》或《维修电工考试:维修电工考试》题库
141、判断题 塑料管配线适用于有酸碱腐蚀作用及潮湿的环境。
点击查看答案
本题答案:微信扫下方二维码即可打包下载完整带答案解析版《★维修电工考试》或《维修电工考试:维修电工考试》题库
142、单项选择题 选择电机轴承润滑脂类别的依据是()。
A.保证轴承的设计寿命
B.延长轴承的运行寿命
C.轴承的安装状态
D.轴承转速、工作温度、负荷大小的性质、工作环境及安装状态
点击查看答案
本题答案:微信扫下方二维码即可打包下载完整带答案解析版《★维修电工考试》或《维修电工考试:维修电工考试》题库
143、判断题 管板焊接时,应先左侧焊,后右侧焊。
点击查看答案
本题答案:微信扫下方二维码即可打包下载完整带答案解析版《★维修电工考试》或《维修电工考试:维修电工考试》题库
144、判断题 斜齿圆柱齿轮,一般规定其端面模数符合标准值。
点击查看答案
本题答案:微信扫下方二维码即可打包下载完整带答案解析版《★维修电工考试》或《维修电工考试:维修电工考试》题库
145、判断题 在SPWM调制方式的逆变器中,只要改变载波信号的频率,就可以改变逆变器输出交流电压的频率
点击查看答案
本题答案:微信扫下方二维码即可打包下载完整带答案解析版《★维修电工考试》或《维修电工考试:维修电工考试》题库
146、判断题 正弦交流电的最大值也是瞬时值。
点击查看答案
本题答案:微信扫下方二维码即可打包下载完整带答案解析版《★维修电工考试》或《维修电工考试:维修电工考试》题库
147、判断题 直流电梯安装完毕交付使用前,必须进行各种试验,并且连续运行100次无故障。
点击查看答案
本题答案:微信扫下方二维码即可打包下载完整带答案解析版《★维修电工考试》或《维修电工考试:维修电工考试》题库
148、问答题 双踪示波器与双线示波器的主要区别是什么?
点击查看答案
本题答案:微信扫下方二维码即可打包下载完整带答案解析版《★维修电工考试》或《维修电工考试:维修电工考试》题库
149、问答题 笼型异步电动机允许全压起动的条件是什么?
点击查看答案
本题答案:微信扫下方二维码即可打包下载完整带答案解析版《★维修电工考试》或《维修电工考试:维修电工考试》题库
150、填空题 旋转变压器是一种输出电压随转子()变化而变化的信号元件。
点击查看答案
本题答案:微信扫下方二维码即可打包下载完整带答案解析版《★维修电工考试》或《维修电工考试:维修电工考试》题库
151、判断题 在生产中,若需要低压大电流可控整流装置,一般常采用三相半波可控整流电路。
点击查看答案
本题答案:微信扫下方二维码即可打包下载完整带答案解析版《★维修电工考试》或《维修电工考试:维修电工考试》题库
152、判断题 环路式接地装置外侧敷设一些与接地体无连接的金属,实质上无意义。
点击查看答案
本题答案:微信扫下方二维码即可打包下载完整带答案解析版《★维修电工考试》或《维修电工考试:维修电工考试》题库
153、判断题 4极交流三相异步电动机定子绕组的并联支路数量多为4路。
点击查看答案
本题答案:微信扫下方二维码即可打包下载完整带答案解析版《★维修电工考试》或《维修电工考试:维修电工考试》题库
154、判断题 无换向器电动机又称为自控变频同步电动机。
点击查看答案
本题答案:微信扫下方二维码即可打包下载完整带答案解析版《★维修电工考试》或《维修电工考试:维修电工考试》题库
155、判断题 我国新修订的GB/T19000系列国家标准完全等同于国际1994年版的ISO9000族标准。
点击查看答案
本题答案:微信扫下方二维码即可打包下载完整带答案解析版《★维修电工考试》或《维修电工考试:维修电工考试》题库
156、问答题 论述集中控制与分散控制。
点击查看答案
本题答案:微信扫下方二维码即可打包下载完整带答案解析版《★维修电工考试》或《维修电工考试:维修电工考试》题库
157、判断题 热电阻是将两种不同成分的金属导体导体连接在一起的感温元件,当两种导体的两个连接点间存在温差,回路中就会产生热电动势,接入仪表,既可测量被测介质的温度变化值。
点击查看答案
本题答案:微信扫下方二维码即可打包下载完整带答案解析版《★维修电工考试》或《维修电工考试:维修电工考试》题库
158、判断题 D触发器具有锁存数据的功能。
点击查看答案
本题答案:微信扫下方二维码即可打包下载完整带答案解析版《★维修电工考试》或《维修电工考试:维修电工考试》题库
159、问答题 数控机床日常电气维修项目包含以下内容?
点击查看答案
本题答案:微信扫下方二维码即可打包下载完整带答案解析版《★维修电工考试》或《维修电工考试:维修电工考试》题库
160、问答题 简述电力变压器的常见故障及其危害。
点击查看答案
本题答案:微信扫下方二维码即可打包下载完整带答案解析版《★维修电工考试》或《维修电工考试:维修电工考试》题库
161、问答题 电压型变频调速系统给定计分器的作用是什么?
点击查看答案
本题答案:微信扫下方二维码即可打包下载完整带答案解析版《★维修电工考试》或《维修电工考试:维修电工考试》题库
162、填空题 三装置罗茨风机电机补充加油的润滑脂型号为()。
点击查看答案
本题答案:微信扫下方二维码即可打包下载完整带答案解析版《★维修电工考试》或《维修电工考试:维修电工考试》题库
163、问答题 简述高频感应加热设备的安全措施。
点击查看答案
本题答案:微信扫下方二维码即可打包下载完整带答案解析版《★维修电工考试》或《维修电工考试:维修电工考试》题库
164、判断题 差动放大电路工作在线性区时,只要信号从单端输入,则电压放大倍数一定是从双端输出时放大倍数的一半,与输入端是单端输入还是双端输入无关。
点击查看答案
本题答案:微信扫下方二维码即可打包下载完整带答案解析版《★维修电工考试》或《维修电工考试:维修电工考试》题库
165、填空题 绝缘油有()、()和()等三大类。
点击查看答案
本题答案:微信扫下方二维码即可打包下载完整带答案解析版《★维修电工考试》或《维修电工考试:维修电工考试》题库
166、问答题 变极调速异步电动机改变磁极对数的方法有哪几种?它们的共同点是什么?
点击查看答案
本题答案:微信扫下方二维码即可打包下载完整带答案解析版《★维修电工考试》或《维修电工考试:维修电工考试》题库
167、问答题 分析射极跟随器的反馈过程。
点击查看答案
本题答案:微信扫下方二维码即可打包下载完整带答案解析版《★维修电工考试》或《维修电工考试:维修电工考试》题库
168、填空题 现在数字式万用表一般都采用()显示器。
点击查看答案
本题答案:微信扫下方二维码即可打包下载完整带答案解析版《★维修电工考试》或《维修电工考试:维修电工考试》题库
169、填空题 晶体管斩波器是应用于直流电源方面的调压装置,但输出电压只能()调。
点击查看答案
本题答案:微信扫下方二维码即可打包下载完整带答案解析版《★维修电工考试》或《维修电工考试:维修电工考试》题库
170、问答题 论述支流双臂电桥是如何从结构上保证了接线电阻和接触电阻不影响测量。
点击查看答案
本题答案:微信扫下方二维码即可打包下载完整带答案解析版《★维修电工考试》或《维修电工考试:维修电工考试》题库
171、判断题 串级调速可以将串入附加电动势而增加的转差功率,回馈到电网或者电动机轴上,因此它属于转差功率回馈型调速方法
点击查看答案
本题答案:微信扫下方二维码即可打包下载完整带答案解析版《★维修电工考试》或《维修电工考试:维修电工考试》题库
172、判断题 利用JT-1型晶体管特型图示仪,不但可以测试晶体管,还可以测量电容的电容量、电感的电感量。
点击查看答案
本题答案:微信扫下方二维码即可打包下载完整带答案解析版《★维修电工考试》或《维修电工考试:维修电工考试》题库
173、填空题 进行大修的设备,在管内重新穿线时,()导线有接头。
点击查看答案
本题答案:微信扫下方二维码即可打包下载完整带答案解析版《★维修电工考试》或《维修电工考试:维修电工考试》题库
174、判断题 自动重合闸装置值适用于电缆电路,而不适用于架空线路。
点击查看答案
本题答案:微信扫下方二维码即可打包下载完整带答案解析版《★维修电工考试》或《维修电工考试:维修电工考试》题库
175、单项选择题 MRPⅡ系统中的微观核心部分是()
A、主生产计划MPS
B、物料需求计划MRP
C、生产进度计划OS
D、能力需求计划CRP
点击查看答案
本题答案:微信扫下方二维码即可打包下载完整带答案解析版《★维修电工考试》或《维修电工考试:维修电工考试》题库
176、判断题 若交流测速发电机的转向改变,则其输出电压的相位将发生180度的变化
点击查看答案
本题答案:微信扫下方二维码即可打包下载完整带答案解析版《★维修电工考试》或《维修电工考试:维修电工考试》题库
177、单项选择题 逻辑无环流可逆系统,在无环流逻辑控制装置DLC中没有“1”连锁保护电路的目的是使正反组晶闸管()
A、同时工作;
B、不同时工作;
C、具有相同的触发延迟角
点击查看答案
本题答案:微信扫下方二维码即可打包下载完整带答案解析版《★维修电工考试》或《维修电工考试:维修电工考试》题库
178、判断题 高压同步电动机安装工作的关键工序之一是保证两联轴器的轴线重合,即两联轴器护相联接的端面要平行而且同心,这项调整工作称为定心。
点击查看答案
本题答案:微信扫下方二维码即可打包下载完整带答案解析版《★维修电工考试》或《维修电工考试:维修电工考试》题库
179、问答题 叙述速度、电流双闭环调速系统的调试要点?
点击查看答案
本题答案:微信扫下方二维码即可打包下载完整带答案解析版《★维修电工考试》或《维修电工考试:维修电工考试》题库
180、单项选择题 为了维护工作人员及设备安全,电流互感器在运行中,严禁其二次侧()
A、开路
B、短路
C、接地
点击查看答案
本题答案:微信扫下方二维码即可打包下载完整带答案解析版《★维修电工考试》或《维修电工考试:维修电工考试》题库
181、问答题 论述有源逆变的条件。
点击查看答案
本题答案:微信扫下方二维码即可打包下载完整带答案解析版《★维修电工考试》或《维修电工考试:维修电工考试》题库
182、单项选择题 大型矿井供电系统一般采用()供电方式。
A、一级
B、二级
C、三级
D、四级
点击查看答案
本题答案:微信扫下方二维码即可打包下载完整带答案解析版《★维修电工考试》或《维修电工考试:维修电工考试》题库
183、单项选择题 加强协作是()职业道德规范的基本要求
A、遵纪守法
B、办事公道
C、勤劳节俭
D、团结互助
点击查看答案
本题答案:微信扫下方二维码即可打包下载完整带答案解析版《★维修电工考试》或《维修电工考试:维修电工考试》题库
184、判断题 用于防止过载的溢流阀又称安全阀,其阀口始终是开启的。
点击查看答案
本题答案:微信扫下方二维码即可打包下载完整带答案解析版《★维修电工考试》或《维修电工考试:维修电工考试》题库
185、判断题 因裸导线散热条件好,故在选择导线截面时,不必考虑导线的温度。
点击查看答案
本题答案:微信扫下方二维码即可打包下载完整带答案解析版《★维修电工考试》或《维修电工考试:维修电工考试》题库
186、判断题 接零保护可以避免触及外壳的人体承受电压。
点击查看答案
本题答案:微信扫下方二维码即可打包下载完整带答案解析版《★维修电工考试》或《维修电工考试:维修电工考试》题库
187、判断题 高压系统应选用粘度较高的液压油,而中低压系统则应选用粘度较低的液压油。
点击查看答案
本题答案:微信扫下方二维码即可打包下载完整带答案解析版《★维修电工考试》或《维修电工考试:维修电工考试》题库
188、判断题 电容元件储存磁场能,电感元件储存电场能。
点击查看答案
本题答案:微信扫下方二维码即可打包下载完整带答案解析版《★维修电工考试》或《维修电工考试:维修电工考试》题库
189、单项选择题 对于要求大范围无级调速来说,改变()的方式为最好。
A、电枢电压U
B、励磁磁通Φ
C、电枢回路电阻R
点击查看答案
本题答案:微信扫下方二维码即可打包下载完整带答案解析版《★维修电工考试》或《维修电工考试:维修电工考试》题库
190、问答题 数控系统的自诊断功能及报警处理方法?
点击查看答案
本题答案:微信扫下方二维码即可打包下载完整带答案解析版《★维修电工考试》或《维修电工考试:维修电工考试》题库
191、判断题 当负载功率较大,供电线路较长且起动转矩和过载能力要求较高的场合,宜选用低压大功率电动机。
点击查看答案
本题答案:微信扫下方二维码即可打包下载完整带答案解析版《★维修电工考试》或《维修电工考试:维修电工考试》题库
192、判断题 磁路欧姆定律适用于只有一种媒介质的磁路。
点击查看答案
本题答案:微信扫下方二维码即可打包下载完整带答案解析版《★维修电工考试》或《维修电工考试:维修电工考试》题库
193、判断题 开关电器常利用变压器油为灭弧介质,是因为:当触头间电弧产生于油中时,油被电弧热量分解成以氧气为主的气体,该气体能将电弧吹灭,故变压器油为优良的灭弧介质。
点击查看答案
本题答案:微信扫下方二维码即可打包下载完整带答案解析版《★维修电工考试》或《维修电工考试:维修电工考试》题库
194、问答题 直流力矩电动机在使用维护中应特别注意什么问题?
点击查看答案
本题答案:微信扫下方二维码即可打包下载完整带答案解析版《★维修电工考试》或《维修电工考试:维修电工考试》题库
195、判断题 F1系列PC中,计数器均有掉电保持功能,且都是加法计数器
点击查看答案
本题答案:微信扫下方二维码即可打包下载完整带答案解析版《★维修电工考试》或《维修电工考试:维修电工考试》题库
196、问答题 论述有差调节与无差调节的不同之处。
点击查看答案
本题答案:微信扫下方二维码即可打包下载完整带答案解析版《★维修电工考试》或《维修电工考试:维修电工考试》题库
197、问答题 什么叫直流电动机的机械特性?什么叫串励直流电动机的人工机械特性曲线?
点击查看答案
本题答案:微信扫下方二维码即可打包下载完整带答案解析版《★维修电工考试》或《维修电工考试:维修电工考试》题库
198、问答题 晶闸管直流供电的电流电动机,电流断续时,其机械特性有什么特点?
点击查看答案
本题答案:微信扫下方二维码即可打包下载完整带答案解析版《★维修电工考试》或《维修电工考试:维修电工考试》题库
199、单项选择题 将一台380/36V和一台220/36V同容量的变压器按图3方法联接后,()。
A、变压器将被烧坏
B、输出功率应小于两变压器容量之和
C、只要380/36V变压器一次电流小于额定值就可运行
D、将380/36V变压器二次绕组*端反接就可运行
点击查看答案
本题答案:微信扫下方二维码即可打包下载完整带答案解析版《★维修电工考试》或《维修电工考试:维修电工考试》题库
200、判断题 中央信号装置包括事故信号装置和预告信号装置两种。
点击查看答案
本题答案:微信扫下方二维码即可打包下载完整带答案解析版《★维修电工考试》或《维修电工考试:维修电工考试》题库
201、判断题 单极型器件是仅依靠单一的多数载流子导电的半导体器件。
点击查看答案
本题答案:微信扫下方二维码即可打包下载完整带答案解析版《★维修电工考试》或《维修电工考试:维修电工考试》题库
202、问答题
变频调速时,为什么常采用恒压频比(即保持U1/f1为常数)的控制方式?
点击查看答案
本题答案:微信扫下方二维码即可打包下载完整带答案解析版《★维修电工考试》或《维修电工考试:维修电工考试》题库
203、问答题 可编程序控制器中软继电器有哪些特点?
点击查看答案
本题答案:微信扫下方二维码即可打包下载完整带答案解析版《★维修电工考试》或《维修电工考试:维修电工考试》题库
204、判断题 每对磁极下定子绕组的电流方向相同。
点击查看答案
本题答案:微信扫下方二维码即可打包下载完整带答案解析版《★维修电工考试》或《维修电工考试:维修电工考试》题库
205、判断题 集成运算放大器的输入级一般采用差动放大电路,其目的是要获得更高的电压放大倍数。
点击查看答案
本题答案:微信扫下方二维码即可打包下载完整带答案解析版《★维修电工考试》或《维修电工考试:维修电工考试》题库
206、判断题 绕线式异步电动机的制动分为机械制动和电力制动。
点击查看答案
本题答案:微信扫下方二维码即可打包下载完整带答案解析版《★维修电工考试》或《维修电工考试:维修电工考试》题库
207、单项选择题 压力计必须()安装,且接人管道前应通过阻尼小孔,以防压力突变而损坏压力计。
A.直立
B.垂直
C.水平
D.与水平夹角大于30
点击查看答案
本题答案:微信扫下方二维码即可打包下载完整带答案解析版《★维修电工考试》或《维修电工考试:维修电工考试》题库
208、单项选择题 为了保证拖动系统顺利起动,直流电动机起动时,一般都要通过电阻或降电压等方法把起动电流控制在()额定电流范围内。
A、<2倍
B、≤1.1一1.2倍
C、≥1.1一1.2倍
D、≤2一2.5倍
点击查看答案
本题答案:微信扫下方二维码即可打包下载完整带答案解析版《★维修电工考试》或《维修电工考试:维修电工考试》题库
209、判断题 无论是直流发电机还是直流电动机,其换向极绕组和补偿绕组都应与电枢绕组串联
点击查看答案
本题答案:微信扫下方二维码即可打包下载完整带答案解析版《★维修电工考试》或《维修电工考试:维修电工考试》题库
210、判断题 交流接触器线圈一般做志薄而长的圆筒状,且不设骨架。
点击查看答案
本题答案:微信扫下方二维码即可打包下载完整带答案解析版《★维修电工考试》或《维修电工考试:维修电工考试》题库
211、判断题 JTT不是以批量规模来降低成本,而是力图通过"彻底排除浪费"来达到这一目标。
点击查看答案
本题答案:微信扫下方二维码即可打包下载完整带答案解析版《★维修电工考试》或《维修电工考试:维修电工考试》题库
212、判断题 电焊变压器是一特殊的降压变压器。
点击查看答案
本题答案:微信扫下方二维码即可打包下载完整带答案解析版《★维修电工考试》或《维修电工考试:维修电工考试》题库
213、判断题 斩波器中的绝缘栅双极晶体管工作在开关状态。
点击查看答案
本题答案:微信扫下方二维码即可打包下载完整带答案解析版《★维修电工考试》或《维修电工考试:维修电工考试》题库
214、问答题 简述中频发电机组感应加热装置的安装注意事项。
点击查看答案
本题答案:微信扫下方二维码即可打包下载完整带答案解析版《★维修电工考试》或《维修电工考试:维修电工考试》题库
215、判断题 差动放大电路在理想对称的情况下,可以完全消除零点漂移现象。
点击查看答案
本题答案:微信扫下方二维码即可打包下载完整带答案解析版《★维修电工考试》或《维修电工考试:维修电工考试》题库
216、单项选择题 若将一个频率为10kHz的矩形波,变换成一个lkHz的矩形波,应采用()电路。
A、二进制计数器
B、译码器
C、十进制计数器
点击查看答案
本题答案:微信扫下方二维码即可打包下载完整带答案解析版《★维修电工考试》或《维修电工考试:维修电工考试》题库
217、判断题 三极管放大的实质是将低电压放大成高电压。
点击查看答案
本题答案:微信扫下方二维码即可打包下载完整带答案解析版《★维修电工考试》或《维修电工考试:维修电工考试》题库
218、问答题 PLC具有很高的可靠性和抗干扰能力的原因?
点击查看答案
本题答案:微信扫下方二维码即可打包下载完整带答案解析版《★维修电工考试》或《维修电工考试:维修电工考试》题库
219、问答题 输电线路的防雷保护主要应从哪几个方面进行?
点击查看答案
本题答案:微信扫下方二维码即可打包下载完整带答案解析版《★维修电工考试》或《维修电工考试:维修电工考试》题库
220、问答题 三相交流电的三要素?
点击查看答案
本题答案:微信扫下方二维码即可打包下载完整带答案解析版《★维修电工考试》或《维修电工考试:维修电工考试》题库
221、单项选择题 检漏继电器绝缘下降到()时必须查找原因。
A、30千欧
B、30兆欧
C、30欧姆
D、20千欧
点击查看答案
本题答案:微信扫下方二维码即可打包下载完整带答案解析版《★维修电工考试》或《维修电工考试:维修电工考试》题库
222、判断题 在电力设备预防性试验中,耐压试验是一种破坏性试验,所以一般是在非破坏性值前进行的。
点击查看答案
本题答案:微信扫下方二维码即可打包下载完整带答案解析版《★维修电工考试》或《维修电工考试:维修电工考试》题库
223、判断题 交流电动机定子铁心采用硅钢片叠压而成是为了减小铁耗。
点击查看答案
本题答案:微信扫下方二维码即可打包下载完整带答案解析版《★维修电工考试》或《维修电工考试:维修电工考试》题库
224、判断题 开关电器中的灭弧罩,是采用绝缘栅片组成的灭弧栅,即是利用长弧切短灭弧法原理。
点击查看答案
本题答案:微信扫下方二维码即可打包下载完整带答案解析版《★维修电工考试》或《维修电工考试:维修电工考试》题库
225、单项选择题 在RL串联电路中,已知电源电压为U,若R=XL,则电路中的无功功率为()
A、U2/XL
B、U2/(2XL)
C、U2(2XL)
点击查看答案
本题答案:微信扫下方二维码即可打包下载完整带答案解析版《★维修电工考试》或《维修电工考试:维修电工考试》题库
226、判断题 对无变速要求,但负载较大(110kw以上)的生产机械,一选用低压笼型电动机。
点击查看答案
本题答案:微信扫下方二维码即可打包下载完整带答案解析版《★维修电工考试》或《维修电工考试:维修电工考试》题库
227、问答题 磁路基尔霍夫定律的含义是什么?
点击查看答案
本题答案:微信扫下方二维码即可打包下载完整带答案解析版《★维修电工考试》或《维修电工考试:维修电工考试》题库
228、判断题 同步电动机在欠励磁情况下运行,其功率因数角超前,能改善电网的功率因数。
点击查看答案
本题答案:微信扫下方二维码即可打包下载完整带答案解析版《★维修电工考试》或《维修电工考试:维修电工考试》题库
229、填空题 电容量能在比较大范围内随意调整的电容器叫()电容器。
点击查看答案
本题答案:微信扫下方二维码即可打包下载完整带答案解析版《★维修电工考试》或《维修电工考试:维修电工考试》题库
230、判断题 双闭环调速系统起动过程中,电流调节器始终处于调节状态,而转速调节器在起动过程的初、后期处于调节状态,中期处于饱和状态
点击查看答案
本题答案:微信扫下方二维码即可打包下载完整带答案解析版《★维修电工考试》或《维修电工考试:维修电工考试》题库
231、问答题 放大电路中由于静态工作点设置不当会对放大器的工作带来什么影响?
点击查看答案
本题答案:微信扫下方二维码即可打包下载完整带答案解析版《★维修电工考试》或《维修电工考试:维修电工考试》题库
232、判断题 干式电力变压器一般不考虑正常过负荷。
点击查看答案
本题答案:微信扫下方二维码即可打包下载完整带答案解析版《★维修电工考试》或《维修电工考试:维修电工考试》题库
233、问答题 熔断器主要由哪几部分组成?安秒特性表示什么?主要作用是什么?
点击查看答案
本题答案:微信扫下方二维码即可打包下载完整带答案解析版《★维修电工考试》或《维修电工考试:维修电工考试》题库
234、问答题 直流耐压试验操作中应注意什么?
点击查看答案
本题答案:微信扫下方二维码即可打包下载完整带答案解析版《★维修电工考试》或《维修电工考试:维修电工考试》题库
235、问答题 自整角机的工作原理是什么?
点击查看答案
本题答案:微信扫下方二维码即可打包下载完整带答案解析版《★维修电工考试》或《维修电工考试:维修电工考试》题库
236、单项选择题 为了使三相异步电动机的起动转矩增大,可采用的方法是()。
A.增大定子相电压;
B.增大漏电抗;
C.适当地增大转子回路电阻值;
D.增大定子相电阻。
点击查看答案
本题答案:微信扫下方二维码即可打包下载完整带答案解析版《★维修电工考试》或《维修电工考试:维修电工考试》题库
237、判断题 与液晶数码显示器相比,LED数码显示器具有亮度高且耗电量低的优点。
点击查看答案
本题答案:微信扫下方二维码即可打包下载完整带答案解析版《★维修电工考试》或《维修电工考试:维修电工考试》题库
238、单项选择题 对于功率较大的负载,国矩式自整角机不能达到要求时,可采用控制式自整角机,将自整角机接成()状态。
A.△形成
B.Y形
C.变压器
D.电动机
点击查看答案
本题答案:微信扫下方二维码即可打包下载完整带答案解析版《★维修电工考试》或《维修电工考试:维修电工考试》题库
239、判断题 感应同步器中,在定尺上是分段绕组,而在滑尺上则是连续绕组
点击查看答案
本题答案:微信扫下方二维码即可打包下载完整带答案解析版《★维修电工考试》或《维修电工考试:维修电工考试》题库
240、判断题 数控机床在进行曲线加工时,ΔLi直线斜率不断变化,而且两个速度分量比ΔVYi/ΔVXi也不断变化。
点击查看答案
本题答案:微信扫下方二维码即可打包下载完整带答案解析版《★维修电工考试》或《维修电工考试:维修电工考试》题库
241、问答题 在三相四线制供电系统中,只要有了中性线就能保证各负载相电压对称吗?为什么?
点击查看答案
本题答案:微信扫下方二维码即可打包下载完整带答案解析版《★维修电工考试》或《维修电工考试:维修电工考试》题库
242、问答题 什么是过零触发?主要缺点是什么?
点击查看答案
本题答案:微信扫下方二维码即可打包下载完整带答案解析版《★维修电工考试》或《维修电工考试:维修电工考试》题库
243、问答题 电子设备中一般都采用什么方式来防止干扰?
点击查看答案
本题答案:微信扫下方二维码即可打包下载完整带答案解析版《★维修电工考试》或《维修电工考试:维修电工考试》题库
244、单项选择题 以下工件表面严禁冲眼的是()
A.粗糙表面
B.光滑表面
C.精加工表面
D.薄工件表面
点击查看答案
本题答案:微信扫下方二维码即可打包下载完整带答案解析版《★维修电工考试》或《维修电工考试:维修电工考试》题库
245、判断题 互连图是表示单元之间的连接情况的,通常不包括单元内部的连接关系。
点击查看答案
本题答案:微信扫下方二维码即可打包下载完整带答案解析版《★维修电工考试》或《维修电工考试:维修电工考试》题库
246、问答题 什么叫逆阻型斩波器?什么叫逆导型斩波器?
点击查看答案
本题答案:微信扫下方二维码即可打包下载完整带答案解析版《★维修电工考试》或《维修电工考试:维修电工考试》题库
247、判断题 分析功率放大器时通常采用图解法,而不能采用微变等效电路。
点击查看答案
本题答案:微信扫下方二维码即可打包下载完整带答案解析版《★维修电工考试》或《维修电工考试:维修电工考试》题库
248、判断题 晶闸管整流电路中过电流的保护装置是快速熔断器,它是专供保护半导体元件使用的。
点击查看答案
本题答案:微信扫下方二维码即可打包下载完整带答案解析版《★维修电工考试》或《维修电工考试:维修电工考试》题库
249、判断题 其连锁作用和自锁作用的触头为控制电器的常闭触头。
点击查看答案
本题答案:微信扫下方二维码即可打包下载完整带答案解析版《★维修电工考试》或《维修电工考试:维修电工考试》题库
250、判断题 电压放大器主要放大的是信号的电压,而功率放大器主要放大的是信号的功率。
点击查看答案
本题答案:微信扫下方二维码即可打包下载完整带答案解析版《★维修电工考试》或《维修电工考试:维修电工考试》题库
251、问答题 什么是电力晶体管(GTR)?它有何特点?
点击查看答案
本题答案:微信扫下方二维码即可打包下载完整带答案解析版《★维修电工考试》或《维修电工考试:维修电工考试》题库
252、判断题 在硅稳压管稳压电路中,稳压管必须与负载串联。
点击查看答案
本题答案:微信扫下方二维码即可打包下载完整带答案解析版《★维修电工考试》或《维修电工考试:维修电工考试》题库
253、单项选择题 ()不属于PLC的输出方式。
A.继电器输出
B.普通晶闸管
C.双向晶闸管
D.晶体管
点击查看答案
本题答案:微信扫下方二维码即可打包下载完整带答案解析版《★维修电工考试》或《维修电工考试:维修电工考试》题库
254、问答题 运算放大器组成反相比例放大电路时,属于何种负反馈组态?这种反馈组态对电路性能有何影响?
点击查看答案
本题答案:微信扫下方二维码即可打包下载完整带答案解析版《★维修电工考试》或《维修电工考试:维修电工考试》题库
255、问答题 三相全控桥式整流电路带大电感负载时,同一组触发脉冲差是多少度?同一相触发脉冲差多少度?每隔多少度换相,每个晶闸管导通角为多少?
点击查看答案
本题答案:微信扫下方二维码即可打包下载完整带答案解析版《★维修电工考试》或《维修电工考试:维修电工考试》题库
256、问答题 简述脉宽调制技术的工作原理
点击查看答案
本题答案:微信扫下方二维码即可打包下载完整带答案解析版《★维修电工考试》或《维修电工考试:维修电工考试》题库
257、单项选择题 防爆磁力开关各部位防爆面间隙要求是圆形大盖不大于()mm。
A、0.02
B、0.05
C、0.2
D、0.5
点击查看答案
本题答案:微信扫下方二维码即可打包下载完整带答案解析版《★维修电工考试》或《维修电工考试:维修电工考试》题库
258、问答题 什么叫逆变颠覆?逆变期覆的原因有哪些?
点击查看答案
本题答案:微信扫下方二维码即可打包下载完整带答案解析版《★维修电工考试》或《维修电工考试:维修电工考试》题库
259、问答题 直流测速发电机的输出的特性上为什么有不灵敏区Δn?
点击查看答案
本题答案:微信扫下方二维码即可打包下载完整带答案解析版《★维修电工考试》或《维修电工考试:维修电工考试》题库
260、问答题 铜、铝导线联接注意什么?
点击查看答案
本题答案:微信扫下方二维码即可打包下载完整带答案解析版《★维修电工考试》或《维修电工考试:维修电工考试》题库
261、单项选择题
有一组正弦交流电压,其瞬值表达式如下:
μ1=Umsin(314t+20°)V;μ2=Umsin(314t-160°)V;
μ3=Umsin(314t-70°)V;μ4=Umsin(314t-20°)V;
其中相位相同的是题()
A、μ1和μ3
B、μ3和μ4
C、μ1和μ4
点击查看答案
本题答案:微信扫下方二维码即可打包下载完整带答案解析版《★维修电工考试》或《维修电工考试:维修电工考试》题库
262、问答题 直流电动机的调速方法有几种,各有何特点?
点击查看答案
本题答案:微信扫下方二维码即可打包下载完整带答案解析版《★维修电工考试》或《维修电工考试:维修电工考试》题库
263、判断题 阻抗电压是变压器在额定电流时,阻抗降的大小。
点击查看答案
本题答案:微信扫下方二维码即可打包下载完整带答案解析版《★维修电工考试》或《维修电工考试:维修电工考试》题库
264、单项选择题 屏蔽是控制电磁能量传播的饿手段。当场源位于屏蔽体之外用来防止外部场源对内的影响的屏蔽称之为()。
A.主动场屏蔽
B.被动场屏蔽
C.磁屏蔽
D.防护
点击查看答案
本题答案:微信扫下方二维码即可打包下载完整带答案解析版《★维修电工考试》或《维修电工考试:维修电工考试》题库
265、判断题 中频电源中大多采用晶闸管串联逆变器。
点击查看答案
本题答案:微信扫下方二维码即可打包下载完整带答案解析版《★维修电工考试》或《维修电工考试:维修电工考试》题库
266、单项选择题 PLC内部有许多辅助继电器,其作用相当于继电接触控制系统中的()
A.接触器
B.中间继电器
C.时间继电器
D.热继电器
点击查看答案
本题答案:微信扫下方二维码即可打包下载完整带答案解析版《★维修电工考试》或《维修电工考试:维修电工考试》题库
267、判断题 可编程控制器(PC)是由输入部分、逻辑部分和输出部分组成
点击查看答案
本题答案:微信扫下方二维码即可打包下载完整带答案解析版《★维修电工考试》或《维修电工考试:维修电工考试》题库
268、判断题 电力系统中发电机在正常运行时,若受到某种较小的干扰而毫无相应,责称之为电力系统的静态稳定。
点击查看答案
本题答案:微信扫下方二维码即可打包下载完整带答案解析版《★维修电工考试》或《维修电工考试:维修电工考试》题库
269、单项选择题 在下列滤波电路中,外特性硬的是()
A、电感滤波
B、电容滤波
C、RC-π型滤波
点击查看答案
本题答案:微信扫下方二维码即可打包下载完整带答案解析版《★维修电工考试》或《维修电工考试:维修电工考试》题库
270、问答题 启动他励直流电动机时,电枢和励磁两个绕组是同时给电,还是先给一个,再给另一个?
点击查看答案
本题答案:微信扫下方二维码即可打包下载完整带答案解析版《★维修电工考试》或《维修电工考试:维修电工考试》题库
271、判断题 电焊变压器必须具有较大的漏抗。
点击查看答案
本题答案:微信扫下方二维码即可打包下载完整带答案解析版《★维修电工考试》或《维修电工考试:维修电工考试》题库
272、问答题 晶闸管可控整流电路的触发电路必须具备哪几个基本环节?有哪些基本要求?
点击查看答案
本题答案:微信扫下方二维码即可打包下载完整带答案解析版《★维修电工考试》或《维修电工考试:维修电工考试》题库
273、判断题 单相半桥逆变器(电压型)的输出电压为正弦波。
点击查看答案
本题答案:微信扫下方二维码即可打包下载完整带答案解析版《★维修电工考试》或《维修电工考试:维修电工考试》题库
274、问答题 电动机过载时,会造成什么现象?
点击查看答案
本题答案:微信扫下方二维码即可打包下载完整带答案解析版《★维修电工考试》或《维修电工考试:维修电工考试》题库
275、判断题 X2012型龙门铣床工作进给和快速移动的调速系统是晶闸管-直流电动机无即调速传动系统。器调速反为50:1,静差度小于15%。
点击查看答案
本题答案:微信扫下方二维码即可打包下载完整带答案解析版《★维修电工考试》或《维修电工考试:维修电工考试》题库
276、单项选择题 油浸式电力变压器在实际运行中,上层油温一般不宜经常超过()
A、85℃
B、95℃
C、105℃
点击查看答案
本题答案:微信扫下方二维码即可打包下载完整带答案解析版《★维修电工考试》或《维修电工考试:维修电工考试》题库
277、多项选择题 在运算放大电路中,输出与输入非线性的是()运算放大器。
A、乘法;
B、对数;
C、比例;
E、加法
点击查看答案
本题答案:微信扫下方二维码即可打包下载完整带答案解析版《★维修电工考试》或《维修电工考试:维修电工考试》题库
278、判断题 步进电动机的环形脉冲分配既可以采用硬件脉冲分配方式,也可以采用软件脉冲分配方式.
点击查看答案
本题答案:微信扫下方二维码即可打包下载完整带答案解析版《★维修电工考试》或《维修电工考试:维修电工考试》题库
279、单项选择题 三相半波可控整流电路带阻性负载时,当触发延迟角大于()时,输出电流开始断续。
A、30°
B、60°
C、90°
点击查看答案
本题答案:微信扫下方二维码即可打包下载完整带答案解析版《★维修电工考试》或《维修电工考试:维修电工考试》题库
280、判断题 额定转速是指电动机满载时的同步转速。
点击查看答案
本题答案:微信扫下方二维码即可打包下载完整带答案解析版《★维修电工考试》或《维修电工考试:维修电工考试》题库
281、问答题 同步电动机为什么不能自行启动?
点击查看答案
本题答案:微信扫下方二维码即可打包下载完整带答案解析版《★维修电工考试》或《维修电工考试:维修电工考试》题库
282、判断题 凡是刷握结构尺寸相同、滑动接触传导电流的场所,可选用同一材质、规格的电刷。
点击查看答案
本题答案:微信扫下方二维码即可打包下载完整带答案解析版《★维修电工考试》或《维修电工考试:维修电工考试》题库
283、判断题 串联反馈式稳压电路中,可以不设置基准电压电路。
点击查看答案
本题答案:微信扫下方二维码即可打包下载完整带答案解析版《★维修电工考试》或《维修电工考试:维修电工考试》题库
284、判断题 将程序写入可编程序控制器时,首先应将存储器清零,然后按操作说明写入程序,结束时用结束指令
点击查看答案
本题答案:微信扫下方二维码即可打包下载完整带答案解析版《★维修电工考试》或《维修电工考试:维修电工考试》题库
285、问答题 为什么三相导线不能用三根铁管分开穿线?
点击查看答案
本题答案:微信扫下方二维码即可打包下载完整带答案解析版《★维修电工考试》或《维修电工考试:维修电工考试》题库
286、判断题 对于负载率经常在40%以下的异步电动机,将其定子绕组原为三角形联接该为星形联接,以降低每相绕组电压,这是一个提高功率因数,降低损耗的有效措施。
点击查看答案
本题答案:微信扫下方二维码即可打包下载完整带答案解析版《★维修电工考试》或《维修电工考试:维修电工考试》题库
287、判断题 铝基润滑脂及复合铝基润滑抗水性最优良。
点击查看答案
本题答案:微信扫下方二维码即可打包下载完整带答案解析版《★维修电工考试》或《维修电工考试:维修电工考试》题库
288、判断题 电桥法是测量电缆故障的常用方法,只有操作正确,就可精确寻找到故障点。
点击查看答案
本题答案:微信扫下方二维码即可打包下载完整带答案解析版《★维修电工考试》或《维修电工考试:维修电工考试》题库
289、判断题 射极输出器,输出信号与输入信号相位相反。
点击查看答案
本题答案:微信扫下方二维码即可打包下载完整带答案解析版《★维修电工考试》或《维修电工考试:维修电工考试》题库
290、判断题 合理选择划线基准,是提高划线质量和效率的关键。
点击查看答案
本题答案:微信扫下方二维码即可打包下载完整带答案解析版《★维修电工考试》或《维修电工考试:维修电工考试》题库
291、问答题 三相异步电动机定子绕组接成△,如其中有一绕组中间断线,接通三相相电后是否能旋转?
点击查看答案
本题答案:微信扫下方二维码即可打包下载完整带答案解析版《★维修电工考试》或《维修电工考试:维修电工考试》题库
292、判断题 柜内、屏内的二次配线可以使用铝芯绝缘导线。
点击查看答案
本题答案:微信扫下方二维码即可打包下载完整带答案解析版《★维修电工考试》或《维修电工考试:维修电工考试》题库
293、判断题 由于双闭环调速系统的堵转电流与转折电流相差很小,因此系统具有比较理想的"挖土机特型"
点击查看答案
本题答案:微信扫下方二维码即可打包下载完整带答案解析版《★维修电工考试》或《维修电工考试:维修电工考试》题库
294、问答题 液压系统排除电气故障的基本步骤。
点击查看答案
本题答案:微信扫下方二维码即可打包下载完整带答案解析版《★维修电工考试》或《维修电工考试:维修电工考试》题库
295、判断题 直流电动机在额定负载下运行时,其火花等级不应该超过2级
点击查看答案
本题答案:微信扫下方二维码即可打包下载完整带答案解析版《★维修电工考试》或《维修电工考试:维修电工考试》题库
296、单项选择题 最常用的接近开关是()开关。
A、光电型
B、高频振荡型
C、电磁感应型
D、超声波型
点击查看答案
本题答案:微信扫下方二维码即可打包下载完整带答案解析版《★维修电工考试》或《维修电工考试:维修电工考试》题库
297、判断题 使用兆欧表前不必切断被测设备的电源。
点击查看答案
本题答案:微信扫下方二维码即可打包下载完整带答案解析版《★维修电工考试》或《维修电工考试:维修电工考试》题库
298、判断题 型号LG-70,表示标称截面为70mm2的钢芯铝绞线,其标准截面70,系指导电铝芯实际截面的近似值。
点击查看答案
本题答案:微信扫下方二维码即可打包下载完整带答案解析版《★维修电工考试》或《维修电工考试:维修电工考试》题库
299、判断题 迅速拉长电弧,可使弧隙的电场强度骤降,离子负荷迅速增强,从而加速电弧的熄灭。这种灭弧方法是开关设备中普遍采用的最基本的一种灭弧法。
点击查看答案
本题答案:微信扫下方二维码即可打包下载完整带答案解析版《★维修电工考试》或《维修电工考试:维修电工考试》题库
300、单项选择题 直流电机电枢绕组都是由许多元件通过换向片串联起来而构成的()。
A、单层闭合绕组
B、双层闭合绕组
C、三层以上闭合绕组
点击查看答案
本题答案:微信扫下方二维码即可打包下载完整带答案解析版《★维修电工考试》或《维修电工考试:维修电工考试》题库
题库试看结束后
微信扫下方二维码即可打包下载完整版《★维修电工考试》题库
手机用户可保存上方二维码到手机中,在微信扫一扫中右上角选择“从相册选取二维码”即可。
题库试看结束后微信扫下方二维码即可打包下载完整版《维修电工考试:维修电工考试》题库,分栏、分答案解析排版、小字体方便打印背记!经广大会员朋友实战检验,此方法考试通过率大大提高!绝对是您考试过关的不二利器!
手机用户可保存上方二维码到手机中,在微信扫一扫中右上角选择“从相册选取二维码”即可。
微信搜索关注"91考试网"公众号,领30元,获取公务员事业编教师考试资料40G