时间:2024-10-02 11:34:24


1、单项选择题 钻机立轴升至最高时其上口为1.2m,取样用钻杆总长为21.0m,取土器全长1.0m,下至孔底后机上残尺1.10m。钻孔用套管护壁,套管总长18.5m,另有管靴与孔口护箍各高0.15m,套管口露出地面0.5m。试问:取样位置至套管口的距离(mm)最接近下列()项。()
	A.0.9
	B.1.4
	C.1.9
	D.2.4
2、单项选择题 某黏性土样含水量为28,液限为33,塑限为17,该土样的状态为()。
	A.坚硬
	B.硬塑
	C.可塑
	D.软塑
3、单项选择题 某粉质黏土土层进行旁压试验,结果为测量腔初始固有体积VC=496.0cm3,初始压力对应的体积V0=134.5cm3,临塑压力对应的体积VF=217.0cm3,直线段压力增量△p=0.28MPa,泊松比为0.38。试问:确定该土层的旁压模量E(MPa)最接近下列()项。()
	A.5.8
	B.6.3
	C.7.1
	D.7.8
4、单项选择题 某红黏土地基详勘时资料如下:ω=46,ωp=32,wl=58,该红黏土的状态及复浸水性类别分别为()。
	A.软塑、Ⅰ类
	B.可塑、Ⅰ类
	C.软塑、Ⅱ类
	D.可塑、Ⅱ类
5、单项选择题 某民用建筑场地中进行载荷试验,试坑深度为1.8m,圆形承压板面积为5000cm2,试验土层为黏土,修正后的P-S曲线上具有明显的比例极限值,比例极限为200kPa,直线段斜率为0.06mm/kPa,该黏土层的变形模量为()。
	A.7.6MPa
	B.8.6MPa
	C.9.6MPa
	D.10.6MPa
6、单项选择题 某红黏土含水量为49%,液限为58,塑限为20,该土的状态应为()。
	A.硬塑
	B.可塑
	C.软塑
	D.流塑
7、单项选择题 某场地中在深度为10m处进行重型动力触探试验,探头及杆件的重量为85kg,探头直径为74mm,贯入度为0.3cm,该土层动贯入阻力为()。
	A.11.0MPa
	B.12.6MPa
	C.14.5MPa
	D.15.7MPa
8、单项选择题 某砂土场地进行波速测试,平均剪切波波速为400m/s,平均压缩波波速度为700m/s,该场地地基土的重度为18kN/m3,场地的动弹性模量及动泊松比为()。
	A.7.2×105、0.35
	B.3.5×105、0.35
	C.3.5×105、0.26
	D.7.2×105、0.26
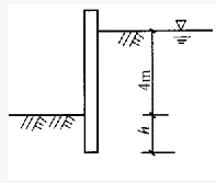
9、单项选择题
如图所示为某建筑基坑,第一层为粉土5m,第二层为黏土4m,两层土的天然重度均为18.5kN/m3,其下为强透水砂层,地下水为承压水,贮存于砂层中,承压水头低于地面1.0m。试问:基坑不发生基坑底隆起(即突涌现象)时,最大临界开挖深度h(m)最接近下列()项()
	
	A.4.5
	B.5.0
	C.5.5
	D.6.0
10、单项选择题 某干燥砂土天然密度为1.57,比重为2.68,若使砂土饱水,其饱水后的含水量、密度、浮密度分别为()。
	A.26.4、1.89、0.99
	B.26,4、1.98、1.05
	C.25.1、1.98、1.05
	D.26.4、1.98、0.98
11、单项选择题
某建筑场地进行单孔抽水试验,地层结构(见下图)为:0~15m中砂土,15m以下为泥岩,地下水埋深为1.0m抽水井深度为10m,过滤器长度4.0m,安置在抽水井底部,抽水井直径为60cm,第一次降深为1.5m,稳定涌水量为191m3/d;第二次降深为3.0m,稳定涌水量为451.3m3/d;第三次降深为4.5m,稳定涌水量为781m3/d,则该砂土层的渗透系数为()m/d。()
	
	A.11
	B.13
	C.15
	D.17
12、单项选择题 某港口工程中采得黏土原状试样,采用76g平衡锥沉入土中的深度为6mm,该黏土的天然状态为()。
	A.硬
	B.中等
	C.软
	D.很软
13、单项选择题 某黏性土样含水量为26%,液限为32,塑限为18,该黏性土按《建筑地基基础设计规范》(GB50007-2011)进行划分时,其状态分别为()。
	A.流塑
	B.硬塑
	C.软塑
	D.可塑
14、单项选择题
黄土湿陷起始压力试验,采用双线法。试样原始高度h0=20mm,试验成果如习表1.3.3所示,计算黄土的湿陷起始压力Psh最接近下列()值。()
	
	A.75kPa
	B.105kPa
	C.150kPa
	D.175kPa
15、单项选择题 某岩体的基本质量指标BQ=400,其地下水为点滴状出水,结构面倾角为45°,其初始应力状态为高应力区。试问:该岩体基本质量指标修正值[BQ]最接近下列()项。()
	A.320
	B.290
	C.270
	D.250
16、单项选择题
某建筑场地位于湿润区,基础埋深2.5m,地基持力层为黏性土,含水率w=31%,地下水位埋深1.5m,年变幅1.Om,取地下水样进行化学分析结果见表。试问:地下水对基础混凝土结构的腐蚀性评价为下列()项。()
	
	A.微腐蚀性
	B.弱腐蚀性
	C.中腐蚀性
	D.强腐蚀性
17、单项选择题
	
	某建筑地基中细粒土层的部分物理性质指标见表4.1.2。
	
	试问:确定该土的名称和状态为下列()项。()
	A.黏性土、流塑
	B.粉土、密实、稍湿
	C.粉土、中密、湿
	D.粉土、密实、湿
18、单项选择题 河床中某砂层的不均匀系数Cu=8,细粒颗粒含量P=31%,土粒比重2.65,d5=0.06,d20=0.1,孔隙率42%,如安全系数取2.0,该土层的允许水力比降值为()。
	A.0.72
	B.0.48
	C.0.36
	D.0.24
19、单项选择题 某均质土坝长1.2km,高20m,坝顶宽8m,坝底宽75m,要求压实度不小于0.95,天然料场中土料含水量为21%,比重为2.70,重度为18kN/m3,最大干密度为16.8kN/m3,最优含水量为20%,填筑该土坝需天然土料()。
	A.9.9×105m3
	B.10.7×105m3
	C.11.5×105m3
	D.12.6×105m3
20、单项选择题
河床表层为粗砂层,下伏粉砂层,粗砂土和粉砂土累积曲线如图1.7.1.1所示,试判别在坝下水平渗流作用下和下游垂直渗流作用下的渗透变形为()。
	
	A.可发生接触冲刷,不全发生接触流失
	B.不会发生接触冲刷,可发生接触流失
	C.二者均不会发生
	D.二者均可能发生
21、单项选择题 在钻孔内做波速测试,测得中等风化花岗岩岩体的弹性纵波速度V=2770m/s,剪切波速度VA=1410m/s,已知相应岩石的弹性纵波速度V=5060m/s,剪切波速度VS=2250m/s,质量密度ρ=2.21g/cm3,饱和单轴抗压强度RC=42MPa。试问:该岩体基本质量级别为下列()项。()
	A.Ⅱ级
	B.Ⅲ级
	C.Ⅳ级
	D.Ⅴ级
22、单项选择题 某港口工程中进行载荷试验,圆形载荷板面积为2500cm2,场地为粉质黏土,载荷曲线上查得比例极限为200kPa,相应的沉降量为12mm,极限荷载为320kPa,相应的沉降值为49mm,如安全系数取2,该粉质黏土的变形模量及承载力分别为()。
	A.6313kPa、200kPa
	B.2560.6kPa、200kPa
	C.6313kPa、160kPa
	D.2560.6kPa、160kPa
23、单项选择题
土样的压缩曲线如图1.3.8.3所示曲线1,该土样100~200kPa压力区间的压缩系数,压缩模量、体积压缩系数和100~300kPa压力区间的压缩指数分别为()。
	
	A.0.45、4.24、0.24、0.358
	B.0.25、4.24、0.24、0.147
	C.0.45、4.24、0.83、0.147
	D.0.45、4.24、0.24、0.147
24、单项选择题 某土样的固结不排水孔压三轴试验,其中某次测试结果为:最大主应力σ1=86kPa,最小主应力σ2=28kPa,孔隙水压力μ=13kPa,按有效应力法求莫尔圆的圆心坐标和半径,计算结果最接近()。
	A.莫尔圆圆心坐标为(57,0),半径为29
	B.莫尔圆圆心坐标为(44,0),半径为29
	C.莫尔圆圆心坐标为(57,0),半径为58
	D.莫尔圆圆心坐标为(44,0),半径为58
25、单项选择题
	如下表所示,某风干土样中大于5mm的颗粒含量为8.5%,粗粒成分(大于5mm)的吸着含水量为3.5%,比重2.58,细粒粒组的比重为2.60,轻型击实试验结果如下,试确定该土样的最大干密度及最优含水量应为()。
	A.1.67,16.2
	B.1.72,17.4
	C.1.67,17.4
	D.1.72,16.2
26、单项选择题 某港口工程地基为均质黏土,采用面积5000cm2的载荷板进行载荷试验,比例界限为200kPa,相应的沉降值为8mm,该黏土的变形模量为()。
	A.11MPa
	B.13MPa
	C.15MPa
	D.17MPa
27、单项选择题 某水工建筑物隧道围岩岩石强度评分为20,岩体完整程度评分30,结构面状态评分为21,地下水评分为0,主要结构面产状评分为-2,岩体完整性系数为0.75,岩石饱和单轴抗压强度为60MPa,围岩中与洞轴垂直的最大主应力为15MPa,该岩体的围岩工程地质分类为()。
	A.Ⅰ类
	B.Ⅱ类
	C.Ⅲ类
	D.Ⅳ类
28、单项选择题
某水工建筑物场地地层(见下图)情况如下:0~10m粉砂土,10m以下为泥岩,现有一孔径为150mm的钻孔钻至泥岩,在钻孔中进行注水试验,初始地下水位为地表下5.0m,第一次注水试验时钻孔中稳定水位为地表下2.0m,常量注水量为15.4m3/d;第二次注水试验时钻孔中稳定地下水位为地表下1.5m,常量注水量为18.5m3/d;第三次注水试验时钻孔中稳定地下水位为地表下1.0m;常量注水量为22.4m3/d,则该地层的渗透系数为()m/d。()
	
	A.0.80
	B.0.82
	C.0.83
	D.0.87
29、单项选择题
某场地进行岩土工程勘察取得10组土样,属于同一土层,其孔隙比及压缩系数的试验结果如下表所示。
	
	 该土样孔隙比及压缩系数的标准值为()。
该土样孔隙比及压缩系数的标准值为()。
	A.0.928,0.478
	B.0.945,0.465
	C.0.901,0.447
	D.0.972,0.473
30、单项选择题 某工程岩体风化岩石饱和单轴抗压强度为4.2MPa,压缩波速度为2.1km/s;新鲜岩石饱和单轴抗压强度为10.5MPa,压缩波速度为3.4km/s,该岩石的风化程度为()。
	A.微风化
	B.中等风化
	C.强风化
	D.全风化
31、单项选择题
某工程场地进行单孔抽水试验,地层情况及滤水管位置见下图,滤水管上下均设止水装置,抽水参数为:钻孔深12m,承压水位1.5m,钻孔直径0.8m。假定影响半径100m,第一次降深2.1m,涌水量510m3/d;第二次降深3.0m,涌水量760m3/d;第三次降深4.2m,涌水量1050m3/d,用裘布依公式计算含水层的平均渗透系数k为()。
	
	A.71m/d
	B.74.2m/d
	C.73.2m/d
	D.73m/d
32、单项选择题 某建筑基槽宽5m,长20m,开挖深度为6m,基底以下为粉质黏土。在基槽底面中间进行平板载荷试验,采用直径为800mm的圆形承压板。载荷试验结果显示,在p-s曲线线性段对应100kpa压力的沉降量为8mm。试问:基底土层的变形模量E0值最接近下列()项。()
	A.4.75MPa
	B.6.72MPa
	C.8.96MPa
	D.12.30MPa
33、单项选择题 某碎石土层中共进行6次重型动力触探试验,修正后的动探击数分别为14、11.2、12.4、10.1、9、12,该碎石土的密实度为()。
	A.松散
	B.稍密
	C.中密
	D.密实
34、单项选择题 某勘察场地,在同一黏性土层中取得6件原状试样,采用直剪试验获取该土层土的抗剪强度指标,根据岩土工程统计得到平均值:cm=18.8kPa,φm=19.5°,以及变异系数δxc=0.22,=0.15,确定该土层的抗剪强度指标标准值cK、φK接近下列()项。()
	A.cK=15.4kPa,φK=7.1°
	B.cK=16.8kPa,φK=18.5°
	C.cK=18.5kPa,φK=19.6°
	D.cK=22.2kPa,φK=21.9°
35、单项选择题 某流网分析图,共划分流槽数12个,等势线间隔数15个,各流槽的流量和等势线间的水头差均相等,流线平均距离与等势线平均距离的比值均为1,总水头差ΔH=5.0m。其中,某段流线长10m,该流线自第3条等势线至第6条等势线,并交于4条等势线,计算该段流线上的平均水力梯度与下列()最接近。()
	A.1.0
	B.0.5
	C.0.1
	D.0.01
36、单项选择题
采用灌砂法现场测定某建筑场地粗粒土层的密度和干密度,试验成果如习表1.3.1所示。试计算该土层的密度和干密度最接近下列()值。()
	
	A.ρ0=1.95、ρd=1.69
	B.ρ0=2.00、ρd1.73
	C.ρ0=2.05、ρd1.79
	D.ρ0=2.10、ρd1.81
37、单项选择题 某港口工程勘察工作对地面下10m处粗砂土进行标准贯入试验,测得锤击数为47击,场地中地下水埋深为1.5m,该粗砂土的密实状态为()。
	A.稍密
	B.中密
	C.密实
	D.极密实
38、单项选择题 某土样的液限wL=42%,塑限wP=22%,饱和度S=0.96,孔隙比e=1.60,dS=2.70。试问:确定该土的性质和状态为下列()项。()
	A.粉质黏土、流塑
	B.黏土、流塑
	C.粉质黏土、软塑
	D.黏土、软塑
39、单项选择题 某民用建筑场地中钻孔ZK-4,0~5m为黏性土,5.0~13.0m为粗砂土,地下水位为1.5m,对4.0m黏土进行重型动力触探试验时,共进行3阵击,第一阵贯入5.0cm,锤击数为6击,第二阵贯入5.2cm,锤击数为6击,第三阵贯入5.0cm,锤击数为7击,触探杆长度为5m,在砂土层8m处进行重型动力触探时,贯入14cm的锤击数为28击,触探杆长度为9m,该黏土层和砂土层中修正后的锤击数分别为()。
	A.11.5、18.4
	B.12.1、18.3
	C.12.3、18.6
	D.11.8、18
40、单项选择题 某港口工程为黏土场地,在5.0m处进行旁压试验,测得初始压力为35kPa,临塑压力为240kPa,极限压力为450kPa,黏土的天然重度为20kN/m3,地下水位埋深为2.0m,该黏性土的静止侧压力系数为()。
	A.0.35
	B.0.5
	C.0.6
	D.0.7
41、单项选择题 某工程岩体饱和单轴抗压强度fr为64MPa,岩块压缩波速度为6.2km/s,岩体压缩波速度为3.8km/s,该岩体的基本质量级别为()。
	A.Ⅰ级
	B.Ⅱ级
	C.Ⅲ级
	D.Ⅳ级
42、单项选择题 某粉土试样的室内试验指标如下:ω=26;ρ=19.4kN/m3;Gs=2.65。该土样的密实度和湿度为()。
	A.中密,湿
	B.中密,饱和
	C.密实,湿
	D.密实,饱和
43、单项选择题 某民用建筑场地为碎石土,用重型动力触探指标确定碎石土的密实度,实测动探击数为32击,动探杆长度为13m,该碎石土的密实度为()。
	A.松散
	B.稍密
	C.中密
	D.密实
44、单项选择题 黏土场地含水量ω=44%,液wl=61,塑限wp=35,该红黏土地基的状态及复浸水性类别分别为()。
	A.软塑、Ⅰ类
	B.可塑、Ⅰ类
	C.软塑、Ⅱ类
	D.可塑、Ⅱ类
45、单项选择题
在稍密的砂层中作浅层平板载荷试验,承压板方形,面积0.5m2,各级载荷和对应的沉降量如下表所示。
	
	
砂层承载力特征值应取下列()数值。()
	A.138kPa
	B.200kPa
	C.225kPa
	D.250kPa
46、单项选择题
某场地中进行载荷试验,承压板面积5000cm2,试坑深度2.5m,其中第二号试验点的资料如下表所示,该试验点土层的比例极限、极限荷载及地基土的承载力如下表所示(取Fs=4)。()
	
	A.200kPa,450kPa,200kPa
	B.200kPa,450kPa,225kPa
	C.200kPa,450kPa,325kPa
	D.200kPa,450kPa,262.5kPa
47、单项选择题
	某载荷试验承压板面积为5000cm2,试验资料如下表所示。
	试绘制P-S曲线并进行修正,该土层的比例极限、极限荷载及承载力分别为()。
	A.200kPa、320kPa、160kPa
	B.200kPa、320kPa、200kPa
	C.200kPa、320kPa、230kPa
	D.200kPa、320kPa、260kPa
48、单项选择题 某港口工程中在黏土层中进行标准贯入试验,测得锤击数为12击,该黏性土的天然状态为()。
	A.坚硬
	B.硬
	C.中等
	D.软
49、单项选择题 某民用建筑场地为花岗岩残积土场地,场地勘察资料表明,土的天然含水量为16%,其中细粒土(粒径小于0.5mm)的重量百分含量为75%,细粒土的液限为29,塑限为18,该花岗岩残积土的液性指数及状态分别为()。
	A.-0.18、坚硬
	B.0.15、坚硬
	C.-0.18、硬塑
	D.0.15、硬塑
50、单项选择题 某黏性土样含水量为30,液限为32,塑限为18,该黏性土的稠度状态为()。
	A.硬塑
	B.可塑
	C.软塑
	D.流塑
51、单项选择题 某黏性土场地中地下水位为0.5m,基础埋深为1.0m,土层重度为19kN/m3,十字板剪切试验结果表明,修正后的不排水抗剪强度为36kPa,场地中黏性土地基的容许承载力应为()。
	A.72kPa
	B.85kPa
	C.91kPa
	D.100kPa
52、单项选择题 某民用建筑场地中卵石土地基埋深为2.0m,地下水位为1.0m,在2.5m处进行超重型动力触探试验,地面以上触探杆长度为1.5m,贯入16cm,锤击数为18击,修正后的锤击数为()。
	A.7.9
	B.7.3
	C.7.0
	D.6.5
53、单项选择题
	某水库坝基土层的累积曲线如下图所示,曲线上相应粒径及其对应的小于该粒径的百分含量如下表所示,土的孔隙度为42%,试判别土的渗透变形的类型。
	该类土的渗透变形类型为()。
	A.管涌型
	B.过渡型
	C.流土型
	D.不能确定
54、单项选择题 某水工建筑物地下隧洞围岩资料如下:①岩石饱和单轴抗压强度为48MPa;②岩体完整性系数为0.75;③岩体中结构面平直光滑,呈闭合状态,结构面延长度一般为1.5~2.5m;④围岩中地下水较少,呈点滴状出水状态;⑤围岩中主要结构面走向与隧洞轴线交角为80°,结构面出露于洞顶部,倾角为10°~15°;⑥围岩中主应力值分别为σ1=11MPa、σ2=σ3=4MPa,洞室与σ2方向平行。试评价该水工建筑物隧道围岩的类别为()。
	A.Ⅱ类
	B.Ⅲ类
	C.Ⅳ类
	D.Ⅴ类
55、单项选择题 某碎石土场地中进行重型动力触探一次,测试深度2.8m,触探杆长度4.0m,贯入15cm的锤击数为32击,该碎石土的密实度为()。
	A.松散
	B.稍密
	C.中密
	D.密实
56、单项选择题
	某港口工程室内试验中压缩系数值如下表所示。
	 该土层压缩系数的变异系数应为()。
该土层压缩系数的变异系数应为()。
	A.0.14
	B.0.15
	C.0.16
	D.0.17
57、单项选择题 某港口工程进行地质勘察时对地面下2.0m的粗砂土进行标准贯入试验,测得锤击数为13击,该场地中地下水位埋深为2.8m,砂土的密实度应为()。
	A.松散
	B.稍密
	C.中密
	D.密实
58、单项选择题 某土样大于5mm的颗粒百分含量为20%,粗粒组的吸着含水率为18%,比重为2.68,细粒组的最优含水量为20%,最大干密度为1.66g/cm3,该土样的最大干密度及最优含水率应为()。
	A.1.80g/cm3、18%
	B.1.73g/cm3、18%
	C.1.80g/cm3、19.6%
	D.1.73g/cm3、19.6%
59、单项选择题 某公路工程勘察工作中测得砂土的标准贯入锤击数为18击,该砂土的密实度为()。
	A.松散
	B.稍密
	C.中密
	D.密实
60、单项选择题 某干燥砂土比重为2.70,干密度为1.58,则该砂土的孔隙比和天然密度为()。
	A.0.709、19.5
	B.0.832、19.5
	C.0.709、1.58
	D.0.832、1.58
61、单项选择题 某隧道工程地质钻探时,某一回次进尺中共进尺1.2m,采取的岩芯长度分别为3.2cm、1.5cm、9.8cm、16cm、30cm、6cm、27cm、11cm、10cm、5.3cm,该段岩石的质量指标为()。
	A.好的
	B.较好的
	C.较差的
	D.差的
62、单项选择题 某砂土场中的一钻孔在15m处进行重型动力触探试验,贯入18cm,锤击数为30击,触探杆在地面以上长度为1.5m,地下水位2.0m,修正后的锤击数为()。
	A.14
	B.11.3
	C.13.3
	D.13.5
63、单项选择题 某港口工程勘察时测得淤泥性土的天然含水量为65%,土的相对密度为2.60,该淤泥性土的名称应为()。
	A.淤泥质土
	B.淤泥
	C.流泥
	D.浮泥
64、单项选择题 某饱和黏土天然重度为19.8kN/m3,含水量为28%,其比重、干密度、孔隙比应分别为()。
	A.2.70、1.59、0.764
	B.2.73、1.55、0.981
	C.2.73、1.55、0.764
	D.2.73、1.60、0.764
65、单项选择题 某港口场地为中砂土场地,进行重型动力触探试验,平均每5击贯入深度为3cm,该砂土的密实度为()。
	A.稍密
	B.中密
	C.密实
	D.极密实
66、单项选择题 某场地的粉土层取6个土样进行直剪试验,测得c(kPa)为:16、15、13、18、22、20,(°)为:20、22、22、24、21、23。试问:
	计算该粉土的的 标准值
标准值 K最接近下列()项。
K最接近下列()项。
	A.22.06°
	B.21.12°
	C.21.02°
	D.20.83°
67、单项选择题 某铁路隧道围岩岩体纵波速度为3.6km/s,围岩中岩石纵波速度为4.8km/s,岩石饱和单轴抗压强度为63MPa,隧道围岩中地下水量较大,围岩应力状态为高应力,隧道埋藏较深,不受地表影响。该铁路隧道围岩的级别为()。
	A.Ⅰ级
	B.Ⅱ级
	C.Ⅲ级
	D.Ⅳ级
68、单项选择题 某民用建筑场地中在软黏土层中进行机械式十字板剪切试验,测得厚状土剪切破坏时百分表最大读数为220(0.01mm),轴杆与土摩擦时百分表读数为15(0.01mm),轴杆旋转6圈后,百分表最大读数为80(0.01mm),轴杆与土摩擦时百分表读数为10(0.01mm),已知十字板常数为161.77m-2,钢环系数为1.3N/0.01mm。 土体峰值强度为()。 土体峰值强度为()。
	A.43kPa
	B.48kPa
	C.53kPa
	D.58kPa
69、单项选择题
某民用建筑工程中对土层采取了6组原状土样,直剪试验结果如下表所示。
	
	 该土层内聚力及内摩擦角的标准值为()。
该土层内聚力及内摩擦角的标准值为()。
	A.20.8,16°70
	B.18.5,15°30
	C.19.2,17.3°
	D.18.6,18.0°
70、单项选择题 某工程钻孔ZK-4,采用75mm金刚石钻头连续取芯钻进,在某一回次进尺中钻进2.0m,采得岩芯长度为11.0cm、13cm、18cm、16cm、25cm、27cm、8cm,该岩石应为()。
	A.好的
	B.较好的
	C.较差的
	D.差的
71、单项选择题 某水工建筑物隧道围岩资料如下:①岩石饱和单轴抗压强度为69MPa;②岩体完整性系数为0.65;③结构面平均张开度为2.0mm,有泥质充填,结构面平直光滑;④地下水活动状态为线状流水,10m洞长每分钟出水量为50L;⑤结构面产状无规律,延长度小于3.0m;⑥洞室围岩应力状态为σ1=4.2MPa、σ2=σ3=1.8MPa,洞轴线与σ1方向平行。该水工建筑物围岩类别应为()。
	A.Ⅱ类
	B.Ⅲ类
	C.Ⅳ类
	D.Ⅴ类
72、单项选择题 某场地勘察时在地下10m砂土层中进行标准贯入一次,实测击数为35击,地面以上标准贯入杆长2.0m,地下水位为0.5m,该点砂层的密实度为()。
	A.松散
	B.稍密
	C.中密
	D.密实
73、单项选择题 某港口工程中测得淤泥性土的天然含水率为45%,相对密度为2.55,塑性指数为19,该淤泥性土的名称应为()。
	A.淤泥质黏土
	B.淤泥质粉质黏土
	C.淤泥
	D.流泥
74、单项选择题 某砂土的比重为2.65,干燥状态容重为1.56g/cm3,若砂土置于水下,其浮重度为()。
	A.0.97
	B.1.97
	C.0.89
	D.1.89
75、单项选择题 某工程初步勘察时在地表露头测得岩体弹性波速度为2.8km/s,岩块弹性波速为3.9km/s,岩石点荷载强度指数为2.3,该岩体的基本质量级别应为()。
	A.Ⅰ级
	B.Ⅱ级
	C.Ⅲ级
	D.Ⅳ级
76、单项选择题 某河漫滩场地为卵石土,地面下2.0m进行超重型动力触探试验,贯入13.5cm,锤击数为19击,地面以上触探杆长度为1.5m,地下水位为1.0m,修正后的锤击数应为()。
	A.11.4
	B.10.3
	C.9.2
	D.8.1
77、单项选择题 某种岩石实测的点荷载强度指数=3.1MPa,按《工程岩体分级标准》(GB50218-1994)推荐的公式计算岩石的单轴饱和抗压强度,并确定岩石的坚硬程度属于()。
	A.坚硬岩
	B.较坚硬岩
	C.较软岩
	D.软岩
78、单项选择题 某钻孔中进行压水试验,钻孔半径为110mm,试验段长度为2.0m;总压力为50m水柱高,稳定流量为40L/min。 该试验段的单位吸水量为()L/(min·m2)。()
	A.0.10
	B.0.40
	C.1.00
	D.4.00
79、单项选择题
	某坝基土层试验资料如下,试判别土的渗透变形的类型为()。
	A.管涌型
	B.流土
	C.接触冲刷
	D.接触流失
80、单项选择题 某砂土场地上进行螺旋板载荷试验,试验深度为10m,螺旋板直径为0.5m。P-S曲线初始段为直线,直线段与S轴截距为4mm,直线段终点压力值为180kPa,实测沉降值为9.5mm,该砂土层变形模量为()。
	A.4.1MPa
	B.7.2MPa
	C.10.3MPa
	D.13.4MPa
81、单项选择题 某建筑物基础采用条形基础,埋深1.5m,条形基础轴线间距为8m,地基土重度为20kN/m3,作用在基础顶面的竖向荷载标准组合值为FK=400kN/m,修正后的地基承载力特征值fA=200kPa,无明显的软弱下卧层或坚硬下卧层。试问:该工程详勘时,钻孔最小孔深应取下列()项。()
	A.6.5m
	B.8.5m
	C.10.0m
	D.10.5m
82、单项选择题 在水平均质具有潜水自由面的含水层中进行单孔抽水试验如图所示。已知水井半径r=0.15m,影响半径R=50m,含水层厚度H=10m,水位降深s=3.0m,渗透系数k=25m/d。试问:确定其流量Q(m3/d)最接近下列()项。()
	A.640
	B.660
	C.690
	D.720
83、单项选择题
某土样高压固结试验成果如表1.3.2所示,并已绘成e-lgP曲线,如习图1.3.3所示,计算土的压缩系数Cxc,其结果最接近下列()数值。()
	
	A.0.18
	B.0.26
	C.0.34
	D.0.55
84、单项选择题 某砂土天然孔隙比为0.72,最大孔隙比为0.93,最小孔隙比为0.64,从累积曲线上查得界限粒径为2.53mm,中间粒径为0.36mm,有效粒径为0.2mm,平均粒径为1.47mm,该砂土的相对密度、不均匀系数及曲率系数分别为()。
	A.0.65、12.65、0.26
	B.0.72、12.65、0.58
	C.0.72、12.65、0.26
	D.0.72、8.43、0.26
85、单项选择题 某土样采用南55型渗透仪在试验室进行渗透系数试验,试样高度为2.0cm,面积30cm2,试样水头40cm,渗透水量为每24h160cm3,该土样的渗透系数最接近()。
	A.1.0×10-6cm/s
	B.2.0×10-6cm/s
	C.3.0×10-6cm/s
	D.4.0×10-6cm/s
86、单项选择题
	某土工试验测得土样孔隙比结果如下表所示。
	 该土样标准值为()。
该土样标准值为()。
	A.0.891
	B.0.916
	C.0.909
	D.0.895
87、单项选择题 某工程岩体风化岩石饱和单轴压强度为15.1MPa,压缩波速度为3.2km/s;新鲜岩石饱和单轴抗压强度为28.4MPa,压缩波速度为4.3km/s,岩石的风化程度应为()。
	A.未风化
	B.微风化
	C.中等风化
	D.强风化
88、单项选择题 某隧道工程地质钻探时,采用75mm金刚石钻头连续取芯钻进,某回次进尺1.6m,采取的块状岩芯长度分别为5.4cm、6.8cm、9.9cm、10.0cm、26cm、32cm、21cm、18cm;碎石状岩芯累计长度15cm,岩粉若干,该岩石的RQD值为()。
	A.97%
	B.76.3%
	C.66.9%
	D.60.6%
89、单项选择题
某建筑基坑采用排桩作为支护结构,地下水位与地面相齐,如图所示,坑底用集水池进行排水,土饱和重度γsat=19.0kN/m3。试问:为使基坑底土不致因渗流而破坏,集水池的最小截水长度h(m)最接近下列()项。()
	
	A.0.20
	B.0.25
	C.0.30
	D.0.35
90、单项选择题 某民用建筑场地为碎石土场地,在地表下7.5m处进行重型动力触探,地面以上触探杆长1.0m,连续击打17锤后贯入6.5cm,如需确定碎石土的密实度,其动探击数应采用()。
	A.19.3
	B.19.7
	C.20
	D.26.2
91、单项选择题 在标准贯入试验中,若以标准贯入器作为一种取土器,则其面积比等于下列()数值。()
	A.177.8%
	B.146.9%
	C.112.3%
	D.45.7%
92、单项选择题 某工业建设场地为砂土,地表下5.5m处标准贯入击数为19击,该砂土的密实度为()。
	A.松散
	B.稍密
	C.中密
	D.密实
93、单项选择题 某民用建筑场地中在软黏土层中进行机械式十字板剪切试验,测得厚状土剪切破坏时百分表最大读数为220(0.01mm),轴杆与土摩擦时百分表读数为15(0.01mm),轴杆旋转6圈后,百分表最大读数为80(0.01mm),轴杆与土摩擦时百分表读数为10(0.01mm),已知十字板常数为161.77m-2,钢环系数为1.3N/0.01mm。 土体峰值强度为()。 土体残余强度为()。
	A.10kPa
	B.15kPa
	C.20kPa
	D.25kPa
94、单项选择题
	某民用建筑勘察工作中采得黏性土原状土样16组,测得含水量平均值 ,标准差为0.06,其标准值为()。
,标准差为0.06,其标准值为()。
	A.0.423
	B.0.450
	C.0.476
	D.0.493
95、单项选择题
某建筑场地(见下图)中0~8.0m为黏性土,天然重度为19kN/m3;8~12m为粗砂土,粗砂层为承压含水层,水头埋深为1.0m,现拟开挖建筑基坑,当基坑挖深为()m时坑底不会产生基坑突涌现象。()
	
	A.3.0
	B.4.0
	C.4.3
	D.5.0
96、单项选择题 某民用建筑场地中取得干燥粉土试样,重度为15.6kN/m3,比重为2.70,其密实度及湿度为()。
	A.密实,稍湿
	B.中密,稍湿
	C.密实,干燥
	D.中密,干燥
97、单项选择题 某软黏土场地中基础埋深为2.0m,土层重度为19.5kN/m3,3.0m处十字板剪切试验中修正后的不排水抗剪强度为40kPa,该地基的容许承载力为()。
	A.80kPa
	B.110kPa
	C.119kPa
	D.130kPa
98、单项选择题 某砂土的界限粒径为3.2mm,平均粒径为2.7mm,中间粒径为0.40mm,有效粒径为0.25mm,该砂土的不均匀系数及曲率系数分别为()。
	A.12.8、9.6
	B.10.8、9.1
	C.12.8、0.2
	D.10.8、0.2
99、单项选择题 某建筑基坑为粉细砂地层,在基坑施工中采取降水措施,土的不均匀系数Cu=12,比重Gs=2.70,孔隙度n=42%,如防止潜蚀作用产生,渗透水流的水力坡度不应大于()。
	A.0.4
	B.0.8
	C.1.2
	D.1.6
100、单项选择题 某工程中需填筑土坝,最优含水量为23%,土体天然含水量为12%,汽车载重量为10t,若把土体配制成最优含水量,每车土体需加水量为()。
	A.0.78t
	B.0.88t
	C.0.98t
	D.1.08t
101、单项选择题
某潜水含水层中打了一口抽水井及观测孔,进行潜水完整井抽水试验,已知初始水位为14.69m,抽水井直径0.3m,抽水试验参数见下表,该含水层的平均渗透系数为()。
	
	A.34.51m/d
	B.35.83m/d
	C.35.77m/d
	D.36.37m/d
102、单项选择题 某民用建筑场地为砂土地场地,采用圆形平板载荷试验,试坑深度1.5m,承压板面积为2500cm2,修正后初始直线段方程为S=0.05P式中:S为承压板沉降值(mm);P为承压板底面压力(kPa)。该砂土层的变形模量为()。
	A.8MPa
	B.10MPa
	C.12MPa
	D.14MPa
103、单项选择题
	某工程水质分析试验成果见表。试问:确定其总矿化度(mg/L)最接近下列()项。()
	A.297.3
	B.453.1
	C.480.3
	D.503.0
104、单项选择题 某场地的粉土层取6个土样进行直剪试验,测得c(kPa)为:16、15、13、18、22、20,(°)为:20、22、22、24、21、23。试问: 计算该粉土的c的标准值CK最接近下列()项。()
	A.14.16
	B.14.57
	C.15.12
	D.15.36
105、单项选择题 某黏性土样含水量为24,液限为35,塑性指数为16,该黏性土样的稠度状态为()。
	A.硬塑
	B.可塑
	C.软塑
	D.流塑
106、单项选择题 某港口工程进行工程地质勘察时,对地面下8.5m处的粉砂层进行标准贯入试验时,测得锤击数为33击,该场地地下水位埋深为2.0m,粉砂土的密实度应为()。
	A.松散
	B.稍密
	C.中密
	D.密实
107、单项选择题 某民用建筑场地中在软黏土层中进行机械式十字板剪切试验,测得厚状土剪切破坏时百分表最大读数为220(0.01mm),轴杆与土摩擦时百分表读数为15(0.01mm),轴杆旋转6圈后,百分表最大读数为80(0.01mm),轴杆与土摩擦时百分表读数为10(0.01mm),已知十字板常数为161.77m-2,钢环系数为1.3N/0.01mm。 土体峰值强度为()。 土体灵敏度为()。
	A.2
	B.3
	C.4
	D.5
108、单项选择题 某花岗岩残积土场地,土的天然含水量为17%,粗粒土(粒径大于0.5mm)的颗粒重量百分含量为31%,细粒部分的液限为30,塑限为18,该花岗岩残积土的液性指数应为()。
	A.-0.1
	B.0
	C.0.1
	D.0.37
109、单项选择题 某铁路隧道围岩岩体纵波速度为2.4km/s,岩石纵波速度为3.4km/s,岩石单轴饱和抗压强度为46.0MPa,隧道中围岩处于干燥状态,围岩应力状态为极高应力,隧道埋深较大,不受地表影响,该隧道围岩的级别应确定为()。
	A.Ⅱ级
	B.Ⅲ级
	C.Ⅳ级
	D.Ⅴ级
110、单项选择题
某工程场地进行单孔抽水试验,地层情况及滤水管位置如图所示,滤水管上、下均设有止水装置。已知钻孔深度12.0m.承压水位-1.50m,钻孔直径800mm,影响半径R=80m。当降深2.1m时,涌水量Q=510m3/d。试问:用裘布依公式计算其渗透系数是(m/d)最接近下列()项。()
	
	A.65.8
	B.68.2
	C.70.6
	D.74.2
111、单项选择题 某钻孔中进行压水试验,钻孔半径为110mm,试验段长度为2.0m;总压力为50m水柱高,稳定流量为40L/min。 如试验段底部距隔水层的厚度大于试验段长度,渗透系数为()m/d。()
	A.0.23
	B.2.3
	C.5.0
	D.23
112、单项选择题
某建筑场地进行详细岩土工程勘察,拟建建筑物为单体12层高层住宅楼,框架剪力墙结构,拟采用筏板基础,如习图1.3.1所示。根据临近岩土工程报告可知,场地地层土类型较多,不均匀,性质变化较大。地基变形计算深度为20m。下列()勘察点布置方案最合理。()
	
	A.勘探孔4个,A、B、C、D角点各一个,钻孔深15~20m
	B.勘探孔5个,A、B、C、D角点各一个,矩形中心点1个,钻孔深15~20m
	C.勘探孔8个,AB和DC边线上间距20m,AD和BC边线上间距18m,钻孔深20~25m
	D.勘探孔14个,AB和DC边线上间距10m,AD和BC边线上间距18m,钻孔深20~25m
113、单项选择题 某黏性土样含水量为28%,液限为34,塑限为18,该黏性土样塑性指数、液性指数及含水比分别为()。
	A.10、0.63、0.82
	B.16、0.63、0.53
	C.16、0.38、0.82
	D.16、0.63、0.82
114、单项选择题 在某土层中进行旁压试验,土体的泊松比μ=0.39,旁压器量测腔初始固有体积Vxc=490cm3,与初始压力P0对应的体积V0=135cm3,与临塑压力Pxf对应的体积Vxf=220cm3,旁压曲线直线段的荷载增量ΔP=0.3MPa,旁压模量计算值为()。
	A.4.31MPa
	B.6.55MPa
	C.7.85MPa
	D.9.22MPa
115、单项选择题 某铁路通过多年冻土区,路基土层为粉质黏土,相对密度d=2.72,质量密度ρ=2.0g/cm3,冻土总含水量ω0=39%,冻土融沉后含水量ω=22%,塑限含水量ω0=19%。根据《岩土工程勘察规范》(GB50021-2001),计算该段多年冻土融沉系数δ0,并判定符合下列()融沉等级。()
	A.9.7(Ⅳ)
	B.12.2(Ⅳ)
	C.15.5(Ⅳ)
	D.24.8(Ⅴ)
116、单项选择题 某碎石土场地地下水埋深为1.5m,在12.0m处进行重型动力触探,贯入14cm的锤击数为63击,地面以上触探杆长度为1.0m,如确定碎石土的密实度,修正后的锤击数为()。
	A.25.7
	B.25.2
	C.24.4
	D.23.6
117、单项选择题 某黏性土处于包气带中,天然含水量为13%,比重为2.72,天然重度为19.4kN/m3,若使该土体饱水,其含水量及重度为()。
	A.21.5、1.99
	B.18.5、2.09
	C.21.5、2.09
	D.18.5、1.99
118、单项选择题 某黏土场地中进行两次重型动力触探,第一次在5m处,地面以上杆长1.0m,贯入15cm的锤击数为18击,第二次在8.0m处,地面以上杆长1.0m,贯入13cm的锤击数为16击,校正后的重型动力触探锤击数分别为()。
	A.11.1、10.5
	B.11.8、10.6
	C.10.8、10.3
	D.11.5、11.3
119、单项选择题 某建筑场地进行跨孔波速测试,获得第3层粉质黏土的剪切波速V=258m/s,压缩波速Vp=960m/s,质量密度ρ=2000kg/m3。计算该层地基土的动剪切模量Gd和动泊松比μd接近于下列()数值。()
	A.Gd=110MPa,μd=0.48
	B.Gd=133MPa,μd=0.46
	C.Gd=260MPa,μd=0.44
	D.Gd=469MPa,μd=0.42
120、单项选择题
	某港口工程勘察时测得土层的天然重度值如下表所示。
	 该土样天然重度的变异系数为()。
该土样天然重度的变异系数为()。
	A.0.007
	B.0.008
	C.0.009
	D.0.010
121、单项选择题 某港口地基勘察时对地下水位以下的中砂土层进行了标准贯入试验,实测标准贯入击数为8击,该砂土的密实度为()。
	A.稍密
	B.中密
	C.密实
	D.极密实
122、单项选择题 某工程岩体中风化岩石饱和单轴抗压强度为16.6MPa,纵波速度为3.5km/s;新鲜岩石饱和单轴抗压强度为19.8MPa,纵波速度为4.0km/s,该岩石风化程度类别为()。
	A.未风化
	B.微风化
	C.中等风化
	D.强风化
123、单项选择题 按《水利水电工程地质勘察规范》(GB50487-2008)判别()选项的无黏性土的渗透变形的破坏形式属于流土。()
	A.不均匀系数小于等于5
	B.不均匀系数小于等于6
	C.不均匀系数大于5
	D.不均匀系数大于6
124、单项选择题
	某黏土试样天然孔隙比为0.987,固结试验各级压力下,固结稳定的孔隙比如下表所示,该土样的压缩系数及压缩模量分别为()。
	A.0.91MPa-1、2.2MPa
	B.0.81MPa-1、12.2MPa
	C.0.81MPa-1、2.2MPa
	D.0.91MPa-1、12.2MPa
125、单项选择题 某套开口钢环式十字板剪切仪的十字板规格D×H=50mm×100mm,钢环率定时的力臂R=210mm,计算十字板常数K接近于下列()数值。()
	A.436.78m-2
	B.458.62m-2
	C.161.77m-2
	D.135.88m-2
126、单项选择题
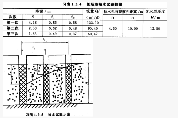
某建筑场地进行多孔抽水试验,底层情况、滤水管位置和孔位如习图1-3.5所示,有两个观测孔,测试主要数据见习表1.3.4。
	
	 假定为稳定流、潜水完整井,计算含水层的平均渗透系数最接近下列()数值。()
假定为稳定流、潜水完整井,计算含水层的平均渗透系数最接近下列()数值。()
	A.24m/d
	B.12m/d
	C.6m/d
	D.3m/d
127、单项选择题 取直径为50mm、长度为70mm的标准岩石试件,进行径向点荷载强度试验,测得破坏时的极限荷载为4000N,破坏瞬间加荷点未发生贯入现象。试问:该岩石的坚硬程度为下列()项。()
	A.坚硬岩
	B.较坚硬岩
	C.较软岩
	D.软岩
128、单项选择题 某港口地基土为砂土,采用面积为5000cm2的圆形载荷板进行平板载荷试验,测得比例极限为180kPa,与其相应的沉降值为10mm,最终荷载为400kPa,相应的沉降值为40cm,但土体未出现破坏现象,该砂土的变形模量及承载力分别为()。
	A.10262.0kPa、200kPa
	B.5736.8kPa、200kPa
	C.10262.0kPa、180kPa
	D.5736.8kPa、180kPa
129、单项选择题
	某民用建筑物地基勘察时室内直剪试验结果如下表所示。
	该土样的内摩聚力和内摩擦角标准值为()。
	A.14.6、15.7°
	B.12.8、14.7°
	C.15.3、16.2°
	D.14.9、16.0°
130、单项选择题 某公路工程中一小桥地基为一般黏性土,室内试验测得孔隙比为0.930,液性指数为0.77,该黏性土地基的承载力[按《公路桥涵地基与基础设计规范》(JTGD63-2007)计算]应为()。
	A.143kPa
	B.166kPa
	C.159.1kPa
	D.171kPa
131、单项选择题 某饱和砂土含水量为25%,土粒比重为2.65,该砂土的天然重度、孔隙比及干密度应为()。
	A.19.9、0.663、15.5
	B.19.9、0.689、16.0
	C.19.5、0.693、15.9
	D.19.9、0.663、15.9
132、单项选择题
	某砂土场地载荷试验资料如下表所示(承压板面积为5000cm2)。
	①试绘出P-S曲线并进行修正。②该土层的承载力为()。
	A.100kPa
	B.200kPa
	C.300kPa
	D.400kPa
133、单项选择题 某场地中地层为黏性土,在3.0m处进行重型动力触探,触探杆长4.0m,探头及杆件系统重20.0kg,探头直径为74mm,重锤落距76cm,贯入15cm的击数为20击,该测试点动贯入阻力为()。
	A.10MPa
	B.11.2MPa
	C.12MPa
	D.13.5MPa
134、单项选择题
某场地进行压水试验,压力和流量关系见表4.6.1,试验段位于地下水位以下,试验段长度5m,地下水位埋藏深度为50m。试问:确定该试验段的透水率(Lu)最接近下列()项。()
	
	A.19.2
	B.20.6
	C.21.2
	D.22.3
135、单项选择题 某干燥土样重度为15.6kN/m3,最大干重度为16.4kN/m3,最小于重度为15.1kN/m3,该砂土的相对密度为()。
	A.0.3
	B.0.4
	C.0.5
	D.0.6
136、单项选择题 某公路工程勘察工作中取得粉土的原状土样,室内测得密度ρ=1.85g/cm3,含水量ω=35%,土粒密度Gs=2.68。该粉土的密实度和湿度分别为()。
	A.稍密,湿
	B.稍密,很湿
	C.中密,湿
	D.中密,很湿