手机用户可
保存上方二维码到手机中,在
微信扫一扫中右上角选择“从
相册选取二维码”即可。
	       
1、填空题  对架空线路的定期检查,重点是()和()。
                    
 
	
	点击查看答案
 本题答案:微信扫下方二维码即可打包下载完整带答案解析版《★线路运行与检修专业考试》或《线路运行与检修专业考试:配电线路工》题库
 
	
	
	        2、问答题  简述DC1500KV开关柜设有哪些保护?
                    
 
	
	点击查看答案
 本题答案:微信扫下方二维码即可打包下载完整带答案解析版《★线路运行与检修专业考试》或《线路运行与检修专业考试:配电线路工》题库
 
	
	
	        3、填空题  机械压接钳是利用()的原理,达到工作的目的。
                    
 
	
	点击查看答案
 本题答案:微信扫下方二维码即可打包下载完整带答案解析版《★线路运行与检修专业考试》或《线路运行与检修专业考试:配电线路工》题库
 
	
	
	        4、填空题  110KV线路纵差动保护的投退需征得()同意后方可进行操作。
                    
 
	
	点击查看答案
 本题答案:微信扫下方二维码即可打包下载完整带答案解析版《★线路运行与检修专业考试》或《线路运行与检修专业考试:配电线路工》题库
 
	
	
	        5、填空题  SF6气体检漏所用仪器一般为()。
                    
 
	
	点击查看答案
 本题答案:微信扫下方二维码即可打包下载完整带答案解析版《★线路运行与检修专业考试》或《线路运行与检修专业考试:配电线路工》题库
 
	
	
	        6、填空题  整流器母排温度超过()℃或整流管散热器温度超过140℃时报警。
                    
 
	
	点击查看答案
 本题答案:微信扫下方二维码即可打包下载完整带答案解析版《★线路运行与检修专业考试》或《线路运行与检修专业考试:配电线路工》题库
 
	
	
	        7、问答题  
	计算题:求安装上导线时上横担自由端A的荷重。已知导线重量G=11701N,起吊布置图如图D-20(a)所示(图中S1为导线风绳的大绳,S2为起吊钢绳)。
	
                     
	
	点击查看答案
 本题答案:微信扫下方二维码即可打包下载完整带答案解析版《★线路运行与检修专业考试》或《线路运行与检修专业考试:配电线路工》题库
 
	
	
	        8、单项选择题  南京地铁一号线直流框架电流保护,大于()A保护动作。
                    
	A、70
	B、75
	C、80
 
	
	点击查看答案
 本题答案:微信扫下方二维码即可打包下载完整带答案解析版《★线路运行与检修专业考试》或《线路运行与检修专业考试:配电线路工》题库
 
	
	
	        9、填空题  常用现场气体湿度测试方法()、露点法和阻容法。
                    
 
	
	点击查看答案
 本题答案:微信扫下方二维码即可打包下载完整带答案解析版《★线路运行与检修专业考试》或《线路运行与检修专业考试:配电线路工》题库
 
	
	
	        10、填空题  南京地铁1号线整流器的交流输入采用阻容保护,抑制过电压;直流输出侧采用()抑制过电压。
                    
 
	
	点击查看答案
 本题答案:微信扫下方二维码即可打包下载完整带答案解析版《★线路运行与检修专业考试》或《线路运行与检修专业考试:配电线路工》题库
 
	
	
	        11、填空题  机械钳压器,是利用()和()传递压力的。
                    
 
	
	点击查看答案
 本题答案:微信扫下方二维码即可打包下载完整带答案解析版《★线路运行与检修专业考试》或《线路运行与检修专业考试:配电线路工》题库
 
	
	
	        12、填空题  移动电具的接地支线必须采用()。
                    
 
	
	点击查看答案
 本题答案:微信扫下方二维码即可打包下载完整带答案解析版《★线路运行与检修专业考试》或《线路运行与检修专业考试:配电线路工》题库
 
	
	
	        13、填空题  目前地铁一号线DC1500V测量熔断器F05受损,对应的SEPCOS输入板第3号指示灯()。
                    
 
	
	点击查看答案
 本题答案:微信扫下方二维码即可打包下载完整带答案解析版《★线路运行与检修专业考试》或《线路运行与检修专业考试:配电线路工》题库
 
	
	
	        14、填空题  变电所的停电操作,即使是有计划的停电,若影响到环控设备的运行,停电前由电调用()。
                    
 
	
	点击查看答案
 本题答案:微信扫下方二维码即可打包下载完整带答案解析版《★线路运行与检修专业考试》或《线路运行与检修专业考试:配电线路工》题库
 
	
	
	        15、填空题  直流柜使用中,不得关闭SEPCOS的(),否则会引起直流柜跳闸。
                    
 
	
	点击查看答案
 本题答案:微信扫下方二维码即可打包下载完整带答案解析版《★线路运行与检修专业考试》或《线路运行与检修专业考试:配电线路工》题库
 
	
	
	        16、填空题  城市轨道交通按车辆重量及载客量可分为()。
                    
 
	
	点击查看答案
 本题答案:微信扫下方二维码即可打包下载完整带答案解析版《★线路运行与检修专业考试》或《线路运行与检修专业考试:配电线路工》题库
 
	
	
	        17、填空题  二号线及南延线35KV开关柜维护接地完成后,只能通过()操作断路器。
                    
 
	
	点击查看答案
 本题答案:微信扫下方二维码即可打包下载完整带答案解析版《★线路运行与检修专业考试》或《线路运行与检修专业考试:配电线路工》题库
 
	
	
	        18、判断题  配电线路的导线在针式绝缘子上固定时用的绑线,可采用任何材质的导线。()
                    
 
	
	点击查看答案
 本题答案:微信扫下方二维码即可打包下载完整带答案解析版《★线路运行与检修专业考试》或《线路运行与检修专业考试:配电线路工》题库
 
	
	
	        19、问答题  写出KMB手车进车操作步骤。
                    
 
	
	点击查看答案
 本题答案:微信扫下方二维码即可打包下载完整带答案解析版《★线路运行与检修专业考试》或《线路运行与检修专业考试:配电线路工》题库
 
	
	
	        20、填空题  允许使用刀闸进行操作的是();拉合空载母线;拉合不超过10公里长的空载线路;拉合变压器中性点的接地线。
                    
 
	
	点击查看答案
 本题答案:微信扫下方二维码即可打包下载完整带答案解析版《★线路运行与检修专业考试》或《线路运行与检修专业考试:配电线路工》题库
 
	
	
	        21、填空题  直流柜的SEPCOS保护功能()、记录功能、通讯功能等。
                    
 
	
	点击查看答案
 本题答案:微信扫下方二维码即可打包下载完整带答案解析版《★线路运行与检修专业考试》或《线路运行与检修专业考试:配电线路工》题库
 
	
	
	        22、填空题  电力工业上用的磁材料都是()材料。
                    
 
	
	点击查看答案
 本题答案:微信扫下方二维码即可打包下载完整带答案解析版《★线路运行与检修专业考试》或《线路运行与检修专业考试:配电线路工》题库
 
	
	
	        23、判断题  针式绝缘子常用于电压较低和导线张力不大的配电线路上。()
                    
 
	
	点击查看答案
 本题答案:微信扫下方二维码即可打包下载完整带答案解析版《★线路运行与检修专业考试》或《线路运行与检修专业考试:配电线路工》题库
 
	
	
	        24、判断题  在电动系功率因数表的测量机构中,两个可动线圈都可以自由转动,它们的夹角就是被测的相位差角。()
                    
 
	
	点击查看答案
 本题答案:微信扫下方二维码即可打包下载完整带答案解析版《★线路运行与检修专业考试》或《线路运行与检修专业考试:配电线路工》题库
 
	
	
	        25、判断题  任何物体在电场中都会受到电场力的作用。()
                    
 
	
	点击查看答案
 本题答案:微信扫下方二维码即可打包下载完整带答案解析版《★线路运行与检修专业考试》或《线路运行与检修专业考试:配电线路工》题库
 
	
	
	        26、判断题  导线连接后,连接管两端附近的导线,不得有鼓包,如鼓包不大于原直径的30%时,可用圆木棍将鼓包部分依次滚平;如超过30%时,必须切断重接。()
                    
 
	
	点击查看答案
 本题答案:微信扫下方二维码即可打包下载完整带答案解析版《★线路运行与检修专业考试》或《线路运行与检修专业考试:配电线路工》题库
 
	
	
	        27、填空题  变电所接地网的接地电阻一般应不大于()欧姆,困难情况下应符合R≤2000/I,并校验接触电势和跨步电势。
                    
 
	
	点击查看答案
 本题答案:微信扫下方二维码即可打包下载完整带答案解析版《★线路运行与检修专业考试》或《线路运行与检修专业考试:配电线路工》题库
 
	
	
	        28、判断题  当铝排需锯割时,应采用细锯条。()
                    
 
	
	点击查看答案
 本题答案:微信扫下方二维码即可打包下载完整带答案解析版《★线路运行与检修专业考试》或《线路运行与检修专业考试:配电线路工》题库
 
	
	
	        29、单项选择题  35KVAIS开关柜的接地开关设置了()。
                    
	A、机械闭锁
	B、电气闭锁
	C、机械闭锁和电气闭锁
 
	
	点击查看答案
 本题答案:微信扫下方二维码即可打包下载完整带答案解析版《★线路运行与检修专业考试》或《线路运行与检修专业考试:配电线路工》题库
 
	
	
	        30、填空题  用塞尺检查隔离开关触头的目的,是检查触头()是否符合要求。
                    
 
	
	点击查看答案
 本题答案:微信扫下方二维码即可打包下载完整带答案解析版《★线路运行与检修专业考试》或《线路运行与检修专业考试:配电线路工》题库
 
	
	
	        31、单项选择题  在正常运行中,35KV开关柜都应打到()位置。
                    
	A、检修
	B、就地
	C、远方
 
	
	点击查看答案
 本题答案:微信扫下方二维码即可打包下载完整带答案解析版《★线路运行与检修专业考试》或《线路运行与检修专业考试:配电线路工》题库
 
	
	
	        32、填空题  用砂轮机磨()时,压力不能太大,操作中必须经常将()浸入冷水进行冷却,以保证加工后的()不退火。
                    
 
	
	点击查看答案
 本题答案:微信扫下方二维码即可打包下载完整带答案解析版《★线路运行与检修专业考试》或《线路运行与检修专业考试:配电线路工》题库
 
	
	
	        33、填空题  悬式绝缘子多组成(),用于35kV及以上的线路上。
                    
 
	
	点击查看答案
 本题答案:微信扫下方二维码即可打包下载完整带答案解析版《★线路运行与检修专业考试》或《线路运行与检修专业考试:配电线路工》题库
 
	
	
	        34、填空题  地锚坑的抗拔力是指地()的分力作用时,抵抗向上滑动的能力。
                    
 
	
	点击查看答案
 本题答案:微信扫下方二维码即可打包下载完整带答案解析版《★线路运行与检修专业考试》或《线路运行与检修专业考试:配电线路工》题库
 
	
	
	        35、填空题  钢丝绳套在制作时,应将每股线头用()处理,以免在操作中()。
                    
 
	
	点击查看答案
 本题答案:微信扫下方二维码即可打包下载完整带答案解析版《★线路运行与检修专业考试》或《线路运行与检修专业考试:配电线路工》题库
 
	
	
	        36、填空题  晶闸管整流电路用于大电感性负载时,为保证正常工作可采用()的方法。
                    
 
	
	点击查看答案
 本题答案:微信扫下方二维码即可打包下载完整带答案解析版《★线路运行与检修专业考试》或《线路运行与检修专业考试:配电线路工》题库
 
	
	
	        37、填空题  三相交流电路中,当A相相序确定后,滞后A相120°的为()。
                    
 
	
	点击查看答案
 本题答案:微信扫下方二维码即可打包下载完整带答案解析版《★线路运行与检修专业考试》或《线路运行与检修专业考试:配电线路工》题库
 
	
	
	        38、填空题  变压器无载调压只能在变压器()下改变分接开关的位置。
                    
 
	
	点击查看答案
 本题答案:微信扫下方二维码即可打包下载完整带答案解析版《★线路运行与检修专业考试》或《线路运行与检修专业考试:配电线路工》题库
 
	
	
	        39、问答题  计算题:某变电所负载为30MW,cosφ=0.8,T=5500h,由1OOkm外的发电厂以11OkV的双回路供电,如图D-10所示,要求线路在一回线运行时不出现过负载。试按经济电流密度选择钢芯铝绞线的截面。(提示:J=0.9A/mm2)
	 
                    
 
	
	点击查看答案
 本题答案:微信扫下方二维码即可打包下载完整带答案解析版《★线路运行与检修专业考试》或《线路运行与检修专业考试:配电线路工》题库
 
	
	
	        40、填空题  防止雷电直击电气设备一般采用()及避雷线,防止感应雷击一般采用避雷器和放电间隙。
                    
 
	
	点击查看答案
 本题答案:微信扫下方二维码即可打包下载完整带答案解析版《★线路运行与检修专业考试》或《线路运行与检修专业考试:配电线路工》题库
 
	
	
	        41、填空题  整流器柜中,()是防止整流管损坏的最后一种保护措施,当流过5倍额定电流时,熔断时间小于20ms,且分断时产生的过电压较低。
                    
 
	
	点击查看答案
 本题答案:微信扫下方二维码即可打包下载完整带答案解析版《★线路运行与检修专业考试》或《线路运行与检修专业考试:配电线路工》题库
 
	
	
	        42、判断题  梯形结(猪蹄扣)它的特点是易结易解,便于使用,常用来抬较重的物体时用。()
                    
 
	
	点击查看答案
 本题答案:微信扫下方二维码即可打包下载完整带答案解析版《★线路运行与检修专业考试》或《线路运行与检修专业考试:配电线路工》题库
 
	
	
	        43、填空题  当滑车起吊重量为()时,两滑车中心的最小允许距离为()。
                    
 
	
	点击查看答案
 本题答案:微信扫下方二维码即可打包下载完整带答案解析版《★线路运行与检修专业考试》或《线路运行与检修专业考试:配电线路工》题库
 
	
	
	        44、填空题  线路施工定位测量工具包括:()、()、()及标志杆等。
                    
 
	
	点击查看答案
 本题答案:微信扫下方二维码即可打包下载完整带答案解析版《★线路运行与检修专业考试》或《线路运行与检修专业考试:配电线路工》题库
 
	
	
	        45、判断题  滑车轮槽不均匀磨损5mm以上者,不得使用。()
                    
 
	
	点击查看答案
 本题答案:微信扫下方二维码即可打包下载完整带答案解析版《★线路运行与检修专业考试》或《线路运行与检修专业考试:配电线路工》题库
 
	
	
	        46、单项选择题  当测得绝缘的吸收比大于()时。就可以认为设备的绝缘是干燥的。
                    
	A.1:1.5;
	B.1:1.2;
	C.1:1.25;
	D.1:1.3。
 
	
	点击查看答案
 本题答案:微信扫下方二维码即可打包下载完整带答案解析版《★线路运行与检修专业考试》或《线路运行与检修专业考试:配电线路工》题库
 
	
	
	        47、填空题  三相四线制线路的中性线,其截面允许比相线小()。
                    
 
	
	点击查看答案
 本题答案:微信扫下方二维码即可打包下载完整带答案解析版《★线路运行与检修专业考试》或《线路运行与检修专业考试:配电线路工》题库
 
	
	
	        48、填空题  链条葫芦在使用中,当吊钩断面磨损超过名义尺寸的(),该部件报废。
                    
 
	
	点击查看答案
 本题答案:微信扫下方二维码即可打包下载完整带答案解析版《★线路运行与检修专业考试》或《线路运行与检修专业考试:配电线路工》题库
 
	
	
	        49、填空题  电磁式继电器是继电保护装置的先期产品,具有一定的()和(),但()、(),也存在一些缺点。
                    
 
	
	点击查看答案
 本题答案:微信扫下方二维码即可打包下载完整带答案解析版《★线路运行与检修专业考试》或《线路运行与检修专业考试:配电线路工》题库
 
	
	
	        50、填空题  检测变压器切换开关时,若发现有()的变比或直流电阻相等,则可能是切换开关的触点没有切换。
                    
 
	
	点击查看答案
 本题答案:微信扫下方二维码即可打包下载完整带答案解析版《★线路运行与检修专业考试》或《线路运行与检修专业考试:配电线路工》题库
 
	
	
	        51、问答题  计算题:一条长50km,的35kV配电线路,双回路,采用LGJ-95导线,水平排列,线间距离为4m。试求线路参数(电阻率为31.5Ω•mm2/km)。
                    
 
	
	点击查看答案
 本题答案:微信扫下方二维码即可打包下载完整带答案解析版《★线路运行与检修专业考试》或《线路运行与检修专业考试:配电线路工》题库
 
	
	
	        52、填空题  三相角形连接线电压等于()。
                    
 
	
	点击查看答案
 本题答案:微信扫下方二维码即可打包下载完整带答案解析版《★线路运行与检修专业考试》或《线路运行与检修专业考试:配电线路工》题库
 
	
	
	        53、判断题  当接地体全部打入地下后,应在四周用土壤埋入但不需夯实。()
                    
 
	
	点击查看答案
 本题答案:微信扫下方二维码即可打包下载完整带答案解析版《★线路运行与检修专业考试》或《线路运行与检修专业考试:配电线路工》题库
 
	
	
	        54、判断题  配电线路因导线断线而进行某一相换新线时,其弧度值应与其他两相一致。()
                    
 
	
	点击查看答案
 本题答案:微信扫下方二维码即可打包下载完整带答案解析版《★线路运行与检修专业考试》或《线路运行与检修专业考试:配电线路工》题库
 
	
	
	        55、单项选择题  南京地铁一号线整流机组采用24脉波整流技术,使两台变压器次边的输出电压之间相差()相位角。
                    
	A、15
	B、12
	C、10
	D、22
 
	
	点击查看答案
 本题答案:微信扫下方二维码即可打包下载完整带答案解析版《★线路运行与检修专业考试》或《线路运行与检修专业考试:配电线路工》题库
 
	
	
	        56、问答题  常见的变压器油有10号、25号、5号,其如何区别?
                    
 
	
	点击查看答案
 本题答案:微信扫下方二维码即可打包下载完整带答案解析版《★线路运行与检修专业考试》或《线路运行与检修专业考试:配电线路工》题库
 
	
	
	        57、问答题  简述南京地铁二号线供电系统供电分区情况。
                    
 
	
	点击查看答案
 本题答案:微信扫下方二维码即可打包下载完整带答案解析版《★线路运行与检修专业考试》或《线路运行与检修专业考试:配电线路工》题库
 
	
	
	        58、填空题  一号线直流框架泄漏保护单元(电流型)安装在负极柜,框架泄漏保护装置型号为()。
                    
 
	
	点击查看答案
 本题答案:微信扫下方二维码即可打包下载完整带答案解析版《★线路运行与检修专业考试》或《线路运行与检修专业考试:配电线路工》题库
 
	
	
	        59、判断题  针式绝缘子的绝缘电阻应在300MΩ以上。()
                    
 
	
	点击查看答案
 本题答案:微信扫下方二维码即可打包下载完整带答案解析版《★线路运行与检修专业考试》或《线路运行与检修专业考试:配电线路工》题库
 
	
	
	        60、填空题  活动扳手不可(),即动扳唇不可作()使用;也不可加长手柄的长度来施加较大的()。
                    
 
	
	点击查看答案
 本题答案:微信扫下方二维码即可打包下载完整带答案解析版《★线路运行与检修专业考试》或《线路运行与检修专业考试:配电线路工》题库
 
	
	
	        61、问答题  计算题:在图D-19所示电路中,已知:R1=R2=300Ω,E=1.4V,当开关K突然于t=0时接通,设uc(0-)=0,试求uc(0+)、uR2(0+)、uc(∞)及uR2(∞)。
                    
 
	
	点击查看答案
 本题答案:微信扫下方二维码即可打包下载完整带答案解析版《★线路运行与检修专业考试》或《线路运行与检修专业考试:配电线路工》题库
 
	
	
	        62、填空题  放线场地,应选择()、()的地形,以便放线工作顺利开展。
                    
 
	
	点击查看答案
 本题答案:微信扫下方二维码即可打包下载完整带答案解析版《★线路运行与检修专业考试》或《线路运行与检修专业考试:配电线路工》题库
 
	
	
	        63、单项选择题  在额定直流电流1.5倍时,整流器同一桥臂中并联整流管稳态电流均衡度应大于()。
                    
	A、0.80
	B、0.85V
	C、0.90
 
	
	点击查看答案
 本题答案:微信扫下方二维码即可打包下载完整带答案解析版《★线路运行与检修专业考试》或《线路运行与检修专业考试:配电线路工》题库
 
	
	
	        64、填空题  牵引降压混合所通过()和整流器将35KV进线电源降压整流为DC1500V电源,再由直流馈线送到接触网上,供电动列车用电。同时,利用钢轨作为负回流线,通过回流电缆与牵引变电所负极柜相接,构成地铁牵引供电系统。
                    
 
	
	点击查看答案
 本题答案:微信扫下方二维码即可打包下载完整带答案解析版《★线路运行与检修专业考试》或《线路运行与检修专业考试:配电线路工》题库
 
	
	
	        65、问答题  分别简述一号线、二号线以及一号南延线负极柜刀闸操作允许的条件?
                    
 
	
	点击查看答案
 本题答案:微信扫下方二维码即可打包下载完整带答案解析版《★线路运行与检修专业考试》或《线路运行与检修专业考试:配电线路工》题库
 
	
	
	        66、填空题  安全技术水平低下和()往往是造成电气事故的原因。
                    
 
	
	点击查看答案
 本题答案:微信扫下方二维码即可打包下载完整带答案解析版《★线路运行与检修专业考试》或《线路运行与检修专业考试:配电线路工》题库
 
	
	
	        67、填空题  对于直线杆及()的转角杆小截面导线,可装设单横担。
                    
 
	
	点击查看答案
 本题答案:微信扫下方二维码即可打包下载完整带答案解析版《★线路运行与检修专业考试》或《线路运行与检修专业考试:配电线路工》题库
 
	
	
	        68、填空题  整流管散热器温度超过()℃或整流器母排温度超过90℃时保护跳闸。
                    
 
	
	点击查看答案
 本题答案:微信扫下方二维码即可打包下载完整带答案解析版《★线路运行与检修专业考试》或《线路运行与检修专业考试:配电线路工》题库
 
	
	
	        69、单项选择题  10kV及以下网络中解、合环路的均衡电流应小于7A,隔离开关断开两侧的电位差:对竖隔离开关不大于(),对横隔离开关不大于100V。
                    
	A.200V;
	B.180V;
	C.160V;
	D.120V。
 
	
	点击查看答案
 本题答案:微信扫下方二维码即可打包下载完整带答案解析版《★线路运行与检修专业考试》或《线路运行与检修专业考试:配电线路工》题库
 
	
	
	        70、判断题  室内外配线时,导线对地的最小垂直距离不得小于2.5m。()
                    
 
	
	点击查看答案
 本题答案:微信扫下方二维码即可打包下载完整带答案解析版《★线路运行与检修专业考试》或《线路运行与检修专业考试:配电线路工》题库
 
	
	
	        71、判断题  为防止线盘的滚动,线盘应平放在地面上。()
                    
 
	
	点击查看答案
 本题答案:微信扫下方二维码即可打包下载完整带答案解析版《★线路运行与检修专业考试》或《线路运行与检修专业考试:配电线路工》题库
 
	
	
	        72、单项选择题  整流器母排温度大于80℃或整流管散热器温度超过140℃发出()。
                    
A、报警信号  
B、跳闸信号  
C、报警和跳闸信号
 
	
	点击查看答案
 本题答案:微信扫下方二维码即可打包下载完整带答案解析版《★线路运行与检修专业考试》或《线路运行与检修专业考试:配电线路工》题库
 
	
	
	        73、问答题  计算题:某现浇基础主柱的配筋n1=8根,φ=22mm的锰硅钢筋,因施工现场无20号锰硅钢筋,现拟用声=22mm的(A3)钢筋代用,试计算代用钢筋需用根数。(提示:φ=20锰硅钢筋抗拉强度Rg1为333MPa;φ22(A3)钢筋的抗拉强度Rg2为235MPa)
                    
 
	
	点击查看答案
 本题答案:微信扫下方二维码即可打包下载完整带答案解析版《★线路运行与检修专业考试》或《线路运行与检修专业考试:配电线路工》题库
 
	
	
	        74、填空题  为了提高功率因数,减少无功功率在电网中流通,无功补偿设备应在()装设。
                    
 
	
	点击查看答案
 本题答案:微信扫下方二维码即可打包下载完整带答案解析版《★线路运行与检修专业考试》或《线路运行与检修专业考试:配电线路工》题库
 
	
	
	        75、填空题  整流器柜架对地的绝缘,用()兆欧表测量柜架对地的绝缘电阻,其阻值应不小于2M。
                    
 
	
	点击查看答案
 本题答案:微信扫下方二维码即可打包下载完整带答案解析版《★线路运行与检修专业考试》或《线路运行与检修专业考试:配电线路工》题库
 
	
	
	        76、填空题  引起心室颤动的电流即为()电流。
                    
 
	
	点击查看答案
 本题答案:微信扫下方二维码即可打包下载完整带答案解析版《★线路运行与检修专业考试》或《线路运行与检修专业考试:配电线路工》题库
 
	
	
	        77、填空题  地铁车站变电所主接线主要由()接线、整流机组挂接、DC1500V接线、动力变压器挂接四部分组成。
                    
 
	
	点击查看答案
 本题答案:微信扫下方二维码即可打包下载完整带答案解析版《★线路运行与检修专业考试》或《线路运行与检修专业考试:配电线路工》题库
 
	
	
	        78、判断题  手拉葫芦及滑车的试验每半年一次;外观检查每月一次。()
                    
 
	
	点击查看答案
 本题答案:微信扫下方二维码即可打包下载完整带答案解析版《★线路运行与检修专业考试》或《线路运行与检修专业考试:配电线路工》题库
 
	
	
	        79、填空题  继电器的动作时间不是固定的,而是按照短路电流的大小,沿继电器的特性曲线作相反的变化即短路电流越小,动作时间越短,这种保护称为()保护.
                    
 
	
	点击查看答案
 本题答案:微信扫下方二维码即可打包下载完整带答案解析版《★线路运行与检修专业考试》或《线路运行与检修专业考试:配电线路工》题库
 
	
	
	        80、填空题  电流的()是电气运行的一大危害。
                    
 
	
	点击查看答案
 本题答案:微信扫下方二维码即可打包下载完整带答案解析版《★线路运行与检修专业考试》或《线路运行与检修专业考试:配电线路工》题库
 
	
	
	        81、填空题  二号线及南延线的轨电位限制装置的控制回路采用()原理,保证一旦控制电源发生故障,装置会自动将钢轨与大地有效短接。
                    
 
	
	点击查看答案
 本题答案:微信扫下方二维码即可打包下载完整带答案解析版《★线路运行与检修专业考试》或《线路运行与检修专业考试:配电线路工》题库
 
	
	
	        82、填空题  登杆用的脚扣,每半年进行一次试验,试验荷重为(),持续时间为()。
                    
 
	
	点击查看答案
 本题答案:微信扫下方二维码即可打包下载完整带答案解析版《★线路运行与检修专业考试》或《线路运行与检修专业考试:配电线路工》题库
 
	
	
	        83、判断题  通常,金属导体的电阻与温度无关。()
                    
 
	
	点击查看答案
 本题答案:微信扫下方二维码即可打包下载完整带答案解析版《★线路运行与检修专业考试》或《线路运行与检修专业考试:配电线路工》题库
 
	
	
	        84、填空题  绝缘油电气强度试验时,应将击穿时的电流限制在()mA左右。
                    
 
	
	点击查看答案
 本题答案:微信扫下方二维码即可打包下载完整带答案解析版《★线路运行与检修专业考试》或《线路运行与检修专业考试:配电线路工》题库
 
	
	
	        85、填空题  一号线及南延线、二号线电力监控系统控制中心位于()。
                    
 
	
	点击查看答案
 本题答案:微信扫下方二维码即可打包下载完整带答案解析版《★线路运行与检修专业考试》或《线路运行与检修专业考试:配电线路工》题库
 
	
	
	        86、填空题  各种线夹除承受机械荷载外,还是()。
                    
 
	
	点击查看答案
 本题答案:微信扫下方二维码即可打包下载完整带答案解析版《★线路运行与检修专业考试》或《线路运行与检修专业考试:配电线路工》题库
 
	
	
	        87、填空题  电杆装配各部螺栓穿向要求:垂直地面者一律由()方向()方穿人。
                    
 
	
	点击查看答案
 本题答案:微信扫下方二维码即可打包下载完整带答案解析版《★线路运行与检修专业考试》或《线路运行与检修专业考试:配电线路工》题库
 
	
	
	        88、单项选择题  8DN8型110KV组合电器是()操作机构。
                    
	A、电磁
	B、弹簧
	C、液压
 
	
	点击查看答案
 本题答案:微信扫下方二维码即可打包下载完整带答案解析版《★线路运行与检修专业考试》或《线路运行与检修专业考试:配电线路工》题库
 
	
	
	        89、填空题  配电线路导线连接管必须采用()的材料制成。
                    
 
	
	点击查看答案
 本题答案:微信扫下方二维码即可打包下载完整带答案解析版《★线路运行与检修专业考试》或《线路运行与检修专业考试:配电线路工》题库
 
	
	
	        90、填空题  南京地铁运营突发事件分为3类()、消防治安类、自然灾害类;突发事件分为2级:重大级、一般级。
                    
 
	
	点击查看答案
 本题答案:微信扫下方二维码即可打包下载完整带答案解析版《★线路运行与检修专业考试》或《线路运行与检修专业考试:配电线路工》题库
 
	
	
	        91、单项选择题  35kV气体绝缘金属封闭开关柜,GIS为()气体绝缘,柜内所有带电部分都受到保护,并能有效防止受潮、空气污染、腐蚀性气体和蒸汽、灰尘以及小动物的影响。
                    
A、CO2  
B、空气  
C、SF6  
D、N2
 
	
	点击查看答案
 本题答案:微信扫下方二维码即可打包下载完整带答案解析版《★线路运行与检修专业考试》或《线路运行与检修专业考试:配电线路工》题库
 
	
	
	        92、单项选择题  变压器中的绝缘油,作为使用条件,下列项目中()是错误的。
                    
	A.绝缘强度高;
	B.化学稳定好;
	C.粘度大;
	D.闪点高。
 
	
	点击查看答案
 本题答案:微信扫下方二维码即可打包下载完整带答案解析版《★线路运行与检修专业考试》或《线路运行与检修专业考试:配电线路工》题库
 
	
	
	        93、单项选择题  南京地铁一号线整流变压器铁芯超过()℃时保护报警。
                    
	A、130
	B、140
	C、150
 
	
	点击查看答案
 本题答案:微信扫下方二维码即可打包下载完整带答案解析版《★线路运行与检修专业考试》或《线路运行与检修专业考试:配电线路工》题库
 
	
	
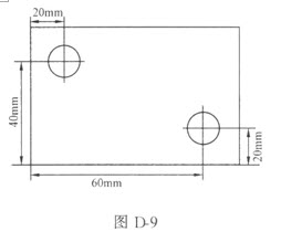
	        94、问答题  计算题:有一零件如图15-9,求两孔中心的直线距离是多少?
	 
                    
 
	
	点击查看答案
 本题答案:微信扫下方二维码即可打包下载完整带答案解析版《★线路运行与检修专业考试》或《线路运行与检修专业考试:配电线路工》题库
 
	
	
	        95、问答题  计算题:已知某送电线路耐张段长1=1400m,代表档距ld=250m,观察档距Ic=260m,(不计悬点高差),测得导线弧垂为fc0=6m,设计要求fc=5.5m,因此需调整弧垂,请计算线长调整量△L。
                    
 
	
	点击查看答案
 本题答案:微信扫下方二维码即可打包下载完整带答案解析版《★线路运行与检修专业考试》或《线路运行与检修专业考试:配电线路工》题库
 
	
	
	        96、填空题  35KV母联开关自投条件()。
                    
 
	
	点击查看答案
 本题答案:微信扫下方二维码即可打包下载完整带答案解析版《★线路运行与检修专业考试》或《线路运行与检修专业考试:配电线路工》题库
 
	
	
	        97、问答题  计算题:已知一台变压器额定容量Se=1OOkVA,空载损耗P0=0.6kW,短路损耗Pd=2.4kW,求满载及cos =0.8时的效率。
=0.8时的效率。
                    
 
	
	点击查看答案
 本题答案:微信扫下方二维码即可打包下载完整带答案解析版《★线路运行与检修专业考试》或《线路运行与检修专业考试:配电线路工》题库
 
	
	
	        98、填空题  变压器绝缘油中的总烃、()、氢含量高,说明设备中有电弧放电缺陷.
                    
 
	
	点击查看答案
 本题答案:微信扫下方二维码即可打包下载完整带答案解析版《★线路运行与检修专业考试》或《线路运行与检修专业考试:配电线路工》题库
 
	
	
	        99、填空题  南京地铁二号线35KV开关柜采用()保护装置,DC1500V开关柜采用SEPCOS保护装置。
                    
 
	
	点击查看答案
 本题答案:微信扫下方二维码即可打包下载完整带答案解析版《★线路运行与检修专业考试》或《线路运行与检修专业考试:配电线路工》题库
 
	
	
	        100、判断题  链条葫芦起重能力在5t以下的只允许二人拉链,5t以上的允许三人拉链。()
                    
 
	
	点击查看答案
 本题答案:微信扫下方二维码即可打包下载完整带答案解析版《★线路运行与检修专业考试》或《线路运行与检修专业考试:配电线路工》题库
 
	
	
	        101、单项选择题  南京地铁DC1500V直流开关是()断路器。
                    
	A、电保持型
	B、磁保持型
 
	
	点击查看答案
 本题答案:微信扫下方二维码即可打包下载完整带答案解析版《★线路运行与检修专业考试》或《线路运行与检修专业考试:配电线路工》题库
 
	
	
	        102、判断题  混凝土用砂细些比粗些好。()
                    
 
	
	点击查看答案
 本题答案:微信扫下方二维码即可打包下载完整带答案解析版《★线路运行与检修专业考试》或《线路运行与检修专业考试:配电线路工》题库
 
	
	
	        103、填空题  一号线直流柜负极/地保护的报警电压是(),跳闸电压是()。
                    
 
	
	点击查看答案
 本题答案:微信扫下方二维码即可打包下载完整带答案解析版《★线路运行与检修专业考试》或《线路运行与检修专业考试:配电线路工》题库
 
	
	
	        104、单项选择题  南京地铁整流变压器二次侧电压为()V。
                    
	A、1800
	B、1500
	C、1200
 
	
	点击查看答案
 本题答案:微信扫下方二维码即可打包下载完整带答案解析版《★线路运行与检修专业考试》或《线路运行与检修专业考试:配电线路工》题库
 
	
	
	        105、填空题  进入正线、辅助线及影响正线行车的施工须经()同意;进入小行基地内线路及影响小行小行基地内行车的施工须经信号楼调度员同意。
                    
 
	
	点击查看答案
 本题答案:微信扫下方二维码即可打包下载完整带答案解析版《★线路运行与检修专业考试》或《线路运行与检修专业考试:配电线路工》题库
 
	
	
	        106、判断题  有两条线路供电的负荷,称之为一级负荷。()
                    
 
	
	点击查看答案
 本题答案:微信扫下方二维码即可打包下载完整带答案解析版《★线路运行与检修专业考试》或《线路运行与检修专业考试:配电线路工》题库
 
	
	
	        107、单项选择题  紧线操作时,有一定的过牵引长度。为了安全,一般规定导线过牵引长度应不大于(),同时,导线的安全系数大于2。
                    
	A.100mm;
	B.200mm;
	C.300mm;
	D.400mm。
 
	
	点击查看答案
 本题答案:微信扫下方二维码即可打包下载完整带答案解析版《★线路运行与检修专业考试》或《线路运行与检修专业考试:配电线路工》题库
 
	
	
	        108、单项选择题  运营时间对设备进行临时抢修后还未完全达到设备的正常运行功能,须在停运后继续设备维修的作业为什么计划。()
                    
	A、月计划
	B、日补充计划
	C、抢险修计划
	D、临时补修
 
	
	点击查看答案
 本题答案:微信扫下方二维码即可打包下载完整带答案解析版《★线路运行与检修专业考试》或《线路运行与检修专业考试:配电线路工》题库
 
	
	
	        109、填空题  双杆立好后应正直,其两杆的高低差只允许在()。
                    
 
	
	点击查看答案
 本题答案:微信扫下方二维码即可打包下载完整带答案解析版《★线路运行与检修专业考试》或《线路运行与检修专业考试:配电线路工》题库
 
	
	
	        110、填空题  变压器发生内部故障时的主保护是()动作.
                    
 
	
	点击查看答案
 本题答案:微信扫下方二维码即可打包下载完整带答案解析版《★线路运行与检修专业考试》或《线路运行与检修专业考试:配电线路工》题库
 
	
	
	        111、判断题  电杆装配各部螺栓两端必须有垫片,伸出螺帽长度可大于50mm。()
                    
 
	
	点击查看答案
 本题答案:微信扫下方二维码即可打包下载完整带答案解析版《★线路运行与检修专业考试》或《线路运行与检修专业考试:配电线路工》题库
 
	
	
	        112、填空题  导线在档距内接头处的电阻值不应()等长导线的电阻值。
                    
 
	
	点击查看答案
 本题答案:微信扫下方二维码即可打包下载完整带答案解析版《★线路运行与检修专业考试》或《线路运行与检修专业考试:配电线路工》题库
 
	
	
	        113、填空题  南京地铁1#、2#线整流变压器容量分别有为()。
                    
 
	
	点击查看答案
 本题答案:微信扫下方二维码即可打包下载完整带答案解析版《★线路运行与检修专业考试》或《线路运行与检修专业考试:配电线路工》题库
 
	
	
	        114、判断题  横担必须装的水平,其倾斜度不得大于5%。()
                    
 
	
	点击查看答案
 本题答案:微信扫下方二维码即可打包下载完整带答案解析版《★线路运行与检修专业考试》或《线路运行与检修专业考试:配电线路工》题库
 
	
	
	        115、单项选择题  南地一号线110KV配电装置由()生产的气体绝缘金属封闭开关柜。
                    
	A、上海西门子高压开关有限公司
	B、江苏华鹏变压器有限公司
	C、沈阳高压成套开关厂﹒大连坤光电器有限公司联合体
	D、江苏长江电器股份有限公司
 
	
	点击查看答案
 本题答案:微信扫下方二维码即可打包下载完整带答案解析版《★线路运行与检修专业考试》或《线路运行与检修专业考试:配电线路工》题库
 
	
	
	        116、填空题  变压器的损耗包括()、()两类。
                    
 
	
	点击查看答案
 本题答案:微信扫下方二维码即可打包下载完整带答案解析版《★线路运行与检修专业考试》或《线路运行与检修专业考试:配电线路工》题库
 
	
	
	        117、填空题  主变压器的呼吸器玻璃空气干燥器中硅胶由宝石蓝色变为粉红色表示已开始失效,变色不应超过()。
                    
 
	
	点击查看答案
 本题答案:微信扫下方二维码即可打包下载完整带答案解析版《★线路运行与检修专业考试》或《线路运行与检修专业考试:配电线路工》题库
 
	
	
	        118、判断题  电阻率在107Ω•m以上的绝缘体材料绝对绝缘。()
                    
 
	
	点击查看答案
 本题答案:微信扫下方二维码即可打包下载完整带答案解析版《★线路运行与检修专业考试》或《线路运行与检修专业考试:配电线路工》题库
 
	
	
	        119、判断题  在使用瓷横担时,其弯曲度不应大于2%。()
                    
 
	
	点击查看答案
 本题答案:微信扫下方二维码即可打包下载完整带答案解析版《★线路运行与检修专业考试》或《线路运行与检修专业考试:配电线路工》题库
 
	
	
	        120、填空题  为确保供电可靠性,二号线及南延线直流柜后门打开,断路器(),而一号线直流柜后门打开后,所有直流断路器将跳闸。
                    
 
	
	点击查看答案
 本题答案:微信扫下方二维码即可打包下载完整带答案解析版《★线路运行与检修专业考试》或《线路运行与检修专业考试:配电线路工》题库
 
	
	
	        121、问答题  简述奥体中心牵引降压所102开关分闸后(非差动保护),设备运行情况。
                    
 
	
	点击查看答案
 本题答案:微信扫下方二维码即可打包下载完整带答案解析版《★线路运行与检修专业考试》或《线路运行与检修专业考试:配电线路工》题库
 
	
	
	        122、填空题  为防止电气设备意外带电而发生触电事故,并保障电气设备正常运行,可采取()等多种措施。
                    
 
	
	点击查看答案
 本题答案:微信扫下方二维码即可打包下载完整带答案解析版《★线路运行与检修专业考试》或《线路运行与检修专业考试:配电线路工》题库
 
	
	
	        123、填空题  查找二次回路故障时,常使用三种方法:即()、电压降法、对地电位法;第一种方法必须拉开操作电源,后两种方法则必须接入操作电源。
                    
 
	
	点击查看答案
 本题答案:微信扫下方二维码即可打包下载完整带答案解析版《★线路运行与检修专业考试》或《线路运行与检修专业考试:配电线路工》题库
 
	
	
	        124、单项选择题  使用压钳进行冷压接时,应先压()鼻子口的坑。
                    
	A、靠近
	B、远离
 
	
	点击查看答案
 本题答案:微信扫下方二维码即可打包下载完整带答案解析版《★线路运行与检修专业考试》或《线路运行与检修专业考试:配电线路工》题库
 
	
	
	        125、填空题  二号线及南延线直流框架保护分为电压型和()保护和电流FP-2型保护。
                    
 
	
	点击查看答案
 本题答案:微信扫下方二维码即可打包下载完整带答案解析版《★线路运行与检修专业考试》或《线路运行与检修专业考试:配电线路工》题库
 
	
	
	        126、填空题  低压三相电源和负载一般都按()连接。
                    
 
	
	点击查看答案
 本题答案:微信扫下方二维码即可打包下载完整带答案解析版《★线路运行与检修专业考试》或《线路运行与检修专业考试:配电线路工》题库
 
	
	
	        127、填空题  合理地选择变压器的位置和配电线路的方法是()的措施。
                    
 
	
	点击查看答案
 本题答案:微信扫下方二维码即可打包下载完整带答案解析版《★线路运行与检修专业考试》或《线路运行与检修专业考试:配电线路工》题库
 
	
	
	        128、判断题  杆上作业时,应将工具放在方便工作的位置上。()
                    
 
	
	点击查看答案
 本题答案:微信扫下方二维码即可打包下载完整带答案解析版《★线路运行与检修专业考试》或《线路运行与检修专业考试:配电线路工》题库
 
	
	
	        129、问答题  WCK-65C采集的硬接点信号主要包括哪些?
                    
 
	
	点击查看答案
 本题答案:微信扫下方二维码即可打包下载完整带答案解析版《★线路运行与检修专业考试》或《线路运行与检修专业考试:配电线路工》题库
 
	
	
	        130、填空题  电位是()的。离开()谈电位没有意义。
                    
 
	
	点击查看答案
 本题答案:微信扫下方二维码即可打包下载完整带答案解析版《★线路运行与检修专业考试》或《线路运行与检修专业考试:配电线路工》题库
 
	
	
	        131、判断题  选择功率表量程时,只要表的功率量程大于被测功率就可以了。()
                    
 
	
	点击查看答案
 本题答案:微信扫下方二维码即可打包下载完整带答案解析版《★线路运行与检修专业考试》或《线路运行与检修专业考试:配电线路工》题库
 
	
	
	        132、填空题  事故停电是影响()的主要原因,而()是事故停电的主要原因。
                    
 
	
	点击查看答案
 本题答案:微信扫下方二维码即可打包下载完整带答案解析版《★线路运行与检修专业考试》或《线路运行与检修专业考试:配电线路工》题库
 
	
	
	        133、问答题  计算题:一台Y,y0~Y,y11的三相变压器,容量180kVA,额定电压10/0.4kV,频率50Hz,每匝绕组的感应电势为5.133V,铁芯截面积为159.99cm2,求:(1)变比是多少?(2)一次、二次绕组的匝数是多少?(3)铁芯中的磁通密度是多少?
                    
 
	
	点击查看答案
 本题答案:微信扫下方二维码即可打包下载完整带答案解析版《★线路运行与检修专业考试》或《线路运行与检修专业考试:配电线路工》题库
 
	
	
	        134、填空题  南京地铁2号线SCADA站级设备中WTX-65U的主要功能是()。
                    
 
	
	点击查看答案
 本题答案:微信扫下方二维码即可打包下载完整带答案解析版《★线路运行与检修专业考试》或《线路运行与检修专业考试:配电线路工》题库
 
	
	
	        135、填空题  放()时,应按导地线的规格及每相导线的根数和荷重来选用放线滑车。
                    
 
	
	点击查看答案
 本题答案:微信扫下方二维码即可打包下载完整带答案解析版《★线路运行与检修专业考试》或《线路运行与检修专业考试:配电线路工》题库
 
	
	
	        136、判断题  钢筋混凝土电杆的杆身弯曲不得超过杆长的2%。()
                    
 
	
	点击查看答案
 本题答案:微信扫下方二维码即可打包下载完整带答案解析版《★线路运行与检修专业考试》或《线路运行与检修专业考试:配电线路工》题库
 
	
	
	        137、问答题  分析Masterpact MT断路器意外跳闸的可能原因(按钮指示器没有发出故障跳闸信号)。
                    
 
	
	点击查看答案
 本题答案:微信扫下方二维码即可打包下载完整带答案解析版《★线路运行与检修专业考试》或《线路运行与检修专业考试:配电线路工》题库
 
	
	
	        138、填空题  两条平行导线中流过()的电流时,导线相互吸引。
                    
 
	
	点击查看答案
 本题答案:微信扫下方二维码即可打包下载完整带答案解析版《★线路运行与检修专业考试》或《线路运行与检修专业考试:配电线路工》题库
 
	
	
	        139、判断题  由于铝导线比铜导线导电性能好,故使用广泛。()
                    
 
	
	点击查看答案
 本题答案:微信扫下方二维码即可打包下载完整带答案解析版《★线路运行与检修专业考试》或《线路运行与检修专业考试:配电线路工》题库
 
	
	
	        140、单项选择题  南京地铁二号线马群主变压器额定容量()。
                    
	A、35MVA
	B、31.5MVA
	C、25MVA
	D、110MVA
 
	
	点击查看答案
 本题答案:微信扫下方二维码即可打包下载完整带答案解析版《★线路运行与检修专业考试》或《线路运行与检修专业考试:配电线路工》题库
 
	
	
	        141、单项选择题  南京地铁一号线整流器的二只快速熔断器熔断发出()。
                    
	A、报警信号
	B、跳闸信号
	C、报警和跳闸信号
 
	
	点击查看答案
 本题答案:微信扫下方二维码即可打包下载完整带答案解析版《★线路运行与检修专业考试》或《线路运行与检修专业考试:配电线路工》题库
 
	
	
	        142、判断题  钢锯安装锯条时,锯齿尖应向前,锯条要调紧,越紧越好。()
                    
 
	
	点击查看答案
 本题答案:微信扫下方二维码即可打包下载完整带答案解析版《★线路运行与检修专业考试》或《线路运行与检修专业考试:配电线路工》题库
 
	
	
	        143、填空题  整流器PLC状态显示灯,RUN灯绿色亮,表示PLC正在运行,闪烁表示PLC已经停止,ERR灯红色亮,表示PLC上()故障。
                    
 
	
	点击查看答案
 本题答案:微信扫下方二维码即可打包下载完整带答案解析版《★线路运行与检修专业考试》或《线路运行与检修专业考试:配电线路工》题库
 
	
	
	        144、单项选择题  南京地铁一号线、二号线SCADA监控中心设在()
                    
A.珠江路  
B.安德门  
C.迈皋桥  
D.奥体中心
 
	
	点击查看答案
 本题答案:微信扫下方二维码即可打包下载完整带答案解析版《★线路运行与检修专业考试》或《线路运行与检修专业考试:配电线路工》题库
 
	
	
	        145、填空题  进行绝缘油电气强度试验步骤:清洗油杯、油样处理、()。
                    
 
	
	点击查看答案
 本题答案:微信扫下方二维码即可打包下载完整带答案解析版《★线路运行与检修专业考试》或《线路运行与检修专业考试:配电线路工》题库
 
	
	
	        146、填空题  基本逻辑门电路有(),利用此三种基本逻辑门电路的不同组合,可以构成各种复杂的逻辑门电路。
                    
 
	
	点击查看答案
 本题答案:微信扫下方二维码即可打包下载完整带答案解析版《★线路运行与检修专业考试》或《线路运行与检修专业考试:配电线路工》题库
 
	
	
	        147、填空题  动滑车是把滑车设置在吊运的构件上,与构件一起运动,它能改变力的()和()。
                    
 
	
	点击查看答案
 本题答案:微信扫下方二维码即可打包下载完整带答案解析版《★线路运行与检修专业考试》或《线路运行与检修专业考试:配电线路工》题库
 
	
	
	        148、单项选择题  事故紧急处理(),但必须采取安全措施。
                    
	A、不签发工作票
	B、需签发工作票
 
	
	点击查看答案
 本题答案:微信扫下方二维码即可打包下载完整带答案解析版《★线路运行与检修专业考试》或《线路运行与检修专业考试:配电线路工》题库
 
	
	
	        149、填空题  整流器的一只快速熔断器熔断发出(),二只快速熔断器熔断发出跳闸信号。
                    
 
	
	点击查看答案
 本题答案:微信扫下方二维码即可打包下载完整带答案解析版《★线路运行与检修专业考试》或《线路运行与检修专业考试:配电线路工》题库
 
	
	
	        150、单项选择题  10kV配电线路,为提高线路的耐雷水平,加强绝缘,如采用铁横担时,宜采用()型绝缘子。
                    
	A.P-6;
	B.P-10;
	C.P-15;
	D.P-35。
 
	
	点击查看答案
 本题答案:微信扫下方二维码即可打包下载完整带答案解析版《★线路运行与检修专业考试》或《线路运行与检修专业考试:配电线路工》题库
 
	
	
	        151、填空题  自耦变压器的最大优点是输出电压(),但与它的一、二次侧间有着直接的联系,因此不能作为安全电源变压器。
                    
 
	
	点击查看答案
 本题答案:微信扫下方二维码即可打包下载完整带答案解析版《★线路运行与检修专业考试》或《线路运行与检修专业考试:配电线路工》题库
 
	
	
	        152、填空题  ()和()都是线路施工中承载拉力的起重工具。
                    
 
	
	点击查看答案
 本题答案:微信扫下方二维码即可打包下载完整带答案解析版《★线路运行与检修专业考试》或《线路运行与检修专业考试:配电线路工》题库
 
	
	
	        153、填空题  卡盘的装设方位,对于直线杆应按()方向()埋设。
                    
 
	
	点击查看答案
 本题答案:微信扫下方二维码即可打包下载完整带答案解析版《★线路运行与检修专业考试》或《线路运行与检修专业考试:配电线路工》题库
 
	
	
	        154、问答题  计算题:一般钢筋混凝土电杆的容重γ=2650kg/m3,试求杆长为L=12m,壁厚t=50mm,根径为D=350mm的拔梢杆的质量。(提示:λ=1/75)
                    
 
	
	点击查看答案
 本题答案:微信扫下方二维码即可打包下载完整带答案解析版《★线路运行与检修专业考试》或《线路运行与检修专业考试:配电线路工》题库
 
	
	
	        155、填空题  在数字电路中,用来完成“与”的复合逻辑门电路叫与门电路,其逻辑表达式是()。
                    
 
	
	点击查看答案
 本题答案:微信扫下方二维码即可打包下载完整带答案解析版《★线路运行与检修专业考试》或《线路运行与检修专业考试:配电线路工》题库
 
	
	
	        156、填空题  电工不可使用()的螺丝刀。
                    
 
	
	点击查看答案
 本题答案:微信扫下方二维码即可打包下载完整带答案解析版《★线路运行与检修专业考试》或《线路运行与检修专业考试:配电线路工》题库
 
	
	
	        157、填空题  主所110KV变压器后备保护包括变压器110KV侧过电流保护和()过电流保护。
                    
 
	
	点击查看答案
 本题答案:微信扫下方二维码即可打包下载完整带答案解析版《★线路运行与检修专业考试》或《线路运行与检修专业考试:配电线路工》题库
 
	
	
	        158、判断题  导线在蝶式绝缘子进行终端绑扎时,其绑扎长度不得大于120mm。()
                    
 
	
	点击查看答案
 本题答案:微信扫下方二维码即可打包下载完整带答案解析版《★线路运行与检修专业考试》或《线路运行与检修专业考试:配电线路工》题库
 
	
	
	        159、单项选择题  人体与35KV带电体之间最小安全距离为()(有安全遮拦)。
                    
	A、0.35M
	B、0.6M
	C、0.7M
	D、1.0M
 
	
	点击查看答案
 本题答案:微信扫下方二维码即可打包下载完整带答案解析版《★线路运行与检修专业考试》或《线路运行与检修专业考试:配电线路工》题库
 
	
	
	        160、问答题  计算题:一台三绕组为△接的三相电动机,为了减少启动电流,启动时三相绕组先作Y接,启动后再改为△接,求电动机Y接启动和△接启动两种情况下线电流的比值。
                    
 
	
	点击查看答案
 本题答案:微信扫下方二维码即可打包下载完整带答案解析版《★线路运行与检修专业考试》或《线路运行与检修专业考试:配电线路工》题库
 
	
	
	        161、填空题  电能的消费方式是决定()的主要条件因素。
                    
 
	
	点击查看答案
 本题答案:微信扫下方二维码即可打包下载完整带答案解析版《★线路运行与检修专业考试》或《线路运行与检修专业考试:配电线路工》题库
 
	
	
	        162、判断题  凡是铁塔线路都是超高压输电线路。()
                    
 
	
	点击查看答案
 本题答案:微信扫下方二维码即可打包下载完整带答案解析版《★线路运行与检修专业考试》或《线路运行与检修专业考试:配电线路工》题库
 
	
	
	        163、填空题  南京地铁二号线全线共设置()座牵引降压混合所、14座降压所、9座跟随式降压所。
                    
 
	
	点击查看答案
 本题答案:微信扫下方二维码即可打包下载完整带答案解析版《★线路运行与检修专业考试》或《线路运行与检修专业考试:配电线路工》题库
 
	
	
	        164、问答题  计算题:二号线某整流变压器的容量为3300KVA,通过计算,求出其一二次额定电流?
                    
 
	
	点击查看答案
 本题答案:微信扫下方二维码即可打包下载完整带答案解析版《★线路运行与检修专业考试》或《线路运行与检修专业考试:配电线路工》题库
 
	
	
	        165、单项选择题  对电气仪表的准确度的要求是:用于发电机和调相机上的交流仪表,不低于1.5级;用于其他设备和线路上的交流仪表应不低于()。
                    
	A.2.5级;
	B.2级;
	C.1.5级;
	D.0.5级。
 
	
	点击查看答案
 本题答案:微信扫下方二维码即可打包下载完整带答案解析版《★线路运行与检修专业考试》或《线路运行与检修专业考试:配电线路工》题库
 
	
	
	        166、填空题  悬式绝缘子的绝缘电阻应在()以上。
                    
 
	
	点击查看答案
 本题答案:微信扫下方二维码即可打包下载完整带答案解析版《★线路运行与检修专业考试》或《线路运行与检修专业考试:配电线路工》题库
 
	
	
	        167、问答题  计算题:如图D-12(a),拉杆BC由40mm×40mm×4mm的等边角钢制成,角钢的许用应力[δ]=160MPa,当起重P=20kN时,试校核杆BC的强度。
	 
                    
 
	
	点击查看答案
 本题答案:微信扫下方二维码即可打包下载完整带答案解析版《★线路运行与检修专业考试》或《线路运行与检修专业考试:配电线路工》题库
 
	
	
	        168、单项选择题  做工频耐压试验时,()试验电压以下的升压速度是任意的,以后的升压速度按每秒3%的速度均匀上升。
                    
	A.60%;
	B.50%;
	C.40%;
	D.30%。
 
	
	点击查看答案
 本题答案:微信扫下方二维码即可打包下载完整带答案解析版《★线路运行与检修专业考试》或《线路运行与检修专业考试:配电线路工》题库
 
	
	
	        169、填空题  二氧化碳灭火器可以用来扑灭()的电气火灾。
                    
 
	
	点击查看答案
 本题答案:微信扫下方二维码即可打包下载完整带答案解析版《★线路运行与检修专业考试》或《线路运行与检修专业考试:配电线路工》题库
 
	
	
	        170、单项选择题  直流开关设备绝缘安装,通过()继电器单点接地。
                    
	A、电流型
	B、电压型
 
	
	点击查看答案
 本题答案:微信扫下方二维码即可打包下载完整带答案解析版《★线路运行与检修专业考试》或《线路运行与检修专业考试:配电线路工》题库
 
	
	
	        171、判断题  10kV电力系统,通常采用中性点不接地方式。()
                    
 
	
	点击查看答案
 本题答案:微信扫下方二维码即可打包下载完整带答案解析版《★线路运行与检修专业考试》或《线路运行与检修专业考试:配电线路工》题库
 
	
	
	        172、判断题  1~1OkV配电线路采用钢芯铝绞线时,最小截面在非居民区不得小于25mm2。()
                    
 
	
	点击查看答案
 本题答案:微信扫下方二维码即可打包下载完整带答案解析版《★线路运行与检修专业考试》或《线路运行与检修专业考试:配电线路工》题库
 
	
	
	        173、填空题  一号线110KV主所采用的110KV开关设备,型号规格为(),安德门主所二条110KV进线回路名称分别为闸铁线、雨闸线。其中,闸铁线为地铁专用线。
                    
 
	
	点击查看答案
 本题答案:微信扫下方二维码即可打包下载完整带答案解析版《★线路运行与检修专业考试》或《线路运行与检修专业考试:配电线路工》题库
 
	
	
	        174、判断题  钢丝绳套在制作时,各股应穿插4次以上。使用前必须经过100%的负荷试验。()
                    
 
	
	点击查看答案
 本题答案:微信扫下方二维码即可打包下载完整带答案解析版《★线路运行与检修专业考试》或《线路运行与检修专业考试:配电线路工》题库
 
	
	
	        175、判断题  单杆式变压器台架适用于安装50kVA容量以下的配电变压器。()
                    
 
	
	点击查看答案
 本题答案:微信扫下方二维码即可打包下载完整带答案解析版《★线路运行与检修专业考试》或《线路运行与检修专业考试:配电线路工》题库
 
	
	
	        176、问答题  计算题:一台三绕组为△接三相电动机的功率为2.4kW,把它接到线电压为380V的三相电源上,用钳形电流表测得线电流为6.1A,求此电动机的功率因数及每相绕组的电阻和电感值。
                    
 
	
	点击查看答案
 本题答案:微信扫下方二维码即可打包下载完整带答案解析版《★线路运行与检修专业考试》或《线路运行与检修专业考试:配电线路工》题库
 
	
	
	        177、问答题  计算题:一线路工程已进入放线施工阶段,已知导线的密度ρ=0.598kg/m,导线拖放长度为L=800m,放线始点与终点高差为h=6m,上坡放线,摩擦系数μ=0.5,试计算放线牵引力P为多少?
                    
 
	
	点击查看答案
 本题答案:微信扫下方二维码即可打包下载完整带答案解析版《★线路运行与检修专业考试》或《线路运行与检修专业考试:配电线路工》题库
 
	
	
	        178、填空题  南延线供电系统为110kV-35kV两级电压集中供电方式,在()附近新建110kV主变电站一座,同时在原一号线安德门主变电站引出两回35kV出线回路,由其共同向地铁35kV牵引变电所及35kV降压变电所供电,35kV联络开关设在花神庙站。
                    
 
	
	点击查看答案
 本题答案:微信扫下方二维码即可打包下载完整带答案解析版《★线路运行与检修专业考试》或《线路运行与检修专业考试:配电线路工》题库
 
	
	
	        179、判断题  悬式绝缘子串组装对碗口方向没有规定。()
                    
 
	
	点击查看答案
 本题答案:微信扫下方二维码即可打包下载完整带答案解析版《★线路运行与检修专业考试》或《线路运行与检修专业考试:配电线路工》题库
 
	
	
	        180、填空题  DC1500V牵引接触网采用()供电方式,以减小线路压降和损耗。当一座牵引变电站因故障退出运行时,为减少压降,应采取大双边供电。
                    
 
	
	点击查看答案
 本题答案:微信扫下方二维码即可打包下载完整带答案解析版《★线路运行与检修专业考试》或《线路运行与检修专业考试:配电线路工》题库
 
	
	
	        181、问答题  计算题:如图D-7电路中,C1=0.3μF,C2=O.4μF,C3=0.6μF,C4=0.2μF。求开关S断开时与闭合时,A、B两点间的等效电容CAB。
	 
                    
 
	
	点击查看答案
 本题答案:微信扫下方二维码即可打包下载完整带答案解析版《★线路运行与检修专业考试》或《线路运行与检修专业考试:配电线路工》题库
 
	
	
	        182、判断题  三相四线制中的中性线也应装设熔断器。()
                    
 
	
	点击查看答案
 本题答案:微信扫下方二维码即可打包下载完整带答案解析版《★线路运行与检修专业考试》或《线路运行与检修专业考试:配电线路工》题库
 
	
	
	        183、填空题  锉刀进行锉削工作时,采用(),较容易将工作面()。
                    
 
	
	点击查看答案
 本题答案:微信扫下方二维码即可打包下载完整带答案解析版《★线路运行与检修专业考试》或《线路运行与检修专业考试:配电线路工》题库
 
	
	
	        184、单项选择题  南京地铁一号线及南延线整流变压器二次侧电压为()V。
                    
	A.1800
	B.1500
	C.1200
	D.1180
 
	
	点击查看答案
 本题答案:微信扫下方二维码即可打包下载完整带答案解析版《★线路运行与检修专业考试》或《线路运行与检修专业考试:配电线路工》题库
 
	
	
	        185、填空题  电气设备的()和()各有各的国家标准。
                    
 
	
	点击查看答案
 本题答案:微信扫下方二维码即可打包下载完整带答案解析版《★线路运行与检修专业考试》或《线路运行与检修专业考试:配电线路工》题库
 
	
	
	        186、判断题  空载运行的变压器,二次没有电流,但存在去磁作用,故空载电流很小。()
                    
 
	
	点击查看答案
 本题答案:微信扫下方二维码即可打包下载完整带答案解析版《★线路运行与检修专业考试》或《线路运行与检修专业考试:配电线路工》题库
 
	
	
	        187、填空题  DC1500v进线柜逆流保护联跳AC35kv断路器,逆流动作设定值为()。
                    
 
	
	点击查看答案
 本题答案:微信扫下方二维码即可打包下载完整带答案解析版《★线路运行与检修专业考试》或《线路运行与检修专业考试:配电线路工》题库
 
	
	
	        188、填空题  母线相序的色别规定L1相为(),L2相为绿色,L3相为红色,其中接地零线为黑色。
                    
 
	
	点击查看答案
 本题答案:微信扫下方二维码即可打包下载完整带答案解析版《★线路运行与检修专业考试》或《线路运行与检修专业考试:配电线路工》题库
 
	
	
	        189、填空题  对于电缆线路的绝缘状态主要以()的大小为判断的依据。
                    
 
	
	点击查看答案
 本题答案:微信扫下方二维码即可打包下载完整带答案解析版《★线路运行与检修专业考试》或《线路运行与检修专业考试:配电线路工》题库
 
	
	
	        190、判断题  当导线需在档距内接头,其距离绝缘子及横担不能大于0.5m。()
                    
 
	
	点击查看答案
 本题答案:微信扫下方二维码即可打包下载完整带答案解析版《★线路运行与检修专业考试》或《线路运行与检修专业考试:配电线路工》题库
 
	
	
	        191、填空题  南延线一共15座车站,设变电所()个,其中主所1座,位于小龙湾站;牵混所8座,降压所8座,跟随所3座。
                    
 
	
	点击查看答案
 本题答案:微信扫下方二维码即可打包下载完整带答案解析版《★线路运行与检修专业考试》或《线路运行与检修专业考试:配电线路工》题库
 
	
	
	        192、填空题  凡装变压器台架的电杆坑,坑底必须填有防电杆下沉的()。
                    
 
	
	点击查看答案
 本题答案:微信扫下方二维码即可打包下载完整带答案解析版《★线路运行与检修专业考试》或《线路运行与检修专业考试:配电线路工》题库
 
	
	
	        193、问答题  简述SEPCOS模块双边联跳的实现过程。
                    
 
	
	点击查看答案
 本题答案:微信扫下方二维码即可打包下载完整带答案解析版《★线路运行与检修专业考试》或《线路运行与检修专业考试:配电线路工》题库
 
	
	
	        194、判断题  用钻头在铸铁上钻孔时,由于铸铁较脆,钻头不易磨损。()
                    
 
	
	点击查看答案
 本题答案:微信扫下方二维码即可打包下载完整带答案解析版《★线路运行与检修专业考试》或《线路运行与检修专业考试:配电线路工》题库
 
	
	
	        195、填空题  DC1500V母线正极对地及正负极之间设()组避雷器,用于过电压保护。
                    
 
	
	点击查看答案
 本题答案:微信扫下方二维码即可打包下载完整带答案解析版《★线路运行与检修专业考试》或《线路运行与检修专业考试:配电线路工》题库
 
	
	
	        196、判断题  在小导线进行直接捻接时,只需将绝缘层除去,即可进行连接。()
                    
 
	
	点击查看答案
 本题答案:微信扫下方二维码即可打包下载完整带答案解析版《★线路运行与检修专业考试》或《线路运行与检修专业考试:配电线路工》题库
 
	
	
	        197、问答题  计算题:因工作需要安装一台鼠笼式电动机,已知Ue=380V,功率P=1OkW,启动电流倍数N=7.5,满载时效率N=0.87,功率因数cos =0.86,负载系数KL,=0.9。问如何选择熔断器进行保护?
=0.86,负载系数KL,=0.9。问如何选择熔断器进行保护?
                    
 
	
	点击查看答案
 本题答案:微信扫下方二维码即可打包下载完整带答案解析版《★线路运行与检修专业考试》或《线路运行与检修专业考试:配电线路工》题库
 
	
	
	        198、判断题  配电线路导线连接方法很多,直径为3.2mm以上的单股铜线可采用捻接法。()
                    
 
	
	点击查看答案
 本题答案:微信扫下方二维码即可打包下载完整带答案解析版《★线路运行与检修专业考试》或《线路运行与检修专业考试:配电线路工》题库
 
	
	
	        199、填空题  对电容量较大的试品进行交流耐压试验应采用()、并联或串并联谐振的方法。
                    
 
	
	点击查看答案
 本题答案:微信扫下方二维码即可打包下载完整带答案解析版《★线路运行与检修专业考试》或《线路运行与检修专业考试:配电线路工》题库
 
	
	
	        200、判断题  电压变动幅度是实际电压与额定电压之差。()
                    
 
	
	点击查看答案
 本题答案:微信扫下方二维码即可打包下载完整带答案解析版《★线路运行与检修专业考试》或《线路运行与检修专业考试:配电线路工》题库
 
	
	
	        201、问答题  计算题:有一条额定电压为110kV的单回路架空线,线路长度为50m,线间几何均距为5m,线路末端负载为15MW,功率因数cosφ=0.85,年最大负载利用时间Tmax=6000h,请完成以下计算:1.按经济电流密度选择导线截面;(提示:J=0.9A/mm2)2.按容许的电压损耗(△Uxu%=10)进行校验。[提示:r0=0.27Ω/km,x0=0.423Ω/km]
                    
 
	
	点击查看答案
 本题答案:微信扫下方二维码即可打包下载完整带答案解析版《★线路运行与检修专业考试》或《线路运行与检修专业考试:配电线路工》题库
 
	
	
	        202、填空题  三相电路的总功率等于各功率()。
                    
 
	
	点击查看答案
 本题答案:微信扫下方二维码即可打包下载完整带答案解析版《★线路运行与检修专业考试》或《线路运行与检修专业考试:配电线路工》题库
 
	
	
	        203、判断题  三相星形连接线电压等于相电压。()
                    
 
	
	点击查看答案
 本题答案:微信扫下方二维码即可打包下载完整带答案解析版《★线路运行与检修专业考试》或《线路运行与检修专业考试:配电线路工》题库
 
	
	
	        204、单项选择题  导线避雷线在放线过程中,出现灯笼状的直径超过导线直径的()而又无法修复时,应锯断重接。
                    
	A.5倍
	B.6倍
	C.8倍
	D.1倍
 
	
	点击查看答案
 本题答案:微信扫下方二维码即可打包下载完整带答案解析版《★线路运行与检修专业考试》或《线路运行与检修专业考试:配电线路工》题库
 
	
	
	        205、填空题  二号线新街口站的()开关,为环网供电联络开关,正常运行时两座主变电所分别供电,当其中一座主变电所解列时,合上联络开关,由一座主变电所供全线的牵引负荷和动力照明一二级负荷。
                    
 
	
	点击查看答案
 本题答案:微信扫下方二维码即可打包下载完整带答案解析版《★线路运行与检修专业考试》或《线路运行与检修专业考试:配电线路工》题库
 
	
	
	        206、填空题  在搬运配电变压器时,应将绳索绑扎在()。
                    
 
	
	点击查看答案
 本题答案:微信扫下方二维码即可打包下载完整带答案解析版《★线路运行与检修专业考试》或《线路运行与检修专业考试:配电线路工》题库
 
	
	
	        207、填空题  对断路器进行机械特性试验,一般应测量()、合闸时间和分、合闸同期性。
                    
 
	
	点击查看答案
 本题答案:微信扫下方二维码即可打包下载完整带答案解析版《★线路运行与检修专业考试》或《线路运行与检修专业考试:配电线路工》题库
 
	
	
	        208、判断题  电力线路的电能损耗是:单位时间内线路损耗的有功功率和无功功率的平均值。()
                    
 
	
	点击查看答案
 本题答案:微信扫下方二维码即可打包下载完整带答案解析版《★线路运行与检修专业考试》或《线路运行与检修专业考试:配电线路工》题库
 
	
	
	        209、判断题  经久耐用的产品就是高质量的产品。()
                    
 
	
	点击查看答案
 本题答案:微信扫下方二维码即可打包下载完整带答案解析版《★线路运行与检修专业考试》或《线路运行与检修专业考试:配电线路工》题库
 
	
	
	        210、问答题  
	计算题:一回额定电压为10kV的配电线路,干线用相等截面的铝绞线架设,线路几何均距为1m.容许电压损失5%.线路每段长度和负载、功率因数cosφ值如图D-22所示,平均电抗X0=0.38Ω/km,干线材料计算电导率为32m/(Ω•mm2)。试按容许电压损失选择导线截面。
	已知LJ型架空线路导线的电阻及电抗(Ω/km)
	
                     
	
	点击查看答案
 本题答案:微信扫下方二维码即可打包下载完整带答案解析版《★线路运行与检修专业考试》或《线路运行与检修专业考试:配电线路工》题库
 
	
	
	        211、填空题  地铁一号线变电所气体灭火系统采用的灭火剂是()。
                    
 
	
	点击查看答案
 本题答案:微信扫下方二维码即可打包下载完整带答案解析版《★线路运行与检修专业考试》或《线路运行与检修专业考试:配电线路工》题库
 
	
	
	        212、单项选择题  正常情况下地铁35KV开关柜101进线失压()。
                    
	A、101开关跳闸
	B、100开关合闸
	C、101开关不动作
 
	
	点击查看答案
 本题答案:微信扫下方二维码即可打包下载完整带答案解析版《★线路运行与检修专业考试》或《线路运行与检修专业考试:配电线路工》题库
 
	
	
	        213、填空题  二号线35KV馈线柜失灵保护判断依据()。
                    
 
	
	点击查看答案
 本题答案:微信扫下方二维码即可打包下载完整带答案解析版《★线路运行与检修专业考试》或《线路运行与检修专业考试:配电线路工》题库
 
	
	
	        214、判断题  当直线杆装有人字拉线时,也属于承力杆。()
                    
 
	
	点击查看答案
 本题答案:微信扫下方二维码即可打包下载完整带答案解析版《★线路运行与检修专业考试》或《线路运行与检修专业考试:配电线路工》题库
 
	
	
	        215、问答题  计算题:通过计算,求出二号线住变压器的一二次额定电流?
                    
 
	
	点击查看答案
 本题答案:微信扫下方二维码即可打包下载完整带答案解析版《★线路运行与检修专业考试》或《线路运行与检修专业考试:配电线路工》题库
 
	
	
	        216、单项选择题  CD2操动机构的分闸顶杆换成铜质顶杆是为了()。
                    
	A.防止磁化;
	B.防止锈蚀;
	C.降低硬度;
	D.降低能耗。
 
	
	点击查看答案
 本题答案:微信扫下方二维码即可打包下载完整带答案解析版《★线路运行与检修专业考试》或《线路运行与检修专业考试:配电线路工》题库
 
	
	
	        217、填空题  配电电压高、低压的确定,取决于厂区范围、用()、以及()。
                    
 
	
	点击查看答案
 本题答案:微信扫下方二维码即可打包下载完整带答案解析版《★线路运行与检修专业考试》或《线路运行与检修专业考试:配电线路工》题库
 
	
	
	        218、填空题  一号线正常运行时两座主变电所分别向3个供电分区供电,当其中一座主变电所解列时,合上张府园站的103、104联络开关,一座主变电所供全线的()和动力照明一二级负荷。
                    
 
	
	点击查看答案
 本题答案:微信扫下方二维码即可打包下载完整带答案解析版《★线路运行与检修专业考试》或《线路运行与检修专业考试:配电线路工》题库
 
	
	
	        219、填空题  铝的导电性虽比铜差,但铝比铜多,价格便宜,密度为铜的(),故在一般情况多用()作导体。
                    
 
	
	点击查看答案
 本题答案:微信扫下方二维码即可打包下载完整带答案解析版《★线路运行与检修专业考试》或《线路运行与检修专业考试:配电线路工》题库
 
	
	
	        220、判断题  采用绞刀进行锥形孔的绞切时,应先顺时针转一圈,然后逆时针退半圈,以利切屑的退出。()
                    
 
	
	点击查看答案
 本题答案:微信扫下方二维码即可打包下载完整带答案解析版《★线路运行与检修专业考试》或《线路运行与检修专业考试:配电线路工》题库
 
	
	
	        221、判断题  配电变压器双杆式台架安装时,要求两杆之间距离为2.5~3.5m。()
                    
 
	
	点击查看答案
 本题答案:微信扫下方二维码即可打包下载完整带答案解析版《★线路运行与检修专业考试》或《线路运行与检修专业考试:配电线路工》题库
 
	
	
	        222、填空题  为提高(),减少无功功率在电网中通过,无功补偿设备应在用户就地装设。
                    
 
	
	点击查看答案
 本题答案:微信扫下方二维码即可打包下载完整带答案解析版《★线路运行与检修专业考试》或《线路运行与检修专业考试:配电线路工》题库
 
	
	
	        223、单项选择题  直流框架保护中不能退出的是()。
                    
	A、电压型保护
	B、电流型保护
 
	
	点击查看答案
 本题答案:微信扫下方二维码即可打包下载完整带答案解析版《★线路运行与检修专业考试》或《线路运行与检修专业考试:配电线路工》题库
 
	
	
	        224、判断题  绝缘导线和裸导线的连接方法是完全一致的。()
                    
 
	
	点击查看答案
 本题答案:微信扫下方二维码即可打包下载完整带答案解析版《★线路运行与检修专业考试》或《线路运行与检修专业考试:配电线路工》题库
 
	
	
	        225、问答题  简述地铁车站变电所AC35KV母线运行方式
                    
 
	
	点击查看答案
 本题答案:微信扫下方二维码即可打包下载完整带答案解析版《★线路运行与检修专业考试》或《线路运行与检修专业考试:配电线路工》题库
 
	
	
	        226、填空题  采用环路式接地装置可降低()和接触电压。
                    
 
	
	点击查看答案
 本题答案:微信扫下方二维码即可打包下载完整带答案解析版《★线路运行与检修专业考试》或《线路运行与检修专业考试:配电线路工》题库
 
	
	
	        227、填空题  给电容器充电就是把()能储存到电容器内。
                    
 
	
	点击查看答案
 本题答案:微信扫下方二维码即可打包下载完整带答案解析版《★线路运行与检修专业考试》或《线路运行与检修专业考试:配电线路工》题库
 
	
	
	        228、填空题  在配电线路放线时,采用放线滑轮可达到()又不会()的目的。
                    
 
	
	点击查看答案
 本题答案:微信扫下方二维码即可打包下载完整带答案解析版《★线路运行与检修专业考试》或《线路运行与检修专业考试:配电线路工》题库
 
	
	
	        229、判断题  源头管理法是指道路运输管理从当地管起,以管好当地道路运输经营者和在籍车辆为主的管理方法。
                    
 
	
	点击查看答案
 本题答案:微信扫下方二维码即可打包下载完整带答案解析版《★线路运行与检修专业考试》或《线路运行与检修专业考试:配电线路工》题库
 
	
	
	        230、填空题  三相异步电动机,其转差率指的是转速差与同步转速之比的百分数,用公式表示:()。
                    
 
	
	点击查看答案
 本题答案:微信扫下方二维码即可打包下载完整带答案解析版《★线路运行与检修专业考试》或《线路运行与检修专业考试:配电线路工》题库
 
	
	
	        231、判断题  紧线时,弧垂大,则导线受力大。()
                    
 
	
	点击查看答案
 本题答案:微信扫下方二维码即可打包下载完整带答案解析版《★线路运行与检修专业考试》或《线路运行与检修专业考试:配电线路工》题库
 
	
	
	        232、填空题  南京地铁一号线全线共设置()座牵引降压混合所、9座降压所、15座跟随式降压所。
                    
 
	
	点击查看答案
 本题答案:微信扫下方二维码即可打包下载完整带答案解析版《★线路运行与检修专业考试》或《线路运行与检修专业考试:配电线路工》题库
 
	
	
	        233、填空题  在施工现场使用电焊机时,除应对电焊机进行检查外,还必须进行()。
                    
 
	
	点击查看答案
 本题答案:微信扫下方二维码即可打包下载完整带答案解析版《★线路运行与检修专业考试》或《线路运行与检修专业考试:配电线路工》题库
 
	
	
	        234、填空题  万用表又叫(),是一种多用途的()电工测量仪表。
                    
 
	
	点击查看答案
 本题答案:微信扫下方二维码即可打包下载完整带答案解析版《★线路运行与检修专业考试》或《线路运行与检修专业考试:配电线路工》题库
 
	
	
	        235、判断题  工作线路的断路器同继电保护装置动作跳闸后,备用电源自动投入装置应将备用线路投入,以保证供电的连续性。()
                    
 
	
	点击查看答案
 本题答案:微信扫下方二维码即可打包下载完整带答案解析版《★线路运行与检修专业考试》或《线路运行与检修专业考试:配电线路工》题库
 
	
	
	        236、填空题  质量波动的原因,是由()、()、()、()和材料五方面的因素变化造成的。
                    
 
	
	点击查看答案
 本题答案:微信扫下方二维码即可打包下载完整带答案解析版《★线路运行与检修专业考试》或《线路运行与检修专业考试:配电线路工》题库
 
	
	
	        237、判断题  漆属于绝缘材料,故避雷针(网、带)涂漆均会影响其保护作用。()
                    
 
	
	点击查看答案
 本题答案:微信扫下方二维码即可打包下载完整带答案解析版《★线路运行与检修专业考试》或《线路运行与检修专业考试:配电线路工》题库
 
	
	
	        238、填空题  确保工作人员的安全,技术措施规定严禁工作人员在工作中()遮栏、接地线和标示牌。
                    
 
	
	点击查看答案
 本题答案:微信扫下方二维码即可打包下载完整带答案解析版《★线路运行与检修专业考试》或《线路运行与检修专业考试:配电线路工》题库
 
	
	
	        239、填空题  导线(),往往是事故的根源。
                    
 
	
	点击查看答案
 本题答案:微信扫下方二维码即可打包下载完整带答案解析版《★线路运行与检修专业考试》或《线路运行与检修专业考试:配电线路工》题库
 
	
	
	        240、填空题  R、C、L串联电路中,当容抗等于感抗时,电路()。
                    
 
	
	点击查看答案
 本题答案:微信扫下方二维码即可打包下载完整带答案解析版《★线路运行与检修专业考试》或《线路运行与检修专业考试:配电线路工》题库
 
	
	
	        241、填空题  二号线及南延线35KV开关柜保护动作后,电调远方不能复位,只有()后,远方才能合闸。
                    
 
	
	点击查看答案
 本题答案:微信扫下方二维码即可打包下载完整带答案解析版《★线路运行与检修专业考试》或《线路运行与检修专业考试:配电线路工》题库
 
	
	
	        242、单项选择题  南京地铁一号线整流变压器铁芯超过()℃时保护跳闸。
                    
	A、130
	B、140
	C、150
 
	
	点击查看答案
 本题答案:微信扫下方二维码即可打包下载完整带答案解析版《★线路运行与检修专业考试》或《线路运行与检修专业考试:配电线路工》题库
 
	
	
	        243、填空题  同一横担上,不允许架设()的导线。
                    
 
	
	点击查看答案
 本题答案:微信扫下方二维码即可打包下载完整带答案解析版《★线路运行与检修专业考试》或《线路运行与检修专业考试:配电线路工》题库
 
	
	
	        244、单项选择题  变压器内部发出“咕嘟”声,可以判断为()。
                    
	A.过负载;
	B.缺相运行;
	C.绕组层间或匝问短路;
	D.穿芯螺杆松动。
 
	
	点击查看答案
 本题答案:微信扫下方二维码即可打包下载完整带答案解析版《★线路运行与检修专业考试》或《线路运行与检修专业考试:配电线路工》题库
 
	
	
	        245、单项选择题  地铁变电所400V开关柜401进线失压时,401开关()。
                    
	A、失压跳闸
	B、不动
 
	
	点击查看答案
 本题答案:微信扫下方二维码即可打包下载完整带答案解析版《★线路运行与检修专业考试》或《线路运行与检修专业考试:配电线路工》题库
 
	
	
	        246、问答题  简述南京地铁一号南延线供电系统供电分区情况。
                    
 
	
	点击查看答案
 本题答案:微信扫下方二维码即可打包下载完整带答案解析版《★线路运行与检修专业考试》或《线路运行与检修专业考试:配电线路工》题库
 
	
	
	        247、单项选择题  南京地铁35KV开关设备采用()。
                    
A、35kV气体绝缘金属封闭开关柜  
B、35kV空气绝缘金属封闭开关柜  
C、35kV气体绝缘金属封闭开关柜和35kV空气绝缘金属封闭开关柜  
D、其他
 
	
	点击查看答案
 本题答案:微信扫下方二维码即可打包下载完整带答案解析版《★线路运行与检修专业考试》或《线路运行与检修专业考试:配电线路工》题库
 
	
	
	        248、判断题  电杆装置各部螺栓穿向要求:顺线路者均由受电侧穿入。()
                    
 
	
	点击查看答案
 本题答案:微信扫下方二维码即可打包下载完整带答案解析版《★线路运行与检修专业考试》或《线路运行与检修专业考试:配电线路工》题库
 
	
	
	        249、单项选择题  地铁变电所400V开关柜,()互锁。
                    
A、401、402、400三合二  
B、401、402、411  
C、401、400、412
 
	
	点击查看答案
 本题答案:微信扫下方二维码即可打包下载完整带答案解析版《★线路运行与检修专业考试》或《线路运行与检修专业考试:配电线路工》题库
 
	
	
	        250、单项选择题  直流开关设备绝缘安装,厂家要求绝缘值不得小于()MΩ。
                    
	A、0.5
	B、1.0
	C、1.5
 
	
	点击查看答案
 本题答案:微信扫下方二维码即可打包下载完整带答案解析版《★线路运行与检修专业考试》或《线路运行与检修专业考试:配电线路工》题库
 
	
	
	        251、填空题  新变压器投入一般需冲击(),大修后的变压器投入一般需冲击三次。
                    
 
	
	点击查看答案
 本题答案:微信扫下方二维码即可打包下载完整带答案解析版《★线路运行与检修专业考试》或《线路运行与检修专业考试:配电线路工》题库
 
	
	
	        252、判断题  触电急救在现场实施时,一般不得随意移动触电者,如确需移动触电者,其抢救时间不得中断60s。()
                    
 
	
	点击查看答案
 本题答案:微信扫下方二维码即可打包下载完整带答案解析版《★线路运行与检修专业考试》或《线路运行与检修专业考试:配电线路工》题库
 
	
	
	        253、填空题  拉线制作时,其线夹的()应在尾线侧。
                    
 
	
	点击查看答案
 本题答案:微信扫下方二维码即可打包下载完整带答案解析版《★线路运行与检修专业考试》或《线路运行与检修专业考试:配电线路工》题库
 
	
	
	        254、问答题  35KVC-GIS开关柜的电气联锁要求有哪些?
                    
 
	
	点击查看答案
 本题答案:微信扫下方二维码即可打包下载完整带答案解析版《★线路运行与检修专业考试》或《线路运行与检修专业考试:配电线路工》题库
 
	
	
	        255、单项选择题  南京地铁一号线一台整流变压器二次侧相差()相位角。
                    
	A、15
	B、20
	C、25
	D、30
 
	
	点击查看答案
 本题答案:微信扫下方二维码即可打包下载完整带答案解析版《★线路运行与检修专业考试》或《线路运行与检修专业考试:配电线路工》题库
 
	
	
	        256、填空题  采用爆压法进行导线连接时,应选用()和()。
                    
 
	
	点击查看答案
 本题答案:微信扫下方二维码即可打包下载完整带答案解析版《★线路运行与检修专业考试》或《线路运行与检修专业考试:配电线路工》题库
 
	
	
	        257、填空题  SEPCOS-NG由()控制功能板与SEPCOS–PRO保护功能板组成。
                    
 
	
	点击查看答案
 本题答案:微信扫下方二维码即可打包下载完整带答案解析版《★线路运行与检修专业考试》或《线路运行与检修专业考试:配电线路工》题库
 
	
	
	        258、判断题  变压器台架安装时,低压侧不允许安装避雷器。()
                    
 
	
	点击查看答案
 本题答案:微信扫下方二维码即可打包下载完整带答案解析版《★线路运行与检修专业考试》或《线路运行与检修专业考试:配电线路工》题库
 
	
	
	        259、填空题  安装于35kV整流变柜上的EV390三相多功能电力仪表,用于测量()、电压及电能等数据。
                    
 
	
	点击查看答案
 本题答案:微信扫下方二维码即可打包下载完整带答案解析版《★线路运行与检修专业考试》或《线路运行与检修专业考试:配电线路工》题库
 
	
	
	        260、判断题  当磁力线、电流和作用力这三者的方向垂直时,可用左手螺旋定则来确定其中任一量的方向。()
                    
 
	
	点击查看答案
 本题答案:微信扫下方二维码即可打包下载完整带答案解析版《★线路运行与检修专业考试》或《线路运行与检修专业考试:配电线路工》题库
 
	
	
	        261、填空题  为了保证电业生产贯彻执行()的方针,以及在新时期的生产特点,现场规程宜每()年进行一次全面修订、审定并印发。
                    
 
	
	点击查看答案
 本题答案:微信扫下方二维码即可打包下载完整带答案解析版《★线路运行与检修专业考试》或《线路运行与检修专业考试:配电线路工》题库
 
	
	
	        262、问答题  简述电力监控系统构成。
                    
 
	
	点击查看答案
 本题答案:微信扫下方二维码即可打包下载完整带答案解析版《★线路运行与检修专业考试》或《线路运行与检修专业考试:配电线路工》题库
 
	
	
	        263、填空题  继电保护通常都是由感受元件、()和执行元件三部分组成。
                    
 
	
	点击查看答案
 本题答案:微信扫下方二维码即可打包下载完整带答案解析版《★线路运行与检修专业考试》或《线路运行与检修专业考试:配电线路工》题库
 
	
	
	        264、填空题  直流1500V手车的三个位置是有()决定的。
                    
 
	
	点击查看答案
 本题答案:微信扫下方二维码即可打包下载完整带答案解析版《★线路运行与检修专业考试》或《线路运行与检修专业考试:配电线路工》题库
 
	
	
	        265、填空题  电力系统的技术资料是分析处理()和()的依据。
                    
 
	
	点击查看答案
 本题答案:微信扫下方二维码即可打包下载完整带答案解析版《★线路运行与检修专业考试》或《线路运行与检修专业考试:配电线路工》题库
 
	
	
	        266、填空题  起锯是锯割工作的开始,一般采用(),锯割则比较顺利。
                    
 
	
	点击查看答案
 本题答案:微信扫下方二维码即可打包下载完整带答案解析版《★线路运行与检修专业考试》或《线路运行与检修专业考试:配电线路工》题库
 
	
	
	        267、填空题  迈皋桥主所二条110KV进线回路名称分别为()、晓迈1#线,其中,晓铁线为地铁专用线。
                    
 
	
	点击查看答案
 本题答案:微信扫下方二维码即可打包下载完整带答案解析版《★线路运行与检修专业考试》或《线路运行与检修专业考试:配电线路工》题库
 
	
	
	        268、问答题  计算题:某对称三相电路负载作星形连接,线电压为380V,每相负载阻抗为R=6Ω,Xl=8Ω,求负载的相电流?
                    
 
	
	点击查看答案
 本题答案:微信扫下方二维码即可打包下载完整带答案解析版《★线路运行与检修专业考试》或《线路运行与检修专业考试:配电线路工》题库
 
	
	
	        269、判断题  电力线是真实存在的物质。()
                    
 
	
	点击查看答案
 本题答案:微信扫下方二维码即可打包下载完整带答案解析版《★线路运行与检修专业考试》或《线路运行与检修专业考试:配电线路工》题库
 
	
	
	        270、填空题  雷电时,严禁用()测量线路绝缘。
                    
 
	
	点击查看答案
 本题答案:微信扫下方二维码即可打包下载完整带答案解析版《★线路运行与检修专业考试》或《线路运行与检修专业考试:配电线路工》题库
 
	
	
	        271、问答题  计算题:某避雷器在温度t=35℃时的电导电流I=537.5μA,若温度每上升1℃,电导电流增加5‰,那么20℃时的电导电流I20是多少?
                    
 
	
	点击查看答案
 本题答案:微信扫下方二维码即可打包下载完整带答案解析版《★线路运行与检修专业考试》或《线路运行与检修专业考试:配电线路工》题库
 
	
	
	        272、填空题  拉线制作时,在下料前应用()铁丝绑扎牢固后断开。
                    
 
	
	点击查看答案
 本题答案:微信扫下方二维码即可打包下载完整带答案解析版《★线路运行与检修专业考试》或《线路运行与检修专业考试:配电线路工》题库
 
	
	
	        273、填空题  一般要求,设备耐压试验为出厂额定值的()。
                    
 
	
	点击查看答案
 本题答案:微信扫下方二维码即可打包下载完整带答案解析版《★线路运行与检修专业考试》或《线路运行与检修专业考试:配电线路工》题库
 
	
	
	        274、问答题  计算题:某用户的有功负荷为150kW,补偿前功率因数为0.6,现在想将功率因数提高到0.9,试计算需要装设多大补偿电容器?(cosφ=0.6时;tgφ=1.33;cosφ=0.9时;tgφ=0.48)
                    
 
	
	点击查看答案
 本题答案:微信扫下方二维码即可打包下载完整带答案解析版《★线路运行与检修专业考试》或《线路运行与检修专业考试:配电线路工》题库
 
	
	
	        275、判断题  登杆作业前,只需对登杆工具进行检查即可。()
                    
 
	
	点击查看答案
 本题答案:微信扫下方二维码即可打包下载完整带答案解析版《★线路运行与检修专业考试》或《线路运行与检修专业考试:配电线路工》题库
 
	
	
	        276、填空题  直流框架保护分为电压型和()型保护。
                    
 
	
	点击查看答案
 本题答案:微信扫下方二维码即可打包下载完整带答案解析版《★线路运行与检修专业考试》或《线路运行与检修专业考试:配电线路工》题库
 
	
	
	        277、填空题  牵引变电所整流机组挂接同一段母线上,保证了输入电源的()。
                    
 
	
	点击查看答案
 本题答案:微信扫下方二维码即可打包下载完整带答案解析版《★线路运行与检修专业考试》或《线路运行与检修专业考试:配电线路工》题库
 
	
	
	        278、判断题  并沟线夹也适用在导线的受力部分接续。()
                    
 
	
	点击查看答案
 本题答案:微信扫下方二维码即可打包下载完整带答案解析版《★线路运行与检修专业考试》或《线路运行与检修专业考试:配电线路工》题库
 
	
	
	        279、填空题  1号线南延线现代重工HMGS-G20气体绝缘开关柜的绝缘气体为SF6,额定充气压力为0.03Mpa,报警压力为(),闭锁压力为0.01Mpa。
                    
 
	
	点击查看答案
 本题答案:微信扫下方二维码即可打包下载完整带答案解析版《★线路运行与检修专业考试》或《线路运行与检修专业考试:配电线路工》题库
 
	
	
	        280、判断题  高压电器是指额定电压是1000V以上的电器设备。()
                    
 
	
	点击查看答案
 本题答案:微信扫下方二维码即可打包下载完整带答案解析版《★线路运行与检修专业考试》或《线路运行与检修专业考试:配电线路工》题库
 
	
	
	        281、填空题  二号线、南延线直流柜负极/地保护的报警电压是(),跳闸电压是()。
                    
 
	
	点击查看答案
 本题答案:微信扫下方二维码即可打包下载完整带答案解析版《★线路运行与检修专业考试》或《线路运行与检修专业考试:配电线路工》题库
 
	
	
	        282、填空题  凡在检修中的设备,由于系统运行需要,电调可以发布调度命令,要求()停止工作,并尽快恢复到具备送电条件。
                    
 
	
	点击查看答案
 本题答案:微信扫下方二维码即可打包下载完整带答案解析版《★线路运行与检修专业考试》或《线路运行与检修专业考试:配电线路工》题库
 
	
	
	        283、单项选择题  把空载变压器从电网中切除,将可能引起()。
                    
	A.电网电压降低;
	B.操作过电压;
	C.过电流;
	D.无功减小。
 
	
	点击查看答案
 本题答案:微信扫下方二维码即可打包下载完整带答案解析版《★线路运行与检修专业考试》或《线路运行与检修专业考试:配电线路工》题库
 
	
	
	        284、问答题  计算题:SN10-10Ⅱ型断路器的额定开断电流Ik=16kA,问该断路器的遮断容量S是多少?
                    
 
	
	点击查看答案
 本题答案:微信扫下方二维码即可打包下载完整带答案解析版《★线路运行与检修专业考试》或《线路运行与检修专业考试:配电线路工》题库
 
	
	
	        285、填空题  用链条葫芦起吊重物时,如已吊起的重物需在()较长时间,应将手拉链拴在()上,防止自锁失灵。
                    
 
	
	点击查看答案
 本题答案:微信扫下方二维码即可打包下载完整带答案解析版《★线路运行与检修专业考试》或《线路运行与检修专业考试:配电线路工》题库
 
	
	
	        286、单项选择题  南京地铁一号线DC1500V直流开关双边联跳回路在正常情况下是()的。
                    
	A、常开
	B、常闭
 
	
	点击查看答案
 本题答案:微信扫下方二维码即可打包下载完整带答案解析版《★线路运行与检修专业考试》或《线路运行与检修专业考试:配电线路工》题库
 
	
	
	        287、填空题  劳动时间利用指标,是衡量一个单位()的主要标志。
                    
 
	
	点击查看答案
 本题答案:微信扫下方二维码即可打包下载完整带答案解析版《★线路运行与检修专业考试》或《线路运行与检修专业考试:配电线路工》题库
 
	
	
	        288、填空题  直流开关柜具有()三个位置。
                    
 
	
	点击查看答案
 本题答案:微信扫下方二维码即可打包下载完整带答案解析版《★线路运行与检修专业考试》或《线路运行与检修专业考试:配电线路工》题库
 
	
	
	        289、填空题  通信接口转换单元WTS-65的主要功能是()。
                    
 
	
	点击查看答案
 本题答案:微信扫下方二维码即可打包下载完整带答案解析版《★线路运行与检修专业考试》或《线路运行与检修专业考试:配电线路工》题库
 
	
	
	        290、填空题  变压器温度计是用来测量油箱里面()的,起到监视电力变压器是否正常运行的作用。
                    
 
	
	点击查看答案
 本题答案:微信扫下方二维码即可打包下载完整带答案解析版《★线路运行与检修专业考试》或《线路运行与检修专业考试:配电线路工》题库
 
	
	
	        291、问答题  SEPCOS有什么功能?
                    
 
	
	点击查看答案
 本题答案:微信扫下方二维码即可打包下载完整带答案解析版《★线路运行与检修专业考试》或《线路运行与检修专业考试:配电线路工》题库
 
	
	
	        292、单项选择题  导线震动造成的断股、断线故障主要发生在()线路上。
                    
	A.大档距;
	B.小档距;
	C.孤立档;
	D.交叉跨越档。
 
	
	点击查看答案
 本题答案:微信扫下方二维码即可打包下载完整带答案解析版《★线路运行与检修专业考试》或《线路运行与检修专业考试:配电线路工》题库
 
	
	
	        293、判断题  动滑轮只能改变力的方向,而不省力。()
                    
 
	
	点击查看答案
 本题答案:微信扫下方二维码即可打包下载完整带答案解析版《★线路运行与检修专业考试》或《线路运行与检修专业考试:配电线路工》题库
 
	
	
	        294、填空题  地铁车站变电所主接线主要由AC35kV接线、整流机组挂接、()接线、动力变压器挂接四部分组成。
                    
 
	
	点击查看答案
 本题答案:微信扫下方二维码即可打包下载完整带答案解析版《★线路运行与检修专业考试》或《线路运行与检修专业考试:配电线路工》题库
 
	
	
	        295、单项选择题  生态农业具有高投入、高产出、()与可持续发展的特性。
                    
	A.高水平
	B.高循环
	C.高利用
	D.高效益
 
	
	点击查看答案
 本题答案:微信扫下方二维码即可打包下载完整带答案解析版《★线路运行与检修专业考试》或《线路运行与检修专业考试:配电线路工》题库
 
	
	
	        296、判断题  在立杆工作中,可采用白棕绳作为临时拉线。()
                    
 
	
	点击查看答案
 本题答案:微信扫下方二维码即可打包下载完整带答案解析版《★线路运行与检修专业考试》或《线路运行与检修专业考试:配电线路工》题库
 
	
	
	        297、填空题  DDL保护主要用于远距离或电阻型故障的检测,DDL保护分为()保护。
                    
 
	
	点击查看答案
 本题答案:微信扫下方二维码即可打包下载完整带答案解析版《★线路运行与检修专业考试》或《线路运行与检修专业考试:配电线路工》题库
 
	
	
	        298、填空题  二号线及南延线35KV综合保护测控单元为(),光纤差动保护装置为P521。
                    
 
	
	点击查看答案
 本题答案:微信扫下方二维码即可打包下载完整带答案解析版《★线路运行与检修专业考试》或《线路运行与检修专业考试:配电线路工》题库
 
	
	
	        299、填空题  钳工操作划线时,所有的线都在一个面上,称为()。
                    
 
	
	点击查看答案
 本题答案:微信扫下方二维码即可打包下载完整带答案解析版《★线路运行与检修专业考试》或《线路运行与检修专业考试:配电线路工》题库
 
	
	
	        300、问答题  简述24脉波整流原理。
                    
 
	
	点击查看答案
 本题答案:微信扫下方二维码即可打包下载完整带答案解析版《★线路运行与检修专业考试》或《线路运行与检修专业考试:配电线路工》题库
 
	
	
	        
		  
      
      题库试看结束后
微信扫下方二维码即可打包下载完整版《★线路运行与检修专业考试》题库
手机用户可保存上方二维码到手机中,在微信扫一扫中右上角选择“从相册选取二维码”即可。
题库试看结束后微信扫下方二维码即可打包下载完整版《线路运行与检修专业考试:配电线路工》题库,分栏、分答案解析排版、小字体方便打印背记!经广大会员朋友实战检验,此方法考试通过率大大提高!绝对是您考试过关的不二利器!
手机用户可保存上方二维码到手机中,在微信扫一扫中右上角选择“从相册选取二维码”即可。
  微信搜索关注"91考试网"公众号,领30元,获取公务员事业编教师考试资料40G