手机用户可
保存上方二维码到手机中,在
微信扫一扫中右上角选择“从
相册选取二维码”即可。
1、填空题 排污水管包括从汽包引出的()管和从水冷壁下联箱引出的()管。高压锅炉的排污管从压力看,属(),但工作温度(),同时排污水又都含有水渣和有一定碱性的炉水,所以这部分管道都是碳钢小直径管道。
点击查看答案
本题答案:微信扫下方二维码即可打包下载完整带答案解析版《★锅炉检修工考试》或《锅炉检修工考试:锅炉管阀检修高级工》题库
2、单项选择题 清理伺服阀烧结过滤器夹持件螺孔时可以使用()。
A、轻质汽油
B、煤油
C、清洗液
D、水
点击查看答案
本题答案:微信扫下方二维码即可打包下载完整带答案解析版《★锅炉检修工考试》或《锅炉检修工考试:锅炉管阀检修高级工》题库
3、填空题 安全阀动作压力与规定的动作压力差值不能超过(),回座压差应为启座压力的(),最大不超过10%
点击查看答案
本题答案:微信扫下方二维码即可打包下载完整带答案解析版《★锅炉检修工考试》或《锅炉检修工考试:锅炉管阀检修高级工》题库
4、单项选择题 定长度和管径的管道,输送一定的介质时,其沿程阻力与流速的平方成()关系。
A、反比
B、正比
C、无关
D、非线性
点击查看答案
本题答案:微信扫下方二维码即可打包下载完整带答案解析版《★锅炉检修工考试》或《锅炉检修工考试:锅炉管阀检修高级工》题库
5、单项选择题 钢102的最高使用温度可达()。
A、500℃
B、600℃
C、650℃
D、600~620℃
点击查看答案
本题答案:微信扫下方二维码即可打包下载完整带答案解析版《★锅炉检修工考试》或《锅炉检修工考试:锅炉管阀检修高级工》题库
6、问答题 为什么说检修比制造安装难度更大?
点击查看答案
本题答案:微信扫下方二维码即可打包下载完整带答案解析版《★锅炉检修工考试》或《锅炉检修工考试:锅炉管阀检修高级工》题库
7、填空题 安装直径为150mm~300mm的管道时,两相邻支架的距离一般为()m。
点击查看答案
本题答案:微信扫下方二维码即可打包下载完整带答案解析版《★锅炉检修工考试》或《锅炉检修工考试:锅炉管阀检修高级工》题库
8、问答题 如何拆装脉冲式安全阀的活塞环?
点击查看答案
本题答案:微信扫下方二维码即可打包下载完整带答案解析版《★锅炉检修工考试》或《锅炉检修工考试:锅炉管阀检修高级工》题库
9、问答题 什么是热应力裂纹?产生的原因是什么?
点击查看答案
本题答案:微信扫下方二维码即可打包下载完整带答案解析版《★锅炉检修工考试》或《锅炉检修工考试:锅炉管阀检修高级工》题库
10、填空题 大修时应检查汽水管道的保温有无()、(),最外层的白铁皮有无()、()。
点击查看答案
本题答案:微信扫下方二维码即可打包下载完整带答案解析版《★锅炉检修工考试》或《锅炉检修工考试:锅炉管阀检修高级工》题库
11、单项选择题 在进行蒸汽管道蠕变测量时,蒸汽管道壁温度应小于()℃。
A、20
B、50
C、100
D、200
点击查看答案
本题答案:微信扫下方二维码即可打包下载完整带答案解析版《★锅炉检修工考试》或《锅炉检修工考试:锅炉管阀检修高级工》题库
12、问答题 管道及附件的连接方式有哪几种?举例。
点击查看答案
本题答案:微信扫下方二维码即可打包下载完整带答案解析版《★锅炉检修工考试》或《锅炉检修工考试:锅炉管阀检修高级工》题库
13、填空题 直流锅炉的启动旁路系统可分为()种型式。
点击查看答案
本题答案:微信扫下方二维码即可打包下载完整带答案解析版《★锅炉检修工考试》或《锅炉检修工考试:锅炉管阀检修高级工》题库
14、填空题 阀门驱动装置可分为()、()、()。
点击查看答案
本题答案:微信扫下方二维码即可打包下载完整带答案解析版《★锅炉检修工考试》或《锅炉检修工考试:锅炉管阀检修高级工》题库
15、问答题 管道冷拉前应检查哪些内容?
点击查看答案
本题答案:微信扫下方二维码即可打包下载完整带答案解析版《★锅炉检修工考试》或《锅炉检修工考试:锅炉管阀检修高级工》题库
16、单项选择题 12CrMOV进行氩弧焊,采用()焊丝。
A、H08CrMOv
B、TIG--R40
C、热317
D、TIG--R31
点击查看答案
本题答案:微信扫下方二维码即可打包下载完整带答案解析版《★锅炉检修工考试》或《锅炉检修工考试:锅炉管阀检修高级工》题库
17、问答题 蒸汽管道上的阀门壳体为什么容易出现裂纹?
点击查看答案
本题答案:微信扫下方二维码即可打包下载完整带答案解析版《★锅炉检修工考试》或《锅炉检修工考试:锅炉管阀检修高级工》题库
18、填空题 锅炉排污水进入扩容器后,容积(),压力(),温度()。
点击查看答案
本题答案:微信扫下方二维码即可打包下载完整带答案解析版《★锅炉检修工考试》或《锅炉检修工考试:锅炉管阀检修高级工》题库
19、单项选择题 WR、ZR阀的门杆材料为()。
A、10CrMo910
B、13CrMo44
C、X19CrMoVNbN111
D、15Mo3
点击查看答案
本题答案:微信扫下方二维码即可打包下载完整带答案解析版《★锅炉检修工考试》或《锅炉检修工考试:锅炉管阀检修高级工》题库
20、填空题 蒸汽管道的蠕变测量工作要做到“三及时”,即()、()、()。
点击查看答案
本题答案:微信扫下方二维码即可打包下载完整带答案解析版《★锅炉检修工考试》或《锅炉检修工考试:锅炉管阀检修高级工》题库
21、问答题 什么叫启动旁路系统?发电厂常用的旁路系统有哪些基本型式?
点击查看答案
本题答案:微信扫下方二维码即可打包下载完整带答案解析版《★锅炉检修工考试》或《锅炉检修工考试:锅炉管阀检修高级工》题库
22、填空题 磨具与阀瓣的运动间隙,一般在()左右,磨具硬度一般()阀瓣硬度。
点击查看答案
本题答案:微信扫下方二维码即可打包下载完整带答案解析版《★锅炉检修工考试》或《锅炉检修工考试:锅炉管阀检修高级工》题库
23、填空题 手工研磨过程中始终贯穿()、放下、()、()、换向等动作,其目的是为了()使研具和密封面得到均匀的磨削,提高密封面的()和()。
点击查看答案
本题答案:微信扫下方二维码即可打包下载完整带答案解析版《★锅炉检修工考试》或《锅炉检修工考试:锅炉管阀检修高级工》题库
24、问答题 脉冲安全阀解体后,应对哪些部件进行检查,如何检查?
点击查看答案
本题答案:微信扫下方二维码即可打包下载完整带答案解析版《★锅炉检修工考试》或《锅炉检修工考试:锅炉管阀检修高级工》题库
25、填空题 耐热钢可分为(),(),()和()。
点击查看答案
本题答案:微信扫下方二维码即可打包下载完整带答案解析版《★锅炉检修工考试》或《锅炉检修工考试:锅炉管阀检修高级工》题库
26、填空题 阀件的材质是根据工作介质的性质、()和()来决定的。
点击查看答案
本题答案:微信扫下方二维码即可打包下载完整带答案解析版《★锅炉检修工考试》或《锅炉检修工考试:锅炉管阀检修高级工》题库
27、问答题 已知某管受热面直径42mm,弯曲半径为R=70mm,弯曲后最大直径为41.7mm,最小直径为38.04mm,计算椭圆度,并判断是否超标。
点击查看答案
本题答案:微信扫下方二维码即可打包下载完整带答案解析版《★锅炉检修工考试》或《锅炉检修工考试:锅炉管阀检修高级工》题库
28、单项选择题 对管道保温材料的要求之一是()。
A、导热系数及比重小,并具有一定的强度
B、导热系数大及比重大,且具有一定的强度
点击查看答案
本题答案:微信扫下方二维码即可打包下载完整带答案解析版《★锅炉检修工考试》或《锅炉检修工考试:锅炉管阀检修高级工》题库
29、填空题 主蒸汽管道总的相对蠕变变形量ε达到()时应更换管子。
点击查看答案
本题答案:微信扫下方二维码即可打包下载完整带答案解析版《★锅炉检修工考试》或《锅炉检修工考试:锅炉管阀检修高级工》题库
30、单项选择题 工作温度540℃的主蒸汽管道多选用铬钼钢或铬钼钒钢,该种钢的焊前预热温度为()。
A、350~400℃
B、250~300℃
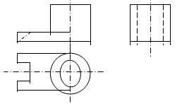
C、150~200℃
D、50~100℃
点击查看答案
本题答案:微信扫下方二维码即可打包下载完整带答案解析版《★锅炉检修工考试》或《锅炉检修工考试:锅炉管阀检修高级工》题库
31、单项选择题 当发现高温高压管道弯头外壁有蠕变裂纹时,应及时()。
A、补焊
B、铲除
C、更换
D、加固
点击查看答案
本题答案:微信扫下方二维码即可打包下载完整带答案解析版《★锅炉检修工考试》或《锅炉检修工考试:锅炉管阀检修高级工》题库
32、问答题 对管道系统的严密性试验有何要求?
点击查看答案
本题答案:微信扫下方二维码即可打包下载完整带答案解析版《★锅炉检修工考试》或《锅炉检修工考试:锅炉管阀检修高级工》题库
33、填空题 纵向裂纹是沿管道()发展的,在光滑的弯管外侧出现的纵向裂纹,可能是由于()及随后的热处理引起的()造成的。
点击查看答案
本题答案:微信扫下方二维码即可打包下载完整带答案解析版《★锅炉检修工考试》或《锅炉检修工考试:锅炉管阀检修高级工》题库
34、填空题 磨粒和磨粉的号数越大,磨料越()。微粒的号数越大,磨料越()。磨粒适于(),磨粉适于(),微粉适于精研与抛光。
点击查看答案
本题答案:微信扫下方二维码即可打包下载完整带答案解析版《★锅炉检修工考试》或《锅炉检修工考试:锅炉管阀检修高级工》题库
35、问答题 弯管时,管子的弯曲半径有何规定?为什么不能太小?
点击查看答案
本题答案:微信扫下方二维码即可打包下载完整带答案解析版《★锅炉检修工考试》或《锅炉检修工考试:锅炉管阀检修高级工》题库
36、单项选择题 管子的弯曲度,冷轧钢管的弯曲度不超过()。
A、1.0mm/m
B、1.5mm/m
C、2mm/m
点击查看答案
本题答案:微信扫下方二维码即可打包下载完整带答案解析版《★锅炉检修工考试》或《锅炉检修工考试:锅炉管阀检修高级工》题库
37、问答题 如何选用阀门密封面材料?
点击查看答案
本题答案:微信扫下方二维码即可打包下载完整带答案解析版《★锅炉检修工考试》或《锅炉检修工考试:锅炉管阀检修高级工》题库
38、填空题 研具的硬度应该比研磨件(),以免在较大压力作用下,磨粒被嵌入或划坏(),()。
点击查看答案
本题答案:微信扫下方二维码即可打包下载完整带答案解析版《★锅炉检修工考试》或《锅炉检修工考试:锅炉管阀检修高级工》题库
39、单项选择题 起重机械的负荷不准超过()。
A、计算荷重
B、试验荷重
C、铭牌规定
D、自身荷重
点击查看答案
本题答案:微信扫下方二维码即可打包下载完整带答案解析版《★锅炉检修工考试》或《锅炉检修工考试:锅炉管阀检修高级工》题库
40、单项选择题 阀杆的弯曲度不允许超过()mm。
A、0.05
B、0.1
C、0.2
点击查看答案
本题答案:微信扫下方二维码即可打包下载完整带答案解析版《★锅炉检修工考试》或《锅炉检修工考试:锅炉管阀检修高级工》题库
41、填空题 旁路系统是锅炉启动和事故工况时的一种()。
点击查看答案
本题答案:微信扫下方二维码即可打包下载完整带答案解析版《★锅炉检修工考试》或《锅炉检修工考试:锅炉管阀检修高级工》题库
42、单项选择题 特别重要的螺栓,最后拧紧螺母时,应按照序程多拧几遍,每遍只拧紧()转。
A、1/16~1/8
B、1/8~1/4°
C、1/4~1/2
D、1/2~1
点击查看答案
本题答案:微信扫下方二维码即可打包下载完整带答案解析版《★锅炉检修工考试》或《锅炉检修工考试:锅炉管阀检修高级工》题库
43、问答题 简述阀瓣和阀杆脱离造成开关不灵的原因和排除方法?
点击查看答案
本题答案:微信扫下方二维码即可打包下载完整带答案解析版《★锅炉检修工考试》或《锅炉检修工考试:锅炉管阀检修高级工》题库
44、填空题 12CrIMOV属于(),用于壁温低于580的过热器管。
点击查看答案
本题答案:微信扫下方二维码即可打包下载完整带答案解析版《★锅炉检修工考试》或《锅炉检修工考试:锅炉管阀检修高级工》题库
45、单项选择题 高压阀门的公称压力范围应为()。
A、6.4MPa
B、10Mpa
C、10~80Mpa
D、40~100MPa
点击查看答案
本题答案:微信扫下方二维码即可打包下载完整带答案解析版《★锅炉检修工考试》或《锅炉检修工考试:锅炉管阀检修高级工》题库
46、填空题 给水管道的工作特点是()压力()温度。
点击查看答案
本题答案:微信扫下方二维码即可打包下载完整带答案解析版《★锅炉检修工考试》或《锅炉检修工考试:锅炉管阀检修高级工》题库
47、单项选择题 高参数大力发电厂常用得较广泛的高温螺栓用钢是()。
A、25Cr2MoV和25Cro1V
B、12CrMo1V和12CrMoV
C、1Cr18Ni9Ti
D、2G25
点击查看答案
本题答案:微信扫下方二维码即可打包下载完整带答案解析版《★锅炉检修工考试》或《锅炉检修工考试:锅炉管阀检修高级工》题库
48、单项选择题 阀门液动执行装置适用于()的阀门。
A、高参数大直径
B、高参数小直径
C、低参数大直径
D、低参数小直径
点击查看答案
本题答案:微信扫下方二维码即可打包下载完整带答案解析版《★锅炉检修工考试》或《锅炉检修工考试:锅炉管阀检修高级工》题库
49、单项选择题 0CrMO910钢焊后热处理时,电焊接头需采用()的回火处理。
A、600℃--650℃
B、700℃--750℃
C、740℃--760℃
D、720℃--780℃
点击查看答案
本题答案:微信扫下方二维码即可打包下载完整带答案解析版《★锅炉检修工考试》或《锅炉检修工考试:锅炉管阀检修高级工》题库
50、单项选择题 流体在管道中流动产生的阻力与流体的平均速度的()正比
A、一次方
B二次方
C三次方
D、四次方
点击查看答案
本题答案:微信扫下方二维码即可打包下载完整带答案解析版《★锅炉检修工考试》或《锅炉检修工考试:锅炉管阀检修高级工》题库
51、单项选择题 研磨阀门时,阀瓣与阀座直接对研,可消除深度在()mm以内的轻微缺陷和磨痕。
A、0.01
B、0.02
C、0.05
D、0.1
点击查看答案
本题答案:微信扫下方二维码即可打包下载完整带答案解析版《★锅炉检修工考试》或《锅炉检修工考试:锅炉管阀检修高级工》题库
52、单项选择题 管道进行冷拉时,多数从()方向进行冷拉。
A、一个
B、二个
C、三个
点击查看答案
本题答案:微信扫下方二维码即可打包下载完整带答案解析版《★锅炉检修工考试》或《锅炉检修工考试:锅炉管阀检修高级工》题库
53、单项选择题 钢中加入()元素,能最有效降低石墨化倾角。
A、铝
B、硅
C、鉻
D、镍
点击查看答案
本题答案:微信扫下方二维码即可打包下载完整带答案解析版《★锅炉检修工考试》或《锅炉检修工考试:锅炉管阀检修高级工》题库
54、问答题 根据文字内容,写出下列螺纹的规定代号。
点击查看答案
本题答案:微信扫下方二维码即可打包下载完整带答案解析版《★锅炉检修工考试》或《锅炉检修工考试:锅炉管阀检修高级工》题库
55、填空题 金属发兰垫片(1Cr18Ni9Ti)可用于工作温度不大于()的法兰上。
点击查看答案
本题答案:微信扫下方二维码即可打包下载完整带答案解析版《★锅炉检修工考试》或《锅炉检修工考试:锅炉管阀检修高级工》题库
56、单项选择题 有一个阀门牌号是Z96Y—250、Dg125,此阀叫做()。
A、电动截止阀
B、单向止回阀
C、弹簧式安全阀
D、电动高压闸阀
点击查看答案
本题答案:微信扫下方二维码即可打包下载完整带答案解析版《★锅炉检修工考试》或《锅炉检修工考试:锅炉管阀检修高级工》题库
57、填空题 主蒸汽管道工作特点是()汽温、()汽压和大管径。
点击查看答案
本题答案:微信扫下方二维码即可打包下载完整带答案解析版《★锅炉检修工考试》或《锅炉检修工考试:锅炉管阀检修高级工》题库
58、填空题 管道支吊架应无变形,吊架拉杆()管子,不能()。
点击查看答案
本题答案:微信扫下方二维码即可打包下载完整带答案解析版《★锅炉检修工考试》或《锅炉检修工考试:锅炉管阀检修高级工》题库
59、填空题 更换苏尔寿再热器安全阀执行器的活塞杆下密封时,必须在拆下执行器后()才能更换。
点击查看答案
本题答案:微信扫下方二维码即可打包下载完整带答案解析版《★锅炉检修工考试》或《锅炉检修工考试:锅炉管阀检修高级工》题库
60、单项选择题 高压阀门阀杆与压盖间隙一般为()mm。
A、0.01~0.05
B、0.05~0.1
C、0.2~0.25
点击查看答案
本题答案:微信扫下方二维码即可打包下载完整带答案解析版《★锅炉检修工考试》或《锅炉检修工考试:锅炉管阀检修高级工》题库
61、填空题 电磁阀是利用()来控制管道中介质流动状态的()。
点击查看答案
本题答案:微信扫下方二维码即可打包下载完整带答案解析版《★锅炉检修工考试》或《锅炉检修工考试:锅炉管阀检修高级工》题库
62、单项选择题 钢材的石墨化达到3级时,其游离碳为()。
A、30%
B、40%
C、60%
D、70%
点击查看答案
本题答案:微信扫下方二维码即可打包下载完整带答案解析版《★锅炉检修工考试》或《锅炉检修工考试:锅炉管阀检修高级工》题库
63、填空题 研磨过程实质上是不用车床的()过程。
点击查看答案
本题答案:微信扫下方二维码即可打包下载完整带答案解析版《★锅炉检修工考试》或《锅炉检修工考试:锅炉管阀检修高级工》题库
64、单项选择题 高温阀门紧固件,为了保证螺栓和螺母不被咬死其材料要求()。
A、螺母和螺栓使用同一材料
B、螺母材料与螺栓材料不能相同
C、螺母材料硬度高于螺栓材料
点击查看答案
本题答案:微信扫下方二维码即可打包下载完整带答案解析版《★锅炉检修工考试》或《锅炉检修工考试:锅炉管阀检修高级工》题库
65、单项选择题 阀杆的腐蚀面积不能超过总面积的(),并且处在填料槽这段阀杆必须光滑。
A、5%
B、10%
C、15%
D、20%
点击查看答案
本题答案:微信扫下方二维码即可打包下载完整带答案解析版《★锅炉检修工考试》或《锅炉检修工考试:锅炉管阀检修高级工》题库
66、填空题 更换管道中途停工时,应将敞开的管口及时()。
点击查看答案
本题答案:微信扫下方二维码即可打包下载完整带答案解析版《★锅炉检修工考试》或《锅炉检修工考试:锅炉管阀检修高级工》题库
67、填空题 降低石墨化倾向最有效的元素是()。
点击查看答案
本题答案:微信扫下方二维码即可打包下载完整带答案解析版《★锅炉检修工考试》或《锅炉检修工考试:锅炉管阀检修高级工》题库
68、填空题 管子连接的一种方法是法兰连接,一般采用()法兰在管子焊固以前,应使它垂直于(),并与管子()。
点击查看答案
本题答案:微信扫下方二维码即可打包下载完整带答案解析版《★锅炉检修工考试》或《锅炉检修工考试:锅炉管阀检修高级工》题库
69、单项选择题 高温高压管道冷拉的目的是()。
A、便于焊接调整对口间隙
B、减少焊接应力
C、提高管道的刚度
D、减少管道膨胀的热应力
点击查看答案
本题答案:微信扫下方二维码即可打包下载完整带答案解析版《★锅炉检修工考试》或《锅炉检修工考试:锅炉管阀检修高级工》题库
70、填空题 管道材料的耗损通常是由于()和()等固体物在蒸汽或水的涡流作用下造成的()。
点击查看答案
本题答案:微信扫下方二维码即可打包下载完整带答案解析版《★锅炉检修工考试》或《锅炉检修工考试:锅炉管阀检修高级工》题库
71、单项选择题 阀门水压试验的压力应为汽包压力的()倍。
A、1.5
B、1.2
C、1.15
D、2
点击查看答案
本题答案:微信扫下方二维码即可打包下载完整带答案解析版《★锅炉检修工考试》或《锅炉检修工考试:锅炉管阀检修高级工》题库
72、问答题 金属在高温下长期运行,会发生哪些组织性能的变化和损坏?
点击查看答案
本题答案:微信扫下方二维码即可打包下载完整带答案解析版《★锅炉检修工考试》或《锅炉检修工考试:锅炉管阀检修高级工》题库
73、问答题 已知锅炉需要供水量为300吨/小时,给水的流速是3米/秒,计算过程中不考虑其它因素,试问应当选择管子内径是多少?
点击查看答案
本题答案:微信扫下方二维码即可打包下载完整带答案解析版《★锅炉检修工考试》或《锅炉检修工考试:锅炉管阀检修高级工》题库
74、填空题 阀门外部泄漏常见于()和法兰连接部位。阀门内部泄漏主要原因是()损坏。
点击查看答案
本题答案:微信扫下方二维码即可打包下载完整带答案解析版《★锅炉检修工考试》或《锅炉检修工考试:锅炉管阀检修高级工》题库
75、问答题 发电厂热力系统的定义是什么?
点击查看答案
本题答案:微信扫下方二维码即可打包下载完整带答案解析版《★锅炉检修工考试》或《锅炉检修工考试:锅炉管阀检修高级工》题库
76、问答题 试述阀门阀杆开关不灵的原因?
点击查看答案
本题答案:微信扫下方二维码即可打包下载完整带答案解析版《★锅炉检修工考试》或《锅炉检修工考试:锅炉管阀检修高级工》题库
77、填空题 阀门的公称直径是一种名义计算,直径用Dg表示,单位为()。一般情况下阀门的通道直径与公称直径是()。
点击查看答案
本题答案:微信扫下方二维码即可打包下载完整带答案解析版《★锅炉检修工考试》或《锅炉检修工考试:锅炉管阀检修高级工》题库
78、填空题 发电厂主要汽水管道系统有(),(),()等。
点击查看答案
本题答案:微信扫下方二维码即可打包下载完整带答案解析版《★锅炉检修工考试》或《锅炉检修工考试:锅炉管阀检修高级工》题库
79、单项选择题 珠光体耐热钢中加入的合金元素总含量一般在()以下。
A、7%
B、10%
C、15%
D、3%
点击查看答案
本题答案:微信扫下方二维码即可打包下载完整带答案解析版《★锅炉检修工考试》或《锅炉检修工考试:锅炉管阀检修高级工》题库
80、问答题 绘图题:画出脉冲安全阀系统图。
点击查看答案
本题答案:微信扫下方二维码即可打包下载完整带答案解析版《★锅炉检修工考试》或《锅炉检修工考试:锅炉管阀检修高级工》题库
81、单项选择题 在弯管机上弯管,直径()以上的管子,一般是热弯。
A、108
B、133
C、159
点击查看答案
本题答案:微信扫下方二维码即可打包下载完整带答案解析版《★锅炉检修工考试》或《锅炉检修工考试:锅炉管阀检修高级工》题库
82、问答题 脉冲式安全阀误动作的原因有哪些?如何解决?
点击查看答案
本题答案:微信扫下方二维码即可打包下载完整带答案解析版《★锅炉检修工考试》或《锅炉检修工考试:锅炉管阀检修高级工》题库
83、单项选择题 压紧阀门盘根的方法是()。
A、压紧一侧,再压紧另一侧
B、两侧同时压紧
C、上述两种方法都不对
点击查看答案
本题答案:微信扫下方二维码即可打包下载完整带答案解析版《★锅炉检修工考试》或《锅炉检修工考试:锅炉管阀检修高级工》题库
84、问答题 高压阀门如何检查修理?
点击查看答案
本题答案:微信扫下方二维码即可打包下载完整带答案解析版《★锅炉检修工考试》或《锅炉检修工考试:锅炉管阀检修高级工》题库
85、填空题 为了消除汽包水位与水位计水位的误差,水位计与泡包连接的管道必须全部(),有的水位计还装有()装置。
点击查看答案
本题答案:微信扫下方二维码即可打包下载完整带答案解析版《★锅炉检修工考试》或《锅炉检修工考试:锅炉管阀检修高级工》题库
86、填空题 管道焊接时,两对接焊口间距不得小于管子外径,且不小于()。
点击查看答案
本题答案:微信扫下方二维码即可打包下载完整带答案解析版《★锅炉检修工考试》或《锅炉检修工考试:锅炉管阀检修高级工》题库
87、填空题 钢中渗碳体在高温下分解成游离碳,并以()析出,在钢中形成了()“夹杂”的现象,称之为()。
点击查看答案
本题答案:微信扫下方二维码即可打包下载完整带答案解析版《★锅炉检修工考试》或《锅炉检修工考试:锅炉管阀检修高级工》题库
88、问答题 为什么再热式机组必须采用单元制系统?
点击查看答案
本题答案:微信扫下方二维码即可打包下载完整带答案解析版《★锅炉检修工考试》或《锅炉检修工考试:锅炉管阀检修高级工》题库
89、单项选择题 金属空心O形圈最适合的压扁度为()。
A、10%~40%
B、10%~30%
C、5%~10%
D、20%
点击查看答案
本题答案:微信扫下方二维码即可打包下载完整带答案解析版《★锅炉检修工考试》或《锅炉检修工考试:锅炉管阀检修高级工》题库
90、单项选择题 对于管径大于()的焊口,应采用双人对称焊,以减少焊接应力。
A、108
B、219
C、273
D、426
点击查看答案
本题答案:微信扫下方二维码即可打包下载完整带答案解析版《★锅炉检修工考试》或《锅炉检修工考试:锅炉管阀检修高级工》题库
91、单项选择题 升降式或转动式直通路逆止阀应安装在()管道上。
A、垂直
B、倾斜
C、水平
点击查看答案
本题答案:微信扫下方二维码即可打包下载完整带答案解析版《★锅炉检修工考试》或《锅炉检修工考试:锅炉管阀检修高级工》题库
92、问答题 蠕变监督的标准是什么?
点击查看答案
本题答案:微信扫下方二维码即可打包下载完整带答案解析版《★锅炉检修工考试》或《锅炉检修工考试:锅炉管阀检修高级工》题库
93、问答题 为什么说管道的检修工作具有较大的难度和风险?
点击查看答案
本题答案:微信扫下方二维码即可打包下载完整带答案解析版《★锅炉检修工考试》或《锅炉检修工考试:锅炉管阀检修高级工》题库
94、填空题 热冲击裂纹一般发生在()而介质温度有()或伴随着蒸汽和水的()管件上,其裂纹的分布方向是()。
点击查看答案
本题答案:微信扫下方二维码即可打包下载完整带答案解析版《★锅炉检修工考试》或《锅炉检修工考试:锅炉管阀检修高级工》题库
95、单项选择题 当再热器压力超过定期时,苏尔寿再热器安全阀的电液控制系统可使安全阀在()快速打开。
A、10~15s
B、15~20s
C、5~10s
D、20~25s
点击查看答案
本题答案:微信扫下方二维码即可打包下载完整带答案解析版《★锅炉检修工考试》或《锅炉检修工考试:锅炉管阀检修高级工》题库
96、填空题 阀体、阀盖是阀门主要()部件,并承受介质的()以及管道和阀杆的(),所用材料应具有足够的强度和韧性,良好的()性,并耐介质的()。
点击查看答案
本题答案:微信扫下方二维码即可打包下载完整带答案解析版《★锅炉检修工考试》或《锅炉检修工考试:锅炉管阀检修高级工》题库
97、填空题 阀门的阀杆与阀盖间是依靠()来密封的,填料的选用应根据()和()的不同来确定。
点击查看答案
本题答案:微信扫下方二维码即可打包下载完整带答案解析版《★锅炉检修工考试》或《锅炉检修工考试:锅炉管阀检修高级工》题库
98、问答题 绘图题:画出电接点水位计的原理示意图。
点击查看答案
本题答案:微信扫下方二维码即可打包下载完整带答案解析版《★锅炉检修工考试》或《锅炉检修工考试:锅炉管阀检修高级工》题库
99、填空题 弯要根据()和()选择规范胎具。
点击查看答案
本题答案:微信扫下方二维码即可打包下载完整带答案解析版《★锅炉检修工考试》或《锅炉检修工考试:锅炉管阀检修高级工》题库
100、单项选择题 紧法兰螺栓时,拧第一个螺栓后,接着拧与它位置对称的另一个,再拧与这对螺栓位置错开()的另一对螺栓,依次拧紧所有螺栓。
A、30°
B、45°
C、60°
D、90°
E、120°
点击查看答案
本题答案:微信扫下方二维码即可打包下载完整带答案解析版《★锅炉检修工考试》或《锅炉检修工考试:锅炉管阀检修高级工》题库
101、填空题 阀门的研磨修复包括清洗和()过程,()过程及()过程。
点击查看答案
本题答案:微信扫下方二维码即可打包下载完整带答案解析版《★锅炉检修工考试》或《锅炉检修工考试:锅炉管阀检修高级工》题库
102、填空题 管道支吊架的作用是(),并承受管道本身及工质的()。
点击查看答案
本题答案:微信扫下方二维码即可打包下载完整带答案解析版《★锅炉检修工考试》或《锅炉检修工考试:锅炉管阀检修高级工》题库
103、问答题 蒸汽管道蠕变变形测量方法有哪几种?各是如何测量的?测量时应注意什么?
点击查看答案
本题答案:微信扫下方二维码即可打包下载完整带答案解析版《★锅炉检修工考试》或《锅炉检修工考试:锅炉管阀检修高级工》题库
104、填空题 管子接口距离管弯曲起点不得小于管子()且不小于()。
点击查看答案
本题答案:微信扫下方二维码即可打包下载完整带答案解析版《★锅炉检修工考试》或《锅炉检修工考试:锅炉管阀检修高级工》题库
105、问答题 影响珠光体球化的因素有哪些?
点击查看答案
本题答案:微信扫下方二维码即可打包下载完整带答案解析版《★锅炉检修工考试》或《锅炉检修工考试:锅炉管阀检修高级工》题库
106、问答题 对发电厂主蒸汽管道系统有哪些要求?发电厂常用的主蒸汽管道系统有哪些?
点击查看答案
本题答案:微信扫下方二维码即可打包下载完整带答案解析版《★锅炉检修工考试》或《锅炉检修工考试:锅炉管阀检修高级工》题库
107、问答题 影响弯管椭圆度的主要因素有哪些?
点击查看答案
本题答案:微信扫下方二维码即可打包下载完整带答案解析版《★锅炉检修工考试》或《锅炉检修工考试:锅炉管阀检修高级工》题库
108、填空题 壁厚大于()碳钢管及()焊后焊口应进行热处理。
点击查看答案
本题答案:微信扫下方二维码即可打包下载完整带答案解析版《★锅炉检修工考试》或《锅炉检修工考试:锅炉管阀检修高级工》题库
109、问答题 常用的弯管方法有几种,各有何不同?
点击查看答案
本题答案:微信扫下方二维码即可打包下载完整带答案解析版《★锅炉检修工考试》或《锅炉检修工考试:锅炉管阀检修高级工》题库
110、单项选择题 孔与轴的公差相互交叠,配合时可能产生间隙也可能产生过盈的配合叫()。
A、过渡配合
B、过盈配合
C、间隙配合
D、普通配合
点击查看答案
本题答案:微信扫下方二维码即可打包下载完整带答案解析版《★锅炉检修工考试》或《锅炉检修工考试:锅炉管阀检修高级工》题库
111、填空题 介质在流量孔板中通过时,压力有所(),速度有所()。
点击查看答案
本题答案:微信扫下方二维码即可打包下载完整带答案解析版《★锅炉检修工考试》或《锅炉检修工考试:锅炉管阀检修高级工》题库
112、单项选择题 汽包和过热器上所装安全阀的排汽量总和应比锅炉最大连续蒸发量()。
A、大
B、小
C、相等
D、不确定
点击查看答案
本题答案:微信扫下方二维码即可打包下载完整带答案解析版《★锅炉检修工考试》或《锅炉检修工考试:锅炉管阀检修高级工》题库
113、填空题 阀门电动装置适用于()场合。
点击查看答案
本题答案:微信扫下方二维码即可打包下载完整带答案解析版《★锅炉检修工考试》或《锅炉检修工考试:锅炉管阀检修高级工》题库
114、填空题 为了减少流体在阀门中的流动阻力,球形阀的阀体应制成()型。
点击查看答案
本题答案:微信扫下方二维码即可打包下载完整带答案解析版《★锅炉检修工考试》或《锅炉检修工考试:锅炉管阀检修高级工》题库
115、填空题 管道蠕变测量所用外经千分尺,应定期(),专人(),专人()。
点击查看答案
本题答案:微信扫下方二维码即可打包下载完整带答案解析版《★锅炉检修工考试》或《锅炉检修工考试:锅炉管阀检修高级工》题库
116、填空题 油管道不能直接接触()管道、应布置在蒸汽管道()。
点击查看答案
本题答案:微信扫下方二维码即可打包下载完整带答案解析版《★锅炉检修工考试》或《锅炉检修工考试:锅炉管阀检修高级工》题库
117、填空题 阀门的静密封是靠两连接件之间夹持()来实现的。因此()是解决静密封处跑冒滴漏的零件。
点击查看答案
本题答案:微信扫下方二维码即可打包下载完整带答案解析版《★锅炉检修工考试》或《锅炉检修工考试:锅炉管阀检修高级工》题库
118、问答题 蒸汽管道上安装的阀门,为什么容易出现裂纹?
点击查看答案
本题答案:微信扫下方二维码即可打包下载完整带答案解析版《★锅炉检修工考试》或《锅炉检修工考试:锅炉管阀检修高级工》题库
119、问答题 计算题:已知某钢管热弯曲半径R=400mm,弯曲角度α=90°,试求弯头弧长?
点击查看答案
本题答案:微信扫下方二维码即可打包下载完整带答案解析版《★锅炉检修工考试》或《锅炉检修工考试:锅炉管阀检修高级工》题库
120、问答题
补全视图中的缺线。

点击查看答案
本题答案:微信扫下方二维码即可打包下载完整带答案解析版《★锅炉检修工考试》或《锅炉检修工考试:锅炉管阀检修高级工》题库
121、问答题
某410/100型锅炉,其汽包工作压力为9.8MPa,试计算其汽包控制安全阀的排放量。
[提示:排汽量计算公式为G=CA(10.2P+1)•K]
已知:
(1)安全阀座内径d=80mm,
(2)安全阀阀瓣开启高度h=25mm,
(3)该安全阀安装在汽包上,
(4)当h≥d/4时,安全阀排汽系数c=0.235
(5)当P≤11.7MP时,饱和蒸汽的比容修正系数k=1
点击查看答案
本题答案:微信扫下方二维码即可打包下载完整带答案解析版《★锅炉检修工考试》或《锅炉检修工考试:锅炉管阀检修高级工》题库
122、填空题 阀门密封面要用红丹粉进行接触试验,接触点应达到()若小于()时,需要重新研磨,对于结合面的凹面或深沟应采用()。
点击查看答案
本题答案:微信扫下方二维码即可打包下载完整带答案解析版《★锅炉检修工考试》或《锅炉检修工考试:锅炉管阀检修高级工》题库
123、单项选择题 浓酸、强碱一旦溅到人体时,首先应采取()方法进行急救。
A、大量清水冲洗
B、碳酸氢钠溶液清洗
C、2%稀碱液中和
D、1%醋酸清洗
点击查看答案
本题答案:微信扫下方二维码即可打包下载完整带答案解析版《★锅炉检修工考试》或《锅炉检修工考试:锅炉管阀检修高级工》题库
124、问答题 选择支吊架时主要应考虑哪些因素?
点击查看答案
本题答案:微信扫下方二维码即可打包下载完整带答案解析版《★锅炉检修工考试》或《锅炉检修工考试:锅炉管阀检修高级工》题库
125、问答题 管道系统的布置应考虑哪些内容?
点击查看答案
本题答案:微信扫下方二维码即可打包下载完整带答案解析版《★锅炉检修工考试》或《锅炉检修工考试:锅炉管阀检修高级工》题库
126、单项选择题 锅炉排污水进入扩容器后()。
A、容积扩大,压力降低
B、容积减少,压力升高
C、容积扩大,压力升高
D、容积减少,压力降低
点击查看答案
本题答案:微信扫下方二维码即可打包下载完整带答案解析版《★锅炉检修工考试》或《锅炉检修工考试:锅炉管阀检修高级工》题库
127、填空题 管道及其附件的连接方式:()、()、()。
点击查看答案
本题答案:微信扫下方二维码即可打包下载完整带答案解析版《★锅炉检修工考试》或《锅炉检修工考试:锅炉管阀检修高级工》题库
128、填空题 管道进行水压试验时,试验压力一般为工作压力的()倍,试验时间()分钟。
点击查看答案
本题答案:微信扫下方二维码即可打包下载完整带答案解析版《★锅炉检修工考试》或《锅炉检修工考试:锅炉管阀检修高级工》题库
129、单项选择题 更换管子时,两个接口间的距离不得小于管子外径,且不少于()mm。
A、150
B、130
C、100
D、200
点击查看答案
本题答案:微信扫下方二维码即可打包下载完整带答案解析版《★锅炉检修工考试》或《锅炉检修工考试:锅炉管阀检修高级工》题库
130、填空题 管道设计尽可能采用()作为补偿器,或者采用改变管道走向,增加补尝作用,布置阀门时,应留出足够空间,以满足()、维修和()的需要。
点击查看答案
本题答案:微信扫下方二维码即可打包下载完整带答案解析版《★锅炉检修工考试》或《锅炉检修工考试:锅炉管阀检修高级工》题库
131、填空题 管道布置时,管道与管道之间,管道与墙、梁柱或设备之间都要有一定距离,以满足,()和()的要求。
点击查看答案
本题答案:微信扫下方二维码即可打包下载完整带答案解析版《★锅炉检修工考试》或《锅炉检修工考试:锅炉管阀检修高级工》题库
132、问答题 阀门检修前,要做哪些准备工作?
点击查看答案
本题答案:微信扫下方二维码即可打包下载完整带答案解析版《★锅炉检修工考试》或《锅炉检修工考试:锅炉管阀检修高级工》题库
133、填空题 带弹簧的升降式逆止阀的工作原理是:当介质按规定方向流动时,介质从阀瓣下引入,借介质()将()顶起,阀门开启当介质停止流动或倒流时,阀瓣借()和()落下,阀门关闭。
点击查看答案
本题答案:微信扫下方二维码即可打包下载完整带答案解析版《★锅炉检修工考试》或《锅炉检修工考试:锅炉管阀检修高级工》题库
134、问答题 管道在运行中常出现的损伤故障形式有哪些?
点击查看答案
本题答案:微信扫下方二维码即可打包下载完整带答案解析版《★锅炉检修工考试》或《锅炉检修工考试:锅炉管阀检修高级工》题库
135、问答题 为什么截止阀不适用于大口径管道?
点击查看答案
本题答案:微信扫下方二维码即可打包下载完整带答案解析版《★锅炉检修工考试》或《锅炉检修工考试:锅炉管阀检修高级工》题库
136、单项选择题 X20CrMOV121(F12)属()耐热钢
A、珠光体
B、马氏体
C、铁素体
D、奥氏体
点击查看答案
本题答案:微信扫下方二维码即可打包下载完整带答案解析版《★锅炉检修工考试》或《锅炉检修工考试:锅炉管阀检修高级工》题库
137、问答题 阀门电动装置由哪些部件组成?
点击查看答案
本题答案:微信扫下方二维码即可打包下载完整带答案解析版《★锅炉检修工考试》或《锅炉检修工考试:锅炉管阀检修高级工》题库
138、填空题 金属蠕变速度与温度的关系是:压力不变时,温度越高,则()。温度较低时,则()。
点击查看答案
本题答案:微信扫下方二维码即可打包下载完整带答案解析版《★锅炉检修工考试》或《锅炉检修工考试:锅炉管阀检修高级工》题库
139、问答题 锅炉安全阀的作用是什么?
点击查看答案
本题答案:微信扫下方二维码即可打包下载完整带答案解析版《★锅炉检修工考试》或《锅炉检修工考试:锅炉管阀检修高级工》题库
140、填空题 在高温应力长期作用下,钢中珠光()为石墨化。
点击查看答案
本题答案:微信扫下方二维码即可打包下载完整带答案解析版《★锅炉检修工考试》或《锅炉检修工考试:锅炉管阀检修高级工》题库
141、填空题 管道在穿过隔墙、楼板时,位于隔墙、楼板内的管段不得有()。这样做主要是便于()和()。
点击查看答案
本题答案:微信扫下方二维码即可打包下载完整带答案解析版《★锅炉检修工考试》或《锅炉检修工考试:锅炉管阀检修高级工》题库
142、单项选择题 管子接口距离弯管起点不得小于管子外径,且不少于()mm。
A、100
B、150
C、200
D、110
点击查看答案
本题答案:微信扫下方二维码即可打包下载完整带答案解析版《★锅炉检修工考试》或《锅炉检修工考试:锅炉管阀检修高级工》题库
143、填空题 焊缝的管子进行通球试验,球的直径为公称内径的()。其目的是检查管子是否(),管子是否符合要求。
点击查看答案
本题答案:微信扫下方二维码即可打包下载完整带答案解析版《★锅炉检修工考试》或《锅炉检修工考试:锅炉管阀检修高级工》题库
144、单项选择题 编结填料的搭角应为()。
A、25°
B、30°
C、60°
D、50°
点击查看答案
本题答案:微信扫下方二维码即可打包下载完整带答案解析版《★锅炉检修工考试》或《锅炉检修工考试:锅炉管阀检修高级工》题库
145、填空题 热处理工艺包括()、()、()三个阶段。
点击查看答案
本题答案:微信扫下方二维码即可打包下载完整带答案解析版《★锅炉检修工考试》或《锅炉检修工考试:锅炉管阀检修高级工》题库
146、单项选择题 在管道的()上,不允许焊接,管头,耳栓或其它附件。
A、弯头
B、直管
C、焊缝
点击查看答案
本题答案:微信扫下方二维码即可打包下载完整带答案解析版《★锅炉检修工考试》或《锅炉检修工考试:锅炉管阀检修高级工》题库
147、填空题 管道焊口不得有气孔、()、()等缺陷。
点击查看答案
本题答案:微信扫下方二维码即可打包下载完整带答案解析版《★锅炉检修工考试》或《锅炉检修工考试:锅炉管阀检修高级工》题库
148、问答题 设备发生问题后,检修之前应弄清的问题是什么?
点击查看答案
本题答案:微信扫下方二维码即可打包下载完整带答案解析版《★锅炉检修工考试》或《锅炉检修工考试:锅炉管阀检修高级工》题库
149、单项选择题 逆止阀是用于()。
A、防止管道中的流体倒流
B、调节管道中流体的流量及压力
C、起保证设备安全作用
点击查看答案
本题答案:微信扫下方二维码即可打包下载完整带答案解析版《★锅炉检修工考试》或《锅炉检修工考试:锅炉管阀检修高级工》题库
150、问答题 什么是珠光体球化?
点击查看答案
本题答案:微信扫下方二维码即可打包下载完整带答案解析版《★锅炉检修工考试》或《锅炉检修工考试:锅炉管阀检修高级工》题库
151、填空题 珠光体球化使钢材的室温()和()下降,也使钢材的()和()下降。
点击查看答案
本题答案:微信扫下方二维码即可打包下载完整带答案解析版《★锅炉检修工考试》或《锅炉检修工考试:锅炉管阀检修高级工》题库
152、单项选择题 主安全阀下阀体法兰使用()。
A、石棉垫
B、金属绑缠绕垫
C、普通金属齿形垫
D、不锈钢齿形垫
点击查看答案
本题答案:微信扫下方二维码即可打包下载完整带答案解析版《★锅炉检修工考试》或《锅炉检修工考试:锅炉管阀检修高级工》题库
153、单项选择题 更换直径100mm以下和管道时,如果新管段有弯管部分,或者新管很长,均应进行通球试验,球的直径为管子内径的()。
A、100%
B、90%
C、85%
点击查看答案
本题答案:微信扫下方二维码即可打包下载完整带答案解析版《★锅炉检修工考试》或《锅炉检修工考试:锅炉管阀检修高级工》题库
154、问答题 现代发电厂常用的给水管道系统有哪些?
点击查看答案
本题答案:微信扫下方二维码即可打包下载完整带答案解析版《★锅炉检修工考试》或《锅炉检修工考试:锅炉管阀检修高级工》题库
155、填空题 对于管径大于()mm的焊口,应采用双人对称焊接,以减少焊接应力。
点击查看答案
本题答案:微信扫下方二维码即可打包下载完整带答案解析版《★锅炉检修工考试》或《锅炉检修工考试:锅炉管阀检修高级工》题库
156、单项选择题 在管道上不允许有任何位移的地方,应装设()。
A、固定支架
B、滑动支架
C、导向支架
D、弹簧吊架
点击查看答案
本题答案:微信扫下方二维码即可打包下载完整带答案解析版《★锅炉检修工考试》或《锅炉检修工考试:锅炉管阀检修高级工》题库
157、单项选择题 高温高压管道及附件的连接方式是()连接。
A、法兰
B、焊接
C、弹性
D、绕性
点击查看答案
本题答案:微信扫下方二维码即可打包下载完整带答案解析版《★锅炉检修工考试》或《锅炉检修工考试:锅炉管阀检修高级工》题库
158、填空题 弯制有缝钢管时,必须将焊缝放在(),以免弯制时焊缝()。
点击查看答案
本题答案:微信扫下方二维码即可打包下载完整带答案解析版《★锅炉检修工考试》或《锅炉检修工考试:锅炉管阀检修高级工》题库
159、单项选择题 支架一般用于()管道。
A、水平
B、垂直
C、倾斜
点击查看答案
本题答案:微信扫下方二维码即可打包下载完整带答案解析版《★锅炉检修工考试》或《锅炉检修工考试:锅炉管阀检修高级工》题库
160、单项选择题 配制管子弯头在冷弯时,其弯曲半径不得小于管子外径的()。
A、4倍
B、3.5倍
C、2倍
D、1.5倍
点击查看答案
本题答案:微信扫下方二维码即可打包下载完整带答案解析版《★锅炉检修工考试》或《锅炉检修工考试:锅炉管阀检修高级工》题库
161、填空题 管道焊口有裂纹,最常用的处理方法是()。
点击查看答案
本题答案:微信扫下方二维码即可打包下载完整带答案解析版《★锅炉检修工考试》或《锅炉检修工考试:锅炉管阀检修高级工》题库
162、填空题 阀门液动装置适用于()和()的场合。
点击查看答案
本题答案:微信扫下方二维码即可打包下载完整带答案解析版《★锅炉检修工考试》或《锅炉检修工考试:锅炉管阀检修高级工》题库
163、填空题 汽水管道更换后应及时将更换管段的()、()、()、长度及更换前的损坏情况等技术数据记入检修台帐,必要时可画出示意图。
点击查看答案
本题答案:微信扫下方二维码即可打包下载完整带答案解析版《★锅炉检修工考试》或《锅炉检修工考试:锅炉管阀检修高级工》题库
164、问答题 阀门按用途可分哪几类?并写出其作用。
点击查看答案
本题答案:微信扫下方二维码即可打包下载完整带答案解析版《★锅炉检修工考试》或《锅炉检修工考试:锅炉管阀检修高级工》题库
165、单项选择题 金属齿形垫使用时要作外部检查,要求齿尖高低(),垫片各处厚度差不容许超过0.1mm。
A、不一致
B、一致
C、可以一致,也可以不一致
点击查看答案
本题答案:微信扫下方二维码即可打包下载完整带答案解析版《★锅炉检修工考试》或《锅炉检修工考试:锅炉管阀检修高级工》题库
166、填空题 弯管外弧部分实测壁厚不得小于()壁厚。
点击查看答案
本题答案:微信扫下方二维码即可打包下载完整带答案解析版《★锅炉检修工考试》或《锅炉检修工考试:锅炉管阀检修高级工》题库
167、单项选择题 钢材石墨化达2级时,其游离碳为()。
A、30%
B、40%
C、60%
D、70%
点击查看答案
本题答案:微信扫下方二维码即可打包下载完整带答案解析版《★锅炉检修工考试》或《锅炉检修工考试:锅炉管阀检修高级工》题库
168、填空题 蠕变测点一般选用()和()。
点击查看答案
本题答案:微信扫下方二维码即可打包下载完整带答案解析版《★锅炉检修工考试》或《锅炉检修工考试:锅炉管阀检修高级工》题库
169、单项选择题 10CrMo910钢焊后热处理时,电焊接头需采用()的回火处理。
A、600~650℃
B、700~750℃
C、740~760℃
D、720~780℃
点击查看答案
本题答案:微信扫下方二维码即可打包下载完整带答案解析版《★锅炉检修工考试》或《锅炉检修工考试:锅炉管阀检修高级工》题库
170、填空题 高压阀头法兰结合面处一般都使用()和()制成的垫,为了保证结合面密封的可靠性,常把金属垫片加工成()。
点击查看答案
本题答案:微信扫下方二维码即可打包下载完整带答案解析版《★锅炉检修工考试》或《锅炉检修工考试:锅炉管阀检修高级工》题库
171、单项选择题 低合金高强钢容器焊接后处理的目的是()。
A、改善组织
B、消除残作应力
C、降低冷裂倾向
点击查看答案
本题答案:微信扫下方二维码即可打包下载完整带答案解析版《★锅炉检修工考试》或《锅炉检修工考试:锅炉管阀检修高级工》题库
题库试看结束后
微信扫下方二维码即可打包下载完整版《★锅炉检修工考试》题库
手机用户可保存上方二维码到手机中,在微信扫一扫中右上角选择“从相册选取二维码”即可。
题库试看结束后微信扫下方二维码即可打包下载完整版《锅炉检修工考试:锅炉管阀检修高级工》题库,分栏、分答案解析排版、小字体方便打印背记!经广大会员朋友实战检验,此方法考试通过率大大提高!绝对是您考试过关的不二利器!
手机用户可保存上方二维码到手机中,在微信扫一扫中右上角选择“从相册选取二维码”即可。
微信搜索关注"91考试网"公众号,领30元,获取公务员事业编教师考试资料40G