时间:2021-10-30 05:40:08


1、单项选择题 排水泵房当两台或两台以上水泵合用一条出水管时,每台水泵的出水管上应设置闸阀,并在闸阀和水泵之间设置()
A.排气阀
B.止回阀
C.检修阀
D.泄水阀
2、单项选择题 两台型号相同的水泵并联工作出水量是单泵工作出水量的()
A.二倍。
B.二倍以上。
C.1~2倍之间。
D.1.5倍。
3、单项选择题 在实际工程应用中,对于正在运行的水泵,水泵装置总扬程可以通过以下公式进行计算:H=()。
A.Hss+Hsd
B.Hs+Hsv
C.HST+Hsv
D.Hd+Hv
4、单项选择题 给水泵房变电所与泵站组合布置时,要考虑变电所尽量靠近(),低压配电室尽量靠近泵房。
A.低压配电室
B.高压配电室
C.控制室
D.电源
5、问答题 水泵的Q~H特性曲线上的任一点(Q,H)表示什么?管道特性曲线上的任一点(Q,H)表示什么?水泵装置的工况点表是什么?请简要回答。
6、填空题 电力负荷等级,是根据用电设备对供电可靠性的要求决定的,它分为()。
7、名词解释 水锤
8、问答题 试述水泵启动前灌水的原因。
9、单项选择题 封闭式叶轮是具有两个盖板的叶轮,如单吸式、双吸式叶轮,叶轮中叶片一般有()
A.2~4片
B.4~6片
C.6~8片,多的可至12片
D.13~16片
10、不定项选择 离心泵启动前应做的准备工作有()
A.检查
B.盘车
C.灌泵
D.关闸
E.开闸
11、单项选择题 离心泵按叶轮()分为单吸泵和双吸泵
A.叶片弯度方式
B.进水方式
C.前后盖板不同
D.旋转速度
12、填空题 水泵站按在给水系统中作用的不同,可分为:取水泵站、送水泵站、加压泵站和()。
13、问答题 离心泵启动时,必须“开闸”还是“闭闸”?为什么?
14、单项选择题 水泵的泵壳铭牌上简明列出了水泵在设计转速下运转,()时的流量、扬程、轴功率及允许吸上真空高度或气蚀余量值。
A.转速为最高
B.流量为最大
C.扬程为最高
D.效率为最高
15、填空题 管道系统的水头损失曲线是管道系统的水头损失随流量的()曲线。
16、问答题 一台12sh-19A型离心泵,流量为220L/s时,在水泵样本中的Q~HS曲线查得:其允许吸上真空高度HS=4.5。泵进水口直径为300mm,吸水管从喇叭口到泵进水口水头损失为1.0m。当地海拔为7m,水温为35℃,试计算其最大安装高度HSS?(海拔为7m时,Pa/γ=10.33mH2O;水温为35℃时,hva=0.59mH2O)
17、填空题 噪音防止的措施有吸音主要用某种材料吸收,还有消音用于单体机组,以及() 。
18、单项选择题 叶片泵的基本性能参数允许吸上真空高度(Hs),是指水泵在标准状况下(即水温为20°c,表面压力为一个标准大气压)运转时,水泵所允许的最大的吸上真空高度,它反应()。
A.离心泵的吸水性能
B.离心泵的吸水管路大小
C.离心泵的进水口位置
D.离心泵叶轮的进水口性能
19、单项选择题 同一条相似工况抛物线上,各点的()是相等的。
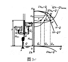
A.扬程
B.流量
C.效率
D.轴功率
20、单项选择题 水泵机组布置时相邻两个机组及机组至墙壁间的净距,在电动机容量不大于55kW时,不小于0.8m;电动机容量大于55kW时,不小于()m。
A.2.2
B.2.0
C.1.8
D.1.2
21、单项选择题 泵壳的材料选择应考虑:介质对过流部分的(),使泵壳具有作为耐压容器的足够机械强度。
A.流动不稳
B.水流速度太快
C.腐蚀和磨损
D.压力不稳定
22、单项选择题 在确定水泵的安装高度时,利用水泵允许吸上真空高度Hs,此Hs为水泵进口真空表Hv的最大极限值,在实用中水泵的()值时,就意味水泵有可能产生气蚀。
A.Hv=Hs
B.Hv
D.Hv=Hs
23、单项选择题 水泵叶轮相似定律的第三定律(功率相似定律),即N~n、D的关系为()

24、单项选择题 离心泵装置的工况就是工作装置的概况。工况点就是水泵装置在()瞬时的扬程、流量、轴功率和效率以及吸上真空度等。它表示水泵装置的工作能力,从而来检验所选泵是否经济合理。
A.出厂销售时
B.实际运行时
C.启动时
D.检测时
25、填空题 根据叶轮中叶片形状的不同,旋转时液流通过叶轮所受质量力的不同,以及液流流出叶轮时方向的不同,可将叶片式水泵分为()、轴流泵、混流泵等三种类型。
26、单项选择题 S、Sh型水泵是()
A.单级单吸式泵
B.单级双吸式泵
C.多级单吸式泵
D.多级双吸式泵
27、填空题 离心泵的设计工况点是()最高点。
28、名词解释 有效功率
29、单项选择题 两台不同型号的离心泵串联工作时,流量大的泵必须放第一级向流量小的水泵供水,主要是防止()。但串联在后面的小泵必须坚固,否则会引起损坏。
A.超负荷
B.气蚀
C.转速太快
D.安装高度不够
30、问答题 比速的大小,对水泵的流量和扬程有何影响?
31、单项选择题 图解法求离心泵装置工况点就是,首先找出水泵的特性曲线H~Q,再根据()方程画出管路特性曲线,两条曲线,相交于M点,M点就是该水泵装置工况点,其出水量就为QM,扬程为HM。
A.S~Q2
B.Sh~Q
C.Sh=SQ2
D.H=HST+SQ2
32、判断题 并联的目的是为了提高水泵的扬程,串联的目的是为了增加水泵的流量。
33、填空题 叶片式水泵是靠装有叶片的()高速旋转而提升液体的。
34、问答题
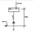
一台输送请水的离心泵,现用来输送容重为水的1.3倍的液体,该液体的其他物理性质视为与水相同,另外水泵装置也相同,问:(1)该水泵工作时,其流量与扬程关系曲线有无改变?在相同的工作状况下,压力表读数如何变化?输送清水时,水泵的压力扬程为0.5Mpa。(2)如果水泵将液体输往高地密闭水箱时,密闭水箱内的压力为2atm(如下图),试求此时的静扬程HST?

35、单项选择题 水泵叶轮中最低压力Pk,如果降低到被抽升液体工作温度下的饱和蒸汽压力(也就是汽化压力)Pva时,泵内液体即发生气穴和气蚀现象。由于气穴产生的这种效应称为
A.汽化
B.真空
C.沸腾现象
D.气蚀
36、单项选择题 定速运行水泵从水源向高水池供水,当水源水位不变而高水池水位逐渐升高时,水泵的流量()
A.保持不变
B.逐渐减小
C.逐渐增大
D.不一定
37、问答题 试简述推导离心泵基本方程式所作的假定。
38、名词解释 水泵效率
39、问答题 试说明离心泵吸水管路端头什么情况下装喇叭管?
40、问答题 H=Hv+Hd”与“H=HST+Σh”中各符号的含义是什么?在实际工作中,这两个公式各有什么用途?
41、问答题 轴流泵是应“开闸启动”还是应该“闭闸启动”,为什么?往复泵又应如何?
42、填空题 几何相似是指两个叶轮主要()部分的对应尺寸成一定比例。
43、单项选择题 城市给水泵站一般分为:取水泵站、送水泵站、加压泵站、()。
A.二泵站
B.中间泵站
C.循环泵站
D.终点泵站
44、填空题 工况相似的水泵,它们必备的条件是()和运动相似。
45、名词解释 扬程
46、填空题 往复泵的扬程与()无关,它的实际扬程仅取决于管路系统的压力、电动机的功率和泵缸本身的机械强度。
47、不定项选择 防止停泵水锤升压过高的措施有()
A.设置水锤消除器
B.设置空气缸
C.设置减压阀
D.采用缓闭止回阀
E.取消止回阀
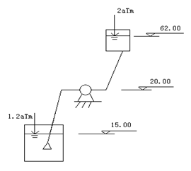
48、问答题
已知
求Hb及Pc。

49、问答题 给出下列水泵型号中各符号的意义: ①60—50—250;②14ZLB—70
50、填空题 流量叠加原理是指参与并联工作的各台水泵总出水量等于在相同扬程下,各台水泵出水量()。
51、单项选择题 轴流泵是根据机翼的原理,利用叶轮旋转时产生对液体的()来输送液体的。
A.动力
B.作用力
C.旋转力
D.升力
52、单项选择题 水泵安装质量应满足如下基本要求:①稳定性,②整体性,③(),④对中与整平。
A.水泵性能要稳定
B.电机电压应满足要求
C.机组尺寸应符合要求
D.位置与标高要准确
53、名词解释 极限工况点
54、问答题
某水厂的取水泵站,供水量
,扬程H=30m,水泵及电机的效率均为80%,试计算该泵站工作10小时的电耗值。
55、填空题 离心泵的主要零件中,转动的有()、泵轴;固定不动的有泵壳、泵座;转动的与不动的交接处有轴封装置、减漏环、轴承座等。
56、单项选择题 混流泵是利用叶轮旋转时产生的()双重作用来工作的。
A.速度与压力变化
B.作用力与反作用力
C.离心力和升力
D.流动速度和流动方向的变化
57、单项选择题
一台水泵同时向两个水塔供水(如图3所示,当y>HST2时,水泵同时向两个水塔供水时),图中已给出供水工况点,水泵的出水量为Q=QM,请在图中找出进入水塔1和进入水塔2的流量,即Q1=?Q2=?)。()

A.Ql=Qn,Q2=QN
B.Q1=Q,Q2=QN
C.Ql=QN,Q2=Qn
D.Q1=QM,Q2=QNA.Ql=Qn,Q2=QN
58、问答题
用图解法求同型号、同水源水位、管路对称布置的两台水泵并联工作时的:(1)并联工况点;(2)各泵工况点(要求简述作图步骤)

59、单项选择题 水泵装置总扬程H=HsT+∑h在实际工程中用于两方面:一是将水由吸水井提升到水塔所需的HsT称为:();二是消耗在克服管路中∑h称为:水头损失。
A.总扬程
B.吸水扬程
C.静扬程
D.压水扬程
60、问答题 12sh-9型泵与20sh-9型泵能否并联?为什么?
61、单项选择题 水流从吸水管沿着泵轴的方向以绝对速度C进入水泵叶轮,自()处流入,液体质点在进入叶轮后,就经历着一种复合圆周运动。
A.水泵进口
B.叶轮进口
C.吸水管进口
D.真空表进口
62、问答题 试述离心式水泵减漏环的作用及常见类型。
63、判断题 比转数相同的水泵,其相对特性曲线相同,特性曲线也相同。
64、问答题 离心泵装置的吸水、压水管上应安装哪些配件和附件?(采用真空泵启动)
65、单项选择题 从离心泵η-Q曲线上可以看出,它是一条只有η极大值的曲线,它在最高效率点向两侧下降,离心泵的η-Q曲线(),尤其在最高效率点两侧最为显著。
A.变化较陡
B.不变化
C.变化较平缓
D.变化高低不平
66、单项选择题 叶片泵在一定转数下运行时,所抽升流体的容重越大(流体的其它物理性质相同),其理论扬程()
A.越大
B.越小
C.不变
D.不一定
67、名词解释 水泵型号 12Sh-28A和300S-12A各项含义
68、判断题 水泵的比转数越大,其扬程越高。
69、判断题 工程中防止气蚀的根本方法是在使用中,使实际气蚀余量小于必要气蚀余量。
70、单项选择题 给水泵站水泵的选择应符合节能的要求。当供水量和水压变化较大时,宜选用叶片角度可调节的水泵、机组调速或()等措施等。
A.阀门调节
B.水泵并联运行
C.改变静扬程
D.更换叶轮
71、问答题 作图说明什么是离心泵的工况点、最大工况点、设计工况点?
72、填空题 离心泵的扬程与叶轮的圆周速度U2(),而U2与叶轮的半径和转速成()。
73、单项选择题 叶片泵的基本方程式为:HT=()。

74、名词解释 允许吸上真空高度
75、问答题
求出图中水泵的吸水地形高度、压水地形高度及装置静扬程。

76、填空题 按泵站在排水系统中的作用可分为()、中途泵站、终点泵站等3种类型。
77、问答题 12sh-9型泵与24sh-9型泵能否串联工作,为什么?
78、问答题 为什么一般情况下离心式水泵要闭阀启动而轴流式水泵要开阀启动?
79、问答题 何谓水泵的安装高度?如何计算最大安装高度?(写出计算公式,注明各符号含义,并如何修正海拔及水温的影响)
80、单项选择题 给水泵房一般应设一至二台备用水泵。备用泵的型号宜同工作水泵中的()一致。
A.常开泵
B.新型号泵
C.易操作泵
D.大泵
81、单项选择题 两台同型号水泵在外界条件相同的情况下并联工作,并联后在并联工况点上的出水量比一台泵工作时出水量()。
A.成倍增加
B.增加幅度不明显
C.大幅度增加,但不是成倍增加
D.不增加
82、单项选择题 排水泵站的基本组成包括:机器间、集水池、格栅、辅助间,有时还附设有()
A.控制室
B.值班室
C.变电所
D.检修间
83、不定项选择 排水泵站的基本组成包括()
A.进水头部
B.格栅
C.集水池
D.机器间
E.辅助间
84、单项选择题 污水泵房集水池容积,不应小于最大一台水泵5min的出水量,如水泵机组为自动控制时,每小时开动水泵不得超过()次。
A.9
B.3
C.6
D.10
85、单项选择题 刚性联轴器用两个圆法兰盘连接,它对于泵轴与电机轴的同心度应该一致,连接中无调节余地,因此,要求安装精度高,常用于()。
A.单台水泵机组连接
B.卧式离心泵机组连接
C.给水泵机组连接
D.小型水泵机组和立式泵机组的连接
86、问答题 简述离心泵气蚀现象产生的原因?水泵使用者可采取那些措施来避免其产生?
87、名词解释 离心泵装置
88、不定项选择 水泵的设计工况点是()工况点。
A.流量最大的
B.扬程最大的
C.轴功率最大的
D.效率最高的
89、名词解释 离心泵的特性曲线
90、名词解释 水泵的总型谱图
91、单项选择题 从图解法求得的离心泵装置的工况点来看,如果水泵装置在运行中,管道上所有闸门全开,那么,水泵的特性曲线与管路的特性曲线相交的点M点就称为该装置的()。
A.极限工况点
B.平衡工况点
C.相对工况点
D.联合工况点
92、填空题 离心泵装置的调速运行是水泵的转速在一定范围内变化,从而改变水泵的()满足不同的需要。
93、问答题 简述泵站中水泵机组布置常用的形式及其适用条件。
94、填空题 水泵装置总扬程在忽略流速产生的动能时应包括()和装置中管路及附件的水头损失。
95、单项选择题 离心泵装置最常见的调节是用闸阀来调节,也就是用水泵的出水闸阀的开启度进行调节。关小闸阀管道局部阻力S值加大()出水量逐渐减小。
A.管道特性曲线变陡
B.水泵特性曲线变陡
C.相似抛物线变陡
D.效率曲线变陡
96、不定项选择 泵站内噪声防治措施有()
A.吸声
B.消声
C.隔声
D.隔振
E.防声
97、问答题 水泵有哪几类?
98、单项选择题 固定式轴流泵只能采用()
A.变径调节
B.变角调节
C.变速调节
D.变阀调节
99、问答题 在产品试制中,一台模型离心泵尺寸为实际泵的1/4倍,并在转速n=730r/min时进行试验。此时量出模型泵设计工况出水量Qm=11L/s,扬程Hm=0.8m。如果模型泵与实际泵效率相等,试求:实际水泵在n=960r/min时设计工况流量和扬程。
100、名词解释 管道系统特性曲线
101、问答题
用图解法求不同型号、管道不对称的两台水泵在相同水位下并联时的工况点。

102、单项选择题 当水泵站其它吸水条件不变时,随当地海拔的增高水泵的允许安装高度()
A.将下降
B.将提高
C.保持不变
D.不一定
103、单项选择题 水泵气蚀余量(Hsv)是指在水泵进口处单位重量液体所具有的超过该工作温度时汽化压力的(),用米水柱表示。
A.吸水高度
B.富余能量
C.饱和蒸汽压力
D.水的温度差
104、单项选择题 给水泵站选泵的要点是:①大小兼顾、调配灵活;②型号整齐、();③合理用尽各水泵的高效段。
A.便于维护
B.互为备用
C.操作方便
D.泵房布置整齐
105、问答题 泵站中应有哪些辅助设施?
106、单项选择题 4B35A型和12Sh-28型水泵的型号意义()
A.数字35是指扬程35m,28是指比转数是280。
B.数字35是指比转数350,28是指扬程28m;
C.4或12是指水泵出水口直径(英寸)
D.Sh是单吸悬臂式,B时单级双吸式。
107、填空题 离心泵的主要零件中减漏环的主要作用为:()、承磨等两种。
108、单项选择题 单吸式离心泵由于叶轮缺乏对称性,工作时叶轮两侧作用压力不相等,因此,在水泵叶轮上作用有一个推向吸入口的轴向力⊿P。这种轴向力特别对于多级式的单级离心泵来讲,数值相当大,必须用专门的()解决。
A.轴向固定装置
B.叶轮固定装置
C.轴向力平衡装置
D.控制压力稳定装置
109、单项选择题 轴流泵的实测特性曲线()
A.H、N随Q增大而减小,Q-η曲线为驼峰型,高效范围很窄。
B.H随Q而减小,N随而增大,有高效段。
C.H随Q而减小,N随Q而增大,Q-η曲线驼峰型,高效范围很窄。
D.A.、B.、C.均不对。
110、填空题 选泵的主要依据是:()以及其变化规律。
111、单项选择题 根据切削律。知道凡满足切削律的任何工况点,都分布在H=kQ2这条抛物线上,此线称为切削抛物线。实践证明在切削限度内,叶轮切削前后水泵效率变化不大,因此切削抛物线也称为()。
A.等效率曲线
B.管路特性曲线
C.水泵效率曲线
D.叶轮变径曲线
112、填空题 单吸吸式离心泵,由于叶轮缺乏对称性,导致水泵工作时出现推向入口的()。
113、判断题 两台水泵的比转数必定相等,则其几何形状相似。
114、单项选择题 往复泵的使用范围侧重于()。
A、高扬程、小流量
B、高扬程、大流量
C、低扬程、小流量
D、低扬程、大流量
115、填空题 离心泵工况点的调节方法有()、变速、变角、变阀等。
116、填空题 改变水泵本身的特性曲线以改变离心泵装置工况点的主要方式包括调速、削切叶轮、()等三种。
117、问答题 画图说明改变离心泵装置工况点的方法有哪些?
118、问答题 简述离心泵实测特性曲线的特点。
119、单项选择题 上凸管处危害最大的水击是()
A.启动水击
B.关阀水击
C.正水击
D.负水击
120、问答题 比转数的用途?
121、单项选择题 在离心泵马达启动时要求轻载启动(闭闸启动),这时水泵的轴功率为额定功率(设计功率)的(),这里所说的闭闸启动就是水泵启动前压水管上的闸阀是关闭的,待电机运转正常后,压力表的读数到达预定数值时,再逐步打开闸阀,使水泵正常工作。
A.100%
B.80%
C.30%
D.15%
122、单项选择题 离心泵的叶轮一般都制成()
A.敞开式
B.半开式
C.半闭封式
D.闭封式
123、问答题
试计算下图中水泵装置的总扬程。(已知:∑hS=1m,∑hd=9m)

124、问答题 24Sh-19型离心泵的铭牌上注明:在抽升20℃水温的水时,HS=2.5m,现问: ①该泵在实际使用中,是否其水泵吸入处的真实表值HV只要不大于2.5m水柱,就能够保证该泵在进行中不产生气蚀。 ②铭牌上HS=2.5m是否意味着,该泵叶轮中的绝对压力不能低于10.33-2.5=7.83m水柱高?为什么?请简述回答。
125、单项选择题 保证水泵并联及单泵工作时均工作在高效段内,应让()
A.并联时工况点位于特性曲线高效段左端,单泵工作时工况点在高效段右端
B.与A.相反。
C.让并联及单泵工作时均工作在最高效点。
D.A.和C.均对。
126、问答题 简述射流泵的工作原理。
127、单项选择题 离心泵的实测特性曲线()
A.H、N随Q而下降,有高效段。
B.H、N随Q而增大,无高效段。
C.H随Q增大而减小,N随Q增大而增大,有高效段。
D.H、N随Q而下降。Q-η曲线为驼峰型,高效范围很窄。
128、问答题 离心泵装置的工况点可随哪些因素变化而改变?
129、填空题 给水泵站内吸水管路中的水流流速建议采用以下数值:D<250mm时为();D≥250mm时为1.2~1.6m/s。
130、单项选择题 无水塔城市管网供水系统中,送水泵站为满足用水量的变化一般选用:()
A.一台大泵。因它能够满足最大用水量要求,故也能满足其他情况水量的要求。
B.多种不同型号的水泵单泵工作,以满足不同的流量扬程要求。
C.多台相同或不同型号的水泵并联及单泵工作,以满足不同流量、扬程要求
D.高效泵。
131、不定项选择 射流泵由那些部分组成?()
A.喷嘴
B.叶轮
C.吸入室
D.混合管
E.扩散管
132、问答题 简述水泵并联工作的特点。
133、名词解释 高效率方框图
134、填空题 叶片式水泵的基本性能参数有:扬程、流量、轴功率、效率、转速、允许吸上真空高度或()。
135、单项选择题 立式排水泵房的传动轴当装有中间轴承时应设置()工作台。
A.养护
B.观察
C.操作
D.备用
136、单项选择题 排水泵房地面敷设管道时,应根据需要设置跨越设施。若架空敷设时,不得()和阻碍交通,通行处的管底距地面不宜小于2.0m。
A.跨越电器设备
B.跨越机组上方
C.跨越泵房空间
D.跨越泵房门窗
137、判断题 一般而言,一台水泵单独工作时的出水量大于其参加并联工作时的出水量。
138、单项选择题 在产品试验中,一台模型离心泵尺寸为实际泵的1/4倍,并在转速n=730r/min时进行试验,此时量出模型泵的设计工况出水量Qn=llL/s,扬程H=0.8m,如果模型泵与实际泵的效率相等。试求:实际水泵在n=960r/min时的设计工况流量和扬程。()
A.Q=1040L/s,H=20.6m
B.Q=925L/s,H=22.lm
C.Q=840L/s,H=26.5m
D.Q=650L/s,H=32.4m
139、判断题 离心泵的理论扬程与液体容量无关。
140、问答题 气蚀余量
141、填空题 实现变速调节的途径一般有两种方式,一种方式是(),另一种方式是电机转速不变,通过中间偶合器变速。
142、问答题 简述选泵的两点依据。写出供水量变幅较小的一级泵站的设计流量和扬程的表达式,并说明各符号的意义。
143、单项选择题 两台离心式水泵串联工作,串联泵的设计流量应是接近的,否则就不能保证两台泵在高效率下运行,有可能引起较小泵产生超负荷,容量大的泵()。
A.不能发挥作用
B.转速过低
C.流量过大
D.扬程太低
144、单项选择题 轴流泵的叶轮一般安装在水面()
A.以下
B.以上
C.位置
D.不一定
145、填空题 雨水泵站水泵类型一般采用轴流泵,这是因为雨水泵站具有()的特点。
146、单项选择题 排水泵阀宜设置成自灌式,并符合以下要求:①在吸水管上应设有()②宜按集水池的液位变化自动控制运行
A.真空表
B.观测孔
C.闸阀
D.止回阀
147、问答题 如何确定正在运转中的离心泵装置的总扬程?(写出计算公式及各符号的含义)
148、单项选择题 速度三角形中速度C2u表示叶轮出口()。
A.径向分速度
B.圆周速度
C.相对速度
D.切向分速度
149、问答题 一台水泵与一高位水池甲,向高位水池乙供水,求水泵及高位水池甲各自的出水量?
150、问答题 为什么离心泵的叶轮大都采用后弯式(β2<90°)叶片。
151、填空题 轴流泵主要与离心泵不同的构件有()、()、()。
152、单项选择题 向高地输水的泵房,当水泵设有止回阀或底阀时,应进行()压力计算。
A.静扬程
B.停泵水锤
C.饱和蒸汽压
D.基础承载
153、问答题 水泵启动前的引水方法有几种,各用在什么地方?
154、判断题 离心泵启动时应首先打开出水闸阀,然后合上电源开关启动电机。
155、问答题 离心泵有哪些主要零件?
156、填空题 离心泵的极限工况点是()最大点。
157、名词解释 汽蚀
158、填空题 变电所的类型有独立变电所,附设变电所,()。
159、填空题 ()主要是靠叶轮高速旋转而产生的径向力使水获得能量而提升液体。
160、填空题 吸入式工作的水泵,当压水管上装有止回阀时,常用的引水方式有()、水射器引水、水泵压水管引水、人工引水等几种。
161、问答题 按泵站在给水系统中的作用的不同,给水泵站可分为哪几种?
162、填空题 吸水管上不装底阀的水泵常用()和()引水方法。
163、单项选择题 给水泵房变电所的数目由负荷的大小及分散情况所决定,如负荷大、数量少、且集中时,则变电所应集中设置,建造()变电所即可.
A.二个
B.按负荷大的数量考虑
C.按性质不同考虑
D.一个
164、问答题
某水泵装置夏季在A点工作。到冬季时,需要的水量减少25%,拟切削叶轮。如何求叶轮切削后的直径D’2?

165、不定项选择 对于多级单吸离心泵,平衡轴向力的办法有()
A.开平衡孔
B.装减漏环
C.加装平衡盘
D.装填料盒
166、填空题 ()单位时间内水泵所抽提的水体体积。
167、名词解释 相似工况抛物线
168、单项选择题 水泵的启动方式()
A.叶片泵宜闭闸启动;
B.叶片泵宜开闸启动;
C.离心泵宜开闸启动,轴流泵和旋涡泵宜闭闸启动;
D.离心泵宜闭闸启动,轴流泵宜开闸启动。
169、填空题 离心泵必须()启动;轴流泵必须()启动。
170、单项选择题 水泵叶轮相似定律的第二定律(扬程相似定律),即H~n、D的关系为()

171、不定项选择 改变轴流泵工况点的的办法是()
A.改变转速
B.切削叶轮
C.改变叶片装置角
D.改变闸门的开启闸
172、单项选择题 某一台给定的气升泵()
A.耗氧量越大水的提升高度越大。
B.耗氧量越大水的提升高度越小。
C.开始,随空气量增大,水的提升高度增大,但是当空气量增大到某一值时,水的提升高度反而逐渐减小。
D.空气量与水的提升高度无关,至于提升的水量有关。
173、填空题 运转中的水泵装置,其总扬程约等于()与压力表的读数之和。
174、名词解释 轴流泵特性曲线的特点
175、不定项选择 属于叶片式水泵的有()
A.离心泵
B.射流泵
C.轴流泵
D.混流泵
E.往复泵
176、问答题 离心泵站中,一般应安装有那些设备?
177、问答题 某泵站,夏季为一台泵往压力密闭水箱供水,HST=4m,水泵叶轮直径为D2,管路总阻力系数S=225。到了冬季可减少12%供水量,为了节电,拟切削叶轮,试用图解法求切削率。
178、名词解释 水泵装置的总扬程
179、判断题 压力管道常用的敷设方式有镇墩、支墩和管床。
180、单项选择题 水泵实际应用中,由于动能转化为压能过程中(),所以动扬程在水泵总扬程中所占的百分比越小,泵壳内水力损失越小,水泵效率越高。
A.由于操作管理不当
B.伴随有能量损失
C.时而电压不稳定
D.由于工作环境不同
181、单项选择题 泵壳的作用之一是,由于从工作轮中甩出的水(),因此泵壳就起了收集水并使其平稳地流出的作用。
A.流动得不平稳
B.流动速度太快
C.水流压力太大
D.水头损失较大
182、填空题 ()是一种水力机械。它把动力机的机械能传递给所输送的水流,使水流的能量增加,从而把水流从低处抽提到高处,或从一处输送到另一处。
183、填空题 常见叶片泵的叶轮形式有()、半开式、敞开式。
184、问答题 泵站中决定离心泵装置工况点的因素有哪些?
185、问答题 已知一台水泵的(Q—H)1曲线(转速n1时),要求经调速后的工况点为B(QB,HB)(不在(Q-H)1曲线(n1)上),求调速比及调速后的Q-H曲线。
186、问答题 为什么离心泵叶轮一律采用后弯式叶片?
187、单项选择题 离心泵的启动前一般应按以下程序进行:①盘车,②灌泵或引水排气,③(),④开泵。
A.测试水温
B.检查仪表和闭闸
C.检查轴承
D.量测安装高度
188、单项选择题 与低比转数的水泵相比,高比转数的水泵具有()
A.流量小、扬程高
B.流量小、扬程低
C.流量大、扬程低
D.流量大、扬程高
189、填空题 水泵的效率是水泵的()与()的比值。
190、填空题 对吸水管路的要求是:()、不积气、不吸气。
191、单项选择题 螺旋泵的转速较低,不能由电动机直接带动,必须采取()措施。
A.传动
B.联动
C.缓冲
D.减速
192、名词解释 静扬程HST
193、填空题 叶片泵按其叶片的弯曲形状可分为后弯式、前弯式和径向式三种。而离心泵大都采用()叶片。
194、单项选择题 叶片泵基本方程与容重无关,适用于各种理想液体。即HT与g无关。但是,容重对功率有影响,容重越大,消耗功率越大,当输送液体的容重不同,而(),原动机所须供给的功率消耗不同。
A.理论扬程相同时
B.理论扬程不同时
C.理论扬程大时
D.理论扬程小时
195、单项选择题 考虑到污水泵在使用过程中因效率下降和管道中因阻力增加的能量损失,在确定水泵扬程时,可增大()米安全扬程。
A.1~2
B.2~3
C.3~4
D.0.5~1
196、填空题 离心泵的总效率由()、()、()三部分组成。
197、单项选择题 混流泵按结构形式分为()两种。
A.立式与卧式
B.正向进水与侧向进水
C.全调节与半调节
D.蜗壳式和导叶式A.立式与卧式
B.正向进水与侧向进水
C.全调节与半调节
D.蜗壳式和导叶式
198、判断题 在选择串联工作的水泵时,应特别注意各泵的扬程应接近。
199、问答题 离心泵装置吸水管上的大小头为什么一定要用偏心大小头?
200、填空题 水泵叶轮的相似定律是基于几何相似和()的基础上的。
201、单项选择题 排水泵站按其排水性质,一般可分为污水(生活污水、生产污水)泵站、雨水泵站、合流泵站和()。
A.提升泵站
B.污泥泵站
C.终点泵站
D.回流泵站
202、填空题 交流电动机调速,较好的方案是()和变频调速调速。
203、填空题 给排水工程常用的叶片泵有IS系列单级单吸式离心泵、SH(SA)系列单级双吸式离心泵、D(DA)系列分段多级式离心泵、JD(J)系列深井泵、轴流泵、()等等类型。
204、填空题 在给排水工程中常用的叶片式水泵有()、()、混流泵等。
205、单项选择题 离心泵装置用闸阀来调节要注意的是,关小闸阀增加的扬程都消耗在()上了,只是增加了损失,不能增加静扬程,而在设计时尽量不采用这种方式。
A.管路
B.水泵出口
C.阀门
D.吸水管路
206、判断题 轴流泵的特点是高扬程、小流量。
207、单项选择题 轴流泵是按调节叶片角度的可能性分为()三种类型。
A.固定式、半调节式和全调节式
B.立式、卧式和斜式
C.封闭式、半敞开式和全敞开式
D.全角、半角和固定角
208、填空题 已知某12SH型离心泵的额定参数为Q=730m3/h,H=10m,n=1450r/min。试计算其比转数为()
209、单项选择题 泵房的防噪措施应符合现行的()及《工业企业噪声控制设计规范》的规定。
A.《城市区域环境噪声标准》
B.《城市区域建设标准》
C.《城市区域环境绿化标准》
D.《市政工程质量验收标准》
210、单项选择题 反映流量与管路中水头损失之间的关系的曲线称为管路特性曲线,即()。
A.∑h=SQ
B.∑h=SQ2
C.∑h=S/Q2
D.∑h=S/Q
211、单项选择题 离心泵泵轴的要求:应有足够的(),其挠度不超过允许值;工作转速不能接近产生共振现象的临界转速。
A.光滑度和长度
B.抗扭强度和足够的刚度
C.机械强度和耐磨性
D.抗腐蚀性
212、判断题 叶轮是离心泵中的主要转动零件之一。
213、填空题 按工作原理,可将水泵分为()、容积式、其他等三大类型。
214、单项选择题 水泵铭牌参数(即设计或额定参数)是指水泵在时的参数()
A.最高扬程
B.最大效率
C.最大功率
D.最高流量
215、判断题 水泵吸水地形高度(mH2O),是指自水泵吸水井(池)水面的测管水面至泵轴之间的垂直距离。
216、问答题 轴流泵为何不宜采用节流调节?常采用什么方法调节工况点?
217、填空题 活塞泵必须()启动,它有自吸能力。
218、填空题 允许吸上真空高度是指水泵在标准状况下运转时,水泵所允许的最大吸上的真空高度值,一般常用它来反映离心泵的()。
219、填空题 单级单吸式离心泵的主要零件有()、()、泵座、叶轮、填料盒、减漏环、 联轴器、轴承座、轴向力平衡措施等九部分。
220、填空题 ns的数值可反映出水泵的()形状和特性曲线的形状。
221、单项选择题 已知:某离心泵D2=290mm时的(H~Q)1曲线,在夏季工作时工况点A(Ha=38.2m、Qa=42L/s),到了冬季将备用叶轮切小后装上使用,静扬程不变,工况点B比A点流量下降12%,扬程为Hb=35.9m,B点的等效率点为曲线(H~Q)1上的C点(Hc=42m、Qc=40L/s),求该叶轮切削外径百分之几?()
A.15.8%
B.11.7%
C.8.8%
D.7.6%
222、单项选择题 在大型水泵机组中,由于底阀带来较大的水力损失,从而多消耗电能,加之底阀容易发生故障,所以一般泵站的水泵常常采用()启动。
A.真空泵来抽真空
B.灌水方法
C.人工
D.快速启动法
223、单项选择题 室外消防水池与建筑物外墙之间的距离不应小于()米。
A、10
B、15
C、20
D、25
224、填空题 离心泵的主要零件分为()、固定部分、交接部分三大部分。
225、单项选择题
如图2所示,如果经常有三台同型号水泵并联工作,有时也出现需要四台泵工作才能满足要求。在运行中应考虑定速泵与调速泵相结合,但定速泵与调速泵台数的确定时,要根据具体情况来考虑,当出现供水量为QA>Q3时,就应该考虑4台水泵工作,应开()。

A.三定一调
B.二定两调
C.一定三调
D.四台调速
226、不定项选择 水泵的极限工况点是()工况点。
A.扬程最大的
B.流量最大的
C.转速最大的
D.效率最大的
227、单项选择题 水泵吸水管的流速在确定时应根据管径的不同来考虑。当D<250mm时,V=1.0~1.2m/s,当D=250~1000mm时,V=()m/s。
A.1.0~1.2
B.1.2~1.6
C.1.6~2.0
D.1.5~2.5
228、填空题 ()是指反映同类水泵的共性的综合性指数。
229、填空题 离心泵装置是水泵与相配的电动机、管路及()组成的系统。
230、判断题 离心泵大都是立式机组,一般安装在水面以上。
231、填空题 叶片泵的性能曲线主要有()、()、通用性能曲线、全面性能曲线、综合(或系列)型谱。
232、单项选择题 轴流泵的工作是以空气动力学中机翼的()为基础的,其叶片与机翼具有相似形状的截面。
A.应用条件
B.适用范围
C.断面形状
D.升力理论
233、名词解释 水泵并联工作
234、单项选择题 水泵叶轮后弯式叶片:当β1和β2均小于90°时,为叶片与旋转方向呈()叶片。
A.径向式
B.前弯式
C.水平式
D.后弯式
235、不定项选择 水泵并联工作的目的是()
A.可增加供水量
B.可增加扬程
C.可调节流量和扬程
D.可提高供水可靠性
236、问答题 单级单吸式离心泵可采用开平衡孔的方法消除轴向推力,试述其作用原理及优缺点。
237、名词解释 水泵的比转数
238、问答题 简述对吸水管路的要求?
239、填空题 相似工况抛物线上各点的效率都是()的。
240、单项选择题 已知:某离心泵D2=290mm时的(H~Q)1曲线,在夏季工作时工况点A(Ha=38.2m、Qa=42L/s),到了冬季将备用叶轮切小后装上使用,静扬程不变,工况点B比A点流量下降12%,扬程为Hb=35.9m,B点的等效率点为曲线(H~Q)1上的C点(Hc=42m、Qc=40L/s),求该叶轮切削外径百分之几?()
A.15.8%
B.11.7%
C.8.8%
D.7.6%
241、填空题 水泵的扬程与叶轮的外径和转速成()。
242、判断题 离心泵由吸水管端到叶轮叶片背水面近吸水口处,绝对压力和相对压力均逐渐减小至最低。
243、名词解释 水泵
244、单项选择题 比转数的大小规律是()
A.离心泵>轴流泵>混流泵。
B.离心泵<轴流泵<混流泵。
C.离心泵<混流泵<轴流泵。
D.离心泵>混流泵>轴流泵。
245、单项选择题
水泵吸水过程中压力变化的公式为
,这部分压能,一部分消耗在泵外,另一部分消耗在泵内。

246、问答题 试简述调速运行的优点及需要注意的事项?
247、问答题 一台10Sh-13型离心泵,在1450转/分钟的转数下,流量、扬程、轴功率和效率分别为135L/s、23m、38kw和83%。若该泵在1200转/分钟的转数下运转,试问其Q、H、N和η分别为多少?
248、单项选择题 离心泵的实测Q-H特性曲线。()
A.是抛物线。
B.是直线
C.是驼峰型曲线
D.高效段近似是抛物线。
249、问答题
试计算水泵的最大安装高度。
已知:安装地海拔450m,水温35℃,水泵的Hs=5m,V12/2g=1m,∑hS=1m。

250、填空题 叶片泵中,叶轮水流向为径向者是离心泵,为轴向者是轴流泵,为轴向与径向合成向者是()。
251、不定项选择 离心泵的主要部件中,转动的零件有()
A.叶轮
B.泵轴
C.填料盒
D.轴承座
E.泵壳
252、单项选择题 水泵是输送和提升液体的机器,是转换能量的机械,它把原动机的机械能转换为被输送液体的能量,使液体获得()。
A.压力和速度
B.动能和势能
C.流动方向的变化
D.静扬程
253、填空题 一般的城市供水工程中,水泵站的电耗占自来水制水成本的(),故合理降低泵站电耗工作具有重大的经济意义和社会效益。
254、填空题 允许吸上真空度Hs是水泵在标准状况(即,水温20℃,表面压力为一个标准大气压)运行时,水泵叶轮所允许的最大吸上真空度换算成的()。
255、填空题 叶片式泵按其比转速从小到大,可分为()、混流泵、轴流泵。
256、单项选择题
如图2所示,如果有三台同型号水泵并联工作,当供水量为QA时(Q1

A.一定两调
B.二台定速
C.二台调速
D.一定一调
257、填空题 水泵型号12Sh-28A中符号“Sh”表示单级双吸卧式离心泵;数字“12”表示水泵吸水口直径(in);数字“28”表示比转速为()。
258、单项选择题 水泵气穴和气蚀的危害主要是,产生噪声和振动,(),引起材料的破坏,缩短水泵使用寿命。
A.性能下降
B.转速降低
C.流量不稳
D.轴功率增加
259、单项选择题 已知:某离心泵nl=960r/min时(H—Q)l曲线上工况点a1(H1=38.2m、Q1=42L/s),转速由n1调整到n2后,工况点为a2(H2=21.5m、Q2=31.5L/s),求n2=()
A.680r/min
B.720r/min
C.780r/min
D.820r/min
260、单项选择题 下面关于网页上图形的描述不正确的是()。
A、网页上的图形文件可以放在与网页文件不同的服务器上
B、在网页制作时可以调整图形在网页显示的大小
C、JPEG格式的图片可以作为动画
D、网页上的图形可以作为链接
261、填空题 容积式水泵靠改变泵体工作室容积来提升液体,它有()和旋转运动两种。
262、判断题 离心泵的相似定律是比例律的一种特例。
263、单项选择题 下列泵中,不是叶片式泵()
A.混流泵
B.活塞泵
C.离心泵
D.轴流泵
264、单项选择题
图2所示,如果有三台同型号水泵并联工作,当供水量为QA时(Q1

A.一定两调
B.两定一调
C.三台调速
D.三台定速
265、单项选择题
如图1所示,三台同型号水泵在外界条件相同的情况下并联工作,并联时水泵的效率点应为()。

A.η
B.η1
C.η2
D.η3
266、单项选择题 离心泵的工作过程实际是一个能量的传递和转化的过程,在这个过程中伴随有许多能量损失,能量损失越大,(),工作效率越低。
A.离心泵的工作寿命越短
B.离心泵的扬程就越低
C.离心泵的流量就越少
D.离心泵的性能越差
267、名词解释 水泵型号 12Sh-28A和300S-12A各项含义
268、填空题 离心泵的基本构造中交接部分主要包括()、减漏环、轴封装置。
269、单项选择题 水泵按其作用和工作原理可分为()
A.叶片式水泵、容积式水泵、其他水泵
B.大流量水泵、中流量水泵、小流量水泵
C.高压水泵、中压水泵、低压水泵
D.给水泵、污水泵、其他液体泵大类