手机用户可
保存上方二维码到手机中,在
微信扫一扫中右上角选择“从
相册选取二维码”即可。
1、单项选择题 A~(D)不属于电网低频运行造成的是()。
A.电厂机组突然甩负荷运行;
B.电时钟减慢;
C.电厂出力下降;
D.汽轮机叶片振动加大。
点击查看答案
本题答案:微信扫下方二维码即可打包下载完整带答案解析版《★电力负荷控制员》或《电力负荷控制员:电力负荷控制员技师》题库
2、判断题 电网中的输电、变电和配电系统,是将电源生产的电能,可靠地、高效地送到负荷中心或地区,并分配给电力用户使用。()
点击查看答案
本题答案:微信扫下方二维码即可打包下载完整带答案解析版《★电力负荷控制员》或《电力负荷控制员:电力负荷控制员技师》题库
3、问答题 在网络系统中,何谓客户/服务器(Cilent/Server)运行模式?
点击查看答案
本题答案:微信扫下方二维码即可打包下载完整带答案解析版《★电力负荷控制员》或《电力负荷控制员:电力负荷控制员技师》题库
4、判断题 二次侧为双绕组的电流互感器,其准确度等级高的二次绕组应供计量用。()
点击查看答案
本题答案:微信扫下方二维码即可打包下载完整带答案解析版《★电力负荷控制员》或《电力负荷控制员:电力负荷控制员技师》题库
5、问答题 需求侧管理的目标是什么?
点击查看答案
本题答案:微信扫下方二维码即可打包下载完整带答案解析版《★电力负荷控制员》或《电力负荷控制员:电力负荷控制员技师》题库
6、问答题 绘图题:已知正弦电压
,画出示意图。
来源:91考试网 91ExAm.org
点击查看答案
本题答案:微信扫下方二维码即可打包下载完整带答案解析版《★电力负荷控制员》或《电力负荷控制员:电力负荷控制员技师》题库
7、问答题 某户室内装一日光灯照明,见图D-9,U=220V,f=50Hz,日光灯的功率P=20W,开灯后,电路中通过的电流I=0.3A,试求L及功率因数的值,如果要将该电路的功率因数提高到0.85,需并联多大的电容器?
点击查看答案
本题答案:微信扫下方二维码即可打包下载完整带答案解析版《★电力负荷控制员》或《电力负荷控制员:电力负荷控制员技师》题库
8、单项选择题 对设备的保养应贯彻()的方针。
A.预防为主;
B.维护为主;
C.修理为主;
D.检查为主。
点击查看答案
本题答案:微信扫下方二维码即可打包下载完整带答案解析版《★电力负荷控制员》或《电力负荷控制员:电力负荷控制员技师》题库
9、判断题 Windows9x中的控制面板可用于更改计算机设置。()
点击查看答案
本题答案:微信扫下方二维码即可打包下载完整带答案解析版《★电力负荷控制员》或《电力负荷控制员:电力负荷控制员技师》题库
10、判断题 判断载流导体周围磁场的方向用左手定则。()
点击查看答案
本题答案:微信扫下方二维码即可打包下载完整带答案解析版《★电力负荷控制员》或《电力负荷控制员:电力负荷控制员技师》题库
11、问答题 绘图题:指出图E-25是什么电路?
点击查看答案
本题答案:微信扫下方二维码即可打包下载完整带答案解析版《★电力负荷控制员》或《电力负荷控制员:电力负荷控制员技师》题库
12、问答题 某滚珠轴承厂,年用电量A约为609.5万kWh,其最大有功负荷年利用小时数Tmax为5300h,求该厂最大负荷Pmax是多少?
点击查看答案
本题答案:微信扫下方二维码即可打包下载完整带答案解析版《★电力负荷控制员》或《电力负荷控制员:电力负荷控制员技师》题库
13、问答题 数据库系统主要由哪些部分组成?并说明本单位负荷管理系统采用何种数据库?
点击查看答案
本题答案:微信扫下方二维码即可打包下载完整带答案解析版《★电力负荷控制员》或《电力负荷控制员:电力负荷控制员技师》题库
14、单项选择题 当过电压继电器电压大于动作值时,衔铁被吸持(),继电器动作。
A.动合触点闭合;
B.动合触点断开;
C.动断触点闭合;
D.动断触点断开。
点击查看答案
本题答案:微信扫下方二维码即可打包下载完整带答案解析版《★电力负荷控制员》或《电力负荷控制员:电力负荷控制员技师》题库
15、单项选择题 电源A、B、C加于电感式相序指示器相应的端钮时左灯亮右灯暗,相序正确为正相序。若将电源B、C、A相加于该相序指示器A、B、C端钮时应()。
A.左灯亮右灯暗;
B.左灯暗右灯亮;
C.两灯均亮;
D.两灯均暗。
点击查看答案
本题答案:微信扫下方二维码即可打包下载完整带答案解析版《★电力负荷控制员》或《电力负荷控制员:电力负荷控制员技师》题库
16、判断题 高压负荷开关应与高压熔断器配合使用。()
点击查看答案
本题答案:微信扫下方二维码即可打包下载完整带答案解析版《★电力负荷控制员》或《电力负荷控制员:电力负荷控制员技师》题库
17、问答题 简述产生电磁场的根本原因及电磁波传播规律。
点击查看答案
本题答案:微信扫下方二维码即可打包下载完整带答案解析版《★电力负荷控制员》或《电力负荷控制员:电力负荷控制员技师》题库
18、问答题 绘图题:说出图E-28属何种反馈。
点击查看答案
本题答案:微信扫下方二维码即可打包下载完整带答案解析版《★电力负荷控制员》或《电力负荷控制员:电力负荷控制员技师》题库
19、单项选择题 系统处于静态状态下,若主站电台CD、RD灯常亮或常闪烁,故障不会是()。
A.主站电台常发;
B.终端有常发;
C.有同频干扰源;
D.电台静噪电路有开启。
点击查看答案
本题答案:微信扫下方二维码即可打包下载完整带答案解析版《★电力负荷控制员》或《电力负荷控制员:电力负荷控制员技师》题库
20、问答题 图D-7中,R=4Ω,XL=9Ω,XC=6Ω,电源电压U=100V,试求电路中的电压和电流相位差及电阻、电感、电容上的电压UR、UL及UC。
点击查看答案
本题答案:微信扫下方二维码即可打包下载完整带答案解析版《★电力负荷控制员》或《电力负荷控制员:电力负荷控制员技师》题库
21、判断题 焊炬停止使用时,应先关闭乙炔调节阀,然后关闭氧气调节阀
点击查看答案
本题答案:微信扫下方二维码即可打包下载完整带答案解析版《★电力负荷控制员》或《电力负荷控制员:电力负荷控制员技师》题库
22、问答题 计算机中央处理器(CPU)由哪些单元组成?
点击查看答案
本题答案:微信扫下方二维码即可打包下载完整带答案解析版《★电力负荷控制员》或《电力负荷控制员:电力负荷控制员技师》题库
23、问答题 供用电合同的概念是什么?其作用是什么?
点击查看答案
本题答案:微信扫下方二维码即可打包下载完整带答案解析版《★电力负荷控制员》或《电力负荷控制员:电力负荷控制员技师》题库
24、问答题 列举接收机、发射机各三个主要技术指标及合格数值范围。
点击查看答案
本题答案:微信扫下方二维码即可打包下载完整带答案解析版《★电力负荷控制员》或《电力负荷控制员:电力负荷控制员技师》题库
25、判断题 临时用电期限除经供电企业准许外,一般不得超过一年。()
点击查看答案
本题答案:微信扫下方二维码即可打包下载完整带答案解析版《★电力负荷控制员》或《电力负荷控制员:电力负荷控制员技师》题库
26、判断题 带电作业的监护人监护的范围不得超过两个作业点。()
点击查看答案
本题答案:微信扫下方二维码即可打包下载完整带答案解析版《★电力负荷控制员》或《电力负荷控制员:电力负荷控制员技师》题库
27、问答题 变更用电的内容有哪些?并说明变来源:91 考试网更用电的过程。
点击查看答案
本题答案:微信扫下方二维码即可打包下载完整带答案解析版《★电力负荷控制员》或《电力负荷控制员:电力负荷控制员技师》题库
28、单项选择题 在不影响高压设备的低压电气设备上工作,应()。
A.填用第一种或第二种工作票;
B.填用第一种工作票或按命令执行;
C.填用第二种工作票或按命令执行;
D.用第一种或第二种工作票,或者按命令执行。
点击查看答案
本题答案:微信扫下方二维码即可打包下载完整带答案解析版《★电力负荷控制员》或《电力负荷控制员:电力负荷控制员技师》题库
29、单项选择题 规约帧的传输格式是()。
A.11位同步传输;
B.8位同步传输;
C.异步传输、高位先发;
D.异步传输、低位先发
点击查看答案
本题答案:微信扫下方二维码即可打包下载完整带答案解析版《★电力负荷控制员》或《电力负荷控制员:电力负荷控制员技师》题库
30、问答题 绘图题:画出高频电缆衰耗特性测量接线图。
点击查看答案
本题答案:微信扫下方二维码即可打包下载完整带答案解析版《★电力负荷控制员》或《电力负荷控制员:电力负荷控制员技师》题库
31、问答题 试论述中继通信和终端转发通信的各自特点(优、缺点)。
点击查看答案
本题答案:微信扫下方二维码即可打包下载完整带答案解析版《★电力负荷控制员》或《电力负荷控制员:电力负荷控制员技师》题库
32、问答题 终端的定期巡视和检查包括哪些内容?
点击查看答案
本题答案:微信扫下方二维码即可打包下载完整带答案解析版《★电力负荷控制员》或《电力负荷控制员:电力负荷控制员技师》题库
33、判断题 配电网载波通信衰耗主要发生在由于阻抗变化而形成的回波衰耗上。()
点击查看答案
本题答案:微信扫下方二维码即可打包下载完整带答案解析版《★电力负荷控制员》或《电力负荷控制员:电力负荷控制员技师》题库
34、问答题 电气安全用具如何分类?怎样维护、试验和保管?
点击查看答案
本题答案:微信扫下方二维码即可打包下载完整带答案解析版《★电力负荷控制员》或《电力负荷控制员:电力负荷控制员技师》题库
35、单项选择题 在无线电力负荷控制系统中,采用纠错技术,不会()。
A.改善信道的通信质量;
B.抵御无线电通信中突发干扰;
C.提高数据传输效率;
D.影响系统的实时性。
点击查看答案
本题答案:微信扫下方二维码即可打包下载完整带答案解析版《★电力负荷控制员》或《电力负荷控制员:电力负荷控制员技师》题库
36、单项选择题 无线频道间隔为25kHz的负控系统,其最大允许频偏为()。
A.±2kHz;
B.±3kHz;
C.±4kHz;
D.±5kHz。
点击查看答案
本题答案:微信扫下方二维码即可打包下载完整带答案解析版《★电力负荷控制员》或《电力负荷控制员:电力负荷控制员技师》题库
37、判断题 电网频率的波动是由于电网负荷变化而引起的。当负荷过重时,频率升高,负荷过轻时,频率降低。()
点击查看答案
本题答案:微信扫下方二维码即可打包下载完整带答案解析版《★电力负荷控制员》或《电力负荷控制员:电力负荷控制员技师》题库
38、问答题 什么是负荷率?提高负荷率主要方法有哪些?什么是配电网的日负荷率,日负荷率与负荷性质的关系如何?
点击查看答案
本题答案:微信扫下方二维码即可打包下载完整带答案解析版《★电力负荷控制员》或《电力负荷控制员:电力负荷控制员技师》题库
39、判断题 性能良好的接收机灵敏度都在1V以下。()
点击查看答案
本题答案:微信扫下方二维码即可打包下载完整带答案解析版《★电力负荷控制员》或《电力负荷控制员:电力负荷控制员技师》题库
40、问答题 继电保护的作用有哪些?
点击查看答案
本题答案:微信扫下方二维码即可打包下载完整带答案解析版《★电力负荷控制员》或《电力负荷控制员:电力负荷控制员技师》题库
41、判断题 网络协议是计算机网络的语言,最常用的网络协议包括IPX/SPX、TCP/TP以及NetBEUI()
点击查看答案
本题答案:微信扫下方二维码即可打包下载完整带答案解析版《★电力负荷控制员》或《电力负荷控制员:电力负荷控制员技师》题库
42、单项选择题 在双向负控终端中,调制解调器的作用是将信号与话音分离,并将信号()。
A.按规定的频率发送和接收;
B.按规定的副载频调制和解调;
C.按规定的接口电平和调解;
D.按规定的传输协议发送和接收。
点击查看答案
本题答案:微信扫下方二维码即可打包下载完整带答案解析版《★电力负荷控制员》或《电力负荷控制员:电力负荷控制员技师》题库
43、问答题 绘图题:画出无线电负荷控制系统构成框图(此答案谨供参考,标准答案以本单位为准)。
点击查看答案
本题答案:微信扫下方二维码即可打包下载完整带答案解析版《★电力负荷控制员》或《电力负荷控制员:电力负荷控制员技师》题库
44、单项选择题 在音频电力负荷控制系统中,音频脉冲有串联和并联两种注入方法,串联和并联两种注入使用的分别是()。
A.较小信号,较大信号;
B.较低频率,较高频率;
C.较大信号,较小信号;
D.较高频率,较低频率。
点击查看答案
本题答案:微信扫下方二维码即可打包下载完整带答案解析版《★电力负荷控制员》或《电力负荷控制员:电力负荷控制员技师》题库
45、判断题 音频电力负荷控制技术是利用无线电波作为信息的传输媒介。()
点击查看答案
本题答案:微信扫下方二维码即可打包下载完整带答案解析版《★电力负荷控制员》或《电力负荷控制员:电力负荷控制员技师》题库
46、单项选择题 DOS命令分内部与外部命令,下面属于内部命令的是()。
A.FORMAT
B.XCOPY
C.DISKCOPY
D.TYPE
点击查看答案
本题答案:微信扫下方二维码即可打包下载完整带答案解析版《★电力负荷控制员》或《电力负荷控制员:电力负荷控制员技师》题库
47、单项选择题 根据拓扑结构的不同,计算机网络一般可分为()。
A.对等式、专用服务器和主从式三种结构;
B.令牌网、以太网;
C.总线型、星型和环型三种结构;
D.局域网、广域网、城域网。
点击查看答案
本题答案:微信扫下方二维码即可打包下载完整带答案解析版《★电力负荷控制员》或《电力负荷控制员:电力负荷控制员技师》题库
48、问答题 绘图题:画出分立元件与门电路。
点击查看答案
本题答案:微信扫下方二维码即可打包下载完整带答案解析版《★电力负荷控制员》或《电力负荷控制员:电力负荷控制员技师》题库
49、问答题 当用户终端的上行无线电信号场强较弱时,通常采用什么措施?
点击查看答案
本题答案:微信扫下方二维码即可打包下载完整带答案解析版《★电力负荷控制员》或《电力负荷控制员:电力负荷控制员技师》题库
50、判断题 Windows9x提供了对长文件名的支持,但不可以在文件名中使用空格。()
点击查看答案
本题答案:微信扫下方二维码即可打包下载完整带答案解析版《★电力负荷控制员》或《电力负荷控制员:电力负荷控制员技师》题库
51、问答题 通常将计算机系统软件分为哪六类?
点击查看答案
本题答案:微信扫下方二维码即可打包下载完整带答案解析版《★电力负荷控制员》或《电力负荷控制员:电力负荷控制员技师》题库
52、判断题 在电力系统中,用户侧的管理也叫需求侧管理,英文缩写为DSM。()
点击查看答案
本题答案:微信扫下方二维码即可打包下载完整带答案解析版《★电力负荷控制员》或《电力负荷控制员:电力负荷控制员技师》题库
53、单项选择题 负荷控制终端中,主板送入调制解调器的信号有()。
A.数据信号、载波检测信号(CD.;
B.数据信号、数据准备发送信号(RTS);
C.CD信号、RTS信号;
D.数据信号、CD信号及RTS信号。
点击查看答案
本题答案:微信扫下方二维码即可打包下载完整带答案解析版《★电力负荷控制员》或《电力负荷控制员:电力负荷控制员技师》题库
54、单项选择题 当数传电台处于正常状态下(即终端未接到主台命令,也未向主台发数据的状态),()。
A.发射机、接收机均处于等待状态;
B.发射机处于等待状态,接收机处于接收状态;
C.发射机处于发射状态,接收机处于等待状态;
D.发射机处于发射状态,接收机处于接收状态。
点击查看答案
本题答案:微信扫下方二维码即可打包下载完整带答案解析版《★电力负荷控制员》或《电力负荷控制员:电力负荷控制员技师》题库
55、问答题 计算机的I/O设备与主机之间为什么要采用接口进行连接?
点击查看答案
本题答案:微信扫下方二维码即可打包下载完整带答案解析版《★电力负荷控制员》或《电力负荷控制员:电力负荷控制员技师》题库
56、单项选择题 按照工作许可制度规定,在工作中要变更安全措施需经过()同意。
A.工作负责人;
B.工作许可人;
C.工作负责人和工作许可人;
D.工作人员和工作许可人。
点击查看答案
本题答案:微来源:91考试网 91Exam.org信扫下方二维码即可打包下载完整带答案解析版《★电力负荷控制员》或《电力负荷控制员:电力负荷控制员技师》题库
57、判断题 在音频电力负荷控制系统中,回检信号主要是检验指令编码发送到电网后与用户终端发出的指令编码是否一致。()
点击查看答案
本题答案:微信扫下方二维码即可打包下载完整带答案解析版《★电力负荷控制员》或《电力负荷控制员:电力负荷控制员技师》题库
58、单项选择题 信噪比的表示方式是()。
A.S/N;
B.D/U;
C.NF;
D.C/N。
点击查看答案
本题答案:微信扫下方二维码即可打包下载完整带答案解析版《★电力负荷控制员》或《电力负荷控制员:电力负荷控制员技师》题库
59、问答题 一个C为100μF的电容器,接入频率f为50Hz,电压U为220V的交流电源上,电压瞬时表达式u=
×220sin(3140t+30°),写出该电路的电压和电流瞬时值表达式。
点击查看答案
本题答案:微信扫下方二维码即可打包下载完整带答案解析版《★电力负荷控制员》或《电力负荷控制员:电力负荷控制员技师》题库
60、问答题 影响产品质量的因素可分为哪两大类?
点击查看答案
本题答案:微信扫下方二维码即可打包下载完整带答案解析版《★电力负荷控制员》或《电力负荷控制员:电力负荷控制员技师》题库
61、单项选择题
在计算线路电压损失公式:
中QX项前的符号是()。
A.感性负荷时为正,容性负荷为负;
B.感性、容性负荷均取正;
C.感性负荷时为负,容性负荷为正;
D.感性、容性负荷均取负。
点击查看答案
本题答案:微信扫下方二维码即可打包下载完整带答案解析版《★电力负荷控制员》或《电力负荷控制员:电力负荷控制员技师》题库
62、判断题 电流速断保护的动作电流应按躲过最大负荷电流整定。()
点击查看答案
本题答案:微信扫下方二维码即可打包下载完整带答案解析版《★电力负荷控制员》或《电力负荷控制员:电力负荷控制员技师》题库
63、单项选择题 局域网络结构分()层。
A.5;
B.6;
C.7;
D.8。
点击查看答案
本题答案:微信扫下方二维码即可打包下载完整带答案解析版《★电力负荷控制员》或《电力负荷控制员:电力负荷控制员技师》题库
64、问答题 试论述负荷管理终端的计量、保护双回路负荷监测防窃电原理及优点。
点击查看答案
本题答案:微信扫下方二维码即可打包下载完整带答案解析版《★电力负荷控制员》或《电力负荷控制员:电力负荷控制员技师》题库
65、判断题 Windows9x提供的系统监测器,主要用于监视硬盘空间的占用情况。()
点击查看答案
本题答案:微信扫下方二维码即可打包下载完整带答案解析版《★电力负荷控制员》或《电力负荷控制员:电力负荷控制员技师》题库
66、判断题 金属不同,但规格、绞向相同的导线可在同一档距内连接。()
点击查看答案
本题答案:微信扫下方二维码即可打包下载完整带答案解析版《★电力负荷控制员》或《电力负荷控制员:电力负荷控制员技师》题库
67、判断题 配电网载波通信中,各条线路上都必须串接阻波器。()
点击查看答案
本题答案:微信扫下方二维码即可打包下载完整带答案解析版《★电力负荷控制员》或《电力负荷控制员:电力负荷控制员技师》题库
68、单项选择题 电波在自由空间中传播时有()现象。
A.反射;
B.折射;
C.吸收;
D.直射。
点击查看答案
本题答案:微信扫下方二维码即可打包下载完整带答案解析版《★电力负荷控制员》或《电力负荷控制员:电力负荷控制员技师》题库
69、单项选择题 在()方式的电力负荷控制设备的安装中会用到高频电缆。
A.音频和载波;
B.音频和无线;
C.载波和无线;
D.音频、载波及无线。
点击查看答案
本题答案:微信扫下方二维码即可打包下载完整带答案解析版《★电力负荷控制员》或《电力负荷控制员:电力负荷控制员技师》题库
70、判断题 视在功率即不是有功功率也不是无功功率。()
点击查看答案
本题答案:微信扫下方二维码即可打包下载完整带答案解析版《★电力负荷控制员》或《电力负荷控制员:电力负荷控制员技师》题库
71、问答题 绘图题:指出图E-24是什么电路,当XL=XC时电路是什么性质,将发生什么?
点击查看答案
本题答案:微信扫下方二维码即可打包下载完整带答案解析版《★电力负荷控制员》或《电力负荷控制员:电力负荷控制员技师》题库
72、单项选择题 在定义数据库结构时,一般对每个字段需要说明()。
A.记录名、类型、宽度和小数位数;
B.记录、操作和存储;
C .字段名、类型、宽度和小数位数;
D.关系、元组和属性。
点击查看答案
本题答案:微信扫下方二维码即可打包下载完整带答案解析版《★电力负荷控制员》或《电力负荷控制员:电力负荷控制员技师》题库
73、问答题 试述利用负荷管理系统实现“远方抄表”的基本条件。
点击查看答案
本题答案:微信扫下方二维码即可打包下载完整带答案解析版《★电力负荷控制员》或《电力负荷控制员:电力负荷控制员技师》题库
74、问答题 在全面质量管理原理中质量的含义是什么?
点击查看答案
本题答案:微信扫下方二维码即可打包下载完整带答案解析版《★电力负荷控制员》或《电力负荷控制员:电力负荷控制员技师》题库
75、问答题 进行电力电量预测要收集哪些资料?有几种方法?
点击查看答案
本题答案:微信扫下方二维码即可打包下载完整带答案解析版《★电力负荷控制员》或《电力负荷控制员:电力负荷控制员技师》题库
76、判断题 目前,电力负荷控制系统的终端和当地的多功能电能表之间,大多采用RS485接口进行串行通信,实现远方抄表。()
点击查看答案
本题答案:微信扫下方二维码即可打包下载完整带答案解析版《★电力负荷控制员》或《电力负荷控制员:电力负荷控制员技师》题库
77、问答题 供电质量指什么?电能质量指什么?
点击查看答案
本题答案:微信扫下方二维码即可打包下载完整带答案解析版《★电力负荷控制员》或《电力负荷控制员:电力负荷控制员技师》题库
78、问答题 简述配电所操作电源的种类及选用原则。
点击查看答案
本题答案:微信扫下方二维码即可打包下载完整带答案解析版《★电力负荷控制员》或《电力负荷控制员:电力负荷控制员技师》题库
79、判断题 在接低压三相三线有功电能表时,如果A、B相电压对调,即三相电压错接为BAC,将会导致电能表停走。()
点击查看答案
本题答案:微信扫下方二维码即可打包下载完整带答案解析版《★电力负荷控制员》或《电力负荷控制员:电力负荷控制员技师》题库
80、问答题 绘图题:画出10kV线路过电流保护原理图,并根据该原理图画展开图。
点击查看答案
本题答案:微信扫下方二维码即可打包下载完整带答案解析版《★电力负荷控制员》或《电力负荷控制员:电力负荷控制员技师》题库
81、单项选择题 按GB288-1982《计算机场机地技术要求》的规定,直流接地电阻和防雷保护接地电阻最小值分别为()。
A.4Ω,4Ω;
B.4Ω,10Ω;
C.10Ω,4Ω;
D.10Ω,10Ω。
点击查看答案
本题答案:微信扫下方二维码即可打包下载完整带答案解析版《★电力负荷控制员》或《电力负荷控制员:电力负荷控制员技师》题库
82、判断题 110kV以上电压等级的系统以防护内部过电压为主。()
点击查看答案
本题答案:微信扫下方二维码即可打包下载完整带答案解析版《★电力负荷控制员》或《电力负荷控制员:电力负荷控制员技师》题库
83、单项选择题 无线电力负荷控制的电波信号主要依赖()传播。
A.天波;
B.地波;
C.直射波;
D.绕射波。
点击查看答案
本题答案:微信扫下方二维码即可打包下载完整带答案解析版《★电力负荷控制员》或《电力负荷控制员:电力负荷控制员技师》题库
84、单项选择题 工频电力负荷控制系统的信号传输频率受()限制。
A.调制方式;
B.器件极限;
C.工频频率;
D.数据处理能力。
点击查看答案
本题答案:微信扫下方二维码即可打包下载完整带答案解析版《★电力负荷控制员》或《电力负荷控制员:电力负荷控制员技师》题库
85、问答题 绘图题:画出脉冲电能表的工作系统框图。
点击查看答案
本题答案:微信扫下方二维码即可打包下载完整带答案解析版《★电力负荷控制员》或《电力负荷控制员:电力负荷控制员技师》题库
86、问答题 一只U为110V,P为8W的指示灯,若将它接到380V的电源上使用,试计算应串联的电阻值和功率?
点击查看答案
本题答案:微信扫下方二维码即可打包下载完整带答案解析版《★电力负荷控制员》或《电力负荷控制员:电力负荷控制员技师》题库
87、单项选择题 载波信号在配电网中的传输,由于(),必然会产生反射波。
A.阻抗的存在;
B.分支线多;
C.变压器的影响;
D.阻抗的不匹配。
点击查看答案
本题答案:微信扫下方二维码即可打包下载完整带答案解析版《★电力负荷控制员》或《电力负荷控制员:电力负荷控制员技师》题库
88、判断题 并网运行的用户发电机,其检修时间应安排在电网负荷较低的时期。()
点击查看答案
本题答案:微信扫下方二维码即可打包下载完整带答案解析版《★电力负荷控制员》或《电力负荷控制员:电力负荷控制员技师》题库
89、问答题 绘图题:写出图E-56中①、②、③、④所指符号的含义。
点击查看答案
本题答案:微信扫下方二维码即可打包下载完整带答案解析版《★电力负荷控制员》或《电力负荷控制员:电力负荷控制员技师》题库
90、问答题 数据库管理软件的主要目标是什么?
点击查看答案
本题答案:微信扫下方二维码即可打包下载完整带答案解析版《★电力负荷控制员》或《电力负荷控制员:电力负荷控制员技师》题库
91、单项选择题 “2FSK”中的2表示()。
A.一种信号;
B.两路信号;
C.二进制信号;
D.2个FSK。
点击查看答案
本题答案:微信扫下方二维码即可打包下载完整带答案解析版《★电力负荷控制员》或《电力负荷控制员:电力负荷控制员技师》题库
91ExaM.orgload="if(this.width>600)makesmallpic(this,600,1800);" src="http://wap.91exam.org/ewebeditor/uploadfile/2019/04/02/20190402155207853.png" align="center" style="font-size: 9pt;">
92、单项选择题 当开机后终端无任何指示灯亮时应检查()。
A.220V电源是否接好;
B.交流熔断器是否熔断;
C.稳压电源输出是否正常;
D.A.~C.三项。
点击查看答案
本题答案:微信扫下方二维码即可打包下载完整带答案解析版《★电力负荷控制员》或《电力负荷控制员:电力负荷控制员技师》题库
93、问答题 什么叫同频道干扰?它在无线电负荷控制系统中有何影响?
点击查看答案
本题答案:微信扫下方二维码即可打包下载完整带答案解析版《★电力负荷控制员》或《电力负荷控制员:电力负荷控制员技师》题库
94、单项选择题 执行STORECTOD(‘07/01/99’)TOA,变量A的类型为()。
A.日期型;
B.字符型;
C.逻辑型;
D.数值型。
点击查看答案
本题答案:微信扫下方二维码即可打包下载完整带答案解析版《★电力负荷控制员》或《电力负荷控制员:电力负荷控制员技师》题库
95、问答题 电力工业生产和建设的基本方针是什么?事故调查的指导思想又是什么?
点击查看答案
本题答案:微信扫下方二维码即可打包下载完整带答案解析版《★电力负荷控制员》或《电力负荷控制员:电力负荷控制员技师》题库
96、单项选择题 在自由空间传播条件下,电波传播的路径损耗与()有关。
A.工作频率;
B.发射机的输出功率;
C.天线的增益;
D.天线的有效高度。
点击查看答案
本题答案:微信扫下方二维码即可打包下载完整带答案解析版《★电力负荷控制员》或《电力负荷控制员:电力负荷控制员技师》题库
97、问答题 在全面质量管理原理中,质量控制包括哪四个步骤?
点击查看答案
本题答案:微信扫下方二维码即可打包下载完整带答案解析版《★电力负荷控制员》或《电力负荷控制员:电力负荷控制员技师》题库
来源:91考试网 www.91exAm.org 98、问答题 已知接收机的误码率Pe=10-5时,载噪比C/N=14dB,噪声系数NF=20dB,求接收机最低输入电平pmin?
点击查看答案
本题答案:微信扫下方二维码即可打包下载完整带答案解析版《★电力负荷控制员》或《电力负荷控制员:电力负荷控制员技师》题库
99、单项选择题 在单桥式整流电路中,若一个二极管极性接反了,则()。
A.仍是全波整流;
B.是半波整流;
C.1/4波整流;
D.没输出波。
点击查看答案
本题答案:微信扫下方二维码即可打包下载完整带答案解析版《★电力负荷控制员》或《电力负荷控制员:电力负荷控制员技师》题库
100、判断题 微机系统中,最重要的,且危害最严重的干扰来源于电源的污染。()
点击查看答案
本题答案:微信扫下方二维码即可打包下载完整带答案解析版《★电力负荷控制员》或《电力负荷控制员:电力负荷控制员技师》题库
101、单项选择题 邻道辐射功率是指发信机在额定调制状态下,总输出功率落在邻道频率接收带宽内的功率电平,一般要求它比载波功率电平低()以上。
A.50dB;
B.60dB;
C.70dB;
D.80dB。
点击查看答案
本题答案:微信扫下方二维码即可打包下载完整带答案解析版《★电力负荷控制员》或《电力负荷控制员:电力负荷控制员技师》题库
102、问答题 已知一包括400台各类终端的负控系统,7月份各类终端月累计停用台时数为28867.2台•时,试问该系统本月月可用率A为多少?该系统该项指标是否满足实用化验收要求?
点击查看答案
本题答案:微信扫下方二维码即可打包下载完整带答案解析版《★电力负荷控制员》或《电力负荷控制员:电力负荷控制员技师》题库
103、判断题 在两端供电的线路上,合闸时电网的频率和两端供电电源频率相同时,即称为同期。()
点击查看答案
本题答案:微信扫下方二维码即可打包下载完整带答案解析版《★电力负荷控制员》或《电力负荷控制员:电力负荷控制员技师》题库
104、问答题 绘图题:画出简单的晶体管放大电路图。
点击查看答案
本题答案:微信扫下方二维码即可打包下载完整带答案解析版《★电力负荷控制员》或《电力负荷控制员:电力负荷控制员技师》题库
105、单项选择题 如图A-1所示电路,只增加交流电的频率时,()灯亮度增强。
A.LH1;
B.LH2;
C.LH3;
D.LH1、LH2、LH3。
点击查看答案
本题答案:微信扫下方二维码即可打包下载完整带答案解析版《★电力负荷控制员》或《电力负荷控制员:电力负荷控制员技师》题库
106、单项选择题 在低压带电作业时,要搭接或断开导线,应遵循()。
A.断开时先断相线,搭接时先接相线;
B.断开时先断相线,搭接时先接地线;
C.断开时先断地线,搭接时先接地线;
D.断开时先断地线,搭接时先接相线。
点击查看答案
本题答案:微信扫下方二维码即可打包下载完整带答案解析版《★电力负荷控制员》或《电力负荷控制员:电力负荷控制员技师》题库
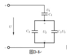
107、问答题 图D-8为三只电容器混联的电路图,已知:U=600V,C=12μF,C2=6μF,C3=30μF,试求等值电容C为多大?总电量Q和能量W为多大?各分电压U1,U2,U3为多大?
点击查看答案
本题答案:微信扫下方二维码即可打包下载完整带答案解析版《★电力负荷控制员》或《电力负荷控制员:电力负荷控制员技师》题库
108、判断题 在微型计算机中,二进制数-0.1011的原码为0.1011。()
点击查看答案
本题答案:微信扫下方二维码即可打包下载完整带答案解析版《★电力负荷控制员》或《电力负荷控制员:电力负荷控制员技师》题库
109、问答题 简述网络操作系统的作用。
点击查看答案
本题答案:微信扫下方二维码即可打包下载完整带答案解析版《★电力负荷控制员》或《电力负荷控制员:电力负荷控制员技师》题库
110、单项选择题 场强是指接收天线上的无线电波的能量密度,场强的大小与()有关。
A.工作频率;
B.接收天线的极化方式;
C.发射天线的辐射功率;
D.接收天线的形式。
点击查看答案
本题答案:微信扫下方二维码即可打包下载完整带答案解析版《★电力负荷控制员》或《电力负荷控制员:电力负荷控制员技师》题库
111、问答题 说出无线电负荷控制系统的主站系统软件维护的注意事项。
点击查看答案
本题答案:微信扫下方二维码即可打包下载完整带答案解析版《★电力负荷控制员》或《电力负荷控制员:电力负荷控制员技师》题库
112、单项选择题 5类双绞线是目前网络布线的主流,其最高传输频率是()。
A.20Mb/s;
B.100Mb/s;
C.125Mb/s;
D.200Mb/s。
点击查看答案
本题答案:微信扫下方二维码即可打包下载完整带答案解析版《★电力负荷控制员》或《电力负荷控制员:电力负荷控制员技师》题库
113、判断题 接线组别不同的变压器不能并列运行。()
点击查看答案
本题答案:微信扫下方二维码即可打包下载完整带答案解析版《★电力负荷控制员》或《电力负荷控制员:电力负荷控制员技师》题库
114、问答题 绘图题:图E-60为一用户的计量电压互感器的接线,指出它属于什么接法,并说明优缺点。
点击查看答案
本题答案:微信扫下方二维码即可打包下载完整带答案解析版《★电力负荷控制员》或《电力负荷控制员:电力负荷控制员技师》题库
115、单项选择题 按照数据模型,Foxpro是()。
A.层次型数据库管理系统;
B.关系型数据库管理系统;
C.网状型数据库管理系统;
D.混合型数据库管理系统。
点击查看答案
本题答案:微信扫下方二维码即可打包下载完整带答案解析版《★电力负荷控制员》或《电力负荷控制员:电力负荷控制员技师》题库
题库试看结束后
微信扫下方二维码即可打包下载完整版《★电力负荷控制员》题库
手机用户可保存上方二维码到手机中,在微信扫一扫中右上角选择“从相册选取二维码”即可。
题库试看结束后微信扫下方二维码即可打包下载完整版《电力负荷控制员:电力负荷控制员技师》题库,分栏、分答案解析排版、小字体方便打印背记!经广大会员朋友实战检验,此方法考试通过率大大提高!绝对是您考试过关的不二利器!
手机用户可保存上方二维码到手机中,在微信扫一扫中右上角选择“从相册选取二维码”即可。
微信搜索关注"91考试网"公众号,领30元,获取公务员事业编教师考试资料40G