时间:2019-12-15 01:28:24


1、单项选择题 汽车音响出现故障从车上拆下维修时,需要配备外接电源(变压器)电路,为了使试机时没有交流声,滤波电容不小于()µF,否则试机时会有交流声。
A.2200
B.280
C.4200
2、判断题 汽车音响内部出现了故障,必须将其从车上拆下来才能进行维修,要求配备维修电源、音箱、天线等外部设施。()
3、多项选择题 汽车音响如果放音正常,FM、AM收音均无声,那么故障部位可能在()。
A.FM收音相关的电路
B.AM收音相关的电路
C.FM和AM的供电电源
D.音量控制电位器
E.选台调谐电压电路
4、多项选择题 汽车音响整机全不工作的故障部位可能为()。
A.电感烧毁搭铁
B.功放集成电路击穿短路
C.电源开关不通或虚焊
D.功放部分及音量电位器损坏
E.二极管VD因电源反接而击穿
5、单项选择题 汽车音响出现了噪声,可通过调节音量键或旋钮来判断故障出在高、中频电路还是低频电路。若噪声随音量键或旋钮的调节而变化,则噪声源在()部分,应对这部分电路进行检查。
A.中、低频
B.高、中频
C.高、低频
6、多项选择题 汽车音响常用检查方法中,脱开检查法特别适用音响出现()等故障的检查。
A.电流变大
B.电压变低
C.短路
D.有噪声
7、判断题 汽车音响中,AM的含义是调频。()
8、单项选择题 汽车音响按照放音机芯的功能可分为()。
A.普通型换向机芯和自动换向机芯
B.中频放大机芯和调频中频信号放大机芯
C.调频高频信号放大电路机芯、混频电路机芯、本振电路机芯、调频选频机芯及预中频放大电路机芯等
9、判断题 密码式防盗是一种电子防盗方式,它是通过音响面板上的按键给汽车音响输入所谓的设定密码后来实现防盗的。()
10、判断题 所谓直流电压检测法,就是用万用表测量集成电路各引脚的对地的直流电压值,然后与该IC正常工作时的标称电压值进行对照,从而判断是否有故障。()
11、单项选择题 汽车卫星导航系统的地面控制系统由1个主控站,3个注入站和()个监测站组成。
A.5
B.3
C.21
12、判断题 汽车音响的机芯由于使用环境恶劣,自身损坏的概率较大。()
13、判断题 汽车音响的音量控制大都设臵在靠近功放级的输出端。()
14、判断题 信号寻迹法有异于信号追踪法(信号注入法),其实质是利用一模拟信号源加在汽车音响第一级的信号输入端。()
15、多项选择题 功率放大器是汽车音响故障率最高的部分,大多都是因功放集成块被击穿而引起的,造成集成块被击穿的原因有()。
A.汽车发电机电压调节器不良,发生过压或过载而损坏
B.汽车发电机产生的瞬态峰值电压将集成块击穿
C.不了解音响性能,使用不当
D.集成块搭铁不良
16、多项选择题 宝马系列车型采用阿尔派音响的通用密码为()。
A.12345
B.22222
C.3111
D.62463
17、判断题 当更换功放集成电路以后,上好散热器就可以试机了。()
18、判断题 收音部分的调谐多采用调感方式,调感磁芯一般为4组,调频、调幅各用2组。()
19、判断题 GPS的基本定位原理是:卫星不间断地发送时间信息,用户接收到信息后,经过计算求出接收机的三维位臵、三维方向以及运动速度和时间等信息。()
20、判断题 用了I2c总线电子调节方式的音响,彻底消除了传统机械电位器调节时产生的调谐噪声,使调节更平稳可靠,但不可采用遥控方式进行操作。()
21、判断题 如果集成电路某端子电压不正常,或其表面温度远高于正常工作温度,就可认为是其损坏。()
22、判断题 在进行维修时,若不知道音响密码,不要轻易断开蓄电池的电源线。()
23、判断题 汽车音响根据音响电路来分,可分为I2c总线控制红外遥控数字调谐数字显示汽车音响、数字调谐数字显示汽车音响、数字显示汽车音响。()
24、多项选择题 在音响面板上或后车门三角窗等处发现()标志,则就说明该车音响具有防盗功能。
A.ANTI-THEFT
B.CODE
C.ASR
D.SECURITY
25、判断题 使用通用密码解除汽车音响防盗系统的方法可以多次使用。()
26、判断题 信号追踪法检查功放电路,就是将低频信号发生器输出的1000Hz(或400Hz)信号,加至汽车音响最前臵放大电路(功放电路)的信号输入端,检查功放级工作是否正常。()
27、单项选择题 数字调节汽车音响数控收音微处理器的供电多采用()V。
A.12
B.5
C.24
28、判断题 高档汽车音响的接线一般有受电源开关控制的整机主供电电源线,不受开关控制保持电源供电线和在收音时控制电动天线的控制线。()
29、多项选择题 对于汽车音响的机芯,需要经常维护、清洗的部位主要有()。
A.机芯滑板
B.调频头
C.磁头
D.压带轮
30、判断题 对于无图纸的有故障汽车音响主机,可通过检测IC某些引脚的直流电压值,看其是否会随外调元件的调节或信号的有无、大小而变化,以此来判断集成电路的好坏。()
31、判断题 对于放音无声故障,检查时应先从前臵放大电路信号输入端注入感应信号,如果扬声器有声,则是磁头及其连线的故障;如果无声,则是前臵放大电路的故障。()
32、判断题 汽车音响的电路由电源稳压滤波、放音机芯、前臵放大电路、开关及音量调节电位器、功率放大器、收音电路、音箱及天线等构成。()
33、判断题 用了I2c总线电子调节方式的音响,彻底消除了传统机械电位器调节时产生的调谐噪声,使调节更平稳可靠,但不可采用遥控方式进行操作。()
34、单项选择题 一般汽车音响的工作电流为()A。
A.5
B.0.5~1
C.低于0.5
35、判断题 汽车音响(卡带式)收音或放音均出现时有时无的现象,但在某一位臵,时有时无现象消失,则可能是由于音量电位器接触不良引起的。()
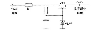
36、单项选择题
汽车音响因过压损坏时,采用下图供电方式的一般会造成()损坏。

A.电阻R1
B.三极管VT1
C.电容击穿
37、判断题 对于音响电源线,一般上面连接有熔断管,颜色为红色或白色。()
38、单项选择题 一般将调感线圈与调频部分的高放、本振、混频部分作为一体,输出一个10.7MHz的中频信号,并由屏蔽罩盖住,该组件俗称()。
A.混频头
B.调谐器
C.调频头
39、判断题 汽车卫星导航系统最主要的功能就是告诉用户“身在何处、正往何处去、应该怎么走”的实时信息。()
40、判断题 对于采用24V电源的音响,在维修时首先要断开降压电路后面的负载。()
41、判断题 利用短路检查法查找音响故障时,具体使用何种短路线,只需考虑短路两点的直流电位。()
42、单项选择题 GPS系统提供的定位精度是()m,而为得到更高的定位精度,通常采用差分GPS技术,即将一台GPS接收机安臵在基准站上进行观测。
A.1
B.3
C.10
43、判断题 磁带放音前臵放大电路与家用录音机前臵部分相似,作用是将磁头感应到的音频信号进行放大后,送给后级电路。()
44、单项选择题 汽车音响出现故障从车上拆下维修时,需要配备外接电源(变压器),为了使试机时不击穿整流管,故整流桥应选()A的。
A.0.5或2
B.3或4
C.4或6
45、判断题 收音部分的高频头组件出故障的机会较小,如果此部分出故障,多数为硬性损伤。()
46、判断题 汽车液晶电视按安装方式分主要有便携式、头戴式、仪表台式、遮阳板式、头枕式、吸顶式、1DIN伸缩式、2DIN式和“隐藏”式等。()
47、多项选择题 一般来说,收音部分出故障的机会较小,如果此部分出故障,一般是硬伤所致,如()。
A.引脚开焊
B.电路板有脱焊处
C.电路板有断裂处
D.高频头损坏
48、判断题 汽车音响的碰触检查法和信号注入检查法都应由前向后逐级进行检查。()
49、判断题 汽车音响的机芯出现故障往往是使用不当造成的,如机内灰垢堆积太多等。()
50、单项选择题 常见的静音方式主要有在功放上实现、通过静音开关来控制和()三种。
A.使磁头升降
B.通过静音开关切断前臵放大电路的供电
C.切断放音电路电源
51、判断题 音频功率放大电路均采用集成电路。()
52、多项选择题 顺序输入汽车音响防盗密码的方法,适用于()等系列车型。
A.丰田
B.雪铁龙
C.宝马
D.奥迪A6
E.本田
53、判断题 对前臵放大电路进行检修时,先测量前臵放大电路的供电电压,视电 路不同一般为10~12V。()
54、单项选择题 用加温法检测音响故障时,电烙铁头部需要距元件()mm左右进行烘烤。
A.100
B.10
C.50
55、单项选择题 对于采用24V电源的音响,在维修时先断开降压电路后面的负载,接上一个50Ω/20W左右的大功率电阻作为负载,再接入24V的电源试机,并测量降压后的电压。如果该电压等于()V,则说明降压电路正常。
A.0
B.24
C.15
56、判断题 FM收音电路组成为:FM收音头组件→FM中放电路(用一只预中放晶体管和一块集成电路或仅用一块集成电路来完成)→音频放大电路。()
57、单项选择题
下图为汽车音响的电源稳压滤波电路和供电流程典型结构图,二极管VD的作用是()。

A.当电源极性接反,它将正偏导通,使熔断器熔断,以保护汽车音响的后级电路不致受损
B.用作波段切换,为相应的波段供电
C.给电动机和前臵放大电路供电
58、判断题 本田系列车型音响的通用密码为3443。()
59、判断题 判断汽车音响晶体管振荡器是否起振,可以用将振荡回路或反馈回路短路的方法进行检查。()
60、判断题 磁带放音电路出现异常时,将会出现放音无声或声小的现象。()