手机用户可
保存上方二维码到手机中,在
微信扫一扫中右上角选择“从
相册选取二维码”即可。
1、单项选择题 凝结水电导率仪指示值偏高,应首先检查()。
A、电源是否稳定
B、仪表样水流量是否正常
C、电导电极常数是否正确
D、离子交换树脂是否失效
点击查看答案
本题答案:D
本题解析:暂无解析
2、问答题 绘图题:绘出600MW机组汽轮机滑销系统。
点击查看答案
本题答案:
试题答案
3、填空题 用()来传递()的联轴器称为液力联轴器()。
点击查看答案
本题答案:液体、扭矩、或液力 耦合器
本题解析:试题答案液体、扭矩、或液力耦合器
4、填空题 给水泵的作用是向锅炉提供足够()、()和()的给水。
点击查看答案
本题答案:压力、流量、相当温度
本题解析:试题答案压力、流量、相当温度
5、填空题 机组并网后,DEH控制方式默认为“()”。
点击查看答案
本题答案:阀位方式
本题解析:试题答案阀位方式
6、填空题 管板U管式加热器在给水入口侧为()加热段,在给水出口侧为()加热段。
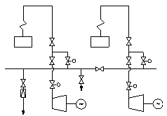
点击查看答案
本题答案:疏水;过热蒸汽
本题解析:试题答案疏水;过热蒸汽
7、问答题 注油器的工作原理是怎样的?
点击查看答案
本题答案:注油器由喷嘴、滤网、扩压管、混合室等组成。注油器是一种
本题解析:试题答案注油器由喷嘴、滤网、扩压管、混合室等组成。注油器是一种喷射泵,其原理是:高压油经油喷嘴高速喷出,造成混合室真空,油箱中的油被吸入混合室。高速油流带动周围低速油流,并在混合室中混合后进入扩压管。油流在扩压管中速度降低,油压升高,最后以一定压力流出,供给系统使用。装在注油器进口的滤网是为了防止杂物堵塞喷嘴。
8、问答题 简述滑停注意事项。
点击查看答案
本题答案:1、停机过程不允许汽温大幅度的上升或下降,若汽温在10
本题解析:试题答案1、停机过程不允许汽温大幅度的上升或下降,若汽温在10分钟内直线下降50℃,立即打闸停机,并记录串轴、胀差、振动,推力瓦温等情况。
2、主蒸汽温度每下降30℃左右时应稳定运行5—10min,当主蒸汽与再热蒸汽的温差、汽轮机的热膨胀、胀差稳定后继续降负荷。
3、减负荷过程中注意高中压缸胀差的变化,当负胀差达到—1mm时停止减负荷,若负胀差继续增大,而采取措施无效,影响机组安全时,应打闸停机。
4、滑停总时间控制在200min左右。
5、在转子惰走过程中,要注意对汽封听音检查,并注意润滑油压,密封油压及回油温度正常,防止发电机跑氢,同时调整内冷水压低于氢压0.05mpa.
6、盘车中如果有摩擦声或其它不正常情况时,应停止连续盘车而改为定期盘车,若有热弯曲时应用定期盘车的方式消除热弯曲后再连续盘车4小时以上。
7、停机后,关严高旁减温水和再热器减温水门,并关严给水泵中间抽头门。
8、停机后应严密监视加热器和排汽装置水位,并采取措施,防止冷汽、冷水倒灌入汽缸引起大轴弯曲和汽缸变形。
9、滑停严禁调门大幅度摆动。
9、问答题 主油泵的作用?主油泵何时工作正常,停交流油泵注意事项?
点击查看答案
本题答案:主油泵为蜗壳型双吸离心泵,有容量大、出口压力稳定的特点
本题解析:试题答案主油泵为蜗壳型双吸离心泵,有容量大、出口压力稳定的特点,其叶轮等转子部件与主汽轮机高中压转子联接;在汽轮机的额定转速运行时,供给主机各轴承之润滑油;提供高压备用密封油及维持隔膜阀油压。
进油管路进入空气后,泵的自吸会受到破坏,因此在泵的进口必须保持正压。在正常运行时,由注油器供应压力油。主油泵的出口压力与转速平方成正比,当汽轮机升速至2700r/min时,主油泵就可以提供去部润滑油量(据经验,发现汽轮机2040r/min,停高压备用密封油泵,汽轮机未跳闸,其时隔膜阀油压0.4MPA.。在3000r/min转速下,进口压力为0.0686~0.31MPa,出口压力为1.442~1.689MPa,实际比其略高。
停用交流油泵前应检查交流油泵电流已下降(说明主油泵已取代其工作,最好能到机头检查主油泵进、出口油压及#1轴承润滑油压正常),停用后应注意DAS润滑油压正常,并至就地检查主油泵进、出口压力、润滑油压、隔膜阀油压正常。
10、填空题 启动前转子()超过额定值时,应先消除转子的热弯曲,一般方法是()。
点击查看答案
本题答案:弹性热弯曲、连续盘车
本题解析:试题答案弹性热弯曲、连续盘车
11、单项选择题 下列()不会影响小机调节保安系统油压的建立。
A.复位电磁阀无法开启
B.辅助油门内漏
C.危急遮断手柄在切除位置
点击查看答案
本题答案:C
本题解析:暂无解析
12、填空题 由于()不能助燃,所以发电机绕组元件没击穿时,着火的危险性很小。
点击查看答案
本题答案:氢气
本题解析:试题答案氢气
13、单项选择题 汽机的凝结器真空应维持在()才最有利。
A.87千帕
B.越高越好
C.经济真空
点击查看答案
本题答案:C
本题解析:暂无解析
14、填空题 凝汽设备的任务主要有两个,在汽轮机的排气口();把在汽轮机中做完功的排汽凝结成水,并除去(),回收工质。
点击查看答案
本题答案:建立并保持真空、凝结水中的氧气和其他不凝结的 气体
本题解析:试题答案建立并保持真空、凝结水中的氧气和其他不凝结的气体
15、问答题 高压备用密封油泵结构特点?
点击查看答案
本题答案:高压密封备用泵为人字形齿轮油泵,水平安装在主机油箱顶部
本题解析:试题答案高压密封备用泵为人字形齿轮油泵,水平安装在主机油箱顶部进油管伸入油箱下部位置,出油管上装有溢流阀和逆止阀,泵出口压力整定值为0.9~1.0MPa,出口溢流阀压力整定在1.05~1.10MPa时动作。
高压密封备用油泵在机组启动时使用,出口压力油分两路,一路供发电机密封瓦密封备用油,一路供机械超速及手动遮断油管挂闸用油。
16、问答题 DEH静态试验时,某一汽门卡如何处理。
点击查看答案
本题答案:从运行角度,应保证EH油温,不能因EH油温低造成汽门卡
本题解析:试题答案从运行角度,应保证EH油温,不能因EH油温低造成汽门卡。若EH油温正常,汽门仍卡,打闸后不关,应交检修处理。汽门卡,严格来讲,汽轮机不能启动。但大多数情况下,汽门受热后能动作正常。
17、问答题 什么是汽轮机的级,简述能量在纯冲动级中的转化过程。
点击查看答案
本题答案:喷嘴和与其配合的动叶栅所构成的汽轮机的基本作功单元称为
本题解析:试题答案喷嘴和与其配合的动叶栅所构成的汽轮机的基本作功单元称为级。具有一定压力和温度的蒸汽先在固定不动的喷嘴中膨胀加速,蒸汽的压力、温度降低,流速增加,此过程完成了热能到动能的转换。从喷嘴出来的高速汽流,以一定的方向进入装在叶轮上的动叶栅中,受叶片作用,汽流改变速度及方向后排出。这样,汽流对叶片产生一作用力,推动叶轮转动作功,完成动能到机械能的转换。
18、问答题 造成汽缸裂纹的主要原因有哪些?
点击查看答案
本题答案:造成汽缸裂纹的主要原因有:
1)汽缸承受多次
本题解析:试题答案造成汽缸裂纹的主要原因有:
1)汽缸承受多次的冷热交替的运行方式,使应力超过薄弱点的强度,产生疲劳裂断。
2)长期强烈振动,使汽缸材料的应力超过疲劳极限。
3)汽缸材料有缺陷或处理不良,使汽缸局部承受较大内应力,在运行方式不当时(不均匀加热或冷却),这些部位的应力超过允许值。
4)设计不好,不同截面处过渡尺寸不当。
5)转动部分损伤脱落(如叶片断裂等),强力冲击汽缸。
19、问答题 除氧器再沸腾管起什么作用?
点击查看答案
本题答案:除氧器加热蒸汽有一路引入水箱的低部或下部(正常水位以下
本题解析:试题答案除氧器加热蒸汽有一路引入水箱的低部或下部(正常水位以下),作为给水再沸腾用。装设再沸腾管有两点作用:
(1)有利于机组起动前对水箱中给水的加温及备用水箱维持水温。因为这时水并未循环流动,如加热蒸汽只在水面上加热,压力升高较快,但水不易得到加热。
(2)正常运行中使用再沸腾管对提高除氧效果有益处。开启再沸腾阀,使水箱内的水经常处于沸腾状态,同时水箱液面上的汽化蒸汽还可以把除氧水与水中分离出来的气体隔绝,从而保证了除氧效果。
使用再沸腾管的缺点是汽水加热沸腾时噪声大,且该路蒸汽一般不经过自动加热蒸汽调节阀,操作调整不方便。
20、填空题 汽轮机轴向推力的平衡方法通常有()、()、()。
点击查看答案
本题答案:开设平衡孔、采用平衡活塞、反向流动布置
本题解析:试题答案开设平衡孔、采用平衡活塞、反向流动布置
21、问答题&nbs p; 引起机内氢气纯度下降的原因有哪些?
点击查看答案
本题答案:(1)氢侧油是影响氢气纯度下降的重要原因,油能溶解氢气
本题解析:试题答案(1)氢侧油是影响氢气纯度下降的重要原因,油能溶解氢气也能溶解空气,在正常运行中因空氢侧的油经常相互交换,使得空侧溶解空气的油进入氢侧油中然后在进入发电机内,降低了氢气纯度。(2)供应的氢气不符合标准或者置换氢气时机内残存有CO2或H2。(3)发电机冷却器漏水或干燥器未投入运行,导致机内氢气湿度增加。
22、填空题 蒸汽的温升率不同,在金属部件内引起的温差亦不同,温升率越大,金属部件内引起的温差()。
点击查看答案
本题答案:越大
本题解析:试题答案越大
23、填空题 汽轮机启动停止过程中的(),有效地减小了金属部件内部引起的温差。
点击查看答案
本题答案:暖机
本题解析:试题答案暖机
24、判断题&n 91eXAm.orgbsp; 随着回热加热的级数增多,回热循环效率的增加值逐渐减少。
点击查看答案
本题答案:对
本题解析:暂无解析
25、填空题 热态启动冲转前,应连续盘车()小时以上。
点击查看答案
本题答案:4
本题解析:试题答案4
26、判断题 汽轮机滑销系统的作用完全是为了保证受热时能自由膨胀。
点击查看答案
本题答案:错
本题解析:暂无解析
27、填空题 汽机暧机转速为(),暧机时间以RSV前汽温达()℃时开始计算。
点击查看答案
本题答案:2040rpm;260
本题解析:试题答案2040rpm;260
28、问答题 蒸汽含杂质对汽机设备的安全运行有何影响?
点击查看答案
本题答案:蒸汽含杂质过多,会在汽轮机的通流部分沉积盐垢,将使蒸汽
本题解析:试题答案蒸汽含杂质过多,会在汽轮机的通流部分沉积盐垢,将使蒸汽的流通截面减小、叶片的粗糙度增加,甚至改变叶片的型线,使汽轮机的阻力增大,出力和效率降低;此外将引起叶片应力(增减负荷时叶片温变存在差异)和轴向推力增加,甚至引起汽轮机振动增大,造成汽轮机事故。盐垢如沉积在蒸汽管道的阀门处,可能引起阀门动作失灵和阀门漏汽。
29、问答题 绘图题:绘出切换母管制主蒸汽管路系统示意图。
点击查看答案
本题答案:
试题答案
30、填空题 汽轮机启动前要先启动润滑油泵,运行一段时间后再启动高压调速油泵,这样做的主要目的是()。
点击查看答案
本题答案:排除调速系统积存的空气
本题解析:试题答案排除调速系统积存的空气
题库试看结束后
微信扫下方二维码即可打包下载完整版《★集控值班员考试》题库
手机用户可保存上方二维码到手机中,在微信扫一扫中右上角选择“从相册选取二维码”即可。
题库试看结束后微信扫下方二维码即可打包下载完整版《集控值班员考试:汽机运行》题库,分栏、分答案解析排版、小字体方便打印背记!经广大会员朋友实战检验,此方法考试通过率大大提高!绝对是您考试过关的不二利器!
手机用户可保存上方二维码到手机中,在微信扫一扫中右上角选择“从相册选取二维码”即可。
微信搜索关注"91考试网"公众号,领30元,获取公务员事业编教师考试资料40G