手机用户可
保存上方二维码到手机中,在
微信扫一扫中右上角选择“从
相册选取二维码”即可。
1、填空题 6502电器集中在()励磁电路上检查闭塞条件。
点击查看答案
本题答案:LXJ
本题解析:试题答案LXJ
2、填空题 JTl型通用式机车信号可做到八灯()种显示。
点击查看答案
本题答案:十一
本题解析:试题答案十一
3、填空题 JT-C系列机车信号主机的每块主机板内采用()的容错安全结构。
点击查看答案
本题答案:二取二
本题解析:试题答案二取二
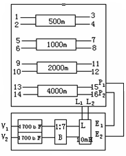
4、问答题 画图说明UM71轨道电路匹配单元TAD.LFS的构成及工作原理。
点击查看答案
本题答案:匹配单元主要由匹配变压器和电缆模拟网络构成。
本题解析:试题答案匹配单元主要由匹配变压器和电缆模拟网络构成。
TAD.LFS框如图:匹配单元用于发送器或接收器与轨道之间阻抗匹配用,4700μF起隔直流作用,变压器完成与电缆匹配用,10mH电感能改善匹配和分路作用。另外在TAD.LFS中设有л型电缆模拟网络,它们可模拟500m、l000m、2000m、4000m电缆。因车速加大,在轨道旁调整和维修TAD.LFS时会危及人身安全,又因电缆模拟网络的接线板端子质量差,在行车震动后连线易脱落,焊接线也易脱焊,会危及行车安全,因此TAD中的电缆模拟网络应移设到继电器室。
5、单项选择题 &n bsp;在SJ电路中,FDGJ接点的作用是()。
A.防止闪白光带
B.防止轻型车跳动时错误解锁
C.检查QJJ电路完整
D.实现区段锁闭
点击查看答案
本题答案:B
本题解析:暂无解析
6、填空题 进路()是指信号开放后且接近区段有车占用时的锁闭。
点击查看答案
本题答案:接近锁闭(完全锁闭)
本题解析:试题答案接近锁闭(完全锁闭)
7、填空题 在电气集中微机监测系统中,无论采用什么方法对模拟量采样,都以不影响原电气集中设备()为前提,否则是不可行的。
点击查看答案
本题答案:正常工作
本题解析:试题答案正常工作
8、填空题 JTl-CZ2000型机车信号记录器可从TAX2箱采集信息,TAX2箱指机车()综合检测装置。
点击查看答案
本题答案:安全信息
本题解析:试题答案安全信息
9、单项选择题
在门电路中,“异或”门的逻辑表达式为( )
A.F=
B+
A
B.F=
+AB
C.F=
+
D.F=
点击查看答案
本题答案:A
本题解析:暂无解析
10、单项选择题 一体化机车信号主机接收信息从其他制式转为移频或ZPW-2000(UM71系列)时,信号显示的应变时间不大于()秒。
A.0.5
B.1.5
C.2
D.4
点击查看答案
本题答案:C
本题解析:暂无解析
11、问答题 J-T1型通用式机车信号主机的输入部分由哪些元件构成?有什么作用?
点击查看答案
本题答案:输入部分由传感器、变压器、运算放大器及A/D转换器构成。
本题解析:试题答案输入部分由传感器、变压器、运算放大器及A/D转换器构成。
输入部分的作用是接收轨面信息,对信息进行放大,将模拟量信号变为数字信号送入DSP芯片。
12、单项选择题 电气化区段微机交流计数电码自动闭塞,微机交流计数匹配变压器的输入阻抗应为()。
A.200Ω~190Ω
B.200Ω~170Ω
C.210Ω~170Ω
D.210Ω~190Ω
点击查看答案
本题答案:D
本 题解析:暂无解析
13、单项选择来源:91考试网 91ExAm.org题 在机车信号点式信息发送设备的综合架上,在点式组合DS塞孔SK2测点式继电器电压,为20-()V。
A.10
B.20
C.30
D.40
点击查看答案
本题答案:C
本题解析:暂无解析
14、填空题 JT-C系列机车信号的JT·JS型双路接收线圈,每路对应机车信号主机中的一块()。
点击查看答案
本题答案:主机板
本题解析:试题答案主机板
15、单项选择题 在电脑上使用机车信号远程监测客户端软件查看在线机车时,必须得先上()网。
A.内部网
B.办公网
C.互联网
D.铁道部专用网
点击查看答案
本题答案:C
本题解析:暂无解析
16、填空题 18信息移频电源盘电源转换电路,由变频振荡、()、放大、变压整流等电路环节组成。
点击查看答案
本题答案:驱动
本题解析:试题答案驱动
17、问答题 什么是JTl型通用式机车信号简化的功能测试?适用于什么情况?
点击查看答案
本题答案:因JTl型数字化机车信号采用数字信号处理方式,不同制式
本题解析:试题答案因JTl型数字化机车信号采用数字信号处理方式,不同制式、不同载频的信号通过同一处理通道处理,它还有完善的软硬件自检功能,日常出入库检查时只需发送某些信号检查显示机构每个灯位都能点亮即可,这就是机车信号简化的功能测试。
简化的功能测试适用于日常的机车出入库检查。
18、问答题 试述JT-C系列机车信号主机板表示灯显示情况。正常工作时,两块主机板上、下行指示灯显示是主机经判断识别后的上下行控制状态。
点击查看答案
本题答案:断线报警时,上(下)行表示灯以每秒2次同时闪亮。
本题解析:试题答案断线报警时,上(下)行表示灯以每秒2次同时闪亮。
断线报警时,上(下)行表示灯以每秒2次同时闪亮。
19、单项选择题 JTl型通用式机车信号主机电源块的噪声电压小于()。
A.0.5%
B.1%
C.2%
D.3%
点击查看答案
本题答案:B
本题解析:暂无解析
20、单项选择题 控制台上每一轨道区段其光带最少不得少于()个单元。
A.1
B.2
C.3
D.4
点击查看答案
本题答案:B
本题解析:暂无解析
21、填空题 将继电器的一个线圈短路,将另一个线圈接入电源使用时,就可以达到()的目的。
点击查看答案
本题答案:缓吸
本题解析:试题答案缓吸
22、填空题 移频信号的低频为20Hz时,机车信号显示一个()色灯光。
点击查看答案
本题答案:双黄
本题解析:试题答案双黄
23、问答题 机车信号车载系统的电源电路在设计时有什么要求?
点击查看答案
本题答案:机车信号车载系统从机车配电柜得到 91EXAm.org电源,一般机车提供直流电压1
本题解析:试题答案机车信号车载系统从机车配电柜得到电源,一般机车提供直流电压110V,电源系统功耗40W,为了保护DC/DC电路,一般有欠压保护、过压保护和过流保护,低压时,为保证功率电流会大,器件承受功率增加,高压时,器件耐压要保护,过流保护功效开关管长时间超额定电流会损坏功率管,所以标称110V转48V的DC/DC模块,欠压保护在50V,过压在160~180V,过流在1A左右,在这种条件下,模块电源就会关闭输出,作为机车信号系统因为要外加保护、滤波等电路,因此机车信号系统的工作电压定为77-138V这个范围内系统应保证正常工作。
24、填空题 TJWX—2000型微机监测系统当某车站开关量信息大于()路时,应另增设一台开关量采集机。
点击查看答案
本题答案:384
本题解析:试题答案384
25、填空题 非电气化区段JTl型通用式机车信号在每个芯片的电源入口端均加一个()电容。
点击查看答案
本题答案:去耦
本题解析:试题答案去耦
26、问答题 电气集中车站有关道岔作业施工完毕后,如何正确核对道岔位置?
点击查看答案
本题答案:有关道岔的施工作业后需核对道岔位置时,关键是做到“四个一致”
本题解析:试题答案有关道岔的施工作业后需核对道岔位置时,关键是做到“四个一致”即:扳动位置.表示灯.接通光带.与室外道岔一致。室内扳定位时应有定位表示.扳反位时应有反位表示;室外人员核对道岔位置后说:“××道岔现在开通××股道(或××道岔)一定位(或反位)”,室内则压接通光带按钮(或排进路),核对“四个一致”,定.反位均核对完毕后,方可销点,交付使用。
27、填空题 JT-C系列机车信号车载系统信号采集接口主要是由光电隔离输出接口、()组成。
点击查看答案
本题答案:A/D转换电路
本题解析:试题答案A/D转换电路
28、问答题 微电子交流计数自动闭塞区段是如何防止绝缘双破损时造成信号显示升级的?
点击查看答案
本题答案:运用中相邻闭塞分区A型设备和B型设备交替设置,由于A型
本题解析:试题答案运用中相邻闭塞分区A型设备和B型设备交替设置,由于A型YMQ只接收A型FMQ信息,B型YMQ只接收B型FMQ信息,这样当绝缘破损时,只会造成相邻区乱码,设备会给出最大限制信号,从而防止信号升级显示。
29、问答题 QJ何时吸起?何时落下?
点击查看答案
本题答案:1.在办理取消进路或人工解锁进路时,由于条件电源“KF-ZQ
本题解析:试题答案1.在办理取消进路或人工解锁进路时,由于条件电源“KF-ZQJ-Q”接通,始端按钮继电器吸起,QJ吸起;进路解锁后,随着XJJ落下而落下。
2.在取消误碰按钮的记录时,按下ZQA使QJ吸起后,在“KF-ZQJ-Q”无电时复原。
30、填空题 JT-C机车信号记录器以大容量CF卡作为存储介质存储丰富的状态信息以及无压缩的地面信号波形信息,CF卡标配为()MB。
点击查看答案
本题答案:512
本题解析:试题答案512
题库试看结束后
微信扫下方二维码即可打包下载完整版《★信号工考试》题库
手机用户可保存上方二维码到手机中,在微信扫一扫中右上角选择“从相册选取二维码”即可。
题库试看结束后微信扫下方二维码即可打包下载完整版《信号工考试:铁路信号工》题库,分栏、分答案解析排版、小字体方便打印背记!经广大会员朋友实战检验,此方法考试通过率大大提高!绝对是您考试过关的不二利器!
手机用户可保存上方二维码到手机中,在微信扫一扫中右上角选择“从相册选取二维码”即可。
微信搜索关注"91考试网"公众号,领30元,获取公务员事业编教师考试资料40G