时间:2019-05-24 01:37:51


1、单项选择题 如果使用多台变颇器,()把接地线连成一个回路。
A、一定要
B、可以
C、最好
D、千万不要
2、单项选择题 隔离开关的文字符号是()。
A.QS
B.QF
C.QL
D.QK
3、填空题 在现场测量介损tgδ时,如果试验电源的电压来源:www.91exam.org波形不好,含有较大的()分量,则电桥很难()。在与电气化铁路距离较近的变电站测量介损tgδ时上述情况尤为严重。
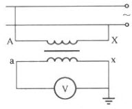
4、问答题 绘图题:画出用一台单相全绝缘电压互感器测量电压的接线图。
5、单项选择题 电气测量用数字式仪表读数方便没有()误差。
A.A数值
B.偶然
C.摩擦
D.视觉
6、填空题 绝缘油除具有绝缘作用外,还兼有()和()作用。
7、单项选择题 几个电容器并联连接时,其总电容量等于()。
A、各并联电容量的倒数和;
B、各并联电容量之和;
C、各并联电容量的和之倒数;
D、各并联电容量之倒数和的倒数。
8、问答题 变压器空载试验电源的容量一般是怎样考虑的?
9、问答题 在单相全波整流电器路中,见图5,如果D2断路,会产生什么现象?
10、单项选择题 变压器分接开关的作用()。
A.调节变压器输出电压
B.分配电能
C.调节频率
D.改变磁通
11、填空题 测量变压器变比常用的方法有()法或()法。
12、判断题 进行工频耐压试验时,如果在试验变压器低压绕组上突然加试验电压的全电压,将会在试品上出现高电压。
13、单项选择题 《电力设备接地设计技术规程》中规定:大接地电流系统接地电阻值应小于()Ω。
A.0.5
B.0.6
C.0.7
D.0.8
14、单项选择题 下列条件中哪些是影响变压器直流电阻测量结果的因素()。
A.空气湿度
B.上层油温
C.散热条件
D.油质劣化
15、填空题 当冲击电流流过阀型避雷器时,在其阀片上产生的压降称为()。
16、单项选择题 电动机空载连续起动不得超过()次,其长时间运行后,停机又起动不得连续超过()次,否则电动机使用寿命。()
A、2~3,2~3
B、3~5,3~5
C、2~3,3~5
D、3~5,2~3
17、单项选择题 大型UPS电源的日常维护和检查中,将UPS电源置于与外接电网脱离的条件下,通过目测检查,以发现任何可能出现的UPS电源硬件老化或损坏迹象,属于()。
A、每日例行检查
B、定期例行维护检查
C、临时检查
D、随机检查
18、单项选择题 硅在硅钢片中的主要作用是()。
A.降低磁滞损耗、提高导磁率
B.增强绝缘性能
C.提高磁滞损耗、降低导磁率
D.提高导电性
19、单项选择题 下述变压器绝缘预防性试验项目,对发现绕组绝缘进水受潮均有一定作用,而较为灵敏、及时、有效的是()。
A、测量tgδ;
B、油中溶解气体色谱分析;
C、测量直流泄漏电流和绝缘电阻;
D、测定油中微量水分。
20、单项选择题 正弦交流电流的平均值等于其有效值除以()。
A、1.11;
B、1.414;
C、1.732;
D、0.9009。
21、单项选择题 在交流电的波形图上,不同时刻t的值对应于曲线的高度,按一定比例在纵轴上量取,就是交流电在该时刻的()值。
A.瞬时
B.最大
C.平均
D.有效
22、单项选择题 对于大型UPS电源系统中出现的故障,以下采取的态度错误的是()。
A、对故障性质进行鉴别
B、抱着碰运气的侥幸心理去处理故障
C、正确地理解和利用在系统控制柜上的控制 91Exam.org面板上的显示屏所提供的信息
D、在弄清故障发生原因的基础上,再采取适当的措施和步骤来排除故障
23、单项选择题 用游标卡尺测量工件尺寸时,测量数值是()。
A、尺身数值;
B、游标数值;
C、计算数值;
D、尺身数值+游标数值。
24、问答题 测量直流高压有哪几种方法?
25、单项选择题 变色硅胶颜色为()时,表明该硅胶吸附潮已达饱和状态。
A、兰;
B、白;
C、黄;
D、红。
26、单项选择题 电力线路中,线路为了防止雷击,对避雷线的保护角要求是()。
A.越大越好
B.防雷效果与保护角大小无关
C.越小越好
D.视线路电压等级而定
27、填空题 只要在绕线式电机的转子电路中接入大小适当的(),就可达到减小()的目的,同时还可提高转子电路的()。
28、单项选择题 镇流器主要由()组成。
A.铁心
B.线圈
C.限流电阻
D.铁心和线圈
29 、单项选择题 使用万用表测量三极管脚和管型时,应选择()档。
A.电流
B.电阻
C.交流电压
D.直流电压
30、单项选择题 低压验电器又称()。
A.电工钢笔
B.螺丝刀
C.试电笔
D.查电笔