手机用户可
保存上方二维码到手机中,在
微信扫一扫中右上角选择“从
相册选取二维码”即可。
1、问答题 已知某钢管其弯曲半径R为500mm,弯曲角度为90°,试求弯头弧长?
点击查看答案
本题答案:L=(παR)/180=(3.14&
本题解析:试题答案L=(παR)/180=(3.14³90³500)/180=785(mm)
弯头弧长为785mm。
2、问答题 论述正压气力除灰设备的控制。
点击查看答案
本题答案:气力除灰设备一般采用气动控制系统,正压式仓泵的给料阀、
本题解析:试题答案气力除灰设备一般采用气动控制系统,正压式仓泵的给料阀、排汽阀、进风阀以及吹堵系统,均由气动的操作机构启闭。采用气动控制的阀门可以较好地适应气力除灰设备快速启闭的要求。
气动控制所用的空气压力约为200kPa,其气源可取自除灰系统的压缩空气母管,或由专用的小型空压机供给,控制用气的管道上装有压力调整阀和过滤器,以保持压力的稳定和防止控来源:www.91exam.org制阀门通道磨损、堵塞。
3、问答题
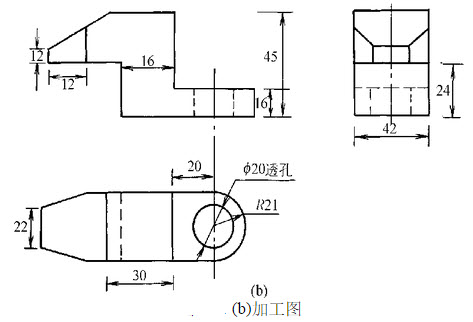
绘图题:根据图(a)提供的机体立体图形及其尺寸,绘制加工图。

点击查看答案
本题答案:
试题答案
4、单项选择题 一般脚手架的允许载荷,每平方米不大于()kg。
A.200;
B.250;
C.270;
D.300。
点击查看答案
本题答案:C
本题解析:暂无解析
5、问答题 灰渣泵轴承寿命过短的原因有哪些?
点击查看答案
本题答案:(1)电机轴与泵轴中心不对中。
(2)轴弯曲
本题解析:试题答案(1)电机轴与泵轴中心不对中。
(2)轴弯曲。
(3)泵内有摩擦。
(4)叶轮失去平衡。
(5)轴承内进入异物。
(6)轴承装备不合理。
6、问答题 绘图题:已知一小于90°的圆弧,请用钢板尺、划规、划针作该段圆弧的展开长度。
点击查看答案
本题答案:
试题答案
7、问答题 已知V0=6m3/kg,空气温度为27℃,当大气压力为750mmHg时,求其燃烧1kg煤所需实际空气量?
点击查看答案
本题答案:V0为标准空气量,Vpt为实际空气量,P为实际压力,P
本题解析:试题答案V0为标准空气量,Vpt为实际空气量,P为实际压力,P0为标准压力760mmHg,T0为标准温度273℃。
燃烧1kg煤需要6.68m2/kg的空气量。
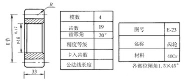
8、问答题 绘图题:已知正齿轮模数m=4,齿数Z=19,齿形角α=20°,齿宽B=33,孔径46+0.17,画出齿轮零件图。
点击查看答案
本题答案:
试题答案
9、问答题 画出水环式直空泵的星形偏心叶轮。
点击查看答案
本题答案:
试题答案
10、问答题 在修理中如何判断螺纹的规格及其各部尺寸?
点击查看答案
本题答案:为了弄清螺纹的尺寸规格,必须对螺纹的外径、螺距和方形进
本题解析:试题答案为了弄清螺纹的尺寸规格,必须对螺纹的外径、螺距和方形进行测量以便调换和配制。测量方法:
(1)用游标卡尺测量螺纹外径。
(2)用螺纹样板量出螺距及牙形。
(3)用游标卡尺或钢板尺量出英制螺纹每英寸牙数或将螺纹在一张白纸上滚压印痕,用量具测量公制螺纹的螺距或英制螺纹的每英寸牙数。
(4)用已知螺杆或丝锥与被测螺纹接触来判断其所属规格。
11、单项选择题 250mm,垢层厚达到50mm,这时与新管运行时相比,排灰能力降低()。48(Je3A2256).除灰管道
A.20%;
B.30%;
C.40%;
D.50%。
点击查看答案
本题答案:C
本题解析:暂无解析
12、问答题 喷水式柱塞泥浆泵的润滑系统主要包括哪些构件?其作用是什么?
点击查看答案
本题答案:润滑系统主要包括调节阀和软胶管,它是利用喷水系统的压力
本题解析:试题答案润滑系统主要包括调节阀和软胶管,它是利用喷水系统的压力通过调节阀不断向填料箱内的柱塞密封构件注水润滑,同时不断地向外清洗和排出密封内的灰浆和磨损物。
13、问答题 绘图题:画出朗肯循环热力设备系统图,并标明设备名称。
点击查看答案
本题答案:
试题答案
14、单项选择题 为了保持空气斜槽有良好的输送性能,槽体倾斜度一般不小于()。
A.6%;
B.8%;
C.10%;
D.12%。
点击查看答案
本题答案:A
本题解析:暂无解析
15、单项选择题 除灰管道磨损与输送的水流或气流的()有一定关系。
A.重度;
B.浓度;
C.温度;
D.流量。
点击查看答案
本题答案:B
本题解析:暂无解析
16、问答题 两圆柱直齿轮啮合,该齿轮组模数为4,大齿轮齿数36,小齿轮齿数为24,求中心距a?。
点击查看答案
本题答案:
试题答案
17、问答题来源:91考试网 91eXAm.org 已知一直齿轮周节t=9.42,齿数=24,求模数M是多少?
点击查看答案
本题答案:M=t/π=9.42/3.14=3
此
本题解析:试题答案M=t/π=9.42/3.14=3
此直齿轮的模数为3。
18、问答题 已知某电除尘器为双室三电场,现测得每一电场的除尘效率是75%,求该除尘器的总除尘效率?
点击查看答案
本题答案:η1=75%
η2=(1-7
本题解析:试题答案η1=75%
η2=(1-75%)³75%=18.75%
η3=(1-75%-18.75%)³75%=4.6875%
η=η1+η2+η3=75%+18.75%+4.6875%
=98.44%
该除尘器总的除尘效率是98.44%。
19、问答题
分析图(a)所示的三视图,根据机件形状补全三视图相贯线。

点击查看答案
本题答案:
试题答案
20、问答题 论述如何直轴?
点击查看答案
本题答案:通常直轴法有锤击法、局部加热法及内应力松弛法三种。本题解析:试题答案通常直轴法有锤击法、局部加热法及内应力松弛法三种。
锤击法:是用手锤敲打弯曲的凹下部分,使锤打处的轴表面金属产生塑性变形而伸长,从而达到直轴的目的。此法仅用于轴颈较细,弯曲较小的轴上。
局部加热法:主要是通过加热,人为地在钢材局部地区造成超过屈服点的应力,而形成塑性变形,冷却后便可校直轴的弯曲度。
内应力松弛法:是利用金属部件在高温和应力作用下,保持总变形不变,金属内部的应力随着时间的推移逐渐减少,最后全部消失的这种松弛现象进行直轴。
21、单项选择题 一般脚手架的允许载荷,每平方米不大于()kg。
A.2来源:91 考试网00;
B.250;
C.270;
D.300。
点击查看答案
本题答案:C
本题解析:暂无解析
22、问答题 试述阀门、阀瓣(闸板)与阀座密封面泄漏的原因和处理方法?
点击查看答案
本题答案:(1)没有关严。应改进操作,重新开启后关闭。若为电动阀
本题解析:试题答案(1)没有关严。应改进操作,重新开启后关闭。若为电动阀门应重新调整阀门限位,使其能关闭严密。
(2)研磨质量差。应改进研磨方法,重新解体研磨。
(3)阀瓣与阀杆间隙过大,造成阀瓣下垂或接触不好,应重新调整阀瓣与阀杆间隙,或更换阀瓣并帽。
(4)密封面的材料不良或杂质卡住,应重新更换或堆焊密封面,清除杂质。
23、单项选择题 灰渣泵允许通过的灰渣粒径范围应()。
A.大于25mm;
B.小于25mm;
C.大于30mm;
D.30~40mm。
点击查看答案
本题答案:B
本题解析:暂无解析
24、问答题 绘图题:流体在管内流动时,受粘滞性影响,其流速分布如何,请画出。
点击查看答案
本题答案:
试题答案
25、问答题 一个氧气瓶,容积为100L,在温度为20℃时,瓶上压力表指示的压力为100个标准大气压,求瓶里氧气的质量?(标准状况下,每升氧气的质量是1.43g)
点击查看答案
本题答案:
试题答案
26、问答题 论述灰渣对管道的磨损?
点击查看答案
本题答案:灰渣对管道的磨损形式大致可以分为刮痕、撞击和冲涮三种。
本题解析:试题答案灰渣对管道的磨损形式大致可以分为刮痕、撞击和冲涮三种。刮痕磨损是由于灰渣与管壁相对运动而摩擦产生的,此时坚硬的灰渣粒子刮入管道的内表面,使其质粒不断地被刮走。撞击磨损是指流动中的灰渣颗粒,对管壁不断撞击而产生的磨损。
冲刷磨损是指灰渣在管道内流动时,与管壁间发生擦动或滚动摩擦而产生的一种管壁表面磨损。冲刷角在20~30°时磨损最大。三种磨损形式,在实际中并不能明显地区分开来,同一种管材,各种磨损的形式都与灰渣的颗粒特性(即颗粒形状、颗粒尺寸、颗粒硬度等)有关,并随着流动速度的增大而加剧。
27、单项选择题 灰渣泵叶轮前后盘与护套配合间隙可以通过改变推力轴承在轴端的()来调整。
A.位置 ;
B.径向位置;
C.轴向位置;
D.间隙。
点击查看答案
本题答案:C
本题解析:暂无解析
28、单项选择题 平衡盘的作用是平衡叶轮产生的()。
A.径向推力;
B.径向和轴向推力;
C.;轴向推力;
D.摩擦力。
点击查看答案
本题答案:C
本题解析:暂无解析
29、单项选择题 当新轴承上涂有防锈剂时,则应先将轴承用热机油加热 ,使防锈剂熔化后,再用()清洗并冲洗干净。
A.汽油;
B.煤油;
C.柴油;
D.机油。
点击查看答案
本题答案:B
本题解析:暂无解析
30、问答题 试论述管道系统金属监督的重要性?
点击查看答案
本题答案:做好各种管道和部件在检修中的材料质量和焊接质量的监督及金属试
本题解析:来源:www.91exam.org试题答案做好各种管道和部件在检修中的材料质量和焊接质量的监督及金属试验工作,是保证管道安全的首要条件;检查和掌握受监督部件服役过程中金属组织变化、性能变化和缺陷发展情况,可以防患于未然;发现问题及时采取防爆防断防裂措施,可预防事故的扩大;参加受监部件事故的调查和原因分析,提出处理对策及实施办法;采取先进的诊断或在线监测技术,建立健全的金属技术监督档案,提高安全管理质量。
题库试看结束后
微信扫下方二维码即可打包下载完整版《★除灰、除渣、电除尘考试》题库
手机用户可保存上方二维码到手机中,在微信扫一扫中右上角选择“从相册选取二维码”即可。
题库试看结束后微信扫下方二维码即可打包下载完整版《除灰、除渣、电除尘考试:除灰设备检修(高级工)》题库,分栏、分答案解析排版、小字体方便打印背记!经广大会员朋友实战检验,此方法考试通过率大大提高!绝对是您考试过关的不二利器!
手机用户可保存上方二维码到手机中,在微信扫一扫中右上角选择“从相册选取二维码”即可。
微信搜索关注"91考试网"公众号,领30元,获取公务员事业编教师考试资料40G