时间:2018-11-09 00:03:19


1、单项选择题 带电作业中使用的绝缘软梯应选用()的绝缘绳制作。
A.有较高抗张强度
B.有较高抗压强度
C.有较高抗弯强度
D.有较高抗扭强度
2、单项选择题 钢芯铝绞线在档中连接时,允许()的导线进行连接。
A、不同规格;
B、不同金属;
C、同规格不同厂家;
D、不同绞制方式。
3、单项选择题 1000kV输电线路等电位作业时作业人员的安全防护重点是()。
A.空间电场
B.短路电流
C.静电电击
D.线路噪声
4、单项选择题 两根平行载流导体,在通过同方向电流时,两导体将呈现出()。
A.互相吸引
B.相互排斥
C.没反应
D.有时吸引.有时排斥
5、单项选择题 按《国家电网公司电力安全工作规程》规定,在10kV线路上进行带电作业时,带电体上作业人员与周围接地体之间应保持的最小安全距离不得小于()m。
A.0.4
B.0.6
C.0.7
D.0.9
6、问答题 配电线路带电作业中什么情况下应装设绝缘隔板或隔离罩?
7、单项选择题 带电断、接空载线路、耦合电容、避雷器等设备时,应采取防止()的措施。
A.引流线摆动
B.电击
C.设备损坏
D.短路
8、单项选择题 为便利带电作业,校验带电部分对杆塔与接地部分的间隙时,应采用下列计算条件:()。
A、气温+10℃,风速10m/s;
B、气温+15℃,风速10m/s;
C、气温+15℃,风速15m/s;
D、气温+20℃,风速10m/s。
9、多项选择题 带电作业工具库房应配备的设备和装置有()。
A.湿度计;
B.温度计;
C.足够数量的抽湿机;
D.加热器;
E.工具摆放架、吊架;
F.紫外照射仪;
G.使用记录;
(H)试验合格证。
10、问答题
识绘题:下图在空腔中放一带正电的导体,分别标出空腔金属外壳接地和不接地情况下空腔内外表面感应的电荷以及电力线方向。用+号表示正电荷,—号表示负电荷。

11、单项选择题 一般认为,人体对电场强度的感知水平是()。
A、2.0kV/cm;
B、2.4kV/cm;
C、2.6kV/cm;
D、3.5kV/cm。
12、问答题 带电作业中绝缘工具的有效绝缘长度指的是什么?
13、多项选择题 确定带电作业安全距离的步骤:()
A、首先应计算出系统可能出现的最大大气过电压幅值和最大内过电压幅值;
B、保证在可能出现最大过电压的情况下,不致引起设备绝缘闪络或空气间隙出现放电;
C、然后计算出相应的危险距离;
D、并对两种危险距离进行比较,取其最大值,再增加20%的安全裕度。
14、单项选择题 DL409-91规定,带电水冲洗用水的电阻率一般不低于()。
A、杆塔;
B、线路名;
C、双重;
D、多重。
15、单项选择题 用于500kV及以下电压等级交流输电线路的静电防护服,其衣料的屏蔽效率不得小于()。
A、28dB;
B、30dB;
C、36dB;
D、40dB.
16、多项选择题 以下哪些情况会使流过带电作业绝缘工具的泄漏电流增大()
A.在干燥晴天作业;
B.在雨天作业;
C.在空气湿度较大时进行作业;
D.工具表面有少量划痕。
17、单项选择题 绝缘手套存放,应避免阳光直射,挤压存叠,存取环境温度宜为()℃。
A.10~15
B.10~20
C.15~20
D.5~15
18、问答题
事故简述【雨中作业,人员触电】
某配电班组带电扶正电杆。临出发去现场时,天色阴沉,但工作票签发人要求抢时间完成作业。出发四十分钟后,班组来到现场,发现横担扭屈严重,需更换。班组人员随即对线路进行了简单遮蔽,准备拆除变形横担,此时天空下起了小雨,工作负责人催促班组作业人员加快工作速度。在变形的横担即将被拆下时,雨开始变大,部分杆身已经被雨淋湿。斗上电工甲为加快作业速度,摘去绝缘手套,就在此时,甲被沿杆身到横担的泄漏电流击中,胳膊严重灼 伤。分析事故原因。本次作业违反了哪些安全规定?
19、单项选择题 绝缘材料的击穿包括()。
A.电击穿、化学击穿、老化击穿
B.电击穿、热击穿、电化学击穿
C.热击穿、局部击穿、湿击穿
D.热击穿、化学击穿、老化击穿
20、单项选择题 带电作业工具预防性试验中机械动负荷试验标准为(),要求机构动作灵活.无卡住现象。
A.1.2倍额定负荷3次
B.1.0倍额定负荷3次
C.1.2倍额定负荷1min
D.1.2倍额定负荷5min
21、单项选择题 杆塔两侧导线弧垂最低点之间的水平距离,称为该杆塔的()。
A.垂直档距
B.水平档距
C.代表档距
D.观测档距
22、问答题 计算题:等电位作业时穿的一套屏蔽服,作业现场的电场强度为240kv/m,实测其内部电场为2.4kv/m,问这套屏蔽服的屏蔽效率为多少?
23、问答题 计算题:常规天然纤维绝缘绳索起吊的安全系数为5,断裂强度为8.3kN,允许起吊的重量是17KN,求该绝缘绳的直径至少要多大,规格型号?
24、单项选择题 10kV配电线路中的B相的相色为()色。
A.黑
B.黄
C.红
D.绿
25、单项选择题 救护出血伤员时,可用()进行止血。
A.电线
B.铁丝
C.细绳
D.柔软布带
26、多项选择题 对带电作业工具的基本要求是()。
A、绝缘性能好;
B、机械强度高;
C、易于加工;
D、重量轻。
27、单项选择题 操作斗臂车时,工作斗的起升.下降速度不应()。
A.大于0.5m/s
B.小于0.5m/s
C.大于0.1m/s
D.小于0.1m/s
28、单项选择题 以下哪项不是工作负责人(监护人)的责任:()。
A、正确安全地组织工作;
B、工作班成员精神状态是否良好;
C、工作班成员变动是否合适;
D、工作必要性和安全性。
29、多项选择题 绝缘工具的工频耐压试验以()为合格。
A.无击穿
B.无闪络
C.无过热
D.无电晕
30、问答题 识绘题:请画出牵引绳从动滑轮引出(1-2)滑轮组示意图。
31、单项选择题 ()具有可观测、可控制、实时分析和决策、自适应和自愈性。
A.坚强电网
B.跨区电网
C.智能电网
D.以上均不是
32、单项选择题 带电作业应设专人监护。监护人不得直接操作。监护的范围不得超过()作业点。
A、一个;
B、二个;
C、三个;
D、四个
33、问答题 带电作业在什么作业情况下应停用重合闸,并不得强送电?
34、问答题 利用绝缘斗臂车开展绝缘手套作业法时,斗臂车已将斗内电工与大地进行了绝缘隔离,为什么还要求斗内电工穿戴绝缘防护用具并采用遮蔽用具对设备进行遮蔽?
35、多项选择题 安全距离不足的补救措施有()。
A.绝缘隔离
B.绝缘遮蔽
C.绝缘屏蔽
D.保护间隙
E.停用重合闸
36、多项选择题 110kV~500kV送电线路的绝缘配合,应使线路能在()各种条件下安全可靠地运行。
A.工频过电压;
B.谐振过电压;
C.雷电过电压;
D.操作过电压。
37、问答题 识绘题:下图为使用绝缘平梯进行等电位作业的工作状态,G为人体重力。画出梯头的受力图。
38、问答题 特高压电网概念是什么?具有哪些优势特点?
39、单项选择题 绝缘绳在受潮以后,其泄漏电流将显著增加,()大幅度降低。
A.绝缘电压
B.泄漏电压
C.闪络电压
D.工作电压
40、多项选择题 感应雷过电压幅值的大小与()等因素有关。
A.雷云对地放电时的雷电流幅值大小;
B.线路距雷击点的距离;
C.避雷线的防雷保护角;
D.导线对地平均高度;
E.线路的耐雷水平;
F.波阻抗。
41、多项选择题 以下关于杆塔呼称高度叙述不正确的是()。
A、导线中轴线至地面的垂直距离
B、杆塔最下层横担的下弦至地面的垂直距离
C、杆塔最高点至地面的垂直距离
D、杆塔高度和埋深之和
42、单项选择题
根据GB/T18037—2008《带电作业工具基本技术要求与设计导则》规定,用于制作带电作业承力、载人器具的环氧树脂玻璃纤维增强复合型绝缘板材密度,一般不得低于()g/cm3。
A.1.6
B.1.7
C.1.8
D.2.0
43、多项选择题 架空输电线路主要由()等构成。
A、杆塔;
B、基础;
C、绝缘子;
D、拉线;
E、接地装置;
F、导线;
44、单项选择题 用绝缘电阻表遥测绝缘子的绝缘电阻时,应选用()。
A.1500V的绝缘电阻表
B.2000V的绝缘电阻表
C.1000V的绝缘电阻表
D.5000V的绝缘电阻表
45、单项选择题 绝缘子卡具的静态试验荷重为其额定荷重的()。
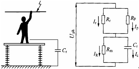
A、1.5;
B、2;
C、2.5;
D、3
46、问答题 为什么在配电线路带电作业中作业人员禁止穿屏蔽服?
47、多项选择题 带电作业工具库房应配备的设备和装置有()。
A.湿度计;
B.温度计;
C.足够数量的抽湿机;
D.加热器;
E.工具摆放架、吊架;
F.紫外照射仪;
G.使用记录;
(H)试验合格证。
48、多项选择题 对绝缘子进行更换时,应注意()。
A.更换前对新绝缘子外观进行检查并擦拭。
B.若为瓷和玻璃绝缘子,更换前测试新绝缘子的绝缘电阻是否满足相应电压等级的要求。
C.更换后,检查绝缘子是否安装完好。如:受力是否正常、锁紧销是否装好等。
D.绝缘子锁紧销应统一穿向。
49、多项选择题 在裸导线上接引流线可采用以下方法中的()。
A.缠绕法
B.引流线夹法
C.并沟线夹法
D.穿刺线夹法
50、问答题 使用屏蔽服应注意哪些事项?
51、问答题 遇有电气设备着火时,应采取什么措施?
52、问答题 在使用带电清扫机械进行清扫前,有哪些注意事项?
53、单项选择题 带电拆除绝缘子绑扎线时应边拆边卷,绑扎线的展放长度不得大于()m。
A.0.1
B.0.2
C.0.3
D.0.4
54、问答题
事故简述【绝缘平台安装不牢固,作业人员失稳,触电致死】
某带电班在10kV线路一杆上变压器进行搭接高压引流线工作。作业方法为绝缘平台上绝缘手套作业法。作业人员甲在杆上安装完毕绝缘平台后,就直接踏上绝缘平台开始作业。当甲正在进行接引的准备工作时,绝缘平台倾斜,甲站立不稳,手中所持的引流线绑线甩向中相导线,造成短路。由于未穿绝缘服,甲衣服着火,烧伤面积达40%,经抢救无效死亡。分析事故原因。本次作业违反了哪些安全规定?
55、单项选择题 采用心肺复苏紧急救护时,人工呼吸者与心脏按压者可以互换位置,互换操作,但中断时间不超过()。
A.3s
B.5s
C.8s
D.10s
56、问答题
识绘题:已知绝缘子风偏角为:工作电压
,内过电压
,大气过电压
,空气间隙工作电压
,内过电压
,大气过电压
,试画出导线对杆塔的空气间隙。(图中表达方式仅供参考)
57、多项选择题 对运行中的绝缘子,不应出现下列情况()。
A、裂纹;
B、损伤;
C、表面过分脏污;
D、闪落烧伤。
58、多项选择题 导体的电阻与导线的长短、粗细有关,()。
A、导线越长,电阻越大;
B、导线越短,电阻越小;
C、导线越细,电阻越大;
D、导线越粗,电阻越小。
59、单项选择题 海拔1000m以下地区,在220kV交流输电线路上带电更换绝缘子时,应保证作业中良好绝缘子片数不少于()片。
A、7;
B、9;
C、11;
D、13
60、问答题 简述间歇电弧接地过电压的形成机理。
61、单项选择题 采用绝缘杆间接作业法作业时,带电体与大地之间起主绝缘作用的是()。
A.斗臂车绝缘臂
B.绝缘手套
C.绝缘杆
D.绝缘遮蔽罩
62、单项选择题 在配电带电作业中,作业人员应避免()。
A.接触横担
B.接触拉线
C.接触接地构件
D.同时接触不同电位的物体
63、问答题 计算题:某带电班用一块厚10mm的3240环氧酚醛玻璃布板(环氧酚醛玻璃布板极限破坏应力为1800KG/cm2,安全系数K=4,冲击系数K1=1.1,不均衡系数K2=1.2,做一副带电更换LGJ-240导线的线路双串耐张绝缘子中的单串耐张绝缘子串拉板,导线张力估算为2400KG,与绝缘子卡具配合的螺孔直径为13mm,计算拉板的宽度?
64、单项选择题 对自恢复与非自恢复的混合型复合绝缘进行15次冲击耐受电压实验时()。
A.允许不超过1次闪络
B.允许不超过2次闪络
C.允许不超过3次闪络
D.不允许发生任何闪络放电
65、单项选择题 空载长线是()元件。
A、电阻;
B、电感;
C、电容;
D、电场。
66、多项选择题 接地电阻测量仪附带两根探测针,即()。
A、电压探测针;
B、电阻探测针;
C、电位探测针;
D、电流探测针。
67、多项选择题 标准化作业指导书的封面部分内容包括()。
A.作业名称
B.编号
C.编写人及时间
D.审核人及时间
E.批准人及时间
F.作业负责人及时间
68、多项选择题 带电线路在运行中,对机械强度有影响的气象条件有()。
A.风速
B.覆冰厚度
C.气温
D.空气湿度
69、多项选择题 安全帽使用前,应检查()等附件完好无损。
A.帽壳
B.帽衬
C.帽箍
D.顶衬
E.下带
70、多项选择题 在电力线路上保证的三大安全是()。
A.人身安全;
B.电网安全;
C.设备安全;
D.用电安全
71、单项选择题 对于同一个空气间隙,在工频、直流和操作冲击下的击穿电压是不同的。其中以()为最高。
A、直流电压;
B、工频交流电压;
C、操作冲击电压;
D、以上三个电压共同作用
72、单项选择题 用消弧绳断、接空载线路时,作业人员与断开点应保持()以上的距离。
A、2m;
B、3m;
C、4m;
D、5m
73、多项选择题 架空送电线路的导线截面,一般根据经济电流密度选择,大跨越的导线截面一般按允许载流量选择,以()等条件加以校验。
A、机械强度;
B、发热;
C、电晕;
D、电能损耗;
E、电压降。
74、多项选择题 防潮型绝缘绳索电气性能中,高湿度下工频泄漏电流实验条件是(),泄漏电流不大于100μA。
A.相对湿度90%
B.放置168h
C.温度20℃
D.放置24h
E.试品长度0.5m
F.加压100kV
75、问答题 在带电接引线过程中,为什么接上第一相引线后,其他两相引线均不得直接触及?
76、问答题 绝缘工具在使用前应做哪些检查工作?
77、单项选择题 地面工作人员()直接用手向斗内作业人员传递工器具。
A.不可以
B.可以
C.特殊情况下可以
D.10kV以下等级可以
78、多项选择题 在起吊.牵引过程中,物件的下方和受力绳索(),严禁有人逗留和通过。
A.周围
B.上下方
C.内角侧
D.外角侧
79、问答题 什么是带电作业工器具的预防性试验?10kV带电作业用绝缘操作杆的预防性试验的电极间距离、工频耐受电压和时间是多少?
80、单项选择题 处于电场中的金属导体的内部电场强度总是零,这是()现象。
A.静电感应
B.静电屏蔽
C.集肤效应
D.库仑定律
81、问答题 使用火花间隙检测绝缘子时,应遵守哪些规定?
82、单项选择题 等电位带电作业时穿戴的导电手套,在规定的测试方法下其电阻()。
A、不小于10Ω;
B、不大于10Ω;
C、不小于15Ω;
D、不大于15Ω。
83、问答题 等电位作业法中人体、带电体、绝缘体之间的位置关系如何?为保证安全,应满足什么样的技术条件?
84、多项选择题 根据导地线损伤程度的不同,对导地线处理损伤的方法有()。
A、打磨;
B、单丝缠绕;
C、用预绞丝补修条处理;
D、用补修管处理;
E、割断重接。
85、多项选择题 DL/T966-2005《送电线路带电作业技术导则》中规定,在海拔1000m以下地区,500kV交流输电线路保护间隙的设定值为()m,安装前间隙距离应大于()m。
A、1.0;
B、1.3;
C、2.5;
D、3.1。
86、多项选择题 带电作业中常用的绝缘配合方法有()
A.排列法
B.惯用法
C.统计法
D.简化统计法
87、单项选择题 假定带电作业绝缘工具的绝缘等级是B级,那么它的耐热温度是()℃。
A.110
B.120
C.130
D.155
88、单项选择题 带电作业过程中,任何人员发现有违规作业可能发生人员和设备安全时,应立即()。
A.报告单位领导
B.报告工作负责人
C.制止
D.撤离
89、多项选择题 接地电阻测量仪附带两根探测针,即()。
A、电压探测针;
B、电阻探测针;
C、电位探测针;
D、电流探测针。
90、单项选择题 电力线路安全工作的组织措施包括:()、工作票制度、工作许可制度、工作监护制度、工作间断制度、工作结束和恢复送电制度。
A、设备巡回检查制度;
B、设备定期实验和轮换制度;
C、交接班制度;
D、现场勘察制度
91、单项选择题 进行绝缘遮蔽时,要求遮蔽罩之间一般应()。
A.约有15cm的重叠部分
B.有5cm的重叠部分
C.有5cm的不重叠
D.不重叠
92、多项选择题 通常被称为环氧玻璃钢的材料由()主要成分组成。
A、玻璃纤维;
B、环氧树脂;
C、固化剂;
D、偶联剂;
E、石英砂;
F、玻璃。
93、单项选择题 用消弧绳断、接空载线路时,作业人员与断开点应保持()以上的距离。
A、2m;
B、3m;
C、4m;
D、5m
94、多项选择题 带电断、接空载线路前,应了解空载线路参数,如()等,以计算电容电流值,确定断引方法。
A.导线高度
B.空载段长度
C.导线型号
D.导线排列及几何均距
95、问答题 导线上挂飞车或软梯对导线应力有什么影响?其应力变化趋势如何?
96、单项选择题 国家标准中规定的用来衡量电气设备绝缘水平的操作过电压标准波形参数是()。
A、500/5000μs
B、250/2500μs
C、2500/25000μs
D、50/500μs
97、多项选择题 以下哪些属于带电作业工具的机械试验内容()。
A、静荷重试验;
B、动荷重试验;
C、操作冲击试验;
D、耐压试验。
98、问答题 防止静电感应伤害的主要措施有哪些?
99、多项选择题 等电位作业人员应穿戴合格的全套屏蔽服,包括帽和()。
A.衣裤;
B.手套;
C.袜;
D.导电鞋
100、单项选择题 根据DL/T974-2005《带电作业用工具库房》,在带电作业用工具库房中,操作杆等工具较轻,可垂直吊挂,垂直悬挂物下端距地面应不小于()cm。
A.30
B.40
C.50
D.60
101、问答题 简述配电带电作业的工作间断和终结制度。
102、单项选择题 10kV带电作业中个人绝缘安全防护用具应采用IEC标准规定的第()级。
A.3
B.2
C.1
D.0
103、单项选择题 海拔1000m以下地区,在110kV交流输电线路上带电更换绝缘子时,应保证作业中良好绝缘子片数不少于()片。
A、3;
B、4;
C、5;
D、6
104、多项选择题 带电爆炸压接作业中,当采用等电位引爆时,应做到()。
A、引爆系统与导线连接牢固;
B、安装引爆系统时,作业人员应始终与导线保持等电位;
C、导火索应有足够的长度,以保证作业人员安全撤离;
D、爆炸压接时,所有工作人员均应撤到离爆炸点10m以外的安全区。
105、问答题 带电作业为什么要研究和正确掌握空气绝缘特性?
106、单项选择题 导线金钩破股已使钢芯或内层线股形成无法修复的永久变形,必须()。
A、缠绕;
B、报废;
C、切断重接;
D、补修管补修
107、问答题
案例分析答题要点:案例分析要求分两部分回答。1、事故原因分析,分析依据相关规程规定,分析事故原因,扣点答题,不要求叙述。2、违反的安全规定,找出作业中违反的《安规》和其它规程规定的条文,回答要点即可。答题参照下面典型例题。题库中案例分析题答案是各省公司试题原题,在复习时按典型例题答题方式组织答案。
1、典型例题
事故简况:某电力公司对某220KV线路进行带电更换绝缘子。正在作业时,天下起了毛毛雨,为了避免再来一趟(作业点很远),作业班加快了作业,此时,由于泄露电流引起弧光接地,全线跳闸,绝缘保险绳烧断,无人员受伤。
分析事故原因。本次作业事故违反了哪些安全规定?
108、问答题 带电作业中为什么会产生暂态电击?如何预防?
109、问答题
计算题:当作业人员在场强为
的电场中工作时,测得其所穿的屏蔽服内的场强为
试求得该屏蔽服的穿透率。
110、单项选择题 以下金具为接续金具的是()。
A、球头挂环;
B、导线接续管;
C、联板;
D、延长环。
111、单项选择题 带电作业工具应定期进行电气试验及机械试验,绝缘工具的机械试验周期为()。
A、半年一次;
B、1年一次;
C、2年一次;
D、4年一次
112、问答题 在带电作业中,专责监护人的主要职责有哪些?
113、问答题 为什么靠近导线的绝缘子劣化率高?
114、多项选择题 根据材质对带电作业工器具进行分类有()。
A、绝缘工具;
B、延长工具;
C、金属工具;
D、保护工具;
E、合成工具。
115、问答题 识绘题:请画出输电线路全换位图。
116、问答题 识绘题:画出静电感应使人体受电击的两种情况示意图(答案中感应电画法仅供参考)。
117、问答题 什么叫电位转移?
118、单项选择题 绝缘工具的标准操作冲击耐压试验应采用()的操作波。
A.2500/5000μs
B.250/2500μs
C.150/1200μs
D.1.5/50μs
119、单项选择题 带电作业应设专人监护。监护人不得直接操作。监护的范围不得超过()作业点。
A、一个;
B、二个;
C、三个;
D、四个
120、单项选择题 关于作业距离的说法,()是正确的。
A.作业距离是作业中的实测距离;
B.作业距离必须小于安全距离;
C.作业距离就是安全距离;
D.作业距离是规程规定的必须保持的最小距离。
121、多项选择题 电能的()是同一瞬间完成的。
A、生产;
B、输送;
C、分配;
D、使用。
122、单项选择题 DL409-91规定,风力大于()级时,不宜进行带电水冲洗。
A、3;
B、4;
C、5;
D、6。
123、问答题
事故简述【遮蔽不完全,造成相间短路】
某配电班利用绝缘斗臂车带负荷更换某10kV配电变压器高压侧中相跌落式熔断器(三角形排列)。到达现场后,甲和乙二人核对了设备编号,履行了工作许可手续,布置了现场安全措施,甲负责监护。乙首先利用绝缘引流线对中相熔断器进行了短接,然后使用操作杆拉开待更换相熔断器的熔丝管,此时,熔丝管上触头突然对边相熔断器放电,造成相间短路,保护跳闸。由于乙距离较远,未造成严重伤害。事后发现中相熔丝管触头距边相熔断器不到10cm。分析事故原因。本次作业违反了哪些安全规定?
124、多项选择题 绝缘工具在储存.运输时不得与()接触。
A.酸
B.碱
C.油类
D.化学药品
125、多项选择题 在电力线路上保证的三大安全是()。
A.人身安全;
B.电网安全;
C.设备安全;
D.用电安全
126、单项选择题 一般来说,女性对稳态电击产生生理反应较男性更为()。
A.敏感;
B.迟钝;
C.一样;
D.无法判断。
127、问答题 在连续档距的导、地线上挂软梯的等电位工作,对导地线截面有什么要求?
128、多项选择题 线路金具种类主要有()。
A、连接金具;
B、接续金具;
C、保护金具;
D、拉线金具。
129、多项选择题 下列作业项目属于带电作业范畴的是()。
A、测量运行中的氧化锌避雷器电流;
B、测量电压互感器的空载电流;
C、检测运行中的线路绝缘子;
D、测量杆塔接地电阻。
130、问答题 计算题:带电更换阻波器,其电感量L为2mH,当负荷电流I为500A时,计算阻波器两端的电压。
131、单项选择题 整套屏蔽服各最远端点之间的电阻值不得大于()Ω。
A、1.0;
B、24;
C、20;
D、0.8。
132、多项选择题 以下哪些属于保护金具()。
A、防振锤;
B、护线条;
C、悬垂线夹;
D、并沟线夹。
133、问答题 正常绝缘子上是否有泄漏电流通过?在什么情况下这种电流会流过人体?怎样防护?
134、多项选择题 电能的()是同一瞬间完成的。
A、生产;
B、输送;
C、分配;
D、使用。
135、多项选择题 用于带电作业提吊导线的工具有()。
A.绝缘滑轮
B.绝缘绳
C.绝缘吊钩
D.绝缘操作杆
136、单项选择题 用火花间隙法检测绝缘子,作业前应校核火花间隙距离。对于220kV交流输电线路,球-球电极结构的火花间隙距离为()。
A、0.4mm;
B、0.5mm;
C、0.6mm;
D、0.65mm
137、多项选择题 绝缘材料的物理化学性能指标主要有()。
A、密度;
B、吸水性;
C、耐热性能;
D、工艺性能。
138、单项选择题 大刀卡具是用于更换()绝缘子。
A、单串耐张;
B、双串耐张;
C、单串直线了;
D、双串直线。
139、多项选择题 关于带电作业工具的使用,下列说法正确的有()。
A、带电作业工具使用前应根据工作负荷校核满足规定安全系数;
B、发现绝缘工具受潮或表面损伤、脏污时,应及时处理并经试验或检测合格后方可使用;
C、进入作业现场,应将使用的带电作业工具放置在防潮的帆布或绝缘垫上,防止绝缘工具在使用中脏污和受潮;
D、带电作业工具使用前,仔细检查确认没有损坏、受潮、变形、失灵,否则禁止使用。
140、单项选择题 绝缘操作杆金属接头长度不宜大于()m。
A.0.1
B.0.2
C.0.3
D.0.4
141、单项选择题 海拔1000m以下地区,在110kV交流输电线路上进行等电位作业时,等电位作业人员在进行电位转移时,人体裸露部分与带电体的最小距离应大于()m。
A、0.1;
B、0.2;
C、0.3;
D、0.4
142、多项选择题 按电场均匀程度,电场一般可分为()。
A.超均匀电场
B.均匀电场
C.稍不均匀电场
D.极不均匀电场
143、问答题 简述坚强智能电网的概念?
144、多项选择题 防止绝缘子污闪的技术措施主要有()。
A、做好绝缘子的定期清扫;
B、定期测试和及时更换不良绝缘子;
C、提高绝缘水平以增加泄漏距离;
D、采用防污绝缘子。
145、多项选择题 引起线路操作过电压的原因通常有()。
A、线路合闸与重合闸;
B、故障与切除故障;
C、开断容性电流和开断较小或中等的感性电流;
D、负载突变。
146、单项选择题 工频过电压给带电作业带来的主要危害是造成()。
A、绝缘工具热老化;
B、绝缘工具击穿;
C、安全距离减少;
D、绝缘工具闪络
147、单项选择题 10kN级支杆允许荷载为()kN。
A.30
B.10
C.40
D.50
148、单项选择题 在同杆塔架设的多回线路上,()作业时,不得进行放、撤导线和地线的工作。
A、下层线路停电,上层线路无电;
B、下层线路停电,上层线路停电;
C、下层线路带电,上层线路停电;
D、下层线路带电,上层线路无电。
149、单项选择题 电导即导电能力,是对于某一种导体允许电流通过它的容易性的度量,其单位是()。
A.安培
B.伏特
C.焦耳
D.西门子
150、单项选择题 两只阻值为R的电阻并联后,其阻值为()
A.2R;
B.R/2;
C.R;
D.R/4。
151、多项选择题 感应雷过电压幅值的大小与()等因素有关。
A.雷云对地放电时的雷电流幅值大小;
B.线路距雷击点的距离;
C.避雷线的防雷保护角;
D.导线对地平均高度;
E.线路的耐雷水平;
F.波阻抗。
152、单项选择题 为确保整套屏蔽服的电阻不大于规定值,按照GB6568.2中4.1条的方法,分别测量上衣及裤子任意两个最远端之间的电阻均不得大于()Ω。
A、1.0;
B、15;
C、20;
D、0.8。
153、单项选择题 带电作业工具应定期进行电气试验及机械试验,绝缘工具的机械试验周期为()。
A、半年一次;
B、1年一次;
C、2年一次;
D、4年一次
154、多项选择题 110kV~500kV送电线路的绝缘配合,应使线路能在()各种条件下安全可靠地运行。
A.工频过电压;
B.谐振过电压;
C.雷电过电压;
D.操作过电压。
155、多项选择题 在什么情况下应对安全工器具进行试验()。
A、规程要求进行试验的安全工器具;
B、新购置和自制的安全工器具;
C、检修后或关键零部件经过更换的安全工器具;
D、对安全工器具的机械、绝缘性能发生疑问或发现缺陷时。
156、问答题 识绘题:下图为使用绝缘软梯等电位修补导线的工作状态,G为软梯和人体重力。画出软梯挂点的受力图。
157、问答题 简要解释作业距离、安全距离和组合间隙的含义?
158、多项选择题 送电线路工程在竣工验收检查合格后应进行如下电气试验:()。
A、测定线路绝缘电阻;
B、核对线路相位;
C、测定线路参数和高频特性;
D、电压由零升至额定电压;
E、以额定电压对线路冲击合闸3次;
F、带负荷运行24小时。
159、多项选择题 带电爆炸压接作业中,当采用等电位引爆时,应做到()。
A、引爆系统与导线连接牢固;
B、安装引爆系统时,作业人员应始终与导线保持等电位;
C、导火索应有足够的长度,以保证作业人员安全撤离;
D、爆炸压接时,所有工作人员均应撤到离爆炸点10m以外的安全区。
160、问答题
[案例简况]某供电公司一条220kV线路#28直线塔,在离地2.6米处有两根被盗塔材急需补缺。于是管辖该线路的运行班长甲,经线运部主任口头许可,带领工人乙(系二年前从带电班调入该运行班)和工人丙,携带补缺用塔材及安全腰带等工具前往现场。
在塔材补缺工作完成时,班长甲发现下相导线悬挂点横担上有一只鸟巢,且有根下垂树枝已触及第三片绝缘子瓷裙。于是,吩咐乙上去清除了该鸟巢,及时避免发生绝缘子闪络。
本案例违反了哪些安全规定。
161、单项选择题 消弧绳金属段的铜丝股绳总截面不得小于()。
A、25mm2;
B、35mm2;
C、50mm2;
D、70mm2。
162、单项选择题 绝缘工具由于电介质的化学变化使耐电强度丧失的击穿过程,称为()。
A、电击穿;
B、热击穿;
C、化学击穿;
D、电化学击穿。
163、单项选择题 跌落式熔断器应安装在距地面垂直距离不小于()m的横担上。
A.3
B.4
C.5
D.6
164、单项选择题 10kV架空电力线路的引流线当采用并沟线夹连接时,线夹数量不应小于()个。
A.1
B.2
C.3
D.4
165、单项选择题 使用消弧绳切断10kV引线时,拉动消弧绳脱离电位时应()。
A.迅速
B.缓慢
C.匀速
D.无所谓
166、单项选择题 通常情况下,对于同样距离的空气间隙,电场不均匀度增加,击穿电压会()。
A.降低
B.升高
C.不变
D.变化不定
167、单项选择题 绝缘导线上接引流线时,为达到防水防腐目的,下列措施错误的是()。
A.采用穿刺线夹
B.绝缘导线剥皮后用缠绕法搭接并用防水胶带对裸露部分进行包扎
C.采用并沟线夹搭接后用设备线夹遮蔽罩进行防护
D.采用引流线夹搭接后用防水胶带对裸露部分进行包扎罩进行防护
168、多项选择题 导体的电阻与导线的长短、粗细有关,()。
A、导线越长,电阻越大;
B、导线越短,电阻越小;
C、导线越细,电阻越大;
D、导线越粗,电阻越小。
169、多项选择题 以下哪些情况容易发生污闪事故()。
A、雷雨天气;
B、晴天;
C、大雾天气;
D、毛毛雨天气。
170、问答题 计算题:用丝杠收紧更换双串耐张绝缘子中的一串绝缘子,如导线最大线张力为19110N,应选择使用什么规格的丝杠?(安全系数取2.5,不均匀系数取1.2)
171、单项选择题 暂态电击是人接触电场中对地绝缘的导体瞬间,积累在导体上的电荷以火花放电的形式通过人体对地突然放电,用来衡量它的单位是()。
A.安培
B.伏特
C.焦耳
D.西门子
172、单项选择题 同样实验条件下,在下列间隙中,以()间隙的操作冲击50%放电电压为最低。
A、棒一板;
B、棒一棒;
C、板一板;
D、环一环
173、单项选择题 架空导线对大地、人穿绝缘鞋站在地面上时人对大地,都相当于一个()元件。
A.电容;
B.电阻;
C.电感;
D.电压。
174、问答题 计算题:在施工现场起吊一4吨重的重物,用破断力为48.94kN的钢丝绳作牵引绳,现场有单轮一只、双轮滑轮两只,问:应如何组装滑轮组?画出示意图。(滑轮组综合效率93%,钢丝绳安全系数K=4,动荷系数K1=1.2,不平衡系数K2=1.2)
175、多项选择题 防止绝缘子污闪的技术措施主要有()。
A、做好绝缘子的定期清扫;
B、定期测试和及时更换不良绝缘子;
C、提高绝缘水平以增加泄漏距离;
D、采用防污绝缘子。
176、多项选择题 线路检修时的危险源主要有()。
A、高空坠落;
B、触电;
C、物体打击;
D、起重伤害。
177、问答题 计算题:试求在220kV线路上带电作业时,可能出现的最大内过电压值是多少?
178、单项选择题 绝缘工具使用前应用摇表分段测量绝缘电阻,其阻值不低于()MΩ。
A.300
B.500
C.700
D.900
179、多项选择题 两个力大小分别为10N和20N,则它们的合力大小可能是()
A、10N;
B、15N;
C、25N;
D、32N。
180、问答题 识绘题:画出中间电位作业的示意图和等值电路图,图中:R1、R2为两部分绝缘工具(或绝缘子串)的绝缘电阻,C1、C2为人体对带电体和接地体的电容。
181、多项选择来源:91考试网 www.91exAm.org题 线路检修时的危险源主要有()。
A、高空坠落;
B、触电;
C、物体打击;
D、起重伤害。
182、多项选择题 带电作业绝缘工具存放库房应具备()条件。
A.通风良好
B.门窗密闭严实
C.紫外线照射
D.清洁干燥
183、问答题 什么是带电作业?带电作业中为保证人员和设备的安全,应满足哪些条件?
184、问答题 简述配电线路绝缘子和导线的作用。请再列出三种配电设备。
185、问答题 采用水平托瓶架更换耐张绝缘子串时,应注意什么?
186、单项选择题 采用绝缘手套直接作业法作业时,相与相之间()起主绝缘作用。
A.斗臂车绝缘臂
B.绝缘手套
C.绝缘斗
D.空气间隙
187、多项选择题 不适宜开展带电作业的情况有()。
A.雷、雨、雪、雾天气
B.湿度不大于80%
C.风力大于5级
D.气温超过40℃以上
188、多项选择题 常见的用于更换绝缘子的紧线装置有()。
A、紧线丝杆;
B、液压收紧器;
C、绝缘滑车组;
D、双钩紧线器。
189、多项选择题 发现人员高压触电后,以下哪些是使触电者脱离电源的正确方法()
A、立即通知有关供电单位或用户停电;
B、戴上绝缘手套,穿上绝缘靴,用干燥木棒拉开触电者;
C、戴上绝缘手套,穿上绝缘靴,用相应电压等级的绝缘工具按顺序拉开电源开关或熔断器;
D、抛掷裸金属线使线路短路接地,迫使保护装置动作跳闸,断开电源;
E、用有绝缘柄的电工钳或有干燥木柄的斧头切断电线,断开电源。
190、单项选择题 在配电线路带电作业中,作业距离不满足安全距离时()。
A.裸导线和绝缘导线均应进行遮蔽
B.只需遮蔽裸导线,可不遮蔽绝缘导线
C.只需遮蔽绝缘导线,可不遮蔽裸导线
D.裸导线和绝缘导线均不需遮蔽
191、问答题 识绘题:试画出等电位作业时的位置示意图和等值电路图。人体电阻Rr,屏蔽服电阻Rp。
192、单项选择题 跌落式熔断器上下桩头的绝缘电阻应大于()MΩ。
A.150
B.300
C.500
D.700
193、单项选择题 用于500kV及以下电压等级交流输电线路的屏蔽服,其衣料的屏蔽效率不得小于()。
A、28dB;
B、38dB;
C、40dB;
D、42dB;
194、问答题 计算题:某绝缘绳的最小破断拉力TD为25000N,设其安全系数K为2.5。试求绝缘绳的允许使用拉力T为多少?
195、多项选择题 等电位作业人员应穿戴合格的全套屏蔽服,包括帽和()。
A.衣裤;
B.手套;
C.袜;
D.导电鞋
196、单项选择题 报废的配网带电作业工具应有“()”标志。
A.X
B.N
C.Z
D.O
197、单项选择题 在电路中,已知电阻R1=6,R2=15,R3=10,R2与R3并联后与R1串联,该电路总电阻R0为()
A、8
B、10
C、12
D、14
198、多项选择题 在交流线路带电作业中,当采用绝缘杆作业时流过人体的电流包括()。
A.阻性电流
B.容性电流
C.直流电流
D.雷电冲击电流
199、多项选择题 金具的分类有()等几种。
A.连接金具
B.接续金具
C.保护金具
D.拉线金具
200、单项选择题 10kV架空线路,杆塔上带电核相时,作业人员与带电部位应保持()m的安全距离。核相工作应逐相进行。
A.0.6
B.0.7
C.0.4
D.1.0