手机用户可
保存上方二维码到手机中,在
微信扫一扫中右上角选择“从
相册选取二维码”即可。
1、填空题 汽耗特性是指汽轮发电机组汽耗量与()之间的关系,汽轮发电机组的汽耗特性可以通过汽轮机变工况计算或在机组热力试验的基础上求得。凝汽式汽轮机组的汽耗特性随其调节方式不同而异。
点击查看答案
本题答案:电负荷
本题解析:试题答案电负荷
2、填空题 滑参数停机的主要目的是加速汽轮机()利于提前检修。
点击查看答案
本题答案:各金属部件冷却
本题解析:试题答案各金属部件冷却
3、问答题 循泵及给水泵在倒转时为什么不允许启动?
点击查看答案
本题答案:倒转时启动使轴容易损坏,因为这时轴受到的扭转应力要比正
本题解析:试题答案倒转时启动使轴容易损坏,因为这时轴受到的扭转应力要比正常启动大得多,在这同时还会使电动机损坏。因为电动机在正常情况下,启动电流比额定电流大5~6倍,如果倒转的情况下启动,那就不是几倍而是几十倍,当大电流通过电动机而过流保护不动作,则电机损坏的可能性就更大了。
4、问答题 运行中汽缸膨胀为什么向车头方向位移?
点击查看答案
本题答案:汽轮机在运行中,汽缸温度升高膨胀伸长时,由于低压缸是用
本题解析:试题答案汽轮机在运行中,汽缸温度升高膨胀伸长时,由于低压缸是用销子固定在机座上,形成一纵向膨胀的死点,高压端汽缸则支持在前轴承座上,有自由活动的余地,故膨胀时向车头方向位移。
5、单项选择题 机组正常运行中,凝结水含氧合格应控制在()。
A、≤30μg/l
B、≤40μg/l
C、≤50μg/l
点击查看答案
本题答案:B
本题解析:暂无解析
6、填空题 汽轮机热态启动中注意汽缸温度变化,不应出现温度下降,出现下降时,查无其他原因应尽快()或()。
点击查看答案
本题答案:升速(提高汽温);并列接带负荷
本题解析:试题答案升速(提高汽温);并列接带负荷
7、问答题 DEH控制系统中TPL(即主汽压力限制器)投入需要哪些条件?
点击查看答案
本题答案:TPL投入需要以下条件:
(1)汽轮发电机组
本题解析:试题答案TPL投入需要以下条件:
(1)汽轮发电机组必须并网运行;
(2)调节汽阀位置必须大于20%;
(3)实际主汽压力必须大于固定的压力限制整定值;
(4)主汽压力变送器必须正常。
8、填空题 汽机侧主汽温度的额定值为()℃,运行中不得偏离()之间。
点击查看答案
本题答案:537、530—545
本题解析:试题答案537、530—545
9、填空题 汽轮机起动按主蒸汽参数分类有()起动方式和()起动方式。机起动按冲动转子时的进汽方式分类有()起动方式和()起动方式。
点击查看答案
本题答案:额定参数;滑参数;高中压缸;中压缸
本题解析:试题答案额定参数;滑参数;高中压缸;中压缸
10、单项选择题 煤的发热量是煤在一定温度下完全燃烧时所释放出来的()。
A、物理热量
B、最大反应热
C、最小反应热
D、动能
点击查看答案
本题答案:B
本题解析:暂无解析
11、问答题 控制室内如何判断汽机盘车跳闸或脱开?如何处理?
点击查看答案
本题答案:汽机盘车跳闸或脱开在控制室内有以下现象:
⑴
本题解析:试题答案汽机盘车跳闸或脱开在控制室内有以下现象:
⑴“大机转速到零”报警光字牌信号发出。
⑵盘车电机无电流或电流减小(一般4~6A.。
⑶汽机偏心指示消失,盘车脱开时“啮合”灯灭。
⑷DEH上汽机转速盘车时波动,盘车脱开后转速到零。
处理:立即检查盘车跳闸或脱开的原因:
⑴因油系统故障造成跳闸,应立即检查故障原因,半小时内处理正常后立即投入连续盘车。超过半小时,每半小时应手动盘车180°。油系统正常后,应检查转子偏心正常且能自由转动时方可投入连续盘车。
⑵若系盘车开关故障造成跳闸,应检查开关是否发生过过流,若是过流跳闸,立即联系检查和汇报上级,手动盘车,确认故障原因和部位。
⑶若盘车啮合齿轮脱开,应停用盘车电机,将啮合手柄推到啮合位置,重新启动盘车。
12、问答题 何谓轮周功率?
点击查看答案
本题答案:轮周功率即指周向力在动叶片上每秒所作的功。
本题解析:试题答案轮周功率即指周向力在动叶片上每秒所作的功。
13、单项选择题 AUMA电动门控制电源为()
A.AC220V
B.AC380V
C.AC110V
D.DC110V
点击查看答案
本题答案:A
本题解析:暂无解析
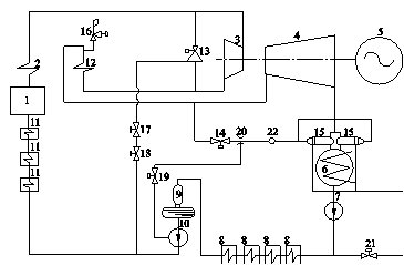
14、问答题 绘图题:背画三用阀旁路系统图。
点击查看答案
本题答案:
试题答案
1—锅炉;2—过热器;3—高压缸;4—中、低压缸;5—发电机;6—凝汽器;
7—凝结水泵;8—低压加热器;9—除氧器;10—给水泵;11—高压加热器;
12—再热器;13—高压旁路阀;14—低压旁路阀;15—扩容式减温减压装置;
16—再热器安全阀;17—高压旁路喷水温度调节阀;18—高压旁路喷水压力调节阀;
19—低压旁路喷水阀;20—减温器;21—低压喷水阀;22—四通
15、填空题 一般当汽轮机转速升高到额定转速的1.10—1.12倍时,()动作,切断汽机(),使汽轮机()。
点击查看答案
本题答案:危急保安器、供汽、停止运转
本题解析:试题答案危急保安器、供汽、停止运转
16、单项选择题 汽轮机调节级金属温度大于()℃时为热态。
A、150
B、121
C、100
点击查看答案
本题答案:B
本题解析:暂无解析
17、问答题 原电力部颁发的二十五种反事故措施中,涉及汽轮机方面的有哪几种?
点击查看答案
本题答案:超速;
通流部分损坏(含轴系损坏和掉叶片);
本题解析:试题答案超速;
通流部分损坏(含轴系损坏和掉叶片);
轴瓦烧毁;
大轴弯曲;
润滑油系统着火;
压力容器爆炸。
18、填空题 汽轮机在进行负荷调节方式切换时,应特别注意()温度变化。
点击查看答案
本题答案:高、中压缸
本题解析:试题答案高、中压缸
19、问答题 什么是主蒸汽集中母管制系统?
点击查看答案
本题答案:发电厂所有锅炉的蒸汽送往蒸汽母管,再由母管引到汽轮机和
本题解析:试题答案发电厂所有锅炉的蒸汽送往蒸汽母管,再由母管引到汽轮机和其它用汽处,这种系统称为集中母管制系统。
这种系统只有在单台锅炉与汽轮机单机容量相差很大及蒸汽参数低,机组容量小的发电厂才采用。
20、判断题 汽轮机排汽压力越低,工质循环的热效率越高。
点击查看答案
本题答案:对
本题解析:暂无解析
21、问答题 电磁阀危急遮断系统有哪两种动作情况?
点击查看答案
本题答案:电磁阀危急遮断系统有两种动作情况:一种是超速防护系统O
本题解析:试题答案电磁阀危急遮断系统有两种动作情况:一种是超速防护系统OPC(Over speed Protect Controller)。该系统动作时只关闭高调门和中调门,主汽门并不关闭,不造成汽轮机停机。另一种是自动停机跳闸系统AST(Auto-StopTrip)。当该系统动作时,所有汽门全部关闭,实现紧急停机。
AST危急遮断的项目有:
①电超速;
②轴承油压低;
③EH油压低;
④真空低;
⑤轴向位移大;
⑥手动跳闸。此外,系统还提供了一个可接受所有的外部遮断讯号的遥控遮断接口,以供现场选用。可选遥控遮断项目有:炉MFT、DEH失电、轴振动大、轴承瓦温高、差胀大、高压缸排汽温度高、高压缸排汽压力高、发变组保护动作、旁路不合理操作或故障等。
22、填空题 汽轮机的损失包括()损失和()损失。
点击查看答案
本题答案:外部;内部
本题解析:试题答案外部;内部
23、问答题 简述冷态启动过程中并列后到带负荷至300MW主要操作步骤?
点击查看答案
本题答案:(1)并列后,联系投入“机跳炉&rdquo
本题解析:试题答案(1)并列后,联系投入“机跳炉”保护;
(2)在5%负荷下,保持运行30分钟暖机,暖机期间开启#4抽电动隔离阀、小机蒸汽疏水暖管、投入连排扩容器运行;汽机初负荷暖机结束,检查缸胀值正常,无阻塞现象;
(3)负荷到30MW后注意检查中压主汽门前所有气动疏水阀联锁关闭;
(4)当负荷达15%时,检查低压缸末级叶片喷水阀自动关闭;
(5)当四段抽汽压力>0.15MPA,检查四段抽汽至除氧器电动门开启,辅助蒸汽至除氧器压力调节阀自动关闭,否则手动操作进行汽源切换;
(6)负荷升至20%时,查中压调节阀后所有疏水阀关闭,除氧器再循环泵停止运行;检查除氧器三冲量自动投入;检查汽机各参数正常,特别注意各组氢气冷却器之间温度差在合格范围内;冲转第一台汽泵暖机;根据需要保持暖机3小时;
(7)负荷>25%时,辅助蒸汽切由冷段再热蒸汽供给;将凝汽器背包减温水气动阀关至10%;冲转第二台汽动给水泵;
(8)负荷达50%时,确认两台汽动给水泵运行正常后,停下电动给水泵,投入联锁备用;根据需要确定是否再启动一台循环水泵。
24、单项选择题 危急保安器充油动作转速应()3000r/min。
A.大于;
B.小于;
C.等于;
D.略小于
点击查看答案
本题答案:D
本题解析:暂无解析
25、问答题 为什么#2机停机实行汽机转速到零、真空到零?
点击查看答案
本题答案:实不实行汽机转速到零、真空到零主要看汽轮机停机后有无热
本题解析:试题答案实不实行汽机转速到零、真空到零主要看汽轮机停机后有无热水、热汽进凝汽器,或者能否采取措施防止热水、热汽进凝汽器。#2机停机后由于左右主汽管疏水、小机高压进汽管疏水排至炉侧小扩容器,不进凝汽器,若再采取措施防止除氧器热水进凝汽器,及时停用辅汽,则凝汽器无热源进去,因而可以实行转速到零、真空到零,不用担心汽轮机低压缸大气薄膜阀动作。
26、填空题 东汽300MW汽轮机的轴向位移测点在()正常运行时不得超过()和()mm。
点击查看答案
本题答案:在中低压转子的推力盘与工作瓦结合处、-1.05、+0.6
本题解析:试题答案在中低压转子的推力盘与工作瓦结合处、-1.05、+0.6
27、问答题 什么叫热应力?什么叫热冲击?
点击查看答案
本题答案:物体内部温度变化时,只要物体不能自由伸缩,或其内部彼此
本题解析:试题答案物体内部温度变化时,只要物体不能自由伸缩,或其内部彼此约束,则在物体内部就产生应力,这种应力称为热应力。
金属材料受到急剧的加热和冷却时,其内部将产生很大的温差,从而引起很大的冲击热应力,这种现象称为热冲击。一次大的热冲击,产生的热应力若超过材料的屈服极限,就会导致金属部件的损坏。
28、问答题 对凝汽设备的要求是什么?
点击查看答案
本题答案:1)有较高的传热系数和合理的管束布置。
2)
本题解析:试题答案1)有较高的传热系数和合理的管束布置。
2)凝汽器本体及真空系统要有高度的严密性。
3)汽阻及凝结水过冷度要小;
4)水阻要小;
5)凝结水的含氧量要小
6)便于清洗冷却水管;
7)便于运输和安装。
29、名词解释 迟缓率
点击查看答案
本题答案:由于调速系统各部件的摩擦、卡涩、间隙以及错油门的重叠度
本题解析:试题答案由于调速系统各部件的摩擦、卡涩、间隙以及错油门的重叠度等,使调速系统动作迟缓,由于迟缓现象的存在,在同一功率时,转速上升与下降的转速差与额定转速的百分比叫调速系统的迟缓率。
30、填空题 高压内缸相对于高压外缸的死点在高压进汽中心线前()mm处,低压内缸相对于低压外缸的死点设在()处。高低压内缸分别由死点向前后两个方向膨胀和收缩。
点击查看答案
本题答案:475、低压进汽中心线
本题解析:试题答案475、低压进汽中心线
31、判断题 采用节流调节的凝汽式汽轮机调节级后的温度随着流量的变化比采用喷嘴调节的机组变化的幅度大。
点击查看答案
本题答案:错
本题解析:暂无解析
32、问答题 真空滤油机的构造是怎样的?
点击查看答案
本题答案:TY-100及以上型系列真空滤油机是由初滤器、加热器、
本题解析:试题答案TY-100及以上型系列真空滤油机是由初滤器、加热器、二及过滤器、分水器、精滤器、真空分离器、真空强风冷却器、真空冷凝器、贮水器、冷却水箱、真空泵、排油泵以及电气柜等所组成。
33、问答题 动叶片上的拉筋和围带起了什么作用?
点击查看答案
本题答案:起到增强叶片的刚度,调整叶片的自振频率,改善振动情况。
本题解析:试题答案起到增强叶片的刚度,调整叶片的自振频率,改善振动情况。另外,围带还有防止漏汽的作用。
34、判断题 汽轮机转子开中心孔主要是为了减轻转子重量。
点击查看答案
本题答案:错
本题解析:暂无解析
35、名词解释 混合式加热器
点击查看答案
本题答案:混合式加热器内的热量交换是依靠热流体和冷流体直接接触和
本题解析:试题答案混合式加热器内的热量交换是依靠热流体和冷流体直接接触和互相混合来实现的,在热量传递的同时伴随质量的混合,这种加热器叫混合式加热器。
36、问答题 为什么开机和低负荷时除氧器水位自动不正常?
点击查看答案
本题答案:除氧器水位采用三冲量调节:除氧器水位、凝结水流量、凝结
本题解析:试题答案除氧器水位采用三冲量调节:除氧器水位、凝结水流量、凝结水再循环流量,在开机和低负荷时,由于除氧器需水量低且不稳定,凝结水再循环门经常动作,水量超出其变送器量程300t/h时,除氧器水位自动就经常跳。
37、单项选择题 下列()不会影响小机调节保安系统油压的建立。
A.复位电磁阀无法开启
B.辅助油门内漏
C.危急遮断手柄在切除位置
点击查看答案
本题答案:C
本题解析:暂无解析
38、名词解释 除氧器自生沸腾
点击查看答案
本题答案:指过量的热疏水进入除氧器时,其汽化出的蒸汽量已经满足或
本题解析:试题答案指过量的热疏水进入除氧器时,其汽化出的蒸汽量已经满足或超过除氧器内的用汽需要,从而使除氧器内的给水不需要回热抽汽加热自己就沸腾,这种现象叫除氧器自生沸腾。
39、填空题 电动机运行中电压正常,周波下降,则电动机做功(),使设备出力()。
点击查看答案
本题答案:减少、下降
本题解析:试题答案减少、下降
40、填空题 凝汽器真空降低时维持机组的负荷不变,主蒸汽流量(),末级叶片做功(),轴向推力(),推力瓦温度()。
点击查看答案
本题答案:增加;增加;增大;升高
本题解析:试题答案增加;增加;增大;升高
41、问答题 危急遮断器动作,而危急遮断油门不动作,其原因是什么?
点击查看答案
本题答案:1)挂钩与飞锤(飞环)间隙太大,超过0.8~1毫米,飞
本题解析:试题答案1)挂钩与飞锤(飞环)间隙太大,超过0.8~1毫米,飞锤的锤头够不着挂钩(飞锤的行程一般为4~6mm);
2)挂钩的搭头超过标准太多。
3)遮断油门内滑动部分卡涩。
42、填空题 真空泵电流高、电机线圈温度高的主要原因可能是()造成的。
点击查看答案
本题答案:真空泵出口模片磨损
本题解析:试题答案真空泵出口模片磨损
43、问答题 旁路系统为何要装预热管,各预热阀状态?
点击查看答案
本题答案:正常运行中旁路关闭,为防止高、低旁前后管道积水,使高、
本题解析:试题答案正常运行中旁路关闭,为防止高、低旁前后管道积水,使高、低旁一旦动作,管道发生水冲击,在高旁前后、低旁前设置了预热管,使高旁前后管道、低旁前管道在机组正常运行时有蒸汽流过,一直处于热备用状态。
高旁前管道流过的蒸汽靠主蒸汽分流;高旁后管道靠高排与中压进汽的压差,正常运行中高旁后管道预热阀应稍开1~2圈左右、保持有微量蒸汽流动即可,该阀开得过大,易造成过量高排低温蒸汽进入中压进汽,影响中压进汽温度,进而影响机组经济性。低旁前管道预热阀应稍开1~2圈左右、保持有微量蒸汽流动即可,该阀开得过大,影响中压进汽温度。
44、填空题 汽轮机冷态启动的初始阶段,蒸汽对汽缸内壁的放热属于()凝结放热。
点击查看答案
本题答案:膜状
本题解析:试题答案膜状
45、判断题 一般来说,正胀差比负胀差更危险。
点击查看答案
本题答案:错
本题解析:暂无解析
46、单项选择题 汽轮机的冷油器正常运行中,必须保持水侧压力()油侧压力。
A.小于
B.大于
C.等于
点击查看答案
本题答案:A
本题解析:暂无解析
47、问答题 凝泵为什么要装空气门?位置?正常运行空气门状态?
点击查看答案
本题答案:凝结水泵是在高度的真空下把水从凝汽器抽出,所以进水管法
本题解析:试题答案凝结水泵是在高度的真空下把水从凝汽器抽出,所以进水管法兰盘和机械密封容易漏入空气,同时进水也可能带有空气。因此把水泵吸入室与凝汽器之间以空气管相连。凝结水泵在启动与运行中顺此管抽出水中分离出来的空气以及不严密的地方漏入的空气,排至凝汽器,防止泵产生汽蚀,及影响运行效率,保证凝结水泵正常运行。
空气门位置接在凝泵垂直进水外筒体的上部。空气门正常运行一般稍开2~3圈即可,也可开足。空气管是一个排气平衡管,平衡回路是“凝汽器热井--凝泵进水管--凝泵--空气管--凝汽器气空间”,使得凝泵内积聚的空气随时可以排到凝器。
48、填空题 内冷水进水温度高报警值为()℃、低报警值为()℃;内冷水回水温度高报警值是()℃,达到()℃时应立即停机。
点击查看答案
本题答案:48-50、40-42、85、85
本题解析:试题答案48-50、40-42、85、85
49、问答题 什么叫湿饱和蒸汽、干饱和蒸汽、过热蒸汽?
点击查看答案
本题答案:在水达到饱和温度后,如定压加热,则饱和水开始汽化,在水
本题解析:试题答案在水达到饱和温度后,如定压加热,则饱和水开始汽化,在水没有完全汽化之前,含有饱和水的蒸汽叫湿饱和蒸汽。
湿饱和蒸汽继续在定压条件下加热,水完全汽化成蒸汽时的状态叫干饱和蒸汽。
干饱和蒸汽继续定压加热,蒸汽温度上升而超过饱和温度时,就变成过热蒸汽。
50、判断题 选用螺母材料时,其硬度应高于螺栓。
点击查看答案
本题答案:错
本题解析:暂无解析
51、名词解释 调节系统的速度变动率
点击查看答案
本题答案:单机运行调节系统空负荷所对应的转速与额定负荷时所对应的
本题解析:试题答案单机运行调节系统空负荷所对应的转速与额定负荷时所对应的转速的变化值与额定转速之比称之为速度变动率。
52、问答题 什么叫发电厂的疏、放水系统?
点击查看答案
本题答案:发电厂的疏、放水系统是全面性热力系统中不可缺少的一个组
本题解析:试题答案发电厂的疏、放水系统是全面性热力系统中不可缺少的一个组成部分,疏水的来源有:冷态蒸汽管道的暖管疏水,蒸汽长期滞在某管段或附件中积水,蒸汽经过较冷的管段或部件的凝结水,蒸汽带水或减温减压器喷水过量等。若蒸汽管道中聚集有凝结水,运行时会引起水击,使管道或设备发生振动,严重时可使设备损坏或管道破裂。若水进入汽轮机,还会损坏叶片,直至被迫停机。为此,必须及时地将蒸汽管道中的疏水排泄。用于收集和疏泄全厂疏水的管道系统及其设备,组成了发电厂的疏水系统。
锅炉汽包和各种水箱的放、溢水以及设备检修时其中合格的凝结水需排放,为减少工质损失,溢放水的回收系统即全厂放水系统。实际上放水是和全厂的疏水一起考虑的,总称为发电厂的疏、放水系统。
53、单项选择题 变压器自动喷淋装置必须()进行一次试验。
A、半年
B、一年
C、两年
点击查看答案
本题答案:B
本题解析:暂无解析
54、判断题 单头螺纹的导程与螺距是不相等的。
点击查看答案
本题答案:错
本题解析:暂无解析
55、单项选择题 其它条件不变,主蒸汽温度升高时,蒸汽在机内有效焓降()。
A.增加
B.减小
C.不变
点击查看答案
本题答案:A
本题解析:暂无解析
56、问答题 什么叫汽轮机组的故障和事故?
点击查看答案
本题答案:汽轮发电机组的正常运行方式遭到各种破坏的情况,统称故障
本题解析:试题答案汽轮发电机组的正常运行方式遭到各种破坏的情况,统称故障;凡正常运行的工况遭到破坏,被迫降低设备出力,减少或停止了对外供电,或造成设备损坏,人身伤亡时称为事故。
57、填空题 安全阀是一种保证()的阀门。
点击查看答案
本题答案:设备安全
本题解析:试题答案设备安全
58、判断题 液力耦合器的输出转速是通过控制勺管的卸油量来达到的。
点击查看答案
本题答案:对
本题解析:暂无解析
59、问答题 冷油器的工作原理?
点击查看答案
本题答案:冷油器由上水室、壳体、管系和下水室组成,两个壳体间用三
本题解析:试题答案冷油器由上水室、壳体、管系和下水室组成,两个壳体间用三通阀联结,使两台冷油器呈并联,一台运行,一台备用。冷油器运行时,油先经过三通阀,从壳体下部进入,经由中间开大孔的大隔板,沿着大、小隔板交替流向中心或四周,使油在管系中呈曲折运行,油在流动中与冷却水管内的水进行热交换,经过24个流程后,被冷却的油从上部排出,再经过三通阀,进入润滑油系统,冷却水由下水室进入,经过4个流程后,仍由下水室排出。
60、判断题 对管道及其附件进行水压试验时,试验压力应等于管道压力。
点击查看答案
本题答案:错
本题解析:暂无解析
61、填空题 事故疏水扩容器温度达()时联锁开启事故疏水减温水门。
点击查看答案
本题答案:60℃
本题解析:试题答案60℃
62、判断题 汽轮机正常运行中蒸汽在汽轮机内膨胀作功,将热能转换为机械能,同时又以导热方式将热量传给汽缸、转子等金属部件。
点击查看答案
本题答案:错
本题解析:暂无解析
63、单项选择题 凝结器铜管结垢可造成()
A、传热减弱,管壁温度升高
B、传热减弱,管壁温度降低
C、传热增强,管壁温度升高
点击查看答案
本题答案:A
本题解析:暂无解析
64、问答题 什么叫凝结水的过冷度?过冷度大有哪些原因?
点击查看答案
本题答案:在凝汽器压力下的饱和温度减去凝结水温度称为&ldquo
本题解析:试题答案在凝汽器压力下的饱和温度减去凝结水温度称为“过冷却度”。从理论上讲,凝结水温度应和凝汽器的排汽压力下的饱和温度相等,但实际上各种因素的影响使凝结水温度低于排汽压力下的饱和温度。
出现凝结水过冷却的原因有:
a)凝汽器构造上存在缺陷,管束之间蒸汽没有足够的通往凝汽器下部的通道,使凝结水自上部管子流下,落到下部管子上面再度冷却。而遇不到汽流加热,则当凝结水流至热水井中时造成过冷却度大。
b)凝汽器水位高,以致部分铜管被凝结水淹没而产生过冷却。
c)凝汽器汽侧漏空气或抽气器设备运行不良,造成凝汽器内蒸汽分压力下降而引起过冷却。
d)凝汽器铜管破裂,凝结水内漏入循环水(此时凝结水质严重恶化,如硬度超标等)。
e)凝汽器冷却水量过多或水温过低。
65、填空题 为了合理有效地利用过热蒸汽的热量,把加热器内的空间分成()三部分。
点击查看答案
本题答案:过热蒸汽冷却段、凝结段、疏水冷却段
本题解析 :试题答案过热蒸汽冷却段、凝结段、疏水冷却段
66、多项选择题 凝汽器水位升高淹没铜管时,将使凝结水()。
A、过冷度增大;
B、过冷度减小;
C、真空降低;
D、真空升高。
点击查看答案
本题答案:A, C
本题解析:暂无解析
67、单项选择题 压容图(p-V图)上某一线段表示为()
A.某一确定的热力状态;
B.一个特定的热力状态;
C.一个热力循环;
D.某一非确定的热力状态。
点击查看答案
本题答案:B
本题解析:暂无解析
68、判断题 管道检修工作前,检修管道的疏水阀必须打开,以防止阀门不严密时,泄漏的水或蒸汽积聚在检修的管道内。
点击查看答案
本题答案:对
本题解析:暂无解析
69、问答题 凝汽器水位升高的象征有哪些?
点击查看答案
本题答案:1)水位计指示偏大;
2)凝结水泵入口真空降
本题解析:试题答案1)水位计指示偏大;
2)凝结水泵入口真空降低;
3)凝结水过冷度增大;
4)凝汽器真空降低。
70、判断题 冷态启动,转子外表面将受到拉伸应力。
点击查看答案
本题答案:错
本题解析:暂无解析
71、问答题 围带汽封的作用是什么?
点击查看答案
本题答案:为防止蒸汽在叶片顶端间隙中的泄漏,在叶片围带处安置了径
本题解析:试题答案为防止蒸汽在叶片顶端间隙中的泄漏,在叶片围带处安置了径向围带汽封,同时在叶片进汽侧顶部及根部安置了轴向汽封。
72、问答题 汽缸和转子的胀差为什么还能成负数?
点击查看答案
本题答案:汽轮机转子在一般情况下,其膨胀大于汽缸的膨胀,故胀差常
本题解析:试题答案汽轮机转子在一般情况下,其膨胀大于汽缸的膨胀,故胀差常出现正值。但是在负荷下降或汽轮机过水(包括主蒸汽温度下降时),转子收缩很快,汽缸收缩慢,因而使胀差出现负值。另外,在汽轮机热态启动时,如果主蒸汽温度低于汽缸和转子的温度,进入汽轮机内使转子收缩,胀差也可能出现负值。
73、单项选择题 真空缓慢下降,一般对机组的安全()。
A.威胁很大
B.没有影响
C.威胁不太大
点击查看答案
本题答案:C
本题解析:暂无解析
74、填空题 高加启动时,只有高加汽侧压力()除氧器压力和克服沿程阻力时才能倒向除氧器。
点击查看答案
本题答案:高于
本题解析:试题答案高于
75、问答题 凝汽器运行中注意事项?
点击查看答案
本题答案:⑴凝汽器最高工作温度≤80℃;
⑵凝结
本题解析:试题答案⑴凝汽器最高工作温度≤80℃;
⑵凝结水过冷度≤2℃;
⑶凝汽器两组管束循环冷却水的出口温度差≤2℃;
⑷凝汽器传热端差≤7~12℃,须大于2.8℃;
⑸凝汽器水位保持在正常水位标高±76mm;
⑹凝结水溶氧≤30μg/l,无硬度,氢电导率≤0.2μs/cm,超标时应及时查漏。
76、问答题 定子线圈冷却水进、出水管联络管起何作用?阀门处于什么状态?
点击查看答案
本题答案:联络管将发电机本体内总进水管和总出水管在顶部连接,起排
本题解析:试题答案联络管将发电机本体内总进水管和总出水管在顶部连接,起排气作用,还可防止发电机线圈内形成虹吸,使进出水压力降低。排气管直接与水箱相连,阀门保持稍常开。
77、问答题 采用调速给水泵有什么优点?
点击查看答案
本题答案:(1)锅炉给水系统简单。
(2)操作方便,调
本题解析:试题答案(1)锅炉给水系统简单。
(2)操作方便,调节可靠,便于实现锅炉给水全程调节自动化。
(3)效率高,减少节流损失。
(4)降低给水管道阻力,提高机组给水管、附件及高压加热器的运行可靠性。
(5)适应于变动负荷,节省厂用电。
(6)通过调速改变给水流量和压力,适应机组起停和负荷变化,便于滑压运行。
(7)给水调节质量高,降低了给水调节阀前后压差,阀门使用寿命长。
78、判断题 热态启动时,要先抽真空后送轴封,送轴封时先送低压轴封,待轴封处冒汽后,再送高压轴封。
点击查看答案
本题答案:错
本题解析:暂无解析
79、填空题 蒸汽的对流放热系数要比凝结放热系数()。
点击查看答案
本题答案:小
本题解析:试题答案小
80、判断题 除氧器以外的回热加热器普遍采用表面式加热器,其主要原因是传热效果好
点击查看答案
本题答案:错
本题解析:暂无解析
81、填空题 要供两台以上并列运行的泵在系统中运行达到各自最佳工况点,调节水泵流量的两条途径是改变()特性或改变()特性。
点击查看答案
本题答案:泵;管道阻力
本题解析:试题答案泵;管道阻力
82、名词解释 加热器的上端差(传热端差)
点击查看答案
本题答案:指加热器的加热蒸汽压力下的饱和温度与加热器的给水出口温
本题解析:试题答案指加热器的加热蒸汽压力下的饱和温度与加热器的给水出口温度之差。
83、填空题 机组负荷()时,中压主汽门后的疏水阀自动关闭。
点击查看答案
本题答案:大于20%
本题解析:试题答案大于20%
84、单项选择题 任何一个SOE输入信号都可同时作为一个()DI输入信号,进入DCS系统的数据库使用。
A、DI;
B、DO;
C、AI;
D、AO。
点击查看答案
本题答案:A
本题解析:暂无解析
85、问答题 改变水泵运行工况的方法有哪几种?
点击查看答案
本题答案:改变水泵运行工况即改变水泵工作点,可以用两种方法,一是
本题解析:试题答案改变水泵运行工况即改变水泵工作点,可以用两种方法,一是改变泵本身的性能曲线,二是改变管路特性曲线。改变泵本身性能曲线的方法有变速调节、动叶调节、汽蚀调节等;
改变管路特性曲线的方法有出口节流调节。介于两者之间的还有进口节流调节,既改变管路的特性曲线,也改变泵本身的性能曲线。
86、单项选择题 电缆廊道内,应每()划分防火隔段。
A、20米
B、40米
C、60米
点击查看答案
本题答案:C
本题解析:暂无解析
87、问答题 氢侧油箱介绍。
点击查看答案
本题答案:油箱容积0.122.52m3,油位允许值±
本题解析:试题答案油箱容积0.122.52m3,油位允许值±45mm;工作油位基准:箱体中心线;最低允许油位中心线下100mm,也是报警值。
88、填空题 工作转速高于临界转速的汽轮机转子称为(),这种转子在启动过程中有临界转速出现。
点击查看答案
本题答案:挠性转子
本题解析:试题答案挠性转子
89、填空题 DEH画面上,GV的颜色由黄变红是因为()。
点击查看答案
本题答案:调门的指令与反馈偏差>5%
本题解析:试题答案调门的指令与反馈偏差>5%
90、单项选择题 单位体积气体中所含的粉尘(),称为气体中的粉尘浓度。
A、数量
B、质量
C、占有量
D、容量
点击查看答案
本题答案:B
本题解析:暂无解析
91、问答题 什么叫再热循环?采用中间再热循环的目的是什么?
点击查看答案
本题答案:再热循环就是把汽轮机高压缸内已经做了部分功的蒸汽在引入
本题解析:试题答案再热循环就是把汽轮机高压缸内已经做了部分功的蒸汽在引入到锅炉的再热器,重新加热 ,使蒸汽温度又提高到初温度,然后再引回汽轮机中、低压缸内继续做功,最后的乏汽排入凝汽器的一种循环。
采用再热循环的目的有两个:
降低终湿度:由于大型机组的初压p1的提高,使排汽湿度增加,对汽轮机的末级叶片侵蚀增大。虽然提高初温度可以降低湿度,但是提高初温度受金属材料耐温性能的限制,因此对终湿度改善较少:采用中间再热循环有利于终湿度的改善,使得终湿度将到容许的范围内,减轻湿蒸汽对叶片的冲蚀,提高低压部分的内效率。
提高热效率;采用中间再热循环,正确的选择再热压力后,循环效率可以提高4%~5%。
92、问答题 危急遮断油门、手动危急遮断油门及磁力断路油门的共同特点是什么?
点击查看答案
本题答案:它们的共同特点是:当滑阀动作时,通往主汽门的安全油立即
本题解析:试题答案它们的共同特点是:当滑阀动作时,通往主汽门的安全油立即泄掉,使主汽门关闭,同时高压油迅速通往高、中、低压油动机错油门下的关闭器,将滑阀推到上限位置,关闭调节汽阀及旋转隔板而停机。
93、问答题 什么叫压力级?
点击查看答案
本题答案:除了调节级以外,其他各级称为非调节级或压力级。压力级是
本题解析:试题答案除了调节级以外,其他各级称为非调节级或压力级。压力级是以利用级组中合理分配的压力降和焓降为主的级,是单列冲动级或反动级。
94、问答题 发生汽轮机主蒸汽管道破裂时应如何处理?
点击查看答案
本题答案:1)启动交流油泵,按紧急停机处理。
2)切断
本题解析:试题答案1)启动交流油泵,按紧急停机处理。
2)切断发生故障部分的汽管,并同时开启汽机室的窗户放出蒸汽。
注意切勿乱跑,防止被汽流吹伤或烫伤。
95、判断题 除氧器滑压运行时,在汽轮机负荷降低过程中,其除氧效果不会变化。
点击查看答案
本题答案:错
本题解析 :暂无解析
96、填空题 为防止水内冷发电机因断水引起定子绕组()而损坏,所装设的保护叫()。
点击查看答案
本题答案:超温、断水保护
本题解析:试题答案超温、断水保护
97、问答题 汽封的作用是什么?根据其位置可分为几类?
点击查看答案
本题答案:为了避免汽轮机动静之间的碰撞,必须留有适当的间隙,这些
本题解析:试题答案为了避免汽轮机动静之间的碰撞,必须留有适当的间隙,这些间隙的存在就会导致漏汽,就必须加装密封装置—汽封。
根据汽封位置可分为:轴端汽封、隔板汽封和围带汽封。
98、问答题 什么是凝汽器的端差?运行中减小端差有哪些措施?
点击查看答案
本题答案:汽轮机排汽温度与凝汽器循环冷却水出口温度的差值称为凝汽
本题解析:试题答案汽轮机排汽温度与凝汽器循环冷却水出口温度的差值称为凝汽器的端差。
也就是凝汽器压力下的饱和温度与凝汽器冷却水温度之差。称为端差。
运行中减小凝汽器的端差的措施有;
(1)尽可能的保持凝汽器传热面的清洁、干净。列如运行中投入胶球清洗系统,检修时要用机械或水力方法捅刷、清洗凝汽器传热面,以及结垢严重时酸洗等。
(2)在冷却水中加入一些化学药品,以杀死冷却水中的微生物,减少一些澡类物质在传热表面的附着、繁衍;进一步的处理是除去水中的一些盐类物质,减少结垢。
(3)维持真空系统的严密性,减少漏空气。真空严密性试验不合格时,就要设法找出并消除漏空气点。
(4)抽气器应维持在正常、高效的状态下工作,以使凝戚器中的空气水品尽量维持在低限。
(5)端差增加的原因;有1;凝汽器铜管水侧或汽侧结垢;2;凝汽器汽侧漏入空气;3;冷却水管堵塞;4;冷却水量减少等。
99、填空题 热态启动先送汽封,后抽真空,主要防止()。
点击查看答案
本题答案:汽封段轴颈骤冷
本题解析:试题答案汽封段轴颈骤冷
100、问答题 对加热器验收和试运行有哪些要求?
点击查看答案
本题答案:1)水位稳定;
2)保护装置动作正常;
本题解析:试题答案1)水位稳定;
2)保护装置动作正常;
3)各操作机构灵活无卡涩;
4)各管道截门、加热器本体严密无泄漏;
101、问答题 为什么漏气的水泵会出现不出水的现象?
点击查看答案
本题答案:在负压下运行的水泵,由于泵的入口压力低于外界大气压力,
本题解析:试题答案在负压下运行的水泵,由于泵的入口压力低于外界大气压力,空气会从泵的不严密处漏入泵内部。泵在设计工况下工作时,漏入的气体占有的比例小,所以不易失水;反之,空气所占的比例增加,这时液体比重降低,液体在泵中获得的离心力减少,流量、扬程下降。流量减小,影响越大,当出口扬程低于母管压力或空气在泵中积聚较多时,水泵就打不出水来
102、问答题 凝结水泵为什么要有空气管?
点击查看答案
本题答案:凝结水泵是在高度的真空下把水从凝汽器抽出,所以进水管法
本题解析:试题答案凝结水泵是在高度的真空下把水从凝汽器抽出,所以进水管法兰盘和盘根较容易漏入空气。同时进入的水中也可能带有空气。因此把水泵吸入管与热井蒸汽空间相连,使泵在启动与运行时,顺此管抽出水中分离出的空气,以及经过某一不严密的地方偶尔漏入泵内的空气,以免影响水泵运行。水泵运行期间,必须使水泵与凝汽器之间的这一空气管的阀门保持在稍微开启的状态。
103、填空题 凝结水泵易汽化的原因是由于()。
点击查看答案
本题答案:泵在真空条件下工作,输送的是饱和温度的水
本题解析:试题答案泵在真空条件下工作,输送的是饱和温度的水
104、问答题 自动主汽门的结构主要分哪两部分?
点击查看答案
本题答案:自动主汽门通常都由油压控制和操纵座(也叫主汽门油动机、
本题解析:试题答案自动主汽门通常都由油压控制和操纵座(也叫主汽门油动机、自动关闭器等)和主汽门门体两部分给成。
105、单项选择题 汽轮主油箱的作用是()。
A.贮油
B.分离水分
C.贮油和分离水分、空气杂物和沉淀物
点击查看答案
本题答案:C
本题解析:暂无解析
106、问答题 可采用几种方法来平衡汽轮机的轴向推力?
点击查看答案
本题答案:(1)、设置平衡活塞。
(2)、高中压缸反向
本题解析:试题答案(1)、设置平衡活塞。
(2)、高中压缸反向布置,低压缸对称分流布置。
(3)、叶轮上开平衡孔。
(4)、安装推力轴承。
107、问答题 汽轮机热态启动冲转时,出现差胀下降的原因是什么?
点击查看答案
本题答案:热态启动时,汽轮机差胀还比较大,出现差胀下降的主要原因
本题解析:试题答案热态启动时,汽轮机差胀还比较大,出现差胀下降的主要原因是汽轮 机冲转参数不合格,使进入汽轮机的蒸汽温度低于汽缸金属温度,造成转子冷却,使差胀下降。冲转一般以高旁前蒸汽温度为准,即使此温度合格,由于高旁前至汽轮机主汽门还有一段距离,存有冷蒸汽,汽轮机冲转后,这段冷蒸汽进入汽缸,也会使汽轮机差胀下降。
108、问答题 凝汽器内水位太高,为什么会影响真空?
点击查看答案
本题答案:1)凝汽器水位太高淹没到凝汽器两侧空气室及空气管时,就
本题解析:试题答案1)凝汽器水位太高淹没到凝汽器两侧空气室及空气管时,就使凝汽器内空气无法抽出。空气在凝汽器内越积越多,影响排汽不能及时凝结。
2)凝汽器水位太高就减少了冷却面积,影响了热交换,因此凝汽器水位太高要影响真空。
109、问答题 给水所含的氧有哪些来源?
点击查看答案
本题答案:1)开口疏水箱的表面直接与大气接触而溶入气体。
本题解析:试题答案1)开口疏水箱的表面直接与大气接触而溶入气体。
2)由于汽轮机的真空系统不严密,空气漏入凝汽器内。
3)凝结水在凝汽器内存在过冷度。
4)往给水系统内补充化学水时带入的溶解气体。
110、名词解释 错油门的过封度
点击查看答案
本题答案:时指错油门活塞高度大于进汽孔高度的数值。
本题解析:试题答案时指错油门活塞高度大于进汽孔高度的数值。
111、问答题 什么是调节系统的静反馈?
点击查看答案
本题答案:反馈作用是随着油动机移动时产生的,而且在油动机运行停止
本题解析:试题答案反馈作用是随着油动机移动时产生的,而且在油动机运行停止后并不消失。这种反馈称为静反馈。
112、问答题 凝结水过冷却有什么危害?
点击查看答案
本题答案:凝结水过冷却造成以下结果
a)凝结水过冷却,
本题解析:试题答案凝结水过冷却造成以下结果
a)凝结水过冷却,使凝结水易吸收空气,结果使凝结水的含氧量增加,加快设备管道系统的锈蚀,降低了设备使用的安全性和可靠性。
b)影响发电厂的热经济性,因为凝结水温度低,在除氧器加热就要多耗抽汽量,在没有给水回热加热系统中,凝结水每冷却7℃,相当于发电厂的热经济性降低1℅。
113、单项选择题 循环水量不变的情况下,凝汽器端差随负荷上升而增大,这是因为()。
A、在单位冷却面积和单位时间内热交换增强的结果。
B、凝汽器内漏入空气的结果。
C、凝汽器冷却水管脏污的结果。
点击查看答案
本题答案:A
本题解析:暂无解析
114、问答题 开机时为什么要用高压主汽门冲转升速?
点击查看答案
本题答案:⑴蒸汽室指主汽门后、高调门前的蒸汽室,蒸汽室应在低压下
本题解析:试题答案⑴蒸汽室指主汽门后、高调门前的蒸汽室,蒸汽室应在低压下加热,若在高压下加热,因蒸汽(对应)饱和温度较高,蒸汽室内壁金属温度在未得到充分加热前低于该饱和温度,形成水滴,不利于加热。2900/min前用主汽门冲转升速,高压区在主汽门前,而主汽门前已得到很好的疏水预热;
⑵主汽门控制其实是主汽门内的预启阀控制,2900/min前,冲转用汽量较少,若用高调门控制转速,节流太多,对高调门的保护、对转速的稳定都有影响。
115、问答题 喷嘴调节凝汽式汽轮机调节和末级的危险工况分别是什么工况?为什么?
点击查看答案
本题答案:1)调节级的危险工况是第一调节阀全开,第二调节阀尚未开
本题解析:试题答案1)调节级的危险工况是第一调节阀全开,第二调节阀尚未开启时的工况。因此时,调节级的焓降为最大,通过第一喷嘴组的流量也为最大。因此当动叶转到第一喷嘴组后所受到的作用力最大,所以此工况为调节级的危险工况。
2)级的危险工况是机组最大负荷下的运行工况,因为此时末级的流量为最大,并且末级的焓降随流量增加而地大。所以流量最大时,焓降也为最大,因此该工况下蒸汽对动叶的作用为最大,最危险。
116、填空题 机内氢压升高时,空侧油压(),主差压调节阀开度()。
点击查看答案
本题答案:随之升高;减小
本题解析:试题答案随之升高;减小
117、问答题 水泵汽化有什么现象?其原因是什么?
点击查看答案
本题答案:水泵汽化的现象:进出口压力表指针剧烈摆动,电流表读数明
本题解析:试题答案水泵汽化的现象:进出口压力表指针剧烈摆动,电流表读数明显下降,泵内有异音或水击声,流量接近于零。
原因:进口水位过于低或水温过高,入口管阀门故障或堵塞使供水不足,水泵负荷太低或启动时节迟迟不开启再循环门,入口管路或阀门盘根漏入空气。
118、填空题 轴封汽应该在停机()后退出运行。
点击查看答案
本题答案:真空破坏到零
本题解析:试题答案真空破坏到零
119、填空题 当润滑冷却水进水压力低于()MpA值,循泵将自动闭锁,无法启动。
点击查看答案
本题答案:0.12
本题解析:试题答案0.12
120、填空题 汽机挂闸后检查TV开度为(),()全开,设阀限为()后,按ST(1)RT键使GV全开,应打闸汽机,检查GV、IV、RSV迅速关闭。
点击查看答案
本题答案:0%;IV、RSV;120%
本题解析:试题答案0%;IV、RSV;120%
121、问答题 什么叫温差启动?为什么应尽量避免负温差启动?
点击查看答案
本题答案:当冲转时蒸汽温度低于汽轮机最热部位金属温度的启动为负温
本题解析:试题答案当冲转时蒸汽温度低于汽轮机最热部位金属温度的启动为负温差启动。因为负温差启动时,转子与汽缸先被冷却,而后又被加热,经历一次热交变循环,从而增加了机组疲劳寿命损耗。如果蒸汽温度过低,则将在转子与汽缸内壁产生过大的拉应力,而拉应力较压应力更容易引起金属裂纹,并会硬气汽缸变形,使动静间隙改变,严重时会产生动静摩擦事故,此外,热态、极热态汽轮机负温差启动,使汽轮机金属温度下降,加负荷时间必须相应延长,因此一般不采用负温差启动。
122、填空题 高压内缸内壁上下温差大于()℃时,不得冲车。
点击查看答案
本题答案:35
本题解析:试题答案35
123、填空题 除氧器启动时,稍开除氧器的辅助汽源门,进行加热,控制加热 速度()℃/min。及时调整排氧门开度,保证给水含氧量小于()ug/L。当汽轮机供除氧器抽汽压力大于()MPa时,切除氧器汽源为自供,开始滑压运行。
点击查看答案
本题答案:1.5—2.0、7、0.25
本题解析:试题答案1.5—2.0、7、0.25
124、填空题 离心泵不允许带负荷启动,否则()将损坏设备。
点击查看答案
本题答案:启动电流大
本题解析:试题答案启动电流大
125、填空题 主机润滑油系统中,注油器产生的低压油分为三路:()。
点击查看答案
本题答案:一路作主油泵的进口油;一路作发电机的低压备用密封油;另一路经
本题解析:试题答案一路作主油泵的进口油;一路作发电机的低压备用密封油;另一路经冷油器后供至支持轴承、推力轴承、顶轴油泵入口和盘车装置作润滑油
126、单项选择题 汽机运行中,当发现凝结泵流量增加,电流增加,除氧器水阀开度没变,真空有所增加时,应判断为()。
A.低加铜管泄漏
B.备用凝结水泵逆止门不严向凝结器内返水
C.凝结器铜管泄漏
点击查看答案
本题答案:C
本题解析:暂无解析
127、问答题 热态启动冲转必须具备什么条件?
点击查看答案
本题答案:1、主再热蒸汽温度高于汽缸最高温度值50~100℃,且
本题解析:试题答案1、主再热蒸汽温度高于汽缸最高温度值50~100℃,且过热度不低于50℃。
2、转子弯曲值在允许范围内。
3、汽缸上下壁温差在允许范围内。
4、高中低压胀差在允许范围内。
5、具备滑参数启动的其他条件。
128、问答题 凝汽器可分为几类?表面式凝汽器的构造由哪些部件组成?
点击查看答案
本题答案:凝汽器可分为表面式和混合式两大类。表面式凝汽器的构造由
本题解析:试题答案凝汽器可分为表面式和混合式两大类。表面式凝汽器的构造由外壳、水室、管板、冷却水管与汽轮机排汽口连接处的补偿装置和支架等部件组成。
129、填空题 汽轮机脱扣后在转子转速未到零即重新挂闸,DEH即自动设()为目标转速。
点击查看答案
本题答案:挂闸时转子转速
本题解析:试题答案挂闸时转子转速
130、填空题 表面式加热器由于金属受热面存在(),给水不可能加热到对应压力下的饱和温度,因此它不可避免地存在着端差。
点击查看答案
本题答案:热阻
本题解析:试题答案热阻
131、问答题 分析调门单阀运行方式与顺序阀运行方式的优缺点?
点击查看答案
本题答案:单阀优点——全周进汽,加热、受
本题解析:试题答案单阀优点——全周进汽,加热、受力均匀,允许负荷变化率较大。
单阀缺点——在部分负荷时,所有的调门都未全开,节流损失大,效率低。
顺序阀优点——只有一个调门处于未全开状态而存在节流损失,所以节流损失较小,效率高。
顺序阀缺点——部分喷嘴进汽,加热、受力不均匀,允许负荷变化速度较慢。
132、判断题 加热器蒸汽温度与给水出口温度差愈小,加热器工作愈完善。
点击查看答案
本题答案:对
本题解析:暂无解析
133、填空题 凝汽器铜管胀口轻微泄露,凝结水硬度增大,可在循环水进口侧或在胶球清洗泵加球室加(),使()吸服在铜管胀口处,从而堵住胀口泄漏点。
点击查看答案
本题答案:锯末、锯末
本题解析:试题答案锯末、锯末
134、判断题 按传热方式划分,除氧器属于混合式加热器。
点击查看答案
本题答案:对
本题解析:暂无解析
135、填空题 汽轮机并网带负荷后,蒸汽参数提高,流速增大,蒸汽放热系数增大,此时可适当减小蒸汽的()。
点击查看答案
本题答案:温升率
本题解析:试题答案温升率
136、问答题 预防油系统着火应采取哪些措施?
点击查看答案
本题答案:1)厂房不存放易燃物品,保持地面清洁,汽轮机周围畅通不
本题解析:试题答案1)厂房不存放易燃物品,保持地面清洁,汽轮机周围畅通不要堆放杂物。
2)汽轮机检修后,渗漏在地面上的油及各处的棉纱应处理干净,渗油的保温层应予更换。
3)靠近蒸汽管道或其它高温设备的高压油管法兰应装设铁皮罩盒。油系统附近的高温设备和管道应有完整的保温并包铁皮或玻璃丝布涂油漆,必要时装设防火隔层。
4)油系统在安装检修中,其法兰结合面要求采用隔电纸,青壳纸或耐高温的石棉橡胶板做垫料,严禁使用塑料垫和橡皮垫。
5)当调节系统发生大幅度摆动或机组油管发生振动时,应及时检查油系统,发现漏油时及时处理。
137、判断题 发电机密封油系统中的油氢自动跟踪调节装置是在氢压变化时自动调节密封油压的。
点击查看答案
本题答案:对
本题解析:暂无解析
138、问答题 电加热何时停用?
点击查看答案
本题答案:当#1、2电加热串联运行时,#2加热器在#1加热器之后
本题解析:试题答案当#1、2电加热串联运行时,#2加热器在#1加热器之后,所以#2加热器出口温度要高于#1加热器。当#2加热器出口温度按规定须降至150℃左右时,可以停用#2加热器,将#1加热器出口温度提高至150℃左右,这样可以节约厂用电。缺点是若#1加热器跳闸,而又未及时发现,环境温度的冷风将被送进汽缸。若两台加热器投用,假如#1加热器跳闸,在经过短时温降和自动调整后,#2加热器出口温度还可稳定在150℃左右;假如#2加热器跳闸,进入汽缸的风温是#1加热器出口温度,虽然风温不符合规定,但要比环境温度的冷风直接进汽缸好些。当然也可两台加热器同时使用至最后,快冷停用时再同时停用加热器。
139、问答题 除氧器排气门的大小如何确定?
点击查看答案
本题答案:除氧器在运行中,其排气门开度一定时,除氧器内的压力大小
本题解析:试题答案除氧器在运行中,其排气门开度一定时,除氧器内的压力大小决定了排汽量的大小,压力低时,排汽量减少,塔内汽流流速降低对除氧不利。压力高时排汽量增大,此时塔内汽流速度增大,加大了对细水流的破碎作用,对除氧有利,但增大了工质和热量的损失,因此除氧器排汽门应开度合理,一般通过试验来确定。
140、填空题 汽轮机转子发生低温脆性断裂事故的必要和充分条件有两个:一是在低于()以下工作,二是具有()或临界裂纹。
点击查看答案
本题答案:脆性转变温度、临界应力
本题解析:试题答案脆性转变温度、临界应力
141、问答题 试述CCS二级控制的简况。
点击查看答案
本题答案:CCS整个系统采用上下二级控制。上位级即协调控制级,它
本题解析:试题答案CCS整个系统采用上下二级控制。上位级即协调控制级,它具有5种运行方式,各种运行方式之间可有运行人员进行无扰切换,又可根据机炉运行连锁条件进行无扰切换,以期达到最佳的运行效益。
142、问答题 凝结水导电度大的原因有哪些?
点击查看答案
本题答案:凝汽器铜管泄漏;软化水水质不合格;汽水品质恶化;低负荷
本题解析:试题答案凝汽器铜管泄漏;软化水水质不合格;汽水品质恶化;低负荷运行等。
143、问答题 纵销一般装在何处?它起什么作用?
点击查看答案
本题答案:多装在低压汽缸排汽室的支撑面,前轴承座的底部,双缸汽轮
本题解析:试题答案多装在低压汽缸排汽室的支撑面,前轴承座的底部,双缸汽轮机中间轴承的底部等和基础台板的接合面间。所有纵销均在汽轮机的纵向中心线上。纵销可保证汽轮机沿纵向中心线自由膨胀,并保证汽缸中心线不能作横向滑移。因此,纵销中心与横向中心线的交点形成整个汽缸的膨胀死点,在汽缸膨胀时,这点始终保持不动。
144、问答题 说明冲动式汽轮机的基本工作原理。
点击查看答案
本题答案:具有一定压力和温度的蒸汽进入喷嘴后,由于喷嘴截面形状沿
本题解析:试题答案具有一定压力和温度的蒸汽进入喷嘴后,由于喷嘴截面形状沿汽流方向变化,使蒸汽的压力、温度降低,比体积增大,流速增加。即蒸汽在喷嘴中膨胀加速,热能转变成动能。具有较高速度的蒸汽由喷嘴流出,进入动叶片流道,在弯曲的动叶片流道内改变汽流方向,蒸汽给动叶片以冲动力,产生了使叶片旋转的力矩,带动轴旋转,输出机械功,将动能转变成机械能。
91exam .org
145、填空题 汽轮机严禁在()送轴封。
点击查看答案
本题答案:汽机转子静止时
本题解析:试题答案汽机转子静止时
146、判断题 采用中间再热循环的目的是降低末几级蒸汽湿度和提高循环的热效率。
点击查看答案
本题答案:对
本题解析:暂无解析
147、判断题 汽轮机的启、停过程是一个稳定的导热过程。
点击查看答案
本题答案:错
本题解析:暂无解析
148、填空题 转速超过危急保安器()转速,而保护未动作,应执行紧急停机。
点击查看答案
本题答案:动作
本题解析:试题答案动作
149、问答题 简述真空异常处理原则。
点击查看答案
本题答案:(1)发现真空下降,对照排汽缸温度迅速查找原因及时处理
本题解析:试题答案(1)发现真空下降,对照排汽缸温度迅速查找原因及时处理,并汇报值长。
(2)真空下降时,检查当时有无影响真空下降的操作,若有应立即停止或恢复原运行状态。
(3)不得解除低真空限制保护。
(4)当真空降至65KPa(排汽绝对压力14.7KPa)时,启动备用水环真空泵。
(5)当真空降至60KPa时,低真空限制保护动作,真空每下降1KPa(绝对压力升高1KPa)减负荷50MW。
(6)当真空下降至55KPa(绝对压力升至19.7KPa),发真空低报警信号,低真空保护动作,否则手动停机。
150、判断题 汽轮机的汽缸、隔板、喷嘴、轴承都属汽轮机的静止部分。
点击查看答案
本题答案:对
本题解析:暂无解析
151、问答题 汽轮机主蒸汽温度降低时要注意监视什么?
点击查看答案
本题答案:发现主蒸汽温度降低时,要注意监视推力瓦温度、轴向位移、
本题解析:试题答案发现主蒸汽温度降低时,要注意监视推力瓦温度、轴向位移、汽轮机的相对胀差和机组振动等,若某一项超过规定,应按事故处理规程处理。
152、填空题 汽机负荷升至30%时应检查()三冲量自动投入。
点击查看答案
本题答案:汽包水位
本题解析:试题答案汽包水位
153、问答题 汽轮机叶片断落的象征是什么?
点击查看答案
本题答案:(1)汽轮机内或凝汽器内产生突然的声响。
(
本题解析:试题答案(1)汽轮机内或凝汽器内产生突然的声响。
(2)机组突然振动增大或抖动。
(3)当叶片损坏较多时,在同样负荷下蒸汽流量增加,调速汽门开大。
(4)凝结水导电度增大,凝汽器水位升高,凝结泵电流增大等。
(5)断片可能进入抽汽管道造成逆止门卡涩等。
(6)在停机惰走或盘车状态听到金属摩擦声。
154、问答题 低旁闭锁条件有哪些?
点击查看答案
本题答案:(1)凝汽器热井水位高I值;
(2)凝汽器真
本题解析:试题答案(1)凝汽器热井水位高I值;
(2)凝汽器真空低至88KpA;
(3)凝结水压力小于1.7MpA;
(4)低压缸排汽温度高达80℃。
155、填空题 表面式凝汽器主要由()、()、管板、以及()组成。
点击查看答案
本题答案:外壳、水室端盖、冷却水管
本题解析:试题答案外壳、水室端盖、冷却水管
156、填空题 通常汽轮机上汽缸温度高于下汽缸,上汽缸变形大于下汽缸,引起汽缸向上拱起,发生热翘曲变形,俗称()。
点击查看答案
本题答案:猫拱背
本题解析:试题答案猫拱背
157、单项选择题 汽轮机润滑油压低于()时,自动跳闸。
A.0.048MpA
B.0.5MpA
C.0.2MpA
点击查看答案
本题答案:A
本题解析:暂无解析
158、单项选择题 机组起动前连续盘车时间执行制造厂的有关规定,并不少于(),热态起动不少于4小时。
A、1-3小时
B、2-4小时
C、3-5小时
点击查看答案
本题答案:B
本题解析:暂无解析
159、单项选择题 当电网侧故障导致FCB时,若FCB成功,则单元机组带()负荷运行。
A、5%;
B、15%;
C、20%;
D、30%。
点击查看答案
本题答案:A
本题解析:暂无解析
160、问答题 汽轮机调节系统中的调速器按工作原理可分为哪几类?
点击查看答案
本题答案:可分为三类,即离心机械式、液压式、电子式。
本题解析:试题答案可分为三类,即离心机械式、液压式、电子式。
161、填空题 汽轮机通流部分发出异音,或者在瞬间发生清晰的金属声,应()。
点击查看答案
本题答案:破坏真空紧急停机
本题解析:试题答案破坏真空紧急停机
162、问答题 危急保安器充油试验装置的作用是什么?
点击查看答案
本题答案:由于机组强度关系,超速试验不宜多做。为了确保超速遮断装
本题解析:试题答案由于机组强度关系,超速试验不宜多做。为了确保超速遮断装置正常,又避免过多地进行机组超速试验,大、中型机组都在危急保安器上加装充油试验装置,以便在正常运行中进行活动试验和起动时不超速做试验。
163、问答题 汽轮机严重超速时应如何处理?
点击查看答案
本题答案:1)立即手打危急保安器,破坏真空,紧急停机,并检查调速
本题解析:试题答案1)立即手打危急保安器,破坏真空,紧急停机,并检查调速汽门,自动主汽门,抽汽逆止门是否关闭,否则应设法关闭。
2)如转速仍然上升时,迅速关闭电动隔离门及抽汽电动门。
164、填空题 汽轮机单阀控制,所有高压调门开启方式相同,各阀开度(),特点是()、()。
点击查看答案
本题答案:一样、节流调节、全周进汽
本题解析:试题答案一样、节流调节、全周进汽
165、问答题 什么叫冷却水的正常温度和最高温度?
点击查看答案
本题答案:冷却水的正常温度就是凝汽器热力计算时,设计人员根据厂址
本题解析:试题答案冷却水的正常温度就是凝汽器热力计算时,设计人员根据厂址水源长年平均温度选定的冷却水设计温度。
冷却水的最高温度是汽轮机的进汽参数正常,制造厂保证机组能带额定负荷长期运行的冷却水温度最高允许值。
166、填空题 凝汽器隔绝时,使用二次滤网放水门会()放水时间,但前提是凝汽器出口大水门必须打开,水放净后,再关闭出口大水门。
点击查看答案
本题答案:缩短
本题解析:试题答案缩短
167、判断题 汽轮机甩负荷后转速上升,但未引起危急保安器动作即为甩负荷试验合格。
点击查看答案
本题答案:对
本题解析:暂无解析
168、判断题 汽轮机抽汽参数越高发电经济性越好。
点击查看答案
本题答案:错
本题解析:暂无解析
169、判断题 在梯子上使用电气工具,应做好防止触电坠落的安全措施。
点击查看答案
本题答案:对
本题解析:暂无解析
170、名词解释 转子波桑效应
点击查看答案
本题答案:转子在高速旋转时受离心力的作用,使转子发生径向和轴向的
本题解析:试题答案转子在高速旋转时受离心力的作用,使转子发生径向和轴向的变形,即大轴在离心力的作用下变粗变短,这种现象叫转子波桑效应。也叫回转效应。
171、填空题 电运机铭牌的温升是指()的允许温升。
点击查看答案
本题答案:定子线圈
本题解析:试题答案定子线圈
172、问答题 什么叫喷嘴弧?
点击查看答案
本题答案:采用喷嘴调节配汽方式的汽轮机第一级喷嘴,通常根据调节汽
本题解析:试题答案采用喷嘴调节配汽方式的汽轮机第一级喷嘴,通常根据调节汽门的个数成组布置,这些成组布置的喷嘴称为喷嘴弧段,简称喷嘴弧。
173、问答题 提高水蒸汽的初参数和降低终参数受到哪些客观条件限制?
点击查看答案
本题答案:1)提高初温受到村料耐温性能的限制;提高初压将引起乏汽
本题解析:试题答案1)提高初温受到村料耐温性能的限制;提高初压将引起乏汽干度下降,水份增加,将引起汽轮机中最后几级叶片的侵蚀,缩短使用寿命,并能引起汽轮机振动。
2)降低终压,使排汽比容增大,导致汽轮机尾部尺寸加大。另外降低终压还会引起排汽干度下降,这也是不利的。
174、问答题 运行中产生凝结水过冷度的原因?
点击查看答案
本题答案:1、积存空气;
2、热井水位过高;
本题解析:试题答案1、积存空气;
2、热井水位过高;
3、凝汽器钛管破裂,循环水漏入凝结水;
4、冷却水量过多或进水温度过低。
175、单项选择题 同步器改变汽轮机转速的范围一般为额定转速的()。
A.﹣2%~+5%;
B.﹣3%~+5%;
C.﹣4%~+6%;
D.﹣5%~+7%。
点击查看答案
本题答案:D
本题解析:暂无解析
176、问答题 低旁在何种情况下快开?
点击查看答案
本题答案:汽机处于未挂闸状态、旁路在BYPASSOFF状态下,中
本题解析:试题答案汽机处于未挂闸状态、旁路在BYPASSOFF状态下,中主门前压力≥0.05MPa,低旁自动调节开启(LBP在“手动”方式下),压力低于0.05MPa时自动关闭。旁路投入时低旁减压阀快开必须是在“自动”方式下,在“手动”方式下不会快开。高旁快开低旁不一定跟着快开,低旁快开是根据再热汽压力,此压力若超过了根据调节级压力(负荷)算得的再热汽压力,则低旁快开。
177、填空题 当给水泵冷态启动一般采用()的暖泵方式。
点击查看答案
本题答案:正暖
本题解析:试题答案正暖
178、问答题 汽轮机停止前的准备工作是什么?
点击查看答案
本题答案:1)试验交流油泵和直流油泵是否正常,不正常不允许停机。
本题解析:试题答案1)试验交流油泵和直流油泵是否正常,不正常不允许停机。
2)试验盘车装置是否正常。
3)活动自动主汽阀,其动作应灵活无卡涩现象。
4)准备好必要的工具,停机操作票以及做好各岗位间的联系。
179、单项选择题 某电厂有两台16.5MPa、535℃的汽轮发电机组,该电厂属于()
A、超高压电厂
B、亚临界电厂
C、临界电厂
点击查看答案
本题答案:B
本题解析:暂无解析
180、单项选择题 由调节系统静态特性曲线可知,电负荷的提高意味着汽轮发电机的()。
A、转速提高
B、转速降低
C、转速不变
点击查看答案
本题答案:B
本题解析:暂无解析
181、单项选择题 压力表检定时,当示值达到测量上限后,需切断压力源,耐压()min
A、1;
B、3;
C、5;
D、7。
点击查看答案
本题答案:B
本题解析:暂无解析
182、填空题 当温度变化时,如果零件上各点的温度是均匀的,并且零件可以自由膨胀或收缩,则即使有热变形零件也不会产生()。
点击查看答案
本题答案:热应力
本题解析:试题答案热应力
183、问答题 离心式水泵为什么不允许在出口门关闭状态下长时间运行?
点击查看答案
本题答案:一般离心式水泵的特性是:流量越小,出口压力越高,耗功越
本题解析:试题答案一般离心式水泵的特性是:流量越小,出口压力越高,耗功越小,所以出口门关闭情况下电动机耗功最小,对电动机运行无影响,但此时水泵耗功大部分转变为热能,使泵中液体温度升高,发生汽化,这会导致离心泵损坏。一般规定离心式水泵在出口门关闭情况下运行时间不超过2分钟。
184、判断题 两个隔板套之间,通常是机组抽汽口所在位置。
点击查看答案
本题答案:对
本题解析:暂无解析
185、名词解释 瓢偏度
点击查看答案
本题答案:指转子固定部件端平面与轴心不垂直的程度。
本题解析:试题答案指转子固定部件端平面与轴心不垂直的程度。
186、填空题 密封油的主要作用是(),同时起到(),()作用。
点击查看答案
本题答案:密封氢气、润滑、冷却
本题解析:试题答案密封氢气、润滑、冷却
187、问答题 集控室采用自动方式启动循泵的步骤?
点击查看答案
本题答案:1、将循泵房循泵启动切换开关置“自动启动&
本题解析:试题答案1、将循泵房循泵启动切换开关置“自动启动”位置,集控室BTG盘循泵联锁切换开关置“自动启动”。
2、与循泵值班员联系确认循泵启动前的检查准备工作结束具备启动条件后,循泵值班员到达现场并与集控保持联系,准备随时报告循泵出口蝶阀开度,集控室副值在BTG盘上按循泵出口蝶阀“开”操作按钮,检查CRT循环水系统画面上出口蝶阀呈间断闪烁状态,当出口蝶阀达15%开度时(循泵房控制室控制盘上出口蝶阀15%信号灯亮)则联锁启动循泵且出口蝶阀继续开启至全开,在启动过程应保持与循泵房联系并严密监视循环水系统运行情况,若发生异常及时进行处理。
188、单项选择题 自汽轮机保护系统动作到主汽门完全关闭的时间通常要求不大于()。
A.0.9~1.0秒
B.0.5~0.8秒
C.0.85~0.95秒
D.0.5~0.75秒
点击查看答案
本题答案:B
本题解析:暂无解析
189、问答题 影响凝汽器端差的因素有哪些?
点击查看答案
本题答案:凝汽器的结构,管子表面清洁度,循环冷却水的流量和流速、
本题解析:试题答案凝汽器的结构,管子表面清洁度,循环冷却水的流量和流速、进口温度,机组负荷,真空系统的严密性等
190、填空题 轴承按其受力方式可分为()和()。
点击查看答案
本题答案:支持轴承;推力轴承
本题解析:试题答案支持轴承;推力轴承
191、填空题 氢气的优点是氢气的(),风扇作功所消耗的能量小。氢气的导热系数(),能有效地将热量传给冷却器。比较易制造。
点击查看答案
本题答案:密度小、大
本题解析:试题答案密度小、大
192、填空题 机组启动时可通过()炉水泵注水,但不得(),炉水泵注水结束后,()应及时关闭。
点击查看答案
本题答案:输送泵和凝泵向;两路并列注水;注水门
本题解析:试题答案输送泵和凝泵向;两路并列注水;注水门
193、问答题 为什么通常主汽门都是以油压开启,而以弹簧力来关闭?
点击查看答案
本题答案:这是因为在任何事故情况下,包括在油源断绝时,自动主汽门
本题解析:试题答案这是因为在任何事故情况下,包括在油源断绝时,自动主汽门仍应能迅速关闭。所以一般主汽门都是设计成以弹簧力来关闭的。为了可靠起见,一般还采用双弹簧结构。
为了有足够大的关闭力及关闭快速,一般在主汽门全关时,弹簧对主汽门还有5000~8000KN的压缩力。
194、问答题 高、低加随机启、停的含义,随机启停和正常启停有什么不同?
点击查看答案
本题答案:高、低加随机启动(除氧器除外)是指主机在2040r/m
本题解析:试题答案高、低加随机启动(除氧器除外)是指主机在2040r/min时,高、低加通水,旁路门关闭,开启高、低加抽汽电动门,高、低加随机投入运行。
随机停用是指停机前各高、低加不停用,在汽轮机脱扣后,各级抽汽电动门自动关闭,各加热器自动停用。
正常启、停是升降负荷至30~40MW时,依次投入(停用)#3、2、1(#1、2、3)高加,低加均随机启、停。
随机启、停的经济性和安全性均好于正常启、停,但随机启、停要求危急疏水要动作正确可靠,#3高加30MW负荷以下容易跳闸。
195、判断题 水冷却器冷却水侧的压力应高于被冷却的纯净水侧的压力。
点击查看答案
本题答案:错
本题解析:暂无解析
196、名词解释 喷嘴调节
点击查看答案
本题答案:进入汽轮机的新蒸汽经过几个依次开、关的调速汽门,每个调
本题解析:试题答案进入汽轮机的新蒸汽经过几个依次开、关的调速汽门,每个调速汽门控制一组喷嘴,根据负荷的大小来确定调速汽门的开启数目。
197、问答题 汽轮机起动调试的目的是什么?
点击查看答案
本题答案:根据起动方式和要求可以分为两类:第一类是新建机组在安装
本题解析:试题答案根据起动方式和要求可以分为两类:第一类是新建机组在安装工作结束之后的起动调试,目的是使发电设备最终投入运行,形成生产能力并对机组的设计、制造及安装质量进行最后的鉴定。第二类是运行机组在正常大修后的起动调试。目的是鉴定检修质量和调整运行工况,以达到机组的正常运行。
198、填空题 汽轮机转子在离心力作用下变粗,变短,该现象称作()或()。
点击查看答案
本题答案:回转效应、泊桑效应
本题解析:试题答案回转效应、泊桑效应
199、填空题 当高加未投入运行时,冷再管道三个疏水阀处于()状态。
点击查看答案
本题答案:开启
本题解析:试题答案开启
200、判断题 水泵轴端密封一般有填料密封、机械密封、浮动环密封、迷宫密封等形式。
点击查看答案
本题答案:对
本题解析:暂无解析
题库试看结束后
微信扫下方二维码即可打包下载完整版《★集控值班员考试》题库
手机用户可保存上方二维码到手机中,在微信扫一扫中右上角选择“从相册选取二维码”即可。
题库试看结束后微信扫下方二维码即可打包下载完整版《集控值班员考试:汽机运行》题库,分栏、分答案解析排版、小字体方便打印背记!经广大会员朋友实战检验,此方法考试通过率大大提高!绝对是您考试过关的不二利器!
手机用户可保存上方二维码到手机中,在微信扫一扫中右上角选择“从相册选取二维码”即可。
微信搜索关注"91考试网"公众号,领30元,获取公务员事业编教师考试资料40G