手机用户可
保存上方二维码到手机中,在
微信扫一扫中右上角选择“从
相册选取二维码”即可。
1、单项选择题 在公共场所施工,应有安全措施,悬挂()、安全标志,并配有礼貌用语。
A、警告牌
B、工期倒计时牌
C、提示标志
D、施工单位标志
点击查看答案
本题答案:D
本题解析:暂无解析
2、问答题 《供电服务规范》中电力需求侧管理的概念?
点击查看答案
本题答案:通过采取有效的激励措施,引导电力用户改变用电方式,提高
本题解析:试题答案通过采取有效的激励措施,引导电力用户改变用电方式,提高终端用电效率,优化资源配置,改善和保护环境,实现最小社会成本电力服务所进行的用电管理活动。
3、单项选择题 《供电监管办法》规定,供电企业应当对用户受电工程建设提供必要的();发现用户受电设施存在严重威胁电力系统安全运行和人身安全的隐患时,应当指导其立即消除,在隐患消除前不得送电。
A.业务咨询
B.技术标准咨询
C.业务咨询和技术标准咨询
D.帮助和服务
点击查看答案
本题答案:C
本题解析:暂无解析
4、问答题 《国家电网公司供电服务规范》规定仪容仪表规范是什么?
点击查看答案
本题答案:(1)供电服务人员上岗必须统一着装,并佩戴工号牌;本题解析:试题答案(1)供电服务人员上岗必须统一着装,并佩戴工号牌;
(2)保持仪容仪表美观大方,不得浓妆艳抹,不得敞怀、将长裤卷起,不得戴墨镜。
5、单项选择题 《供电监管办法》规定,用电设施产生谐波、冲击负荷影响供电质量或者干扰电力系统安全运行的,供电企业应当及时告知用户采取有效措施予以消除;用户不采取措施或者采取措施不力,产生的谐波、冲击负荷仍超过国家标准的,供电企业可以按照国家有关规定拒绝其接入电网或者()。
A.限制负荷
B.终止供电
C.中止供电
D.终止合同
点击查看答案
本题答案:C
本题解析:暂无解析
6、问答题 馈线自动化有哪两种实现方式?比较它们的实现方法和优缺点。
点击查看答案
本题答案:馈线自动化有当地控制方式和远方控制方式两种实现方式。当地控制
本题解析:试题答案馈线自动化有当地控制方式和远方控制方式两种实现方式。当地控制方式是依靠智能配电开关设备(重合器和分段器等)间的相互配合来实现故障区域自动隔离和健全区域自动恢复供电的功能;远方控制方式是通过通信网络及配电子站把户外分段开关处的柱上FTU和配电网控制中心的SCADA计算机系统连接起来,由计算机系统完成故障定位,然后以遥控方式隔离故障区域,恢复非故障区域供电。
当地控制方式具有结构简单,建设费用低,不需要建设通信网络,不存在电源提取问题等优点,但它具有以下缺点:只在线路发生故障时起作用,正常运行时不能起监控作用,因而不能优化运行方式;调整运行方式后,需要重新到现场修改元件整定值;恢复健全区段供电时,无法采取安全和最佳措施;需要经过多次重合,对设备的冲击大。
远方控制方式具有以下优点:在故障时隔离故障区域,正常时监控配网运行,可以优化运行方式,实现安全经济运行;适应灵活的运行方式;恢复健全区段供电时,可以采取安全和最佳措施;可以和GIS、MIS等联网,实现全局信息化。但它具有结构复杂,建设费用高,需要建设通信网络,存在电源提取问题等缺点。
7、问答题 熔断器的主要功能是什么?什么是“限流”式熔断器?
点击查看答案
本题答案:熔断器的主要功能是对电路及其设备进行短路或过负荷保护。“限流
本题解析:试题答案熔断器的主要功能是对电路及其设备进行短路或过负荷保护。“限流”式熔断器是指熔断器的灭弧能力很强,灭弧速度很快,能在短路电流未达到冲击值以前完全熄灭电弧。
8、单项选择题 需要加电压闭锁的母差保护,所加电压闭锁环节应加在()。
A.母差各出口回路
B.母联出口
C.母差总出口
点击查看答案
本题答案:A
本题解析:暂无解析
9、填空题 《供电监管办法》规定,供电企业违反《供电监管办法》规定,没有能力对其供电区域内的用户提供供电服务并造成严重后果的,电力监管机构可以()或者()电力业务许可证,指定其他供电企业供电。
点击查看答案
本题答案:变更;吊销
本题解析:试题答案变更;吊销
10、填空题 电厂供电负荷与综合用电负荷的差别是前者包括()。
点击查看答案
本题答案:网络损耗
本题解析:试题答案网络损耗
11、问答题 《供电营业规则》规定:用户重要负荷的保安电源,可由供电企业提供,也可由用户自备。遇有什么情况,保安电源应由用户自备?
点击查看答案
本题答案:用户重要负荷的保安电源,可由供电企业提供,也可由用户自
本题解析:试题答案用户重要负荷的保安电源,可由供电企业提供,也可由用户自备。遇有下列情况之一者,保安电源应由用户自备;
(1)在电力系统瓦解或不可抗力造成供电中断时,仍需保证供电的;
(2)用户自备电源比从电力系统供给更为经济合理的供电企业向有重要负荷的用户提供的保安电源,应符合独立电源的条件。有重要负荷的用户在取得供电企业供给的保安电源的同时,还应有非电性质的应急措施,以满足安全的需要。
12、填空题 《供电监管办法》规定,电力监管机构对供电企业公平、无歧视开放供电市场的情况实施监管。供电企业不得对趸购转售电企业符合国家规定条件的输配电设施,()或者()接入系统。
点击查看答案
本题答案:拒绝;拖延
本题解析:试题答案拒绝;拖延
13、单项选择题 根据国家电网公司供电服务规范要求,为客户提供服务时,应礼貌、谦和、热情是对员工的()规范。
A、基本道德
B、诚信服务
C、行为举止
D、仪容仪表
点击查看答案
本题答案:C
本题解析:暂无解析
14、问答题 电力系统无功电源有哪些?无功补偿的措施有哪些?
点击查看答案
本题答案:电力系统无功电源主要有:
同步发电机、调相机
本题解析:试题答案电力系统无功电源主要有:
同步发电机、调相机、电容器、静止无功补偿器以及线路的充电功率。
无功补偿的措施有:
利用同步发电机进行补偿、利用调相机进行补偿、利用电容器进行补偿和利用静止补偿器进行补偿。
15、填空题 《供电服务规范》中规定,用电检查人员在执行用电检查任务时,应当为用户(),不得在检查现场()进行电工作业。
点击查看答案
本题答案:保密;替代用户
本题解析:试题答案保密;替代用户
16、单项选择题 发电机失磁后,带有功负荷的多少与()无关。
A、发电机的调整特性
B、汽轮机的调速特性
C、发电机异步力矩特性
点击查看答案
本题答案:A
本题解析:暂无解析
17、问答题 什么叫短路?
点击查看答案
本题答案:短路是指电力系统正常情况以外的一切相与相之间或相与地之间发生
本题解析:试题答案短路是指电力系统正常情况以外的一切相与相之间或相与地之间发生通路的情况。
18、问答题 请述国家电网公司制定《国家电网公司供电服务规范》的目的和适用范围?
点击查看答案
本题答案:目的是为坚持“人民电业为人民”
本题解析:试题答案目的是为坚持“人民电业为人民”的服务宗旨,认真贯彻“优质、方便、规范、真诚”的服务方针,不断提高供电服务质量,规范供电服务行为,提升供电服务水平,并接受全社会的监督,制定本规范。适用于国家电网公司所属各电网经营企业和供电企业。
19、问答题
某工厂车间380V线路上接有冷加工机床50台,共200kW;吊车3台,共4.5kW(£=15%);通风机8台,每台3kW;电焊变压器4台,每台22kVA(£=65%,
);空压机1台,55kW。试确定该车间的计算负荷。
点击查看答案
本题答案:
试题答案
20、单项选择题 中阻沆型母线差动保护在母线内部故障时,保护装置整组动作时间不大于()ms。
A.5
B.10
C.20
D.30
点击查看答案
本题答案:B
本题解析:暂无解析
21、填空题 《供电监管办法》规定,电力监管机构依法履行职责,可以采取下列措施:进行现场检查:进入()进行检查;询问供电企业的工作人员,要求其对有关()作出说明。对检查中发现的(),可以当场予以纠正或者要求限期改正。
点击查看答案
本题答案:供电企业;检查事项;违法行为
本题解析:试题答案供电企业;检查事项;违法行为
22、问答题 什么叫过电流继电器的动作电流、返回电流和返回系数?
点击查看答案
本题答案:能使电流继电器产生动作的最小电流,称为继电器的动作电流;能使
本题解析:试题答案能使电流继电器产生动作的最小电流,称为继电器的动作电流;能使电流继电器返回到原始位置的最大电流,称为继电器的返回电流;同一继电器的返回电流与动作电流的比值,称为电流继电器的返回系数。
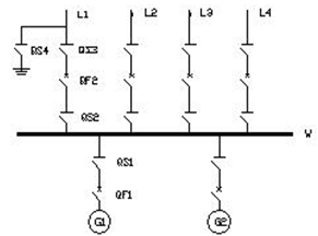
23、填空题 输电线路的电气参数包括电抗、电导、电纳和()。
点击查看答案
本题答案:电阻
本题解析:试题答案电阻
24、填空题 《国家电网公司供电服务规范》中规定,严格保密制度,尊重客户意愿,满足客户()请求,为投诉举报人做好()。
点击查看答案
本题答案:匿名;保密工作
本题解析:试题答案匿名;保密工作
25、问答题 《国家电网公司供电服务规范》中对用电检查人员到客户用电现场执行任务有何规定?
点击查看答案
本题答案:(1)用电检查人员依法到客户用电现场执行用电检查任务时
本题解析:试题答案(1)用电检查人员依法到客户用电现场执行用电检查任务时,必须按照《用电检查管理办法》的规定,主动向被检查客户出示《用电检查证》,并按“用电检查工作单”确定的项目和内容进行检查;
(2)用电检查人员不得在检查现场替代客户进行电工作业。
26、填空题 《供电服务规范》中规定,自收到用户变更的文件和资料起,审核后的受电工程设计文件和有关资料如有变更,供电企业复核的期限应当符合:低压供电用户一般不超过();高压供电用户一般不超过()。
点击查看答案
本题答案:5个工作日;15个工作日
本题解析:试题答案5个工作日;15个工作日
27、问答题 《供电服务规范》中要求申请用电的用户需要提供哪些用电工程项目批准的文件及有关的用电资料?
点击查看答案
本题答案:供电企业用电针对不同用户,按照依法、高效、便民的原则,
本题解析:试题答案供电企业用电针对不同用户,按照依法、高效、便民的原则,要求申请用电的用户需要提供用电工程项目批准的文件及有关的用电资料,包括用电地点、电力用途、用电性质、用电设备清单、用电负荷、用户自备应急电源、用电规划、特殊要求等。
28、问答题 1月30日客户王先生向供电公司申请动力用电。供电公司业扩报装人员组织了现场勘查,并确定了供电方案。2月3日,施工完毕并验收合格。办理完相关手续后,装表人员于2月6日领表出库,但由于工作疏忽,2月18日方完成装表接电工作,王先生对此表示不满,2月19日打进95598进行投诉。通过以上案例,请分析:
3)有哪些意见和建议?
点击查看答案
本题答案:(1)全面建立优质服务保障机制。以满足客户需要为供电服
本题解析:试题答案(1)全面建立优质服务保障机制。以满足客户需要为供电服务的出发点,围绕客户需求,供电服务一线工作人员要规范行为,杜绝各类服务不良服务事件。
(2)强化规章制度的落实工作,加大规章制度执行的监督考核,认真执行各项服务规章制度,严格遵守供电服务规范,不断提升供电服务规范化水平。
29、问答题 倒闸操作的基本要求是什么?
点击查看答案
本题答案:倒闸操作的基本要求是:合闸送电时,先合上隔离开关,再合上断路
本题解析:试题答案倒闸操作的基本要求是:合闸送电时,先合上隔离开关,再合上断路器;跳闸断电时,先断开断路器,再断开隔离开关。
30、单项选择题 《供电监管办法》规定,供电企业应当按照国家有关规定选择、安装、校验电压监测装置,监测和统计用户电压情况。监测数据和统计数据应当及时、()、完整。
A.及时
B.真实
C.完整
D.有效
点击查看答案
本题答案:B
本题解析:暂无解析
31、单项选择题 供电系统短路故障中,发生概率最大的短路类型为()
A、三相短路
B、两相短路
C、两相接地短路
D、单相短路
点击查看答案
本题答案:A
本题解析:暂无解析
32、单项选择题 通常所说的太阳能热发电指的是()。
A、太阳热能直接发电
B、太阳热能间接发电
C、光伏发电
点击查看答案
本题答案:B
本题解析:暂无解析
33、问答题 国家电网公司供电服务“十项承诺”中装表接电期限?
点击查看答案
本题答案:装表接电期限:受电工程检验合格并办结相关手续后,居民客
本题解析:试题答案装表接电期限:受电工程检验合格并办结相关手续后,居民客户3个工作日内送电,非居民客户5个工作日内送电。
34、多项选择题 《中华人民共和国合同法》规定可以解除合同的条件有()。
A.因不可抗力致使不能实现合同目的
B.在履行期限届满之前,当事人明确表示不履行主要债务
C.当事人迟延履行主要债务
D.当事人一方延迟履行债务或者其他违法行为,致使不能实现合同目的
E.在履行期限届满之前,当事人以自己行为表明不履行主要债务
点击查看答案
本题答案:A, B, D, E
本题解析:暂无解析
35、问答题 某降压变电所装有一台Y,yn0联结的S9—800/10型电力变压器,其二次侧(380V)的有功计算负荷为520kW,无功计算负荷为430kvar,试求此变电所一次侧的计算负荷和功率因数。如果功率因数未达到0.9,问应在此变电所低压母线上装多大并联电容器容量才能达到要求?
点击查看答案
本题答案:
试题答案

36、问答题 试比较架空线路和电缆线路的优缺点。
点击查看答案
本题答案:架空线路与电缆线路相比,具有投资少、易于维修和建设工期
本题解析:试题答案架空线路与电缆线路相比,具有投资少、易于维修和建设工期短等优点,但容易遭受雷击和风雨等自然灾害的侵袭 ,且它需要占用大片土地作出线走廊,有时会影响交通、建筑和市容等;电缆线路具有运行可靠、不易受外力和自然环境的影响、不占地面空间和不影响市容等优点,但投资大、建设工期长、维修不便。
37、填空题 电缆线路在爆炸危险环境内,电缆间不应()。
点击查看答案
本题答案:直接连接
本题解析:试题答案直接连接
38、单项选择题 《供电监管办法》规定,()应当审核用电设施产生谐波、冲击负荷的情况,按照国家有关规定拒绝不符合规定的用电设施接入电网。
A.用电企业
B.发电企业
C.供电企业
D.电力管理部门
点击查看答案
本题答案:C
本题解析:暂无解析
39、问答题 《供电服务规范》中对“95598服务内容”有何规定?
点击查看答案
本题答案:(1)“95598”客户服务热
本题解析:试题答案(1)“95598”客户服务热线:停电信息公告、电力故障报修、服务质量投诉、用电信息查询、咨询、业务受理等;
(2)“95598”客户服务网页(网站):停电信息公告、用电信息查询、业务办理信息查询、供用电政策法规查询、服务质量投诉等;
(3)24小时不间断服务。
40、填空题 《供电监管办法》规定,35千伏非专线供电用户或者66千伏供电用户、10()千伏供电用户,每()千瓦负荷选择具有代表性的用户设置()个以上电压监测点,所选用户应当包括对供电质量有较高要求的()用户和变电站10()千伏母线所带具有代表性线路的()用户。
点击查看答案
本题答案:6、20;10000;1;重要电力;6、20;末端
本题解析:试题答案6、20;10000;1;重要电力;6、20;末端
41、问答题 母线截面积的选择方法有哪些?什么叫经济电流密度?
点击查看答案
本题答案:选择母线截面积的方法有两种:按最大长期工作电流选择、按
本题解析:试题答案选择母线截面积的方法有两种:按最大长期工作电流选择、按经济电流密度选择两种。能使电能损耗小,又不致过分增加线路投资和维护管理费用的导体截面积,此截面称为经济截面积。导体单位经济面积通过的电流称为经济电流密度。
42、填空题 《供电服务规范》中规定,供电企业应当依据有关法律法规办理用户的新装用电、()、()。
点击查看答案
本题答案:增加用电容量;变更用电业务
本题解析:试题答案增加用电容量;变更用电业务
43、填空题 《供电营业规则》规定,用户需要备用、保安电源时,供电企业应按其()、()和(),与用户协商确定。
点击查看答案
本题答案:负荷重要性;用电容量;供电的可能性
本题解析:试题答案负荷重要性;用电容量;供电的可能性
44、填空题 电力供应方法和形式,一般依据()、()以及()的供电能力等原因素确定。
点击查看答案
本题答案:国家的有关政策;用户的用电需求;电力系统
本题解析:试题答案国家的有关政策;用户的用电需求;电力系统
45、填空题 《供电企业信息公开实施办法》供电企业信息公开应当遵循()、()、()的原则,并对本企业发布的信息内容负责。
点击查看答案
本题答案:真实准确;规范及时;便民利民
本题解析:试题答案真实准确;规范及时;便民利民
46、单项选择题 电力系统中负荷的变化将引起频率的变化,当负荷变化幅度大、周期长引起的频率偏移将由()进行调整。
A、发电机组的调频器
B、发电机组的调速器
C、发电机励磁电流
D、系统无功补偿装置
点击查看答案
本题答案:A
本题解析:暂无解析
47、填空题 《供电营业规则》规定,用户需要的电压等级在()干伏及以上时,其受电装置应作为终端变电站设计,方案需经()企业审批。
点击查看答案
本题答案:110;省电网经营
本题解析:试题答案110;省电网经营
48、问答题 某电力用户10kV母线的有功计算负荷为1200kW,自然功率因数为0.65,现要求提高到0.90,试问需装设多少无功补偿容量?如果用BW10.5—40—1W型电容器,问需装设多少个?装设以后该厂的视在计算负荷为多少?比未装设时的视在计算负荷减少了多少?
点击查看答案
本题答案:
试题答案
49、单项选择题 电气设备发生绝缘击穿,外壳带电,容易造成人身触电,为防止这种事故的发生,最可靠、最有效的办法是采用()。
A、保护性接地
B、保持安全距离
C、装设安全标志
点击查看答案
本题答案:A
本题解析:暂无解析
50、单项选择题 《供电监管办法》规定,在电力系统正常的情况下,城市地区年供电可靠率不低于()。
A.98%
B.99%
C.98.9%
D.99.9%
点击查看答案
本题答案:B
本题解析:暂无解析
51、问答题 变电站综合自动化的结构形式有哪几种?各有什么特点?
点击查看答案
本题答案:变电站综合自动化系统的结构形式可分为集中式、分布集中式和分层
本题解析:试题答案变电站综合自动化系统的结构形式可分为集中式、分布集中式和分层分散式。集中式综合自动化系统具有结构紧凑,体积小,占地面积小,造价低等特点,但运行可靠性较差,组态不灵活;分布集中式集中了分布式的全部优点,节省了大量控制电缆,减少了主控室的占地面积,可靠性高,组态灵活,检修方便;分层分散模块化结构具有软件相对简单、调试维修方便、组态灵活、系统整体可靠性高等特点。
52、单项选择题 《供电监管办法》规定,供电企业应当按照国家有关规定加强重要电力用户安全供电管理,指导()配置和使用自备应急电源。
A.所有电力用户
B.一般电力用户
C.重要电力用户
D.高压电力用户
点击查看答案
本题答案:C
本题解析:暂无解析
53、问答题 跳跃闭锁继电器如何起到防跳作用?
点击查看答案
本题答案:防跳继电器有两个线圈,电流线圈为起动线圈,接在跳闸线圈YR之
本题解析:试题答案防跳继电器有两个线圈,电流线圈为起动线圈,接在跳闸线圈YR之前;电压线圈为自保持线圈,通过自身的常开触点KLB1-2接入合闸回路。若控制开关手柄在“合闸”位置,恰好此时断路器合闸于永久故障线路线路上,断路器QF自动跳闸,同时防跳继电器KLB(I)起动,触点KLB1-2闭合,使KLB(U)线圈带电,起自保持作用。这样,可使触点KLB3-4始终处于断开位置,合闸接触器线圈KO不会再次起动,从而使断路器QF不会出现多次连续跳、合闸的跳跃现象,保证了断路器不会因跳跃而损坏。
54、问答题 微机保护有哪些算法?
点击查看答案
本题答案:微机保护中采用的算法很多,但可归纳为两类。一类是根据输
本题解析:试题答案微机保护中采用的算法很多,但可归纳为两类。一类是根据输入电气量的若干采样点通过一定的数学式或方程式计算出保护所反映的量值,然后与整定值进行比较;另一类算法是不计算具体量值,而是根据若干采样点值与整定值相结合,直接建立保护动作方程来判断是否在保护动作区内。常用的第一类算法有两点乘积算法、半周积分算法、傅氏算法、最小二乘方算法、微分方程算法等;常用的第二类算法有负序分量算法、继电器特性算法、相电流突变算法等。
55、填空题 因()引起停电,客户询问时,应告知客户停电原因,并主动致歉。
点击查看答案
本题答案:输配电设备事故、检修
本题解析:试题答案输配电设备事故、检修
56、单项选择题 消弧线圈在运行时,如果消弧的抽头满足XL=XC的条件时,这种运行方式称()。
A.过补偿;
B.欠补偿;
C.全补偿;
D.不补偿。
点击查看答案
本题答案:C
本题解析:暂无解析
57、问答题 某变电所装有一台S9—3150/35型的三相双绕组变压器,额定电压为35/10.5kV,试求变压器的阻抗及导纳参数,并作出其等效电路。
点击查看答案
本题答案:
试题答案
58、填空题 《供电监管办法》规定,供电企业不得自立项目或者自定();对国家已经明令取缔的收费项目,不得向用户收取费用。
点击查看答案
本题答案:标准收费
本题解析:试题答案标准收费
59、填空题 减小输出电元件的电抗将()系统的静态稳定性。
点击查看答案
本题答案:提高
本题解析:试题答案提高
60、单项选择题 《供电监管办法》规定,供电企业应当审核用电设施产生谐波、冲击负荷的情况,按照国家有关规定()不符合规定的用电设施接入电网。
A.协助
B.允许
C.拒绝
点击查看答案
本题答案:C
本题解析:暂无解析
61、单项选择题 《国家电网公司供电服务规范》第十一条规定:客户在营业窗口办理用电业务的等候时间不超过20分钟,交费时间不超过()分钟。
A.30
B.20
C.3
D.5
点击查看答案
本题答案:D
本题解析:暂无解析
62、问答题 重合器的结构性能与断路器有何不同?
点击查看答案
本题答案:重合器是一种自身具有控制及保护功能的开关设备。它能进行故障电
本题解析:试题答案重合器是一种自身具有控制及保护功能的开关设备。它能进行故障电流检测和按预先整定的分合操作次数自动完成分合操作,并在动作后能自动复位或闭锁。
63、填空题 《供电服务规范》中规定,供电服务热线电话应当具备录音功能,电话录音至少应当保留()
点击查看答案
本题答案:3个月
本题解析:试题答案3个月
64、填空题 电力系统的无功功率电源,除了发电机外,还有()、静电电容器及静止补偿器。
点击查看答案
本题答案:同步调相机
本题解析:试题答案同步调相机
65、填空题 《供电营业规则》规定,如因供电企业供电能力不足或政府规定限制的用电项目,供电企业可通知用户()。
点击查看答案
本题答案:暂缓办理
本题解析:试题答案暂缓办理
66、填空题 降压变压器高压侧的主分接头电压为220kv,若选择+2×2.5%的分接头,则该分接头电压为()。
点击查看答案
本题答案:231KV
本题解析:试题答案231KV
67、填空题 《供电服务规范》中指出,趸购转售电企业是一类特殊用户。其中,趸购转售指从()趸购电能,再向其()的用户售电的经营方式。
点击查看答案
本题答案:大电网;营业区内
本题解析:试题答案大电网;营业区内
68、填空题 《供电服务规范》中规定,因供电设施计划检修需要停电的,供电企业应当提前()公告()、()、(),并通知(),同时做好相关记录。
点击查看答案
本题答案:7日;停电区域;停电线路;停电时间;重要电力用户
本题解析:试题答案7日;停电区域;停电线路;停电时间;重要电力用户
69、单项选择题 在母差保护中,中间变流器的误差要求,应比主电流互感器严格,一般要求误差电流不超过最大区外故障电流的()。
A.3%
B.4%
C.5%
点击查看答案
本题答案:D
本题解析:暂无解析
70、问答题 《供电服务规范》中规定,因用户违约用电、违章用电和拖欠电费,供电企业需对用户中止供电的,应当符合哪些要求?
点击查看答案
本题答案:(1)将停电的用户、原因、时间报本单位负责人批准;本题解析:试题答案(1)将停电的用户、原因、时间报本单位负责人批准;
(2)在停电前3至7天内,将停电通知书送达用户,对重要用户的停电,还应将停电通知书报送同级电力管理部门;
(3)在停电前30分钟,将停电时间再通知用户一次,方可在通知规定时间实施停电。
71、问答题 避雷针、避雷线和避雷网(带)各用在什么场合?
点击查看答案
本题答案:避雷针主要用于保护发电厂、变电站及其他独立的建筑物;避雷线主
本题解析:试题答案避雷针主要用于保护发电厂、变电站及其他独立的建筑物;避雷线主要用于保护输电线路或建筑物的某些部位;避雷网主要用于保护重要建筑物或高山上的文物古迹等。
72、单项选择题 《供电监管办法》规定,给用户装表接电的期限,自受电装置检验合格并办结相关手续之日起,居民用户不超过()个工作日。
A.3
B.5
C.7
D.10
点击查看答案
本题答案:A
本题解析:暂无解析
73、问答题 架空线路由哪几部分组成?各部分的作用是什么?
点击查看答案
本题答案:架空线路主要由导线、避雷线、杆塔、绝缘子和金具等部件组
本题解析:试题答案架空线路主要由导线、避雷线、杆塔、绝缘子和金具等部件组成。导线的作用是传输电能;避雷线的作用是将雷电流引入大地,以保护电力线路免遭雷击;杆塔的作用是支撑导线和避雷线,并使导线与导线、导线与大地之间保持一定的安全距离;绝缘子的作用是使导线与杆塔之间保持绝缘;金具是用来连接导线和绝缘子的金属部件的总称。
74、单项选择题 选择下列电气设备时,不需要校验动稳定的是()
A、断路器
B、电压互感器
C、隔离开关
D、电流互感器
点击查看答案
本题答案:B
本题解析:暂无解析
75、问答题 《供电服务规范》中对情绪激动的客户来电处理有何规定?
点击查看答案
本题答案:客户来电话发泄怒气时,应仔细倾听并做记录,对客户讲话应
本题解析:试题答案客户来电话发泄怒气时,应仔细倾听并做记录,对客户讲话应有所反应,并表示体谅对方的情绪。如感到难以处理时,应适时地将电话转给值长、主管等,避免与客户发生正面冲突。
76、单项选择题 发电机绕组流过电流之后,就在绕组的导体内产生损耗而发热,这种损耗称为().
A、铁损耗
B、铜损耗
C、涡流损耗
点击查看答案
本题答案:B
本题解析:暂无解析
77、问答题 直流系统绝缘监察的目的是什么?
点击查看答案
本题答案:直流系统的绝缘监察的目的是用来监视直流系统是否存在接地隐患
本题解析:试题答案直流系统的绝缘监察的目的是用来监视直流系统是否存在接地隐患
78、问答题 为什么我国规定110kV以上的高压电网和380/220V的低压电网要采用大电流接地系统?各有什么优点?
点击查看答案
本题答案:大电流接地系统发生单相接地时中性点电位仍为零,非故障相
本题解析:试题答案大电流接地系统发生单相接地时中性点电位仍为零,非故障相对地电压不会升高,仍为相电压,因此电气设备的绝缘水平只需按电网的相电压考虑,故可以降低工程造价。所以我国110kV及以上的电力系统基本上都采用中性点直接接地的方式。而在380/220V系统中采用中性点直接接地方式,主要是考虑人身安全问题,一旦发生单相接地故障,可以迅速跳开自动开关或烧断熔断丝,将故障部分切除。
79、单项选择题 电压互感器的容量与它的准确度组级相对应,一般互感器的额定容量与()级相对应的。
A、高准确度
B、低准确度
C、中间准确度
点击查看答案
本题答案:A
本题解析:暂无解析
80、多项选择题 供电设施因计划检修需要停电时,应提前()将停电区域、线路、停电时间和恢复供电的时间进行公告,并通知重要客户。供电设施因临时检修需要停电的,应提前()小时通知重要客户或进行公告。
A.3天
B.7天
C.2天
D.24小时
点击查看答案
本题答案:B, D
本题解析:暂无解析
81、问答题 消弧线圈的补偿方式有几种?一般采用哪种补偿方式?为什么?
点击查看答案
本题答案:消弧线圈的补偿方式有全补偿、欠补偿和过补偿,一般都采用
本题解析:试题答案消弧线圈的补偿方式有全补偿、欠补偿和过补偿,一般都采用过补偿方式。因为在过补偿方式下,即使电网运行方式改变而切除部分线路时,也不会发展成为全补偿方式,致使电网发生谐振。同时,由于消弧线圈有一定的裕度,即使今后电网发展,线路增多、对地电容增加后,原有消弧线圈仍可继续使用。
82、问答题 备用电源自动投入装置的作用是什么?
点击查看答案
本题答案:备用电源自动投入装置的作用是当工作电源不论任何原因发生
本题解析:试题答案备用电源自动投入装置的作用是当工作电源不论任何原因发生故障时,自动、快速地将备用电源投入,从而保证重要负荷的不间断供电,提高供电的可靠性。
83、单项选择题 《供电监管办法》规定,()可以在用户中依法开展供电满意度调查等供电情况调查,并向社会公布调查结果。
A.电力监管机构
B.用户
C.供电企业
D.第三方
点击查看答案
本题答案:A
本题解析:暂无解析
84、填空题 按照目的不同,接地可分为()、()、()三种。
点击查看答案
本题答案:(工作接地、保护接地、防雷接地)
本题解析:试题答案(工作接地、保护接地、防雷接地)
85、问答题 过电流保护装置的动作电流和动作时间应如何整定?如何提高过电流保护的灵敏度?
点击查看答案
本题答案:过电流保护装置的动作电流必须满足以下两个条件:保护装置的动作
本题解析:试题答案过电流保护装置的动作电流必须满足以下两个条件:保护装置的动作电流必须躲过线路上的最大负荷电流;保护装置在外部故障切除后应可靠返回到原始位置。
当过电流保护的灵敏度不满足要求时,可采用低电压闭锁的过电流保护来提高其灵敏度。
86、填空题 供电企业应当坚持安全第一、()、()的方针。
点击查看答案
本题答案:预防为主;综合治理
本题解析:试题答案预防为主;综合治理
87、问答题 什么叫暂载率?反复短时工作制用电设备的设备容量如何确定?
点击查看答案
本题答案:暂载率是指设备工作时间与工作周期的百分比值。反复短时工
本题解析:试题答案暂载率是指设备工作时间与工作周期的百分比值。反复短时工作制用电设备的设备容量是指换算到统一暂载率下的额定功率。
对于吊车:是指统一换算到
时的额定功率,其设备容量
;
对于电焊机:是指统一换算到
时的额定功率,其设备容量
88、填空题 供电企业应当按照国家有关规定,履行()义务。
点击查看答案
本题答案:电力社会普遍服务
本题解析:试题答案电力社会普遍服务
89、名词解释 发电煤耗率
点击查看答案
本题答案:每发一度电需要消耗多少克(千克)的标准煤。
本题解析:试题答案每发一度电需要消耗多少克(千克)的标准煤。
90、填空题 《供电监管办法》规定,供电企业违反国家有关供电监管规定的,电力监管机构应当依法查处并予以记录;造成重大损失或者重大影响的,电力监管机构可以对供电企业的()和()依法提出处理意见和建议。
点击查看答案
本题答案:主管人员;其他直接责任人员
本题解析:试题答案主管人员;其他直接责任人员
91、问答题 电力系统中电压调整的的主要措施有哪些?
点击查看答案
本题答案:电力系统中电压调整的的主要措施有;
通过调节
本题解析:试题答案电力系统中电压调整的的主要措施有;
通过调节发电机励磁电流调压;
改变变压器高中压侧分接头从而改变变压器变比进行调压;
通过无功补偿减少电压损失来调压;
通过改变线路参数减少电压损失进行调压。
92、问答题 什么叫过电流继电器的动作电流、返回电流和返回系数?
点击查看答案
本题答案:能使电流继电器产生动作的最小电流,称为继电器的动作电流;能使
本题解析:试题答案能使电流继电器产生动作的最小电流,称为继电器的动作电流;能使电流继电器返回到原始位置的最大电流,称为继电器的返回电流;同一继电器的返回电流与动作电流的比值,称为电流继电器的返回系数。
93、单项选择题 《供电监管办法》规定,供电企业应当按照国家规定履行电力社会普遍服务义务,依法保障()能够按照国家规定的价格获得最基本的供电服务。
A.用户
B.客户
C.自然人
D.任何人
点击查看答案
本题答案:D
本题解析:暂无解析
94、单项选择题 《国家电网公司供电服务规范》第十七条规定:在公共场所施工,应悬挂悬挂施工单位标志、(),并配有礼貌用语。
A.安全警示
B.安全标示
C.安全标志
D.告示牌
点击查看答案
本题答案:C
本题解析:暂无解析
95、问答题 水力发电厂的能量转化过程及水利发电的主要特点?
点击查看答案
本题答案:水力发电厂的能量转化过程:水的位能和动能通过水轮机带动
本题解析:试题答案水力发电厂的能量转化过程:水的位能和动能通过水轮机带动水轮机旋转转化为机械能,水轮机转轴带动发电机的转子旋转,将机械能转换为电能。
水利发电的主要特点:清洁;效率高;生产成本低;水电机组起停灵活、输出功率增减快;水电站的水库可以综合利用;但水电站建设周期长、投资大;水电站受河川天然径流丰枯变化影响等。
96、单项选择题 选择下列电气设备时,不需要校验热稳定的是()
A、断路器
B、绝缘子
C、电流互感器
D、导体
点击查看答案
本题答案:B
本题解析:暂无解析
97、填空题 《供电监管办法》规定,需要停电或者限电的,应当符合下列规定:因供电设施()需要停电的,供电企业应当提前24小时公告停电区域、停电线路、停电时间。
点击查看答案
本题答案:临时检修
本题解析:试题答案临时检修
98、填空题 水电站是将()转变成()的工厂,能量转换的基本过程是()。
点击查看答案
本题答案:(水能、电能、水能→机械能→电能)
本题解析:试题答案(水能、电能、水能→机械能→电能)
99、填空题 三绕组变压器分接头分别是装于()、()压侧。
点击查看答案
本题答案:高;中
本题解析:试题答案高;中
100、问答题 民用建筑中380/220V配电系统一般设置哪些保护?
点击查看答案
本题答案:低压断路器保护和(或低压熔断器保护)、漏电保护。
本题解析:
试题答案低压断路器保护和(或低压熔断器保护)、漏电保护。
101、问答题 微机保护装置的硬件各部分的作用是什么?
点击查看答案
本题答案:数据采集系统的任务是将模拟量输入量准确地转换为所需的数字量;
本题解析:试题答案数据采集系统的任务是将模拟量输入量准确地转换为所需的数字量;微型计算机系统是微机保护装置的核心,主要由微处理器、程序存储器、数据存储器、接口芯片及定时器等组成;输入输出接口是微机保护与外部设备的联系部分;通信接口是实现变电站综合自动化的必要条件,因此,每个保护装置都带有相对标准的通信接口电路;人机接口部分主要包括显示、键盘、各种面板开关、打印与报警来源:91考试网 www.91exAm.org等,其主要功能用于调试、整定定值与变比等;供电电源工作的可靠性是确保直接影响着微机保护装置的可靠性,通常采用逆变稳压电源。
102、问答题 什么叫无限大容量系统?它有什么特征?
点击查看答案
本题答案:无限容量系统亦称无限大功率电源,是指系统的容量为无限大,内阻
本题解析:试题答案无限容量系统亦称无限大功率电源,是指系统的容量为无限大,内阻抗为零。它是一个相对概念,真正的无限大功率电源是不存在的。
特征:在电源外部发生短路时,电源母线上的电压基本不变,即认为它是一个恒压源。当电源内阻抗不超过短路回路总阻抗的5%~10%时,就可以认为该电源是无限大功率电源。
103、单项选择题 蓄电池所能输出的能量与它的极板表面积()。
A、成正比
B、成反比
C、没有关系
点击查看答案
本题答案:A
本题解析:暂无解析
104、问答题 备用电源自动投入装置有哪些基本要求?
点击查看答案
本题答案:备用电源自动投入装置应满足以下基本要求:①工作电源不论任何原
本题解析:试题答案备用电源自动投入装置应满足以下基本要求:①工作电源不论任何原因断开(如工作电源故障或被错误断开等),备用电源应能自动投入;②必须在工作电源确已断开,而备用电源电压也正常时,才允许投入备用电源;③APD的动作时间应尽可能短,以利于电动机的自起动;④APD只能动作一次,以免将备用电源重复投入到永久性故障上去;⑤当电压互感器的二次回路断线时,APD不应误动作;⑥若备用电源容量不足,应在APD动作的同时切除一部分次要负荷。
105、填空题 《供电营业规则》规定,无功电力应就地平衡。用户应在提高用电自然功率因数的基础 上,按有关标准设计和安装(),并做到随其负荷和电压变动及时投入或切除,防止无功电力倒送。
点击查看答案
本题答案:无功补偿设备
本题解析:试题答案无功补偿设备
106、单项选择题 男性,45岁。反复胸闷、心悸、端坐呼吸、胸腔稠液半年。查体:呼吸短促,两肺广泛细湿啰音,心浊音界扩大,心率100次/分,呈舒张期奔马律,偶发前期收缩。X线胸片示心胸比率0.65,两肺水肿。心电图示完全f生左束支传导阻滞,偶见室性期前收缩。超声心动图提示左心室明显增大,舒张末期内径70mm,左室整体运动减弱,射血分数(EF)为24%,缩短分数(FS)为12%。
给予常规强心、利尿、扩血管药物等治疗,疗效不好。患者仍反复出现左心衰并逐步加剧,需用多巴胺、多巴酚丁胺等维持,生活不能自理。此时,治疗最好采取().
A.主动脉气囊反搏
B.离心泵左心辅助转流
C.同种异体原位心脏移植
D.继续药物治疗
E.以上都不是
点击查看答案
本题答案:C
本题解析:暂无解析
107、问答题 什么叫操作电源?
点击查看答案
本题答案:操作电源是用来对断路器的分、合闸回路,继电保护装置以及其他信
本题解析:试题答案操作电源是用来对断路器的分、合闸回路,继电保护装置以及其他信号回路供电的电源。
108、填空题 电力系统中的无功电源包括同步发电机和()、()、()、线路充电功率等。
点击查看答案
本题答案:(调相机、电容器、静止无功补偿器)
本题解析:试题答案(调相机、电容器、静止无功补偿器)
109、问答题 配电载波通信主要由哪些设备构成?
点击查看答案
本题答案:配电载波通信用到的主要设备有:在主变电站安装的多路载波
本题解析:试题答案配电载波通信用到的主要设备有:在主变电站安装的多路载波机(称主站设备)、在线路各测控对象处安放的配电线载波机(称从站设备)和高频通道。
110、填空题 《供电监管办法》规定,供电企业应当按照下列规定选择电压监测点:()供电用户和()供电用户应当设置电压监测点。
点击查看答案
本题答案:35千伏专线;110千伏以上
本题解析:试题答案35千伏专线;110千伏以上
111、单项选择题 《供电监管办法》规定,供电企业发现用电设施存在安全隐患,应当()用户采取有效措施进行治理。
A.告知
B.及时告知
C.当面告知
D.通知
点击查看答案
本题答案:B
本题解析:暂无解析
112、问答题 互感器在运行时的注意事项有哪些?
点击查看答案
本题答案:互感器在运行时的注意事项有:
二次侧一端有效接地
本题解析:试题答案互感器在运行时的注意事项有:
二次侧一端有效接地;
注意接线极性;
电流互感器二次侧不允许开路;
电压互感器二次侧不允许短路。
113、填空题 国家电网公司供电服务规范》规定严格执行国家规定的()政策及()标准。严禁利用各种方式和手段变相扩大收费范围或提高收费标准。
点击查看答案
本题答案:电费电价;业务收费
本题解析:试题答案电费电价;业务收费
114、问答题 什么是继电保护的接线系数?
点击查看答案
本题答案:在继电保护回路中,流入继电器中的电流与对应电流互感器的二次电
本题解析:试题答案在继电保护回路中,流入继电器中的电流与对应电流互感器的二次电流的比值,称为接线系数。
115、填空题 电力系统是电能的生产、输送、分配和消费的各个环节组成的一个整体。其中输送和分配电能的部分称为电力网。若把水电厂、火电厂的动力部分也包括进来,就称为()。
点击查看答案
本题答案:动力系统
本题解析:试题答案动力系统 www.91exAm.org
116、填空题 衡量电能质量好坏的指标是电压、频率和()。
点击查看答案
本题答案:波形
本题解析:试题答案波形
117、填空题 供电企业应当向申请用电的用户书面答复供电方案,向用户提供供电方案的期限应当符合:自受理之日起,居民用户不超过()工作日。
点击查看答案
本题答案:3
本题解析:试题答案3
118、问答题 在供电服务规范中,用电业务办理的基本规范是什么?
点击查看答案
本题答案:(1)供电企业应当依据有关法律法规办理用户的新装用电、
本题解析:试题答案(1)供电企业应当依据有关法律法规办理用户的新装用电、增加用电容量和变更用电业务;
(2)供电企业应当由用电营业机构统一归口办理用户的各类用电业务;
(3)用户申请新装用电或者增加用电容量时,供电企业无正当理由不得拒绝用户的用电申请;
(4)供电企业应当与申请用电的用户通过协商确定供电方式和备用、保安电源,以及供用电合同的有关条款;
(5)供电企业应当对用户受电工程建设提供必要的业务咨询和技术服务;
(6)供电企业对用户受电工程不得指定设计单位、施工单位和设备材料供应单位。
119、单项选择题 《供电监管办法》规定,对用户受电工程启动竣工检验的期限,自接到()之日起,高压供电用户不超过7个工作日。
A.用户受电装置竣工报告和检验申请
B.用户受电装置竣工报告
C.用户检验申请
D.用户完工
点击查看答案
本题答案:A
本题解析:暂无解析
120、问答题 《供电监管办法》规定:电力监管机构对供电企业履行电力社会普遍服务义务的情况实施监管。内容是什么?
点击查看答案
本题答案:供电企业应当按照国家规定履行电力社会普遍服务义务,依法
本题解析:试题答案供电企业应当按照国家规定履行电力社会普遍服务义务,依法保障任何人能够按照国家规定的价格获得最基本的供电服务。
121、问答题 某厂有一座第二类防雷建筑物,高10m,其屋顶最远的一角距离60m高的烟囱50m。烟囱上装有一根2.5m高的避雷针。试验算此避雷针能否保护这座建筑物。
点击查看答案
本题答案:
试题答案
122、问答题
在下图中,变压器的型号和参数:
SJL-16000/110,P0=21kW,Pk=85kW,I0%=0.85,Uk%
=10.5,
其低压侧电压为11kV,高压侧运行在115kV上。
线路的参数:U0=117kV,

点击查看答案
本题答案:
试题答案

123、单项选择题 《供电监管办法》规定,供电企业应当按照国家规定履行电力社会普遍服务义务,依法保障任何人能够按照国家规定的价格获得最基本的()。
A.用电权利
B.供电服务
C.用电保障
D.供电安全
点击查看答案
本题答案:B
本题解析:暂无解析
124、单项选择题 大电流接地系统所用的电气设备相对地绝缘水平应按()考虑。
A、相电压
B、线电压
C、过电压
D、零序电压
点击查看答案
本题答案:A
本题解析:暂无解析
125、单项选择题 合同谈判的主要内容不包括()。
A.工程的内容和范围的确认
B.合同价格条款、合同价格调整条款
C.施工组织计划
D.合同款支付方式的条款
点击查看答案
本题答案:C
本题解析:暂无解析
126、问答题 什么叫功率方向继电器的90°接线?
点击查看答案
本题答案:功率方向继电器的90°接线方式,是指系统在三相对称且功率因数
本题解析:试题答案功率方向继电器的90°接线方式,是指系统在三相对称且功率因数为1的情况下,接入功率方向继电器的电流超前电压90°的接线。
127、问答题 《供电监管办法》规定:电力监管机构对供电企业保障供电安全的情况实施监管。具体内容是什么?
点击查看答案
本题答案:(1)供电企业应当坚持安全第一、预防为主、综合治理的方
本题解析:试题答案(1)供电企业应当坚持安全第一、预防为主、综合治理的方针,遵守有关供电安全的法律、法规和规章,加强供电安全管理,建立、健全供电安全责任制度,完善安全供电条件,维护电力系统安全稳定运行,依法处置供电突发事件,保障电力稳定、可靠供应。
(2)供电企业应当按照国家有关规定加强重要电力用户安全供电管理,指导重要电力用户配置和使用自备应急电源,建立自备应急电源基础档案数据库。
(3)供电企业发现用电设施存在安全隐患,应当及时告知用户采取有效措施进行治理。用户应当按照国家有关规定消除用电设施安全隐患。用电设施存在严重威胁电力系统安全运行和人身安全的隐患,用户拒不治理的,供电企业可以按照国家有关规定对该用户中止供电。
128、问答题
试分析不停电检修下图中馈线2断路器QF2的运行操作。

点击查看答案
本题答案:闭合QS5、QS4,闭合QF1、QS3;断开QF2、Q
本题解析:试题答案闭合QS5、QS4,闭合QF1、QS3;断开QF2、QS1、QS2。则QF2退出检修。
129、问答题 《供电服务规范》中规定,高压用户档案一般包括哪些资料?
点击查看答案
本题答案:用电申请表、用户合法的身份证明、用电工程项目批准文件、
本题解析:试题答案用电申请表、用户合法的身份证明、用电工程项目批准文件、用户用电设备明细及有关的用电资料、答复供电方案通知书、设计文件、设计文件审核意见书、受电工程中间检查记录及整改要求、竣工检验申请书及受电工程竣工检验报告、受电工程竣工检验记录及整改要求、受电工程竣工图纸、装表接电记录、供用电合同及其附件、历次增加用电容量及变更用电记录等。
130、填空题 供电企业对用户受点工程不得指定设计单位、()和设备材料供应单位。
点击查看答案
本题答案:施工单位
本题解析:试题答案施工单位
131、问答题 什么叫计算负荷?确定计算负荷的意义是什么?
点击查看答案
本题答案:计算负荷是根据已知的用电设备安装容量确定的、用以按发热条件选
本题解析:试题答案计算负荷是根据已知的用电设备安装容量确定的、用以按发热条件选择导体和电气设备时所使用的一个假想负荷,计算负荷产生的热效应与实际变动负荷产生的热效应相等。
确定计算负荷时为正确选择供配电系统中的导线、电缆、开关电器、变压器等提供技术参数。
132、问答题
某10kV线路如图3-25所示,已知导线型号为LJ—50,线间几何均距为1m,p1=250kW,p2=400kW,p3=300kW,全部用电设备的
=0.8,试求该线路的电压损失。

点击查看答案
本题答案:
试题答案

133、单项选择题 《供电监管办法》规定,供电企业应当严格执行政府有关部门依法作出的对淘汰企业、关停企业或者环境违法企业采取停限电措施的决定。未收到政府有关部门决定恢复送电的通知,供电企业不得擅自对政府有关部门责令限期整改的用户()。
A.恢复送电
B.临时送电
C.私自送电
D.受理报装申请
点击查看答案
本题答案:A
本题解析:暂无解析
134、单项选择题 发电机在带负荷运行时,发电机与负载之间只存在着能量()。
A、消耗过程
B、交换过程
C、消耗和交换过程
点击查看答案
本题答案:C
本题解析:暂无解析
135、问答题 电力系统电源中性点接地方式有哪些?优缺点及我国目前用在电压等级。
点击查看答案
本题答案:电力系统电源中性点接地方式有:电源中性点直接接地系统、
本题解析:试题答案电力系统电源中性点接地方式有:电源中性点直接接地系统、电源中性点不接地系统、电源中性点不直接接地系统。其中电源中性点直接接地系统称为大电流接地系统,后面两种称为小电流接地系统。
大电流接地系统优点主要是设备的绝缘只需按相电压配置,缺点是供电可靠性差些,当发生单相短路时得中断供电。小电流接地系统的优点在于供电可靠性较高,当发生单相接地时不需要马上中断供电,缺点是设备的绝缘得按线电压配置。
目前我国在3-35kV电压等级用小电流接地系统;380V、110kV及以上采用大电流接地系统。
136、名词解释 电压损耗
点击查看答案
本题答案:所谓电压损耗是指线路首末两端电压的数值差,用
本题解析:试题答案所谓电压损耗是指线路首末两端电压的数值差,用
表示,即
。
137、单项选择题 全电流比较原理的母差保护某一出线电流互感器单元零相断线后,保护的动作行为是()。
A.区内故障不动作,区外故障可能动作
B.区内故障动作,区外故障可能动作
C.区内故障不动作,区外故障不动作
D.区内故障动作,区外故障不动作
点击查看答案
本题答案:B
本题解析:暂无解析
138、填空题 电力系统电压的监控和调整实际上是通过监视和调整中枢点的电压来实现,中枢点电压控制方式有:顺调压、常调压、()。
点击查看答案
本题答案:逆调压
本题解析:试题答案逆调压
139、问答题 配电自动化系统(DAS)包括哪些内容?各部分的功能是什么?
点击查看答案
本题答案:配电网自动化系统(DAS)包括配电SCADA系统、地理信息系
本题解析:试题答案配电网自动化系统(DAS)包括配电SCADA系统、地理信息系统(GIS)和需方管理(DSM)三个部分。配电SCADA系统的功能是对配电网的数据进行采集与监控,包括配网进线监控、配电变电站自动化、馈线自动化和配变巡检及无功补偿四个部分;GIS系统的功能是将配电网设备的地理位置与一些属性数据库结合,以便操作和管理人员更加直观地进行配电网的动态分析和运行管理,包括设备管理、用户信息系统、SCADA功能及故障信息显示等;DSM系统的功能是对电力的供需双方对用电市场进行管理,以达到提高供电可靠性,减少能源消耗及供需双方费用支出的目的,包括负荷监控与管理、远方抄表与计费自动化两个方面。
140、填空题 在电力系统正常运行条件下,()及以下三相供电电压偏差为标称电压的±7%。
点击查看答案
本题答案:20kV
本题解析:试题答案20kV
141、单项选择题 电力系统中负荷的变化将引起频率的变化,当负荷变化幅度小、周期短引起的频率偏移将由()进行调整。
A、发电机组的调频器
B、发电机组的调速器
C、发电机励磁电流
D、系统无功补偿装置
点击查看答案
本题答案:B
本题解析:暂无解析
142、问答题
试确定图1-12所示供电系统中发电机和所有变压器的额定电压。

点击查看答案
本题答案:发电机G:10.5kV;变压器T1:10.5/242k
本题解析:试题答案发电机G:10.5kV;变压器T1:10.5/242kV;变压器T2:10/3.3kV;变压器T3:220/38.5kV;变压器T4:220/121/38.5kV;变压器T5:35/6.6kV
143、填空题 对易受外部影响着火的电缆密集场所或可能着火蔓延而酿成严重事故的电缆线路,必须按设计要求的()施工。
点击查看答案
本题答案:防火阻燃措施
本题解析:试题答案防火阻燃措施
144、问答题 在什么情况下应用戴维南定理?什么是开路电压?什么是输入电阻?
点击查看答案
本题答案:在计算复杂电路时,只计算电路中某一支路的电流时,应用戴
本题解析:试题答案在计算复杂电路时,只计算电路中某一支路的电流时,应用戴维南定理。将要计算的某一支路断开,断开的有源网络两端之间的电压称为开路电压,即等效电压源的电动势,以U0表示。将有源二端网络内部的电压源全部短路,其等效电阻为等效电压源的内阻,又称为输入电阻,以r0或Ri表示。
145、问答题 比较两种分段器的功能特点、动作原理及适用场合。
点击查看答案
本题答案:过流脉冲计数型分段器又称自动分段器,它是以检测线路电流来判断
本题解析:试题答案过流脉冲计数型分段器又称自动分段器,它是以检测线路电流来判断故障并进行分合闸操作的。它通常与电源侧的重合器或断路器配合使用。它不能用来开断短路电流,但它具有在一段时间内记忆前级开关设备开断故障电流动作次数的能力。当线路发生故障时,电源侧保护开关切断故障电流,分段器的记数装置开始记数,当达到预定的记忆次数后,在前级的重合器或断路器跳开故障线路的瞬间,过流脉冲计数型分段器自动跳开,使故障线路与系统隔离。若前级开关设备未达到预定的动作次数,过流脉冲计数型分段器不分断,并会在一定的复位时间后清零而恢复到预先整定的初始状态,为下一次故障做好准备。
电压—时间型分段器又称自动配电开关或重合分段器,它是凭借加电压或失电压的时间长短来控制其动作的,失电压后分闸,加电压后合闸或闭锁。
电压—时间型分段器有两套功能:一套功能应用于处于常闭状态的分段开关,主要用于辐射状网中;另一套功能应用于处于常开状态的分段开关,主要用于环状网中。这两套功能可以利用故障检测器底部的操作手柄相互切换。
146、单项选择题 《供电监管办法》规定,供电企业工作人员到达现场抢修的时限,自接到报修之时起,农村地区不超过()分钟。因天气、交通等特殊原因无法在规定时限内到达现场的,应当向用户做出解释。
A.30
B.60
C.120
D.240
点击查看答案
本题答案:C
本题解析:暂无解析
147、填空题 火电厂是将()转变成()的工厂,能量转换的基本过程是()。
点击查看答案
本题答案:(燃料化学能、电能、化学能→热能→机械能→电能)
本题解析:试题答案(燃料化学能、电能、化学能→热能→机械能→电能)
148、问答题 《供电营业规则》对用户独资、合资或集资建设的输电、变电、配电等供电设施建成后,其运行维护管理按什么确定?
点击查看答案
本题答案:(1)属于公用性质或占用公用线路规划走廊的,由供电企业统一管
本题解析:试题答案(1)属于公用性质或占用公用线路规划走廊的,由供电企业统一管理:供电企业应在交接前,与用户协商,就供电设施运行维护管理达成协议。对统一运行维护管理的公用供电设施,供电企业应保留原所有者在上述协议中确认的容量。
(2)属于用户专用性质,但不在公用变电站内的供电设施,由用户运行维护管理。如用户运行维护管理确有困难,可与供电企业协商,就委托供电企业代为运行维护管理有关事项签订协议。
(3)属于用户共用性质的供电设施,由拥有产权的用户共同运行维护管理。如用户共同运行维护管理确有困难,可与供电企业协商,就委托供电企业代为运行维护管理有关事项签订 协议。
(4)在公用变电站内由用户投资建设的供电设备,如变压器、通信设备、开关、刀闸等,由供电企业统一经营管理。建成投运前,双方应就运行维护、检修、备品备件等项事宜签订交接协议。
(5)属于临时用电等其他性质的供电设施,原则上由产权所有者运行维护管理,或由双方协商确定,并签订协议。
149、问答题 并联电容器的补偿方式有哪几种?各有什么优缺点?
点击查看答案
本题答案:并联电容器的补偿方式有高压集中补偿、低压成组补偿和分散
本题解析:试题答案并联电容器的补偿方式有高压集中补偿、低压成组补偿和分散就地补偿(个别补偿)。
高压集中补偿方式的投资较少,电容器组的利用率较高,能够提高整个变电所的功率因数,但它的补偿范围小,只能补偿6~10kV母线以前的线路上的无功功率,不能补偿工业企业内部配电线路的无功功率。
低压成组补偿方式的投资不大,运行维护方便,能够减小车间变压器的容量,降低电能损耗,其补偿区大于高压集中补偿,能够补偿变电所低压母线前的变压器和所有有关高压系统的无功功率。
分散就地补偿方式的补偿范围最大,补偿效果最好,能够补偿安装地点以前的变压器和所有高低压线路的无功功率,但投资较大,且电容器组在被补偿的设备停止工作时也一并被切除,利用率较低。
150、单项选择题 下列关于导线的连接,正确的说法是()。
A.同金属、不同规格、不同绞向的导线,严禁在档距内连接
B.在一个档距内,每根导线不应超过两个连接头
C.档距内接头距导线的固定点的距离,不应小于1.0m
D.钢芯铝绞线,铝绞线在档距内的连接,宜采用线夹方法
点击查看答案
本题答案:A
本题解析:暂无解析
151、单项选择题 《供电监管办法》规定,供电企业向用户提供供电方案的期限,自受理用户用电申请之日起,高压单电源供电用户不超过()个工作日。
A.8
B.20
C.10
D.15
点击查看答案
本题答案:B
本题解析:暂无解析
152、单项选择题 发电机带纯电阻性负荷运行时,电压与电流的相位差等于()。
A.180º;
B.90º;
C.0º;
D.270º。
点击查看答案
本题答案:C
本题解析:暂无解析
153、问答题 在用户受电工程竣工验收中,对检验不合格或者发现用户受电设施存在故障隐患的,供电企业应如何处理?
点击查看答案
本题答案:对检验不合格或者发现用户受电设施存在故障隐患的,供电企
本题解析:试题答案对检验不合格或者发现用户受电设施存在故障隐患的,供电企业应当以书面形式一次性告知用户,并指导其制定有效的解决方案,待用户按有关规定改正后予以再次检验,直至合格。
154、问答题 在TN系统为什么要进行重复接地?
点击查看答案
本题答案:在TN系统中采取重复接地,当发生PE线或PEN线断线,
本题解析:试题答案在TN系统中采取重复接地,当发生PE线或PEN线断线,且在断线的后面又有设备发生一相碰壳时,可使接在断线后面所有设备外壳对地电压大大降低,从而危险程度也大大降低。
155、填空题 电力系统的运行电压水平同无功功率平衡密切相关。电压调整的主要手段是:改变发电机端电压;改变变压器的变比;()。
点击查看答案
本题答案:无功功率补偿
本题解析:试题答案无功功率补偿
156、填空题 《供电企业信息公开实施办法》供电企业信息公开的内容,分为()公开的信息和()公开的信息。
点击查看答案
本题答案:主动;依申请
本题解析:试题答案主动;依申请
157、填空题 对继电保护装置的基本要求是()、()、()和可靠性。
点击查看答案
本题答案:(选择性、速动性、灵敏性)
本题解析:试题答案(选择性、速动性、灵敏性)
158、单项选择题 变压器正常运行时发出()。
A、间断的嗡嗡声
B、均匀的嗡嗡声
C、均匀的沸腾声
D、间断的沸腾声
点击查看答案
本题答案:B
本题解析:暂无解析
159、问答题
各元件的参数已标于图中,试用标幺值法计算k点发生三相短路时短路点的短路电流。

点击查看答案
本题答案:
试题答案
160、单项选择题 《供电监管办法》规定,供电监管应当依法进行,并遵循()、公正和效率的原则。
A.公开
B.公平
C.依法
点击查看答案
本题答案:A
本题解析:暂无解析
161、单项选择题 《供电监管办法》规定,供电企业应当对用户受电工程建设提供必要的业务咨询和技术标准咨询;发现用户受电设施存在故障隐患时,应当及时()告知用户并指导其予以消除。
A.书面
B.一次
C.一次性书面
D.现场
点击查看答案
本题答案:C
本题解析:暂无解析
162、单项选择题 《供电监管办法》规定,对用户受电工程启动中间检查的期限,自接到用户申请之日起,低压供电用户不超过()个工作日。
A.1
B.3
C.5
D.10
点击查看答案
本题答案:B
本题解析:暂无解析
163、填空题 客户填写业务登记表时,营业人员应给予(),并(),如发现填写有误,应及时向客户指出。
点击查看答案
本题答案:热情的指导和帮助;认真审核
本题解析:试题答案热情的指导和帮助;认真审核
164、问答题 简述变电站综合自动化系统的基本功能。
点击查看答案
本题答案:变电站综合自动化系统主要分为微机监控和微机保护两大系统。微机
本题解析:试题答案变电站综合自动化系统主要分为微机监控和微机保护两大系统。微机监控系统主要是应用微机控制技术,替代现行的人工监控方式,实现运行调度的自动化和微机化;而微机保护系统则是应用微机控制技术,替代传统的机电型和电子型模拟式继电保护装置,以获得更好的工作特性和更高的技术指标。此外,变电站综合自动化系统还有远动系统功能,电压、无功综合控制系统功能,小电流接地选线功能,低频减载功能和备用电源自投功能等。
165、问答题 什么是电压互感器?
点击查看答案
本题答案:电压互感器是供配电系统中配合测量仪表和继电保护使用的一
本题解析:试题答案电压互感器是供配电系统中配合测量仪表和继电保护使用的一种特殊变压器,(3分)其一次匝数很多,接高压系统,二次匝数很少,额定输出为100V。负载包括电压表、功率表及继电保护电压线圈等。
166、问答题 简单闭式网分为哪些类网络?
点击查看答案
本题答案:简单的闭式网可分为两端供电网络和环形网络两类。
本题解析:试题答案简单的闭式网可分为两端供电网络和环形网络两类。
167、问答题 变电所信号装置按用途可分为哪几种?
点击查看答案
本题答案:变电所中的信号装置按用途分,有断路器位置信号、事故信号和预告
本题解析:试题答案变电所中的信号装置按用途分,有断路器位置信号、事故信号和预告信号。
168、单项选择题 以()为目标,开展电力需求侧管理和服务活动,减少客户用电成本,提高用电负荷率。
A、实现电力增供扩销
B、追求供用电双方利益共赢
C、实现全社会电力资源优化配置
D、树立供电企业形象
点击查看答案
本题答案:C
本题解析:暂无解析
169、填空题 引入爆炸危险环境的金属管道、配线的钢管、电缆的铠装及金属外壳,均应在危险区域的进口处()。
点击查看答案
本题答案:接地
本题解析:试题答案接地
170、填空题 《供电监管办法》规定,对用户受电工程启动中间检查的期限,自接到用户申请之日起,()不超过3个工作日,()不超过5个工作日。
点击查看答案
本题答案:低压供电用户;高压供电用户
本题解析:试题答案低压供电用户;高压供电用户
171、填空题 《供电监管办法》规定为了加强供电监管,(),(),()的合法权益和社会公共利益,根据《电力监 管条例》和国家有关规定,制定本办法。
点击查看答案
本题答案:规范供电行为;维护供电市场秩序;保护电力使用者
本题解析:试题答案规范供电行为;维护供电市场秩序;保护电力使用者
172、填空题 系统中所有电力用户的用电设备所消耗的电功率总和就是电力系统的负荷,亦称电力系统的综合用电负荷。电力系统负荷加上电力网的功率损耗就是各发电厂应该供给的功率,称为电力系统的供电负荷,在此基础上再加上发电厂厂用电消耗的功率就是各发电厂应该发出的功率,称为()。
点击查看答案
本题答案:电力系统的发电负荷
本题解析:试题答案电力系统的发电负荷
173、问答题 什么叫安全电压?
点击查看答案
本题答案:安全电压是指不致使人直接致死或致残的电压。
本题解析:试题答案安全电压是指不致使人直接致死或致残的电压。
174、单项选择题 供电系统短路故障中,短路危害最大的短路类型一般为()
A、三相短路
B、两相短路
C、两相接地短路
D、单相短路
点击查看答案
本题答案:A
本题解析:暂无解析
175、单项选择题 基础上拔稳定主要靠基础自重,且基础自重大于上拔力标准值的基础叫做()。
A.扩大式基础
B.独立式基础
C.原状土基础
D.重力式基础
点击查看答案
本题答案:D
本题解析:暂无解析
176、问答题 避雷针的保护原理?用图表示单根避雷针的保护范围。
点击查看答案
本题答案:避雷针的保护原理:通过避雷针顶端的接闪器将雷电引向自身
本题解析:试题答案避雷针的保护原理:通过避雷针顶端的接闪器将雷电引向自身,再通过引下线和接地体将雷电流快速引入大地,保护其周围份的设备。
单根避雷针的保护范围如下图包络范围内。

177、填空题 《供电监管办法》规定,()应当审核()、()的情况,按照国家有关规定()不符合规定的用电设施接入电网。
点击查看答案
本题答案:供电企业;用电设施产生谐波;冲击负荷;拒绝
本题解析:试题答案供电企业;用电设施产生谐波;冲击负荷;拒绝
178、问答题 对电气主接线的基本要求是什么?
点击查看答案
本题答案:对电气主接线的基本要求是安全、可靠、灵活、经济。电气主接线的
本题解析:试题答案对电气主接线的基本要求是安全、可靠、灵活、经济。电气主接线的基本形式有线路-变压器单元接线、单母线接线、单母线分段接线、单母线带旁路母线接线、双母线接线、桥式接线等。
179、填空题 分别来自两个不同变电站,或来自不同电源进线的同一变电站内两端母线,为供电()电源。
点击查看答案
本题答案:同一用户负荷供电的两路
本题解析:试题答案同一用户负荷供电的两路
180、问答题 《供电营业规则》对在供电设施上发生事故引起的法律责任,怎样规定的?
点击查看答案
本题答案:在供电设施上发生事故引起的法律责任,按供电设施产权归属
本题解析:试题答案在供电设施上发生事故引起的法律责任,按供电设施产权归属确定。产权归属于谁,谁就承担其拥有的供电设施上发生事故引起的法律责任。但产权所有者不承担受害者因违反安全或其他规章制度,擅自进入供电设施非安全区域内而发生事故引起的法律责任,以及在委托维护的供电设施上,因代理方维护不当所发生事故引起的法律责任。
181、填空题 《国家电网公司供电服务规范》规定在尊重客户、有利于公平结算的前提下,供电企业可采用客户乐于接受的()、结算和()进行抄表收费工作。
点击查看答案
本题答案:技术手段;付费方式
本题解析:试题答案技术手段;付费方式
182、填空题 太阳能光发电可分为()、()、()、()四种方式。
点击查看答案
本题答案:(光伏发电、光感应发电、光化学发电、光生物发电)
本题解析:试题答案(光伏发电、光感应发电、光化学发电、光生物发电)
183、单项选择题 《供电监管办法》规定,对用户受电工程启动竣工检验的期限,自接到用户受电装置竣工报告和检验申请之日起,高压供电用户不超过()个工作日。
A.3
B.5
C.7
D.10
点击查看答案
本题答案:C
本题解析:暂无解析
184、问答题 为什么变压器中性点经小电阻接地能够提高当系统发生接地故障进的暂态稳定性?
点击查看答案
本题答案:在输电线路送端的变压器经小电阻接地,当线路送端发生不对称接地
本题解析:试题答案在输电线路送端的变压器经小电阻接地,当线路送端发生不对称接地时,零序电流通过该电阴将消耗部分有功功率起到了电气制动作用,因而是能提高系统的暂态稳定性。
185、问答题 “电晕现象”的表现形式及危害有哪些?
点击查看答案
本题答案:现象:(1)“滋滋”的放电声
(2)导线周围发生
本题解析:试题答案现象:(1)“滋滋”的放电声
(2)导线周围发生蓝紫色荧光,
(3)有氧分子被游离后又结合成臭氧(O3)的气味
危害:(1)电晕消耗有功功率、消耗电能的;
(2)电磁干扰;
(3)导线表面发生腐蚀、降低导线的使用寿命;
186、填空题 我国110kV及以上系统,中性点运行方式采用()。
点击查看答案
本题答案:直接接地
本题解析:试题答案直接接地
187、问答题
大接地和小接地电流系统的接线方式分别包括哪些?各有什么特点?
点击查看答案
本题答案:大接地电流系统中性点直接接地;小接地电流系统包括中性点
本题解析:试题答案大接地电流系统中性点直接接地;小接地电流系统包括中性点不接地和中性点经消弧线圈接地。中性点直接接地方式供电可靠性低,出现单相接地时,形成回路,接地电流大;不接地系统供电可靠性高,但绝缘要求也高,出现单相接地时,不形成回路,接地电流不大,但非接地相对地电压却升高为相电压的
倍。中性点经消弧线圈接地系统比不接地系统的单相接地电流小,绝缘要求比较低。
188、问答题 地理信息系统(GIS)的主要功能有哪些?
点击查看答案
本题答案:GIS的主要功能有:数据的输入与编辑整理;数据的存储与管理;
本题解析:试题答案GIS的主要功能有:数据的输入与编辑整理;数据的存储与管理;数据的检索与查询;数据的分析与处理;数据的输出。
189、填空题 工厂中,常用的防雷装置有()、()、()三种。
点击查看答案
本题答案:(避雷针、避雷线、阀型避雷器)
本题解析:试题答案(避雷针、避雷线、阀型避雷器)
190、问答题 试绘出单母线接线并分析其优缺点。
点击查看答案
本题答案:单母线接线优点:(1)简单清晰
(2)设备少
本题解析:试题答案单母线接线优点:(1)简单清晰
(2)设备少、投资小
(3)运行操作方便
(4)有利于扩建和采用成套配电装置等。
其主要缺点是:可靠性和灵活性较差,如当母线或母线隔离开关故障或检修时,必须断开它所接的电源,与之相接的所有电力装置,在整个检修期间均需停止工作。此外,在出线断路器检修期间,必须停止该回路的工作。

191、填空题 对继电保护装置的基本要求是选择性、速动性、灵敏性、()。
点击查看答案
本题答案:可靠性
本题解析:试题答案可靠性
192、单项选择题 《供电监管办法》规定,供电企业应当按照国家有关规定选择、安装、校验电压监测装置,()用户电压情况。监测数据和统计数据应当及时、真实、完整。
A.监测
B.统计
C.监测和统计
D.分析
点击查看答案
本题答案:C
本题解析:暂无解析
193、填空题 《供电监管办法》规定,电力监管机构对供电企业公平、无歧视开放供电市场的情况实施监管。供电企业不得违反市场竞争规则,以()损害竞争对手的商业信誉或者排挤竞争对手
点击查看答案
本题答案:不正当手段
本题解析:试题答案不正当手段
194、问答题 固定式开关柜和手车式开关柜各有哪些优缺点?
点击查看答案
本题答案:固定式开关柜具有价格低,内部空间大,运行维护方便等优点,但体
本题解析:试题答案固定式开关柜具有价格低,内部空间大,运行维护方便等优点,但体积较大;手车式开关柜具有灵活性好、检修安全、供电可靠性高、安装紧凑和占地面积小等优点,但价格较贵。
195、填空题 《供电营业规则》规定,用户遇有特殊情况,需延长供电方案有效期的,应在有效期到期前()天向供电企业提出申请,供电企业应视情况予以办理延长手续。但延长时间不得超过前款规定期限。
点击查看答案
本题答案:十
本题解析:试题答案十
196、填空题 《供电监管办法》规定,供电企业应当建立完善的报修服务制度,公开(),保持(),24小时受理()。
点击查看答案
本题答案:报修电话;电话畅通;供电故障报修
本题解析:试题答案报修电话;电话畅通;供电故障报修
197、填空题 供电企业应当告知用户选择依法取得()的电工在受电装置上从事相关工作,并查验有关资质。
点击查看答案
本题答案:电工进网作业许可证
本题解析:试题答案电工进网作业许可证
198、填空题 《供电监管办法》规定,对于违反本办法并造成严重后果的供电企业主管人员或者直接责任人员,电力监管机构可以建议将其(),3年内不得担任供电企业同类职务。
点击查看答案
本题答案:调离现任岗位
本题解析:试题答案调离现任岗位
199、单项选择题 线路任何带电部分与接地部分的最小距离叫做()。
A.对地距离
B.间隙
C.放电距离
D.爬距
点击查看答案
本题答案:D
本题解析:暂无解析
200、单项选择题 《供电监管办法》规定,给用户装表接电的期限,自()之日起,其他低压供电用户不超过5个工作日,高压供电用户不超过7个工作日。
A.受电装置检验合格
B.办结相关手续
C.受电装置检验合格并办结相关手续
D.完工
点击查看答案
本题答案:C
本题解析:暂无解析
题库试看结束后
微信扫下方二维码即可打包下载完整版《★动力与电气工程》题库
手机用户可保存上方二维码到手机中,在微信扫一扫中右上角选择“从相册选取二维码”即可。
题库试看结束后微信扫下方二维码即可打包下载完整版《动力与电气工程:电力工程》题库,分栏、分答案解析排版、小字体方便打印背记!经广大会员朋友实战检验,此方法考试通过率大大提高!绝对是您考试过关的不二利器!
手机用户可保存上方二维码到手机中,在微信扫一扫中右上角选择“从相册选取二维码”即可。
微信搜索关注"91考试网"公众号,领30元,获取公务员事业编教师考试资料40G