手机用户可
保存上方二维码到手机中,在
微信扫一扫中右上角选择“从
相册选取二维码”即可。
1、单项选择题 发电机三相定子绕组星形连接,这主要是为了消除()。
A、偶次谐波
B、三次谐波
C、五次谐波
点击查看答案
本题答案:B
本题解析:暂无解析
2、单项选择题 《供电监管办法》规定,()应当审核用电设施产生谐波、冲击负荷的情况,按照国家有关规定拒绝不符合规定的用电设施接入电网。
A.用电企业
B.发电企业
C.供电企业
D.电力管理部门
点击查看答案
本题答案:C
本题解析:暂无解析
3、填空题 我国110kV及以上系统,中性点运行方式采用()。
点击查看答案
本题答案:直接接地
本题解析:试题答案直接接地
4、填空题 因电网发生故障或者电力供需紧张等原因需要停电、限电的,供电企业应当按照批准的()方案执行。
点击查看答案
本题答案:有序用电
本题解析:试题答案有序用电
5、填空题 《供电营业规则》规定,用户需要备用、保安电源时,供电企业应按其()、()和(),与用户协商确定。
点击查看答案
本题答案:负荷重要性;用电容量;供电的可能性
本题解析:试题答案负荷重要性;用电容量;供电的可能性
6、单项选择题 《供电监管办法》规定,供电企业应用户要求对产权属于用户的电气设备提供有偿服务时,应当执行()。没有政府定价和政府指导价的,参照市场价格协商确定。
A.政府定价
B.政府指导价
C.政府定价或者政府指导价
D.低于市场价格
点击查看答案
本题答案:C
本题解析:暂无解析
7、多项选择题 供电设施因计划检修需要停电时,应提前()将停电区域、线路、停电时间和恢复供电的时间进行公告,并通知重要客户。供电设施因临时检修需要停电的,应提前()小时通知重要客户或进行公告。
A.3天
B.7天
C.2天
D.24小时
点击查看答案
本题答案:B, D
本题解析:暂无解析
8、填空题 《供电监管办法》规定,供电企业应当按照下列规定选择电压监测点:()供电用户和()供电用户应当设置电压监测点。
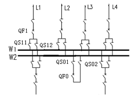
点击查看答案
本题答案:35千伏专线;110千伏以上
本题解析:试题答案35千伏专线;110千伏以上
9、单项选择题 采用分裂电抗器,运行中如果负荷变化,由于两分段负荷电流不等,引起两分段的()偏差增大,影响用户电动机工作不稳定。
A、铁芯损耗
B、阻抗值
C、电压
点击查看答案
本题答案:C
本题解析:暂无解析
10、填空题 《供电监管办法》规定,对用户受电工程启动竣工检验的期限,自()和()之日起,()用户不超过5个工作日,()用户不超过7个工作日。
点击查看答案
本题答案:接到用户受电装置竣工报告;检验申请;低压供电;高压供电
本题解析:试题答案接到用户受电装置竣工报告;检验申请;低压供电;高压供电
11、问答题 《供电监管办法》规定:电力监管机构对供电企业公平、无歧视开放供电市场的情况实施监管。供电企业不得从事什么行为?
点击查看答案
本题答案:(1)无正当理由拒绝用户用电申请;
(2)对
本题解析:试题答案(1)无正当理由拒绝用户用电申请;
(2)对趸购转售电企业符合国家规定条件的输配电设施,拒绝或者拖延接入系统;
(3)违反市场竞争规则,以不正当手段损害竞争对手的商业信誉或者排挤竞争对手;
(4)对用户受电工程指定设计单位、施工单位和设备材料供应单位;
(5)其他违反国家有关公平竞争规定的行为。
12、问答题 《供电服务规范》中规定,供电企业对于重要客户开始哪些安全供电服务及管理?
点击查看答案
本题答案:供电企业应当按照有关规定开展重要电力用户安全供电服务及
本题解析:试题答案供电企业应当按照有关规定开展重要电力用户安全供电服务及管理,建立重要电力用户基础信息数据库;指导重要电力用户配置和使用自备应急电源;如发现重要用户的用电设施存在安全隐患,应当及时告知用户,并将排查和治理情况及时报政府有关部门备案。
13、填空题 《供电企业信息公开实施办法》供电企业信息公开的内容,分为()公开的信息和()公开的信息。
点击查看答案
本题答案:主动;依申请
本题解析:试题答案主动;依申请
14、单项选择题 电流互感器二次线圈运行中不许()。
A、开路
B、短路
C、接地
点击查看答案
本题答案:A
本题解析:暂无解析
15、问答题 什么是高压开关柜的“五防”?
点击查看答案
本题答案:①防止误跳、误合断路器;②防止带负荷分、合隔离开关;③防止带
本题解析:试题答案①防止误跳、误合断路器;②防止带负荷分、合隔离开关;③防止带电挂接地线;④防止带地线合闸;⑤防止误入带电间隔。
16、填空题 电力系统中的无功电源包括同步发电机和()、()、()、线路充电功率等。
点击查看答案
本题答案:(调相机、电容器、静止无功补偿器)
本题解析:试题答案(调相机、电容器、静止无功补偿器)
17、填空题 按照安装地点,配电装置可以分为()和()。
点击查看答案
本题答案:(屋内配电装置、屋外配电装置)
本题解析:试题答案(屋内配电装置、屋外配电装置)
18、问答题 简述火电厂的能量转换过程?5%
点击查看答案
本题答案:锅炉将将燃料的化学能转化为蒸汽热能,汽轮机将蒸汽热能转化为机
本题解析:试题答案锅炉将将燃料的化学能转化为蒸汽热能,汽轮机将蒸汽热能转化为机械能,发电机将机械能转化为电能。
19、填空题 &nb sp;《 国家电网公司供电服务规范》规定提供()小时电力故障报修服务,对电力报修请求做到()、有效处理。
点击查看答案
本题答案:24;快速反应
本题解析:试题答案24;快速反应
20、填空题 《供电服务规范》中规定,供电企业工作人员工作期间应当使用规范化文明用语、提倡使用()。
点击查看答案
本题答案:普通话
本题解析:试题答案普通话
21、填空题 电力系统的运行电压水平同无功功率平衡密切相关。电压调整的主要手段是:改变发电机端电压;改变变压器的变比;()。
点击查看答案
本题答案:无功功率补偿
本题解析:试题答案无功功率补偿
22、单项选择题 发电机通过旋转而产生电动势,它是一种能连续提供电流的装置,所以称它为()。
A、电源
B、电动势
C、电压源
点击查看答案
本题答案:A
本题解析:暂无解析
23、单项选择题 以下主接线形式中,有汇流母线的是()。
A、内桥接线
B、单元接线
C、角形接线
D、一台半断路器接线
点击查看答案
本题答案:D
本题解析:暂无解析
24、问答题 什么叫接闪器?其主要功能是什么?
点击查看答案
本题答案:接闪器又称受雷装置,是接受雷电流的金属导体,常用的有避雷针、
本题解析:试题答案接闪器又称受雷装置,是接受雷电流的金属导体,常用的有避雷针、避雷线和避雷网(带)三种类型。接闪器的功能是将雷电吸引到自身,并经引下线和接地装置将雷电流安全地泄入大地,从而保护附近的电力设备和建筑物免遭雷击。
25、填空题 《供电监管办法》规定,供电企业违反国家有关供电监管规定的,电力监管机构应当依法查处并予以记录;造成重大损失或者重大影响的,电力监管机构可以对供电企业的()和()依法提出处理意见和建议。
点击查看答案
本题答案:主管人员;其他直接责任人员
本题解析:试题答案主管人员;其他直接责任人员
26、单项选择题 选择下列电气设备时,不需要校验动稳定的是()
A、断路器
B、电压互感器
C、隔离开关
D、电流互感器
点击查看答案
本题答案:B
本题解析:暂无解析
27、填空题 电力供应方法和形式,一般依据()、()以及()的供电能力等原因素确定。
点击查看答案
本题答案:国家的有关政策;用户的用电需求;电力系统
本题解析:试题答案国家的有关政策;用户的用电需求;电力系统
28、单项选择题 《国家电网公司供电服务规范》第十一条规定:客户在营业窗口办理用电业务的等候时间不超过20分钟,交费时间不超过()分钟。
A.30
B.20
C.3
D.5
点击查看答案
本题答案:D
本题解析:暂无解析
29、填空题 110kV以下三芯电缆的电缆终端金属护层应直接与变电站()连接。
点击查看答案
本题答案:接地装置
本题解析:试题答案接地装置
30、单项选择题 双母线接线形式的变电站,当母联断路器断开运行时,如一条母线发生故障,对于母联电流相位比较式母差保护会()。
A.仅选择元件动作
B.仅差动元件动作
C.差动元件和选择元件均动作
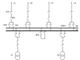
D.差动元件和选择元件均不动作
点击查看答案
本题答案:B
本题解析:暂无解析
31、问答题 电能对电力系统有哪些要求?
点击查看答案
本题答案:保证供电的可靠性;保证良好的电能质量;为用户提供充足的
本题解析:试题答案保证供电的可靠性;保证良好的电能质量;为用户提供充足的电能;提高电力系统运行的经济性。
32、单项选择题 《供电监管办法》规定,供电企业应当按照国家有关规定选择、安装、校验电压监测装置,监测和统计用户电压情况。监测数据和统计数据应当及时、()、完整。
A.及时
B.真实
C.完整
D.有效
点击查看答案
本题答案:B
本题解析:暂无解析
33、填空题 《供电监管办法》规定为了加强供电监管,(),(),()的合法权益和社会公共利益,根据《电力监管条例》和国家有关规定,制定本办法。
点击查看答案
本题答案:规范供电行为;维护供电市场秩序;保护电力使用者
本题解析:试题答案规范供电行为;维护供电市场秩序;保护电力使用者
34、填空题 对继电保护装置的基本要求是选择性、()、灵敏性、可靠性。
点击查看答案
本题答案:速动性
本题解析:试题答案速动性
35、问答题 过电流保护装置的动作电流和动作时间应如何整定?如何提高过电流保护的灵敏度?
点击查看答案
本题答案:过电流保护装置的动作电流必须满足以下两个条件:保护装置的动作
本题解析:试题答案过电流保护装置的动作电流必须满足以下两个条件:保护装置的动作电流必须躲过线路上的最大负荷电流;保护装置在外部故障切除后应可靠返回到原始位置。
当过电流保护的灵敏度不满足要求时,可采用低电压闭锁的过电流保护来提高其灵敏度。
36、问答题
如下图所示为单侧电源辐射型电网中过流保护的配置,1、2、3为过流保护装置,请绘出保护装置的动作时限特性,并说明如何满足保护的选择性。

点击查看答案
本题答案:
试题答案
37、问答题 功率因数低的不良影响有哪些?如何提高企业的自然功率因数?
点击查看答案
本题答案:功率因数低将会引起线路的总电流增大,使供电网络中的功率
本题解析:试题答案功率因数低将会引起线路的总电流增大,使供电网络中的功率损耗和电能损耗增大;使供电网络的电压损失增大,影响负荷端的电压质量;使供配电设备的容量不能得到充分利用,降低了供电能力;使发电机的出力下降,发电设备效率降低,发电成本提高。
提高企业的自然功率因数的方法有:正确选用感应电动机的型号和容量;限制感应电动机的空载运行;提高感应电动机的检修质量;合理使用变压器;感应电动机同步化运行。
38、问答题 配电载波通信主要由哪些设备构成?
点击查看答案
本题答案:配电载波通信用到的主要设备有:在主变电站安装的多路载波
本题解析:试题答案配电载波通信用到的主要设备有:在主变电站安装的多路载波机(称主站设备)、在线路各测控对象处安放的配电线载波机(称从站设备)和高频通道。
39、问答题 《供电营业规则》规定:用户重要负荷的保安电源,可由供电企业提供,也可由用户自备。遇有什么情况,保安电源应由用户自备?
点击查看答案
本题答案:用户重要负荷的保安电源,可由供电企业提供,也可由用户自
本题解析:试题答案用户重要负荷的保安电源,可由供电企业提供,也可由用户自备。遇有下列情况之一者,保安电源应由用户自备;
(1)在电力系统瓦解或不可抗力造成供电中断时,仍需保证供电的;
(2)用户自备电源比从电力系统供给更为经济合理的供电企业向有重要负荷的用户提供的保安电源,应符合独立电源的条件。有重要负荷的用户在取得供电企业供给的保安电源的同时,还应有非电性质的应急措施,以满足安全的需要。
40、单项选择题
如图3.1,中阻抗型母差保护中使用的母联断路器电流取自靠II母侧电流互感器,如母联断路器的跳闸保险烧坏(即断路器无法跳闸),现II母发生故障,在保护正确工作的前提下将不会出现的是:()。

A.II母差动保护动作,丙、丁断路器跳闸,甲、乙线路因母差保护停信由对侧高频闭锁保护在对侧跳闸,切除故障,全站失压
B.II母差动保护动作,丙、丁断路器跳闸,失灵保护动作,跳甲、乙断路器,切除故障,全站失压
C.II母差动保护动作,丙、丁断路器跳闸,因母联断路器跳不开,导致I母差动保护动作,跳甲、乙两条线路,全站失压
点击查看答案
本题答案:A
本题解析:暂无解析
41、单项选择题 《供电监管办法》规定,供电监管应当依法进行,并遵循公开、()和效率的原则。
A.公平
B.公正
C.依法
点击查看答案
本题答案:B
本题解析:暂无解析
42、问答题
设供电系统如下图所示,母线a处的三相短路容量为115MVA,母线a的电压为10.5kV,母线b的电压为121kV。线路L长度为80km,单位长度的阻抗为0.4Ω/km(略去对地支路)。变压器的参数:SL-31500/110,Uk%=10.5(略去其它参数)。求c母线k1点发生三相短路时的短路电流周期分量、冲击电流、短路容量。

点击查看答案
本题答案:
试题答案
43、填空题 供电企业应当依照《供电企业信息公开实施办法》等相关法律法规开展()工作,保障用户的知情权。
点击查看答案
本题答案:供电信息的公开的披露
本题解析:试题答案供电信息的公开的披露
44、单项选择题 《供电监管办法》规定,供电企业发现用电设施存在安全隐患,应当()用户采取有效措施进行治理。
A.告知
B.及时告知
C.当面告知
D.通知
点击查看答案
本题答案:B
本题解析:暂无解析
45、单项选择题 Yº/Δ-11表示变压器为11点接线,它说明该变压器高、低压侧线电压的()关系。
A、相位
B、变比
C、接线
点击查看答案
本题答案:A
本题解析:暂无解析
46、单项选择题 在公共场所施工,应有安全措施,悬挂()、安全标志,并配有礼貌用语。
A、警告牌
B、工期倒计时牌
C、提示标志
D、施工单位标志
点击查看答案
本题答案:D
本题解析:暂无解析
47、填空题 《供电监管办法》规定,电力监管机构对供电企业公平、无歧视开放供电市场的情况实施监管。供电企业不得()拒绝用户用电申请。
点击查看答案
本题答案:无正当理由
本题解析:试题答案无正当理由
48、问答题 绘出双母线接线的主接线图,并说明当工作母线需要检修时应进行怎样的倒闸操作。
点击查看答案
本题答案:倒闸操作过程如下:
1)合QS01、QS02
本题解析:试题答案倒闸操作过程如下:
1)合QS01、QS02,合QF0,对母线W2充电;
1)合QS12,断QS11,将出线L1倒换到母线W2供电。同理,可将其他回路倒到母线W2;
1)当全部进出线都倒闸到W2,断QF0,断QS01、QS02,W1停电检修。

49、填空题 列举四种短路的类型三相短路、()、单相接地短路、两相接地短路。
点击查看答案
本题答案:两相短路
本题解析:试题答案两相短路
50、问答题 什么是重合器的时间—电流特性曲线?有几种?
点击查看答案
本题答案:重合器可以代替变电站的出线断路器,其功能是:当线路发生故障后
本题解析:试题答案重合器可以代替变电站的出线断路器,其功能是:当线路发生故障后,重合器通过检测确认为故障电流时将自动跳闸,并按预先整定的动作顺序及时间间隔进行若干次合、分循环操作。如果重合成功,线路恢复供电,则自动终止后续动作,并经一段延时后恢复到初始的整定状态,为下一次故障做好准备;如果重合器完成预先整定的重合次数后仍重合失败,则自动进行闭锁,不再重合,保持在分闸状态。待故障排除后,只有通过手动复位才能解除闭锁。
重合器的时间—电流特性曲线是指重合器的开断时间与开断电流之间的关系曲线。重合器一般有两种时间—电流特性曲线,一种为快速动作时间—电流特性曲线,一般只有一条;另一种为慢速动作时间—电流特性曲线,可以有多条。
51、问答题 变电所信号装置按用途可分为哪几种?
点击查看答案
本题答案:变电所中的信号装置按用途分,有断路器位置信号、事故信号和预告
本题解析:试题答案变电所中的信号装置按用途分,有断路器位置信号、事故信号和预告信号。
52、填空题 中间检查应当根据审核同意的设计方案进行,检查内容一般包括()、()的埋设等隐藏工程。
点击查看答案
本题答案:电缆沟工程;接电装置
本题解析:试题答案电缆沟工程;接电装置
53、填空题 冲击式水轮机中,()用来调节水流量的大小,从而改变水轮机的输出功率。
点击查看答案
本题答案:(喷针)
本题解析:试题答案(喷针)
54、问答题 “电晕现象”的表现形式及危害 有哪些?(6%)
点击查看答案
本题答案:现象:(1)“滋滋”的放电声
(2)导线周围发生
本题解析:试题答案现象:(1)“滋滋”的放电声
(2)导线周围发生蓝紫色荧光,
(3)有氧分子被游离后又结合成臭氧(O3)的气味
危害:(1)电晕消耗有功功率、消耗电能的;
(2)电磁干扰;
(3)导线表面发生腐蚀、降低导线的使用寿命。
55、填空题 微波塔上的航标灯电源线应选用金属外皮电缆或将导线穿入金属管,金属外皮或金属管至少应在上下两端与塔身金属结构连接,进机房前应水平直埋()以上,埋深应大4于0.6m。
点击查看答案
本题答案:10m
本题解析:试题答案10m
56、问答题 跨步电压?保护接零?
点击查看答案
本题答案:当人在分布电压区域内跨开一步,两脚间(相距0.8m)所承受的
本题解析:试题答案当人在分布电压区域内跨开一步,两脚间(相距0.8m)所承受的电压称为跨步电压。
保护接零:将用电设备的金属外壳与电源(发电机或变压器)的接地中性线作金属性连接,并要求供电给用电设备的线路,在用电设备一相碰壳时,能够在最短的时限内可靠地断开。
57、问答题 电力系统电源中性点接地方式有哪些?优缺点及我国目前用在电压等级。
点击查看答案
本题答案:电力系统电源中性点接地方式有:电源中性点直接接地系统、
本题解析:试题答案电力系统电源中性点接地方式有:电源中性点直接接地系统、电源中性点不接地系统、电源中性点不直接接地系统。其中电源中性点直接接地系统称为大电流接地系统,后面两种称为小电流接地系统。
大电流接地系统优点主要是设备的绝缘只需按相电压配置,缺点是供电可靠性差些,当发生单相短路时得中断供电。小电流接地系统的优点在于供电可靠性较高,当发生单相接地时不需要马上中断供电,缺点是设备的绝缘得按线电压配置。
目前我国在3-35kV电压等级用小电流接地系统;380V、110kV及以上采用大电流接地系统。
58、单项选择题 《供电监管办法》规定,()可以在用户中依法开展供电满意度调查等供电情况调查,并向社会公布调查结果。
A.电力监管机构
B.用户
C.供电企业
D.第三方
点击查看答案
本题答案:A
本题解析:暂无解析
59、填空题 《供电营业规则》规定,供电企业应在用电营业场所公告办理各项用电业务的()、()和()。
点击查看答案
本题答案:程序;制度;收费标准
本题解析:试题答案程序;制度;收费标准
60、填空题 因()引起停电,客户询问时,应告知客户停电原因,并主动致歉。
点击查看答案
本题答案:输配电设备事故、检修
本题解析:试题答案输配电设备事故、检修
61、单项选择题 《供电监管办法》规定,供电企业应当对用户受电工程建设提供必要的();发现用户受电设施存在严重威胁电力系统安全运行和人身安全的隐患时,应当指导其立即消除,在隐患消除前不得送电。
A.业务咨询
B.技术标准咨询
C.业务咨询和技术标准咨询
D.帮助和服务
点击查看答案
本题答案:C
本题解析:暂无解析
62、填空题 《供电监管办法》规定,电力监管机构依法履行职责,可以采取下列措施:进行现场检查:进入()进行检查;询问供电企业的工作人员,要求其对有关()作出说明。对检查中发现的(),可以当场予以纠正或者要求限期改正。
点击查看答案
本题答案:供电企业;检查事项;违法行为
本题解析:试题答案供电企业;检查事项;违法行为
63、名词解释 发电煤耗率
点击查看答案
本题答案:每发一度电需要消耗多少克(千克)的标准煤。
本题解析:试题答案每发一度电需要消耗多少克(千克)的标准煤。
64、问答题 《供电营业规则》对供电设施的运行维护管理范围,按产权归属确定。责任分界点按下什么确定?
点击查看答案
本题答案:(1)公用低压线路供电的,以供电接户线用户端最后支持物
本题解析:试题答案(1)公用低压线路供电的,以供电接户线用户端最后支持物为分界点,支持物属供电企业。
(2)10干伏及以下公用高压线路供电的,以用户厂界外或配电室前的第一断路器或第一支持物为分界点,第一断路器或第一支持物属供电企业。
(3)35千伏及以上公用高压线路供电的,以用户厂界外或用户变电站外第一基电杆为分界点。第一基电杆属供电企业。
(4)采用电缆供电的,本着便于维护管理的原则,分界点由供电企业与用户协商确定。
(5)产权属于用户且由用户运行维护的线路,以公用线路分支杆或专用线路接引的公用变电站外第一基电杆为分界点,专用线路第一基电杆属用户。
在电气上的具体分界点,由供用双方协商确定。
65、填空题 《供电服务规范》中指出,趸购转售电企业是一类特殊用户。其中,趸购转售指从()趸购电能,再向其()的用户售电的经营方式。
点击查看答案
本题答案:大电网;营业区内
本题解析:试题答案大电网;营业区内
66、单项选择题 《供电监管办法》规定,用电设施产生谐波、冲击负荷影响供电质量或者干扰电力系统安全运行的,供电企业应当及时告知用户采取有效措施予以消除;用户不采取措施或者采取措施不力,产生的谐波、冲击负荷仍超过国家标准的,供电企业可以按照国家有关规定拒绝其接入电网或者()。
A.限制负荷
B.终止供电
C.中止供电
D.终止合同
点击查看答案
本题答案:C
本题解析:暂无解析
67、填空题 《供电监管办法》规定,电力监管机构对供电企业公平、无歧视开放供电市场的情况实施监管。供电企业违反规定,由电力监管机构责令改正,拒不改正的,处()罚款;对直接负责的主管人员和其他直接责任人员,依法给予处分;情节严重的,可以()。
点击查看答案
本题答案:10万元以上100万元以下;吊销电力业务许可证
本题解析:试题答案10万元以上100万元以下;吊销电力业务许可证
68、单项选择题 母联电流相位比较式母线差动保护当母联断路器和母联断路器的电流互感器之间发生故障时()。
A.将会快速切除非故障母线,而故障母线反而不能快速切除
B.将会快速切除故障母线,非故障母线不会被切除
C.将会快速切除故障母线和非故障母线
D.故障母线和非故障母线均不会被切除
点击查看答案
本题答案:A
本题解析:暂无解析
69、填空题 《供电营业规则》规定,供电企业和用户分工维护管理的供电和受电设备,除另有约定者外,未经管辖单位同意,对方不得()或();如因紧急事故必须操作或更动者,事后应()。
点击查看答案
本题答案:操作;更动;迅速通知管辖单位
本题解析:试题答案操作;更动;迅速通知管辖单位
70、问答题 阐述常规火电厂的基本生产过程。
点击查看答案
本题答案:将燃料送入锅炉,燃料在锅炉中燃烧,释放出大量的热能,水
本题解析:试题答案将燃料送入锅炉,燃料在锅炉中燃烧,释放出大量的热能,水经水泵引入锅炉中管道,吸收热量后成为高压、高温的蒸汽,经管道有控制地送入汽轮机,蒸汽在汽轮机内降压降温,其热能转换成汽轮机转轴旋转机械能,高速旋转的汽轮机转轴拖动发电机实现机械能转换为电能,发电机送出的电能由升压变压器升压后送入电力系统,而做功后的乏汽(汽轮机的排汽)进入凝汽器被冷却水冷却,凝结成水由给水泵重新打回锅炉,如此周而复始,不断生产出电能。
71、填空题 对继电保护的基本要求是()、速动性、灵敏性、可靠性。
点击查看答案
本题答案:选择性
本题解析:试题答案选择性
72、问答题 按保护接地的方式不同,低压配电系统可分为哪几类?
点击查看答案
本题答案:按保护接地的方式不同,低压配电系统可分为TN系统、TT系统和
本题解析:试题答案按保护接地的方式不同,低压配电系统可分为TN系统、TT系统和IT系统三类。
73、填空题 《供电监管办法》规定,()应当审核()、()的情况,按照国家有关规定()不符合规定的用电设施接入电网。
点击查看答案
本题答案:供电企业;用电设施产生谐波;冲击负荷;拒绝
本题解析:试题答案供电企业;用电设施产生谐波;冲击负荷;拒绝
74、单项选择题 《供电监管办法》规定,在电力系统正常的情况下,城市地区年供电可靠率不低于()。
A.98%
B.99%
C.98.9%
D.99.9%
点击查看答案
本题答案:B
本题解析:暂无解析
75、问答题 什么叫过电流继电器的动作电流、返回电流和返回系数?
点击查看答案
本题答案:能使电流继电器产生动作的最小电流,称为继电器的动作电流;能使
本题解析:试题答案能使电流继电器产生动作的最小电流,称为继电器的动作电流;能使电流继电器返回到原始位置的最大电流,称为继电器的返回电流;同一继电器的返回电流与动作电流的比值,称为电流继电器的返回系数。
76、单项选择题 蓄电池电动势大小与()无关。
A、极板的大小
B、蓄电池内阻的大小
C、蓄电池比重的高低
点击查看答案
本题答案:A
本题解析:暂无解析
77、问答题 电力负荷按重要程度分为哪几级?各级负荷对供电电源有什么要求?
点击查看答案
本题答案:电力负荷按对供电可靠性的要求可分为一级负荷、二级负荷和三级负
本题解析:试题答案电力负荷按对供电可靠性的要求可分为一级负荷、二级负荷和三级负荷三类。一级负荷应由两个独立电源供电;二级负荷应由两回线路供电;三级负荷对供电电源无特殊要求。
78、名词解释 供电煤耗率
点击查看答案
本题答案:每供一千瓦时电需要消耗多少克(千克)的标准煤。
本题解析:试题答案每供一千瓦时电需要消耗多少克(千克)的标准煤。
79、单项选择题 《国家电网公司供电服务规范》规定:供电设施权属客户,供电企业所提供的服务属于()。
A.有偿服务;
B.无偿服务;
C.特别服务;
D.柜台服务。
点击查看答案
本题答案:A
本题解析:暂无解析
80、问答题 互感器在运行时的注意事项有哪些?
点击查看答案
本题答案:互感器在运行时的注意事项有:
二次侧一端有效接地
本题解析:试题答案互感器在运行时的注意事项有:
二次侧一端有效接地;
注意接线极性;
电流互感器二次侧不允许开路;
电压互感器二次侧不允许短路。
81、问答题 母线截面积的选择方法有哪些?什么叫经济电流密度?
点击查看答案
本题答案:选择母线截面积的方法有两种:按最大长期工作电流选择、按
本题解析:试题答案选择母线截面积的方法有两种:按最大长期工作电流选择、按经济电流密度选择两种。能使电能损耗小,又不致过分增加线路投资和维护管理费用的导体截面积,此截面称为经济截面积。导体单位经济面积通过的电流称为经济电流密度。
82、填空题 《供电监管办法》规定,供电企业应当严格执行国家电价政策,按照()或者(),依据计量检定机构依法认可的()的记录,向用户计收电费。
点击查看答案
本题答案:国家核准电价;市场交易价;用电计量装置
本题解析:试题答案国家核准电价;市场交易价;用电计量装置
83、问答题 变电所常用操作电源有哪几种类型?各有什么特点?
点击查看答案
本题答案:变电所常用操作电源分为直流和交流两大类。
直
本题解析:试题答案变电所常用操作电源分为直流和交流两大类。
直流操作电源可分为由蓄电池供电的直流操作电源和由硅整流器供电的直流操作电源两种。由蓄电池供电的直流操作电源是一种与电力系统运行方式无关的独立电源系统,在发电厂和变电所发生故障甚至交流电压完全消失的情况下,仍能可靠工作,供电可靠性高,但运行维护工作量较大,使用寿命较短,价格较贵,并需要许多辅助设备,主要应用于发电厂和大型变电所,而在中小型变电所中多采用硅整流型直流操作电源。
交流操作电源具有投资小、接线简单可靠、运行维护方便等优点,但它不适用于较复杂的继电保护、自动装置及其他器二次回路等,广泛用于中小型变电所中采用手动操作或弹簧储能操作及继电保护采用交流操作的场合。
84、填空题 输电线路的电气参数包括电抗、电导、电纳和()。
点击查看答案
本题答案:电阻
本题解析:试题答案电阻
85、填空题 《供电监管办法》规定,电力监管机构对供电企业公平、无歧视开放供电市场的情况实施监管。供电企业不得违反市场竞争规则,以()损害竞争对手的商业信誉或者排挤竞争对手
点击查看答案
本题答案:不正当手段
本题解析:试题答案不正当手段
86、填空题 继电保护装置一般由()、()、()三部分构成。
点击查看答案
本题答案:(测量部分/元件、逻辑部分/元件、执行部分/元件)
本题解析:试题答案(测量部分/元件、逻辑部分/元件、执行部分/元件)
87、单项选择题 发电机在带负荷运行时,发电机与负载之间只存在着能量()。
A、消耗过程
B、交换过程
C、消耗和交换过程
点击查看答案
本题答案:C
本题解析:暂无解析
88、填空题 供电企业在新装、换装及现场校验后应(),并请客户在工作凭证上签章。如居民客户不在家,应以其它方式通知其电表底数。拆回的电能计量装置应在表库至少存放(),以便客户提出异议时进行复核。
点击查看答案
本题答案:对电能计量装置加封;1个月
本题解析:试题答案对电能计量装置加封;1个月
89、问答题
额定电压110KV的辐射型电网各段阻抗及负荷如下图所示。已知电源A的电压为121KV,求功率分布和各母线电压(注:考虑功率损耗,可以不计电压降落的横分量δU)。

点击查看答案
本题答案:
试题答案
90、填空题 自受电装置检验合格并办结相关手续之日起,装表接电的期限应当符合:供压电力用户不超过()个工作日。
点击查看答案
本题答案:5
本题解析:试题答案5
91、问答题 某变电所装有一台S9—3150/35型的三相双绕组变压器,额定电压为35/10.5kV,试求变压器的阻抗及导纳参数,并作出其等效电路。
点击查看答案
本题答案:
试题答案
92、问答题 提高微机保护可靠性的措施有哪些?
点击查看答案
本题答案:微机保护的可靠性主要是抗干扰问题。防止干扰进入微机保护
本题解析:试题答案微机保护的可靠性主要是抗干扰问题。防止干扰进入微机保护装置的主要措施有:接地的处理,屏蔽与隔离,滤波、退耦和旁路,对供电电源的要求,合理地分配和布置插件;抑制窜入干扰影响的软硬件措施有:采样数据的干扰辩识,出口密码校核,复算校核,程序出轨的自恢复;装置故障的自检包括:CPU的检测,RAM的检测,EPROM的检测,数据采集系统的检测,出口通道的检测和成组功能的检测。
93、单项选择题 需要加电压闭锁的母差保护,所加电压闭锁环节应加在()。
A.母差各出口回路
B.母联出口
C.母差总出口
点击查看答案
本题答案:A
本题解析:暂无解析
94、问答题 变电站电气主接线设计的步骤?
点击查看答案
本题答案:1)对设计依据和原始资料进行综合分析;2)拟定可能采用的主接
本题解析:试题答案1)对设计依据和原始资料进行综合分析;2)拟定可能采用的主接线形式;3)确定主变的容量和台数;4)厂用电源的引接方式;5)论证是否需要限制短路电流,并采取什么措施;6)对拟定的方案进行技术、经济比较,确定最佳方案;7)选择断路器、隔离开关等电气设备。
95、问答题 避雷针、避雷线和避雷网(带)各用在什么场合?
点击查看答案
本题答案:避雷针主要用于保护发电厂、变电站及其他独立的建筑物;避雷线主
本题解析:试题答案避雷针主要用于保护发电厂、变电站及其他独立的建筑物;避雷线主要用于保护输电线路或建筑物的某些部位;避雷网主要用于保护重要建筑物或高山上的文物古迹等。
96、问答题 熔断器的主要功能是什么?什么是“限流”式熔断器?
点击查看答案
本题答案:熔断器的主要功能是对电路及其设备进行短路或过负荷保护。“限流
本题解析:试题答案熔断器的主要功能是对电路及其设备进行短路或过负荷保护。“限流”式熔断器是指熔断器的灭弧能力很强,灭弧速度很快,能在短路电流未达到冲击值以前完全熄灭电弧。
97、问答题 什么是继电保护的接线系数?
点击查看答案
本题答案:在继电保护回路中,流入继电器中的电流与对应电流互感器的二次电
本题解析:试题答案在继电保护回路中,流入继电器中的电流与对应电流互感器的二次电流的比值,称为接线系数。
98、填空题 《供电营业规则》规定,用户需要的电压等级在()干伏及以上时,其受电装置应作为终端变电站设计,方案需经()企业审批。
点击查看答案
本题答案:110;省电网经营
本题解析:试题答案110;省电网经营
99、单项选择题 构成电力网的主要设备有()。
A.变压器,用户
B.变压器,电力线路
C.电缆,架空线
D.电阻,电容
点击查看答案
本题答案:B
本题解析:暂无解析
100、单项选择题 变压器正常运行时发出()。
A、间断的嗡嗡声
B、均匀的嗡嗡声
C、均匀的沸腾声
D、间断的沸腾声
点击查看答案
本题答案:B
本题解析:暂无解析
101、问答题 电力系统中进行无功补偿的意义,无功补偿的措施主要有哪些?
点击查看答案
本题答案:电力系统中进行无功补偿的意义:
减少系统元件的容
本题解析:试题答案电力系统中进行无功补偿的意义:
减少系统元件的容量,提高电网的输送能力;
降低电网络的功率损耗和电能损耗;
改善电网电压质量。
无功补偿的措施主要有:
用同步发电机进行补偿;利用调相机进行补偿;利用电容器组进行补偿;利用静止补偿装置进行无功补偿。
102、单项选择题 关于配电变压器熔丝的选择下面哪种说法是正确的()。
A.容量在100kVA.及以下者,高压侧熔丝按变压器额定电流的1.5-2倍选择
B.容量在100kVA.及以上者,高压侧熔丝按变压器额定电流的2—3倍选择
C.变压器低压侧熔丝(片)或断路器长延时整定值按变压器额定电流选择
D.普通地段,居民稀疏区域宜设置单相接地保护
点击查看答案
本题答案:C
本题解析:暂无解析
103、问答题
试确定图1-12所示供电系统中发电机和所有变压器的额定电压。

点击查看答案
本题答案:发电机G:10.5kV;变压器T1:10.5/242k
本题解析:试题答案发电机G:10.5kV;变压器T1:10.5/242kV;变压器T2:10/3.3kV;变压器T3:220/38.5kV;变压器T4:220/121/38.5kV;变压器T5:35/6.6kV
104、单项选择题 《供电监管办法》规定,供电企业违反国家有关供电监管规定的,电力监管机构应当依法查处并予以记录;造成重大损失或者重大影响的,电力监管机构可以对供电企业的()依法提出处理意见和建议。
A.主管人员
B.直接责任人员
C.主管人员和其他直接责任人员
D.有关人员
点击查看答案
本题答案:C
本题解析:暂无解析
105、填空题 《供电监管办法》规定,电力监管机构从事监管工作的人员违反电力监管有关规定,损害()、()的合法权益以及社会公共利益的,依照国家有关规定追究其责任;应当承担纪律责任的,依法给予处分;构成犯罪的,依法追究刑事责任。
点击查看答案
本题答案:供电企业;用户
本题解析:试题答案供电企业;用户
106、单项选择题 当电源电压高于变压器分接头的额定电压较多时,对110KV及以上大容量变压器的()危害最大。
A、对地绝缘
B、相间绝缘
C、匝间绝缘
点击查看答案
本题答案:C
本题解析:暂无解析
107、问答题 分段器按判断故障方式的不同,可分哪两类?
点击查看答案
本题答案:分段器按判断故障方式的不同,可分为过流脉冲计数型分段器和电压
本题解析:试题答案分段器按判断故障方式的不同,可分为过流脉冲计数型分段器和电压—时间型分段器两类。
108、单项选择题 《供电监管办法》规定,供电企业应当按照国家有关规定加强重要电力用户安全供电管理,指导重要电力用户()自备应急电源。
A.配置和使用
B.配置
C.使用
D.安装
点击查看答案
本题答案:A
本题解析:暂无解析
109、单项选择题 营业场所外设置规范的()。
A、供电企业标志和95598小型灯箱
B、供电企业标志和营业时间牌
C、营业厅铭牌和营业时间牌
D、95598小型灯箱和营业时间牌
点击查看答案
本题答案:B
本题解析:暂无解析
110、单项选择题 以()为目标,开展电力需求侧管理和服务活动,减少客户用电成本,提高用电负荷率。
A、实现电力增供扩销
B、追求供用电双方利益共赢
C、实现全社会电力资源优化配置
D、树立供电企业形象
点击查看答案
本题答案:C
本题解析:暂无解析
111、问答题
一条10kV线路向两个用户供电,允许电压损失为5%,环境温度为30℃,其他参数如图3-26所示,若用相同截面的LJ型架空线路,试按允许电压损失选择其导线截面,并按发热条件和机械强度进行校验。

点击查看答案
本题答案:
试题答案
112、问答题 什么是变电站综合自动化?
点击查看答案
本题答案:变电站综合自动化是将变电站二次设备(包括测量仪表、信号系统、
本题解析:试题答案变电站综合自动化是将变电站二次设备(包括测量仪表、信号系统、继电保护、自动装置和远动装置等)经过功能的组合和优化设计,利用先进的计算机技术、现代电子技术、通信技术和信号处理技术,实现对全变电站的主要设备和输、配电线路的自动监视、测量、自动控制和微机保护,以及与调度通信等综合性的自动化功能。
113、问答题 某高压用户需报装630kVA容量的用电,因工期紧,又对供电企业业扩流程不熟悉,经熟人介绍,于2011年5月10号,到供电关联企业委托工程的设计安装和设备采购。经充分协商后,5月12日,供电关联企业与客户签订了相关合同;5月20日,完成了全部设计;6月20日,完成了工程的施工安装;6月22日,供电关联企业代用户向供电企业申请通电。6月23日,供电企业接到申请后,主动联系客户,并请客户补办了业扩申请、供电方案、审图、中间检查和竣工检验等相关表式。6月23日下午,供电企业给予装表接电。请结合《供电监管办法》、《供电营业规则》和公司相关规定,分析供电企业和关联企业存在哪些“三指定”问题。
点击查看答案
本题答案:1、关联企业存在提前介入业扩报装流程问题;
本题解析:试题答案1、关联企业存在提前介入业扩报装流程问题;
2、关联设计单位存在未收到供电方案进行图纸设计的问题;
3、供电企业让未经审图的图纸通过设计审核;
4、关联施工企业存在未收到通过审图的施工图纸进行施工;
5、关联施工企业存在未经中间检查继续进行施工的问题;
6、供电企业存在让未经中间检查、竣工检验的工程装表接电的问题。
114、单项选择题 为了验证中阻抗母差保护的动作正确性,可按以下()方法进行带负荷试验。
A.短接一相母差电流互感器的二次侧,模拟母线故障
B.短接一相辅助变流器的二次侧,模拟母线故障
C.短接负荷电流最大连接元件一相母差电流互感器的二次侧,并在可靠短接后断开辅助变流器一次侧与母差电流互感器二次的连线
点击查看答案
本题答案:C
本题解析:暂无解析
115、问答题 什么叫最大负荷损耗小时?它与哪些因素有关?
点击查看答案
本题答案:年最大负荷损耗小时数实际上也是一个假想时间,在此时间内
本题解析:试题答案年最大负荷损耗小时数实际上也是一个假想时间,在此时间内,线路持续通过计算电流所产生的电能损耗,恰好与实际负荷电流全年在线路上产生的电能损耗相等。它与年最大负荷利用小时数Tmax和负荷的功率因数有关。
116、单项选择题 《供电监管办法》规定,给用户装表接电的期限,自()之日起,其他低压供电用户不超过5个工作日,高压供电用户不超过7个工作日。
A.受电装置检验合格
B.办结相关手续
C.受电装置检验合格并办结相关手续
D.完工
点击查看答案
本题答案:C
本题解析:暂无解析
117、问答题 架空线路由哪几部分组成?各部分的作用是什么?
点击查看答案
本题答案:架空线路主要由导线、避雷线、杆塔、绝缘子和金具等部件组
本题解析:试题答案架空线路主要由导线、避雷线、杆塔、绝缘子和金具等部件组成。导线的作用是传输电能;避雷线的作用是将雷电流引入大地,以保护电力线路免遭雷击;杆塔的作用是支撑导线和避雷线,并使导线与导线、导线与大地之间保持一定的安全距离;绝缘子的作用是使导线与杆塔之间保持绝缘;金具是用来连接导线和绝缘子的金属部件的总称。
118、问答题 《供电监管办法》规定:电力监管机构对供电企业履行电力社会普遍服务义务的情况实施监管。内容是什么?
点击查看答案
本题答案:供电企业应当按照国家规定履行电力社会普遍服务义务,依法
本题解析:试题答案供电企业应当按照国家规定履行电力社会普遍服务义务,依法保障任何人能够按照国家规定的价格获得最基本的供电服务。
119、单项选择题 《供电监管办法》规定,供电企业工作人员到达现场抢修的时限,自接到报修之时起,城区范围不超过()分钟。因天气、交通等特殊原因无法在规定时限内到达现场的,应当向用户做出解释。
A.30
B.60
C.120
D.240
点击查看答案
本题答案:B
本题解析:暂无解析
120、填空题 《供电监管办法》规定,供电企业应当坚持()、()、()的方针,遵守有关供电安全的法律、法规和规章,加强供电安全管理,建立、健全供电安全责任制度,完善安全供电条件,维护电力系统安全稳定运行,依法处置供电突发事件,保障电力稳定、可靠供应。
点击查看答案
本题答案:安全第一;预防为主;综合治理
本题解析:试题答案安全第一;预防为主;综合治理
121、多项选择题 电气设备选择的一般原则有()。
A.应满足正常运行、检修、短路和过电压情况下的要求,并考虑远景发展
B.与整个工程的建设标准应协调一致
C.同类设备应尽量减少品种
D.选用的新产品均应具有可靠的试验数据,并经正式鉴定合格
点击查看答案
本题答案:A, B, C, D
本题解析:暂无解析
122、填空题 供电企业应当向申请用电的用户书面答复供电方案,向用户提供供电方案的期限应当符合:自受理之日起,居民用户不超过()工作日。
点击查看答案
本题答案:3
本题解析:试题答案3
123、问答题 《供电服务规范》中电力需求侧管理的概念?
点击查看答案
本题答案:通过采取有效的激励措施,引导电力用户改变用电方式,提高
本题解析:试题答案通过采取有效的激励措施,引导电力用户改变用电方式,提高终端用电效率,优化资源配置,改善和保护环境,实现最小社会成本电力服务所进行的用电管理活动。
124、多项选择题 变电所中用以防御直击雷的主要措施是()。
A、避雷针
B、避雷线
C、避雷带
D、避雷器
点击查看答案
本题答案:A, B
本题解析:暂无解析
125、问答题 《供电服务规范》中的诚信服务规范有哪些内容?
点击查看答案
本题答案:(1)公布服务承诺、服务项目、服务范围、服务程序、收费
本题解析:试题答案(1)公布服务承诺、服务项目、服务范围、服务程序、收费标准和收费依据,接受社会与客户的监督;
(2)从方便客户出发,合理设置供电服务营业网点或满足基本业务需要的代办点,并保证服务质量;
(3)根据国家有关法律法规,本着平等、自愿、诚实信用的原则,以合同形式明确供电企业与客户双方的权利和义务,明确产权责任分界点,维护双方的合法权益;
(4)严格执行国家规定的电费电价政策及业务收费标准,严禁利用各种方式和手段变相扩大收费范围或提高收费标准;
(5)聘请供电服务质量监督员,定期召开客户座谈会并走访客户,听取客户意见,改进供电服务工作;
(6)经常开展安全供用电宣传;
(7)以实现全社会电力资源优化配置为目标,开展电力需求侧管理和服务活动,减少客户用电成本,提高用电负荷率。
126、单项选择题 《供电监管办法》规定,35千伏专线供电用户和()千伏以上供电用户应当设置电压监测点。
A.35
B.10
C.110
D.220
点击查看答案
本题答案:B
本题解析:暂无解析
127、填空题 《供电服务规范》中规定,供电企业应当为交费用户提供(),用户如需结算清单的,供电企业应当及时提供。
点击查看答案
本题答案:电费发票
本题解析:试题答案电费发票
128、填空题 接到用户报修后,如判断属用户内部故障,应当()用户排查故障。
点击查看答案
本题答案:积极引导
本题解析:试题答案积极引导
129、问答题 什么叫自动重合闸?
点击查看答案
本题答案:自动重合闸装置(ARD)是在线路发生短路故障时,断路器跳闸后
本题解析:试题答案自动重合闸装置(ARD)是在线路发生短路故障时,断路器跳闸后进行的重新合闸,它能提高线路供电的可靠性,主要用于架空线路。
130、问答题 《国家电网公司供电服务规范》中,停、复电服务规范是什么?
点击查看答案
本题答案:(1)因故对客户实施停电时,应严格按照《供电营业规则》
本题解析:试题答案(1)因故对客户实施停电时,应严格按照《供电营业规则》规定的程序办理。
(2)引起停电的原因消除后应及时恢复供电;不能及时恢复供电的,应向客户说明原因。
131、单项选择题 《供电监管办法》规定,供电企业向用户提供供电方案的期限,自受理用户用电申请之日起,其他低压供电用户不超过()个工作日。
A.8
B.3
C.5
D.7
点击查看答案
本题答案:A
本题解析:暂无解析
132、单项选择题 发电机绕组流过电流之后,就在绕组的导体内产生损耗而发热,这种损耗称为().
A、铁损耗
B、铜损耗
C、涡流损耗
点击查看答案
本题答案:B
本题解析:暂无解析
133、填空题 调整发电机组输出的有功功率用来调整电力系统运行的()。
点击查看答案
本题答案:频率
本题解析:试题答案频率
134、填空题 《供电监管办法》规定在电力系统正常的情况下向用户提供电能质量符合()或者()标准。
点击查看答案
本题答案:国家标准;电力行业
本题解析:试题答案国家标准;电力行业
135、问答题 2009年1月12日,某大客户到供电企业申请用电报装,报装容量为31500kVA。客户经理李某,在2009年1月26日答复供电方案时告知客户由于报装容量较大,应采用110kV电压等级供电,而在本市只有供电公司所属的关联多经企业具有四级《承装(修、试)电力设施许可证》且施工质量不错。客户表示只要供电企业报的价格合理,交给供电企业的施工队伍施工比较放心。2010年2月12日,客户受电工程开工。2010年6月15日,客户受电工程基本竣工,客户向供电公司提出竣工验收申请并希望能早点送电,6月26日(星期六)上午,客户经理李某组织相关人员到现场进行竣工验收,并在当天下午组织送电,一直忙到晚上8:30,试送电运行成功后才到客户的员工餐厅吃晚饭。客户表示非常感谢,向供电企业验收送电人员每人赠送了一箱苹果。请对以上业扩报装工作中存在的问题进行分析。
点击查看答案
本题答案:本事件违反以下规定:
(1)《国家电网公司员
本题解析:试题答案本事件违反以下规定:
(1)《国家电网公司员工服务行为“十个不准”》第三条“不准为客户指定设计、施工、供货单位。”(2)《国家电网公司员工服务行为“十个不准”》第九条“不
准接受客户吃请和收受客户礼品、礼金、有价证券等。”
(3)《承装(修、试)电力设施许可证管理办法》第六条“取得三级许可证的,可以从事110千伏以下电压等级电力设施的安装、维修或者试验活动。”
(4)《供电营业规则》第二十一条“高压供电方案的有效期为一年,低压供电方案的有效期为三个月,逾期注销。用户遇有特殊情况,需延长供电方案有效期的,应在有效期到期前十天向供电企业提出申请,供电企业应视情况予以办理延长手续。”
(5)《国家电网公司业扩报装工作规范(试行)》第37条“启动竣工检验的时间,自受理之日起,低压供电客户不超过3个工作日,高压供电客户不超过5个工作日。”
〔暴露问题〕
(1)违反业扩“三不指定”的要求。
(2)施工资质审核把关不严,将不具有施工范围资质的施工队伍引入电力工程建设,留下了安全隐患。(3)对供电方案审核不严,导致供电方案超期。
(4)客户经理服务意识差,未在规定的时限内启动竣工验收,导致送电延迟。
(5)企业员工在工作中,接受客户的吃请、礼品,给供电企业造成不良影响。
〔措施建议〕
(1)加强营销管理,杜绝“三指定”现象发生。
(2)严格按制度进行设计、施工资质、供货单位和产品、供电方案的审查、审核。
(3)增加员工服务意识,真心真意的为客户着想。
(4)加强员工业务技能的学习,不断增强员工的素质教育,树立好企业形象。
136、问答题 《供电监管办法》规定:电力监管机构对供电企业执行国家有关电力行政许可规定的情况实施监管。内容是什么?
点击查看答案
本题答案:供电企业应当遵守国家有关供电营业区、供电业务许可、承装
本题解析:试题答案供电企业应当遵守国家有关供电营业区、供电业务许可、承装(修、试)电力设施许可和电工进网作业许可等规定。
137、名词解释 负荷率
点击查看答案
本题答案:平均负荷与最大负荷的比值。
本题解析:试题答案平均负荷与最大负荷的比值。
138、填空题 因不可抗力、紧急避险或者确有()行为的,可以立即中止供电。
点击查看答案
本题答案:窃电
本题解析:试题答案窃电
139、填空题 减小输出电元件的电抗将()系统的静态稳定性。
点击查看答案
本题答案:提高
本题解析:试题答案提高
140、问答题 我国规定的安全电流是多少?
点击查看答案
本题答案:我国一般采用30mA(50Hz)作为安全电流值,但其触电时间
本题解析:试题答案我国一般采用30mA(50Hz)作为安全电流值,但其触电时间不得超过1s,因此这安全电流值也称为30mA•s。
141、填空题 《国家电网公司供电服务规范》规定在尊重客户、有利于公平结算的前提下,供电企业可采用客户乐于接受的()、结算和()进行抄表收费工作。
点击查看答案
本题答案:技术手段;付费方式
本题解析:试题答案技术手段;付费方式
142、问答题 《供电监管办法》规定:电力监管机构对供电企业向用户受电工程提供服务的情况实施监管。内容是什么?
点击查看答案
本题答案:供电企业应当对用户受电工程建设提供必要的业务咨询和技术标准咨
本题解析:试题答案供电企业应当对用户受电工程建设提供必要的业务咨询和技术标准咨询;对用户受电工程进行中间检查和竣工检验,应当执行国家有关标准;发现用户受电设施存在故障隐患时,应当及时一次性书面告知用户并指导其予以消除;发现用户受电设施存在严重威胁电力系统安全运行和人身安全的隐患时,应当指导其立即消除,在隐患消除前不得送电
143、填空题 输电线路的电压偏移是指线路始端或末端母线的实际运行电压与线路()的数值差。
点击查看答案
本题答案:额定电压额定电压
本题解析:试题答案额定电压额定电压
144、填空题 供电企业对用户受点工程不得指定设计单位、()和设备材料供应单位。
点击查看答案
本题答案:施工单位
本题解析:试题答案施工单位
145、填空题 《供电监管办法》规定,供电企业应当按照国家规定履行电力()义务,依法保障()能够按照国家规定的价格获得最基本的()。
点击查看答案
本题答案:社会普遍服务;任何人;供电服务
本题解析:试题答案社会普遍服务;任何人;供电服务
146、单项选择题 供电系统短路故障中,短路危害最大的短路类型一般为()
A、三相短路
B、两相短路
C、两相接地短路
D、单相短路
点击查看答案
本题答案:A
本题解析:暂无解析
147、问答题 《供电监管办法》规定:电力监管机构对供电企业处理用电投诉的情况实施监管。内容是什么?
点击查看答案
本题答案:供电企业应当建立用电投诉处理制度,公开投诉电话。对用户
本题解析:试题答案供电企业应当建立用电投诉处理制度,公开投诉电话。对用户的投诉,供电企业应当自接到投诉之日起10个工作日内提出处理意见并答复用户。
供电企业应当在供电营业场所设置公布电力服务热线电话和电力监管投诉举报电话的标识,该标识应当固定在供电营业场所的显著位置。
148、单项选择题 电压互感器的容量与它的准确度组级相对应,一般互感器的额定容量与()级相对应的。
A、高准确度
B、低准确度
C、中间准确度
点击查看答案
本题答案:A
本题解析:暂无解析
149、单项选择题 《供电监管办法》规定,对用户受电工程启动竣工检验的期限,自接到用户受电装置竣工报告和检验申请之日起,低压供电用户不超过()个工作日。
A.3
B.5
C.7
D.10
点击查看答案
本题答案:B
本题解析:暂无解析
150、问答题 依据《供电监管办法》,列出电力监管机构对供电企业的监管内容有哪些?
点击查看答案
本题答案:(1)电力监管机构对供电企业的供电能力实施监管。
本题解析:试题答案(1)电力监管机构对供电企业的供电能力实施监管。
(2)电力监管机构对供电企业的供电质量实施监管。
(3)电力监管机构对供电企业设置电压监测点的情况实施监管。
(4)电力监管机构对供电企业保障供电安全的情况实施监管。
(5)电力监管机构对供电企业履行电力社会普遍服务义务的情况实施监管。
(6)电力监管机构对供电企业实施停电、限电或者中止供电的情况进行监管。
(7)电力监管机构对供电企业处理供电故障的情况实施监管。
(8)电力监管机构对供电企业履行紧急供电义务的情况实施监管。
(9)电力监管机构对供电企业执行国家有关电力行政许可规定的情况实施监管。
(10)电力监管机构对供电企业公平、无歧视开放供电市场的情况实施监管。
(11)电力监管机构对供电企业执行国家规定的电价政策和收费标准的情况实施监管。
(12)电力监管机构对供电企业签订供用电合同的情况实施监管。
(13)电力监管机构对供电企业执行国家规定的成本规则的情况实施监管。
(14)电力监管机构对供电企业信息公开的情况实施监管。
(15)电力监管机构对供电企业报送信息的情况实施监管。
(16)电力监管机构对供电企业执行国家有关节能减排和环境保护政策的情况实施监管。
(17)电力监管机构对供电企业实施电力需求侧管理的情况实施监管。
151、填空题 《供电监管办法》规定供电监管应当依法进行,并遵循()、()和()的原则。
点击查看答案
本题答案:公开;公正;效率
本题解析:试题答案公开;公正;效率
152、单项选来源:91考试网 91exam.org择题 变压器二次电压相量的标志方法和电势相量的标志方法()。
A、相似
B、相同
C、相反
点击查看答案
本题答案:C
本题解析:暂无解析
153、填空题 双绕组变压器分接头装于()压侧。
点击查看答案
本题答案:中
本题解析:试题答案中
154、问答题 对电气主接线的基本要求是什么?
点击查看答案
本题答案:对电气主接线的基本要求是安全、可靠、灵活、经济。电气主接线的
本题解析:试题答案对电气主接线的基本要求是安全、可靠、灵活、经济。电气主接线的基本形式有线路-变压器单元接线、单母线接线、单母线分段接线、单母线带旁路母线接线、双母线接线、桥式接线等。
155、问答题 什么是电力系统?建立联合电力系统有哪些好处?
点击查看答案
本题答案:电力系统是由发电厂、变电所、输配电线路和电力用户组成的
本题解析:试题答案电力系统是由发电厂、变电所、输配电线路和电力用户组成的整体。建立联合电力系统的优点是:可以减少系统的总装机容量;可以减少系统的备用容量;可以提高供电的可靠性;可以安装大容量的机组;可以合理利用动力资源,提高系统运行的经济性。
156、填空题 《供电监管办法》规定,对用户受电工程启动中间检查的期限,自接到用户申请之日起,()不超过3个工作日,()不超过5个工作日。
点击查看答案
本题答案:低压供电用户;高压供电用户
本题解析:试题答案低压供电用户;高压供电用户
157、单项选择题 《供电监管办法》规定,供电企业应当按照国家规定履行电力社会普遍服务义务,依法保障()能够按照国家规定的价格获得最基本的供电服务。
A.用户
B.客户
C.自然人
D.任何人
点击查看答案
本题答案:D
本题解析:暂无解析
158、问答题 《供电服务规范》中对情绪激动的客户来电处理有何规定?
点击查看答案
本题答案:客户来电话发泄怒气时,应仔细倾听并做记录,对客户讲话应
本题解析:试题答案客户来电话发泄怒气时,应仔细倾听并做记录,对客户讲话应有所反应,并表示体谅对方的情绪。如感到难以处理时,应适时地将电话转给值长、主管等,避免与客户发生正面冲突。
159、单项选择题 零售网点转型的“五岗位一角色”是指网点经理、柜员交易主管、高级柜员、普通柜员、()和大堂经理。
A.个人客户经理
B.会计主管
C.个人业务顾问
点击查看答案
本题答案:C
本题解析:暂无解析
160、问答题 国家电网公司供电服务“十项承诺”中供电设施计划检修停电公告时间?对欠电费客户依法采取停电措施送达时间?费用结清后恢复供电时间?
点击查看答案
本题答案:供电设施计划检修停电,提前7天向社会公告。对欠电费客户
本题 解析:试题答案供电设施计划检修停电,提前7天向社会公告。对欠电费客户依法采取停电措施,提前7天送达停电通知书,费用结清后24小时内恢复供电。
161、问答题
大接地和小接地电流系统的接线方式分别包括哪些?各有什么特点?
点击查看答案
本题答案:大接地电流系统中性点直接接地;小接地电流系统包括中性点
本题解析:试题答案大接地电流系统中性点直接接地;小接地电流系统包括中性点不接地和中性点经消弧线圈接地。中性点直接接地方式供电可靠性低,出现单相接地时,形成回路,接地电流大;不接地系统供电可靠性高,但绝缘要求也高,出现单相接地时,不形成回路,接地电流不大,但非接地相对地电压却升高为相电压的
倍。中性点经消弧线圈接地系统比不接地系统的单相接地电流小,绝缘要求比较低。
162、单项选择题 电压互感器运行中二次线圈不许()。
A、开路
B、短路
C、接地
点击查看答案
本题答案:B
本题解析:暂无解析
163、单项选择题 ()是用来平衡导线拉力或风压的一种电杆加固装置。
A.金具
B.绝缘子
C.横担
D.拉线
点击查看答案
本题答案:D
本题解析:暂无解析
164、单项选择题 发电机并列过程中妆发电机电压与系统电压相位不一致时将产生冲击电流,此冲击 电流最大值发生在两个电压相差为()时。
A、0°
B、90°
C、180°
点击查看答案
本题答案:C
本题解析:暂无解析
165、问答题 110kV变电站,有两台主变,其中110kV有4回出线,采用双母线接线,请用规定的图形符号、文字符号画出110kV电压等级接线图。
点击查看答案
本题答案:
试题答案
166、问答题 跳跃闭锁继电器如何起到防跳作用?
点击查看答案
本题答案:防跳继电器有两个线圈,电流线圈为起动线圈,接在跳闸线圈YR之
本题解析:试题答案防跳继电器有两个线圈,电流线圈为起动线圈,接在跳闸线圈YR之前;电压线圈为自保持线圈,通过自身的常开触点KLB1-2接入合闸回路。若控制开关手柄在“合闸”位置,恰好此时断路器合闸于永久故障线路线路上,断路器QF自动跳闸,同时防跳继电器KLB(I)起动,触点KLB1-2闭合,使KLB(U)线圈带电,起自保持作用。这样,可使触点KLB3-4始终处于断开位置,合闸接触器线圈KO不会再次起动,从而使断路器QF不会出现多次连续跳、合闸的跳跃现象,保证了断路器不会因跳跃而损坏。
167、单项选择题 铅蓄电池在运行中,正常状态下负极板的颜色应为()。
A、浅灰色
B、灰色
C、深灰色
点击查看答案
本题答案:A
本题解析:暂无解析
168、问答题 试画出双绕组变压器差动保护单相原理接线图?
点击查看答案
本题答案:
试题答案
169、单项选择题 《供电监管办法》规定,供电企业应当严格执行国家电价政策,按照国家核准电价或者市场交易价,依据()依法认可的用电计量装置的记录,向用户计收电费。
A.计量检定机构
B.供电企业
C.计量检定机构和供电企业
D.计量检定机构或供电企业
点击查看答案
本题答案:A
本题解析:暂无解析
170、单项选择题 电压互感器在任何情况下不得超过()运行。
A、额定电流
B、额定电压
C、最大容量
点击查看答案
本题答案:C
本题解析:暂无解析
171、问答题 《供电服务规范》中的行为举止规范有哪些内容?
点击查看答案
本题答案:(1)行为举止应做到自然、文雅、端庄、大方。
本题解析:试题答案(1)行为举止应做到自然、文雅、端庄、大方。
(2)为客户提供服务时,应礼貌、谦和、热情。接待客户时,应面带微笑,目光专注,做到来有迎声、去有送声。与客户会话时,应亲切、诚恳,有问必答。工作发生差错时,应及时更正并向客户道歉;
(3)当客户的要求与政策、法律、法规及本企业制度相悖时,应向客户耐心解释,争取客户理解,做到有理有节。遇有客户提出不合理要求时,应向客户委婉说明。不得与客户发生争吵;
(4)为行动不便的客户提供服务时,应主动给予特别照顾和帮助。对听力不好的客户,应适当提高语音,放慢语速;
(5)与客户交接钱物时,应唱收唱付,轻拿轻放,不抛不丢
172、问答题
在下图中,变压器的型号和参数:
SJL-16000/110,P0=21kW,Pk=85kW,I0%=0.85,Uk%
=10.5,
其低压侧电压为11kV,高压侧运行在115kV上。
线路的参数:U0=117kV,

点击查看答案
本题答案:
试题答案

173、单项选择题 全电流比较原理的母差保护某一出线电流互感器单元零相断线后,保护的动作行为是()。
A.区内故障不动作,区外故障可能动作
B.区内故障动作,区外故障可能动作
C.区内故障不动作,区外故障不动作
D.区内故障动作,区外故障不动作
点击查看答案
本题答案:B
本题解析:暂无解析
174、单项选择题 用兆欧表测量电气设备绝缘电阻时()接地。
A、L端子
B、E端子
C、G端子
点击查看答案
本题答案:B
本题解析:暂无解析
175、单项选择题 《供电监管办法》规定,供电企业应当按照国家规定履行电力社会普遍服务义务,依法保障任何人能够按照国家规定的价格获得最基本的()。
A.用电权利
B.供电服务
C.用电保障
D.供电安全
点击查看答案
本题答案:B
本题解析:暂无解析
176、填空题 某企业由一台10/0.4kV变压器供电,变压器高压侧有三个分接头分别为:0%、+5%、-5%,当接于0%分接头时,该变压器的低压侧电压为360V,该变压器分接头应接在()时才能保证低压侧的电压质量。
点击查看答案
本题答案:-5%
本题解析:试题答案-5%
177、单项选择题 大型变压器无载调压,每两个相邻接头的电压差,一般为额定电压的()。
A、10%
B、5%
C、2.5%
点击查看答案
本题答案:C
本题解析:暂无解析
178、填空题 电流的I、II、III段保护分别是()、带时限电流速断保护、定时限过电流保护。
点击查看答案
本题答案:无时限电流速断保护
本题解析:试题答案无时限电流速断保护
179、填空题 《供电营业规则》规定,新建受电工程项目在立项阶段,用户应与供电企业联系,就工程()、()和()等达成意向性协议,方可定址,确定项目。未按前款规定办理的,供电企业()受理其用电申请。
点击查看答案
本题答案:供电的可能性;用电容量;供电条件;有权拒绝
本题解析:试题答案供电的可能性;用电容量;供电条件;有权拒绝
180、填空题 供电企业信息公开实施办法》()部门及其派出机构对供电企业信息公开的情况实施监管
点击查看答案
本题答案:国务院能源主管
本题解析:试题答案国务院能源主管
181、问答题 倒闸操作的基本要求是什么?
点击查看答案
本题答案:倒闸操作的基本要求是:合闸送电时,先合上隔离开关,再合上断路
本题解析:试题答案倒闸操作的基本要求是:合闸送电时,先合上隔离开关,再合上断路器;跳闸断电时,先断开断路器,再断开隔离开关。
182、单项选择题&nbs p; 《国家电网公司供电服务规范》规定:供电设施产权属电力企业,由电力企业所提供的各项服务属于() 。
A.有偿服务;
B.无偿服务;
C.特别服务;
D.柜台服务。
点击查看答案
本题答案:B
本题解析:暂无解析
183、单项选择题 发电机定子里安装着互差120°的三相绕组,流过对称的三相交流电流时,在定子时将产生()。
A、恒定磁场
B、脉动磁场
C、旋转磁场
点击查看答案
本题答案:C
本题解析:暂无解析
184、填空题 保护管两端的管口处,应将电缆周围用非燃性纤维堵塞严密,再填塞密封胶泥,密封胶泥填塞深度不得小于管子内径,且不得()。
点击查看答案
本题答案:小于40mm
本题解析:试题答案小于40mm
185、问答题 《供电监管办法》规定:电力监管机构对供电企业的供电质量实施监管。在电力系统正常的情况下,供电企业的供电质量应当符合那些规定?
点击查看答案
本题答案:(1)向用户提供的电能质量符合国家标准或者电力行业标准
本题解析:试题答案(1)向用户提供的电能质量符合国家标准或者电力行业标准;
(2)城市地区年供电可靠率不低于99%,城市居民用户受电端电压合格率不低于95%,10千伏以上供电用户受电端电压合格率不低于98%;
(3)农村地区年供电可靠率和农村居民用户受电端电压合格率符合派出机构的规定。派出机构有关农村地区年供电可靠率和农村居民用户受电端电压合格率的规定,应当报电监会备案。
(4)供电企业应当审核用电设施产生谐波、冲击负荷的情况,按照国家有关规定拒绝不符合规定的用电设施接入电网。用电设施产生谐波、冲击负荷影响供电质量或者干扰电力系统安全运行的,供电企业应当及时告知用户采取有效措施予以消除;用户不采取措施或者采取措施不力,产生的谐波、冲击负荷仍超过国家标准的,供电企业可以按照国家有关规定拒绝其接入电网或者中止供电。
186、单项选择题 发电机正常运行时既发有功,也发无功,我们称为功率迟相.此时发电机送出的是()无功功率.
A、感性的
B、容性的
C、感性和容性的
点击查看答案
本题答案:A
本题解析:暂无解析
187、问答题 微机保护各种算法的特点是什么?
点击查看答案
本题答案:两点乘积算法所和半周积分算法的运算量较小,所用的数据窗
本题解析:试题答案两点乘积算法所和半周积分算法的运算量较小,所用的数据窗长度分别为1/4周期和1/2周期,但只能用于提供给算法的原始数据为纯正弦函数的理想采样值,且必须和数字滤波器配合使用;傅氏算法用于输入量为周期函数,该算法具有较强的滤波作用,所用的数据窗较长,为一个基波周期;最小二乘方算法用于输入量为随机函数,该算法的精度高,滤波性能好,但计算时间长;微分方程算法可以不必滤除非周期分量,只要求低通滤波,因而算法的总时窗较短,且不受电网频率变化的影响。需要指出,微分方程算法只能用于计算阻抗,因此多用于线路保护中,而傅氏算法、最小二乘方算法还常应用于元件保护、后备电流电压保护以及一些相序分量组成的保护中。
188、问答题 配电网的损耗包括那些?由哪些因素引起?
点击查看答案
本题答案:配电网的损耗是由两部分组成的:一部分是与传输功率有关的损耗,
本题解析:试题答案配电网的损耗是由两部分组成的:一部分是与传输功率有关的损耗,它产生在输电线路和变压器的串连阻抗上,传输功率愈大则损耗愈大,这种损耗叫变动损耗,在总损耗中所占比重较大;另一部分损耗则仅与电压有关,它产生在输电线路和变压器的并联导纳上,如输电线路的电晕损耗、变压器的励磁损耗等,这种损耗叫固定损耗。
189、问答题 民用建筑中380/220V配电系统一般设置哪些保护?
点击查看答案
本题答案:低压断路器保护和(或低压熔断器保护)、漏电保护。
本题解析:
试题答案低压断路器保护和(或低压熔断器保护)、漏电保护。
190、填空题 《供电监管办法》规定,给用户装表接电的期限,自()并()之日起,()不超过3个工作日,其他低压供电用户不超过5个工作日,()不超过7个工作日。
点击查看答案
本题答案:受电装置检验合格;办结相关手续;居民用户;高压供电用户
本题解析:试题答案受电装置检验合格;办结相关手续;居民用户;高压供电用户
191、填空题 列举五种有汇流母线的电气设备连接方式:单母线、单母线分段、双母线、()、一台半断路器接线。
点击查看答案
本题答案:双母线分段
本题解析:试题答案双母线分段
192、单项选择题 《供电服务规范》是电网经营企业和供电企业在电力供应经营活动中,为电力客户提供供电服务时应达到的基本行为规范和()。
A.工作标准
B.服务标准
C.道德标准
D.质量标准
点击查看答案
本题答案:D
本题解析:暂无解析
193、问答题 试画出内桥和外桥接线形式,并分别说明各自适用的场合。
点击查看答案
本题答案:内桥式接线适用于输电线路较长,故障几率较多,而变压器又
本题解析:试题答案内桥式接线适用于输电线路较长,故障几率较多,而变压器又不需经常切除的场合;外桥式接线则适用于出线较短,且变压器随经济运行的要求需经常切换,或系统有穿越功率流经本厂的情况。

194、单项选择题 《供电监管办法》规定,供电企业应当建立用电投诉处理制度,公开投诉电话。对用户的投诉,供电企业应当自接到投诉之日起()个工作日内提出处理意见并答复用户。
A.3
B.5
C.10
D.15
点击查看答案
本题答案:C
本题解析:暂无解析
195、填空题 《供电监管办法》规定,()应当对用户受电工程建设提供必要的业务咨询和技术标准咨询;对用户受电工程进行()和(),应当执行国家有关标准;发现用户受电设施存在故障隐患时,应当()用户并指导其予以消除;发现用户受电设施存在严重威胁电力系统安全运行和人身安全的隐患时,应当指导其(),在隐患消除前不得()。
点击查看答案
本题答案:供电企业;中间检查;竣工检验;及时一次性书面告知;立即消除;
本题解析:试题答案供电企业;中间检查;竣工检验;及时一次性书面告知;立即消除;送电
196、单项选择题 电力系统中负荷的变化将引起频率的变化,当负荷变化幅度小、周期短引起的频率偏移将由()进行调整。
A、发电机组的调频器
B、发电机组的调速器
C、发电机励磁电流
D、系统无功补偿装置
点击查看答案
本题答案:B
本题解析:暂无解析
197、填空题 供电企业应当对用户受电工程建设提供必要的()和技术服务。
点击查看答案
本题答案:业务咨询
本题解析:试题答案业务咨询
198、单项选择题 选择下列电气设备时,不需要校验热稳定的是()
A、断路器
B、绝缘子
C、电流互感器
D、导体
点击查看答案
本题答案:B
本题解析:暂无解析
199、填空题 《供电监管办法》规定,电力监管机构对供电企业公平、无歧视开放供电市场的情况实施监管。供电企业不得对用户受电工程指定()、()和()。
点击查看答案
本题答案:设计单位;施工单位;设备材料供应单位
本题解析:试题答案设计单位;施工单位;设备材料供应单位
200、填空题 供电企业应当告知用户选择依法取得()的电工在受电装置上从事相关工作,并查验有关资质。
点击查看答案
本题答案:电工进网作业许可证
本题解析:试题答案电工进网作业许可证
题库试看结束后
微信扫下方二维码即可打包下载完整版《★动力与电气工程》题库
手机用户可保存上方二维码到手机中,在微信扫一扫中右上角选择“从相册选取二维码”即可。
题库试看结束后微信扫下方二维码即可打包下载完整版《动力与电气工程:电力工程》题库,分栏、分答案解析排版、小字体方便打印背记!经广大会员朋友实战检验,此方法考试通过率大大提高!绝对是您考试过关的不二利器!
手机用户可保存上方二维码到手机中,在微信扫一扫中右上角选择“从相册选取二维码”即可。
微信搜索关注"91考试网"公众号,领30元,获取公务员事业编教师考试资料40G