手机用户可
保存上方二维码到手机中,在
微信扫一扫中右上角选择“从
相册选取二维码”即可。
1、问答题 辐射高温计的测温原理是什么?
点击查看答案
本题答案:辐射高温计的测温原理是利用被测温物体的热辐射能量与其温
本题解析:试题答案辐射高温计的测温原理是利用被测温物体的热辐射能量与其温度有一定的关系,通过测量热辐射能量来显示被测物体的温度。
2、问答题 为提高DCS控制系统可靠性在DCS选型时有哪些注意事项?
点击查看答案
本题答案:1)在选择DCS控制系统时要优先考虑有在类似机组上良好
本题解析:试题答案1)在选择DCS控制系统时要优先考虑有在类似机组上良好运行业绩的控制系统,这样的成套控制系统通过了工厂试验和实际投运,其可靠行得到了时间的检验。
2)控制系统的硬件一定要具有高可靠性,在电子元器件上的生产工艺各环节上采用了成熟技术,电子模件最好能热拔插。
3)控制系统从结构上要充分地采用了冗余技术。
4)控制系统软件的可维护性要好。
3、填空题 测量工作电压为220伏的电气设备的绝缘电阻时,应选用()兆欧表。
点击查看答案
本题答案:250伏。
本题解析:试题答案250伏。
4、问答题 为什么要设火焰监视和灭火保护?
点击查看答案
本题答案:锅炉燃烧的基本要求是建立和保持稳定的燃烧火焰。若由于操
本题解析:试题答案锅炉燃烧的基本要求是建立和保持稳定的燃烧火焰。若由于操作不当、锅炉负荷道低或燃料变劣等情况,炉膛内热量不足,火焰温度过低,容易造成灭火事故。此外,送风系统发生异常,风量突然大量增加或减少,也容易灭火而这时若继续向炉内输送燃料,就会有爆炸的危险,造成严重的设备或人身事故。为了防止这种恶性事故的出现,对于锅炉燃烧系统,必须设置火焰检油和灭火保护装置。
5、问答题 试说明一下低旁快关条件?
点击查看答案
本题答案:下列任何一个条件满足时低旁快关。
(1)凝汽
本题解析:试题答案下列任何一个条件满足时低旁快关。
(1)凝汽器真空低≥-60kpa;
(2)凝汽器温度高≥105℃;
(3)凝汽器液位高≥1300mm;
(4)低旁喷水压力低≤1.25MPa。
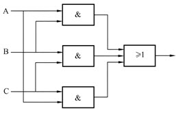
6、问答题 绘图题:用开关K1、K2、K3控制一个楼梯灯D,当有2个或3个开关合上时,D亮,否则D不亮,试写出其逻辑表达式并画出其继电器电路图。
点击查看答案
本题答案:
试题答案
D=K1K2+K2K3+K1K3
7、问答题 计算题:已知分析气体与参比气体总压力相同,氧化锆测得烟温为735℃时氧电动势为15mv。参比气体=20.85%,综合常数为0.0496mv/K,试求此时烟气含氧量为多少?
点击查看答案
本题答案:设烟气含氧量为x
15=0.0496&tim
本题解析:试题答案设烟气含氧量为x
15=0.0496×(735+273.15)lg
X=10.4%
答:烟气含氧量为10.4%
8、单项选择题 使用输出信号为4-20mA的差压变送器用做汽包水位变送器时,当汽包水位为零时,变送器的输出为()。
A、0mA;
B、4mA;
C、12mA;
D、20mA。
点击查看答案
本题答案:C
本题解析:暂无解析
9、问答题 锅炉安全门的作用?
点击查看答案
本题答案:锅炉为压力容器,为防止超压锅炉发生爆炸,造成毁灭性事故
本题解析:试题答案锅炉为压力容器,为防止超压锅炉发生爆炸,造成毁灭性事故,根据锅炉安全监察规程规定,都装有安全门,则当锅炉压力升高到危险值时,安全门动作,排掉多余蒸汽,以保证锅炉安全。
10、填空题 可控硅是可控整流器、逆变换流器、无触点交流开关的主要器件,具有()、()、无电火花等优点。
点击查看答案
本题答案:调节方便;开断迅速。
本题解析:试题答案调节方便;开断迅速。
11、填空题 国际单位制的七个基本单位是:长度(),重量(质量)(),时间(),电流(),热力学温度(),物理的量摩尔(moL),发光强度坎(cd)。
点击查看答案
本题答案:米(m);千克(kg);秒(S);安培(A);开尔文(K)
本题解析:试题答案米(m);千克(kg);秒(S);安培(A);开尔文(K)
12、单项选择题 在给水自动调节系统中,在给水流量扰动下汽包水位()。
A、出现“虚假水位”;
B、立即变化;
C、不是立即变化,而要延迟一段时间;
D、不会变化。
点击查看答案
本题答案:C
本题解析:暂无解析
13、单项选择题 工作用热电偶的检定周期一般为()。
A、半年;
B、1年;
C、1年半;
D、2年。
点击查看答案
本题答案:A
本题解析:暂无解析
14、填空题 希望被调量达到并保持的数值称为()。
点击查看答案
本题答案:给定值
本题解析:试题答案给定值
15、问答题 过热蒸汽温度调节的任务是什么?
点击查看答案
本题答案:过热蒸汽温度调节的任务是维持过热器出口汽温在允许范围内
本题解析:试题答案过热蒸汽温度调节的任务是维持过热器出口汽温在允许范围内,使过热器管壁温度不超过允许的工作温度,并给汽轮机提供合格的过热蒸汽,保证主设备安全经济运行。
16、问答题 端子箱、接线盒的安装应符合哪些要求?
点击查看答案
本题答案:①安装位置环境温度不宜高于45℃,各测点的距离要适当,
本题解析:试题答案①安装位置环境温度不宜高于45℃,各测点的距离要适当,震动小,不受水汽浸蚀,不影响运行,便于接线、维修;②箱、盒应密封,标明编号,内附接线图。
17、问答题 非标准化热电阻有哪些类型?
点击查看答案
本题答案:有热敏电阻,碳热电阻,铟热电阻,锗热电阻。
本题解析:试题答案有热敏电阻,碳热电阻,铟热电阻,锗热电阻。
18、问答题 什么叫压力表的变差?工业用压力表变差的允许值是多少?
点击查看答案
本题答案:变差就是指压力表在进行升压检定和降压检定时,各对应检定
本题解析:试题答案变差就是指压力表在进行升压检定和降压检定时,各对应检定点上,轻敲表壳后,两次读数之差。变差没有正负之分。根据规程规定,工业用压力表的变差不得超过允许基本误差的绝对值。
19、单项选择题 火力发电厂常用的自动调节机构分为()。
A、液动、电动和手动;
B、液动、手动和气动;
C、气动、电动和手动;
D、液动、电动和气动。
点击查看答案
本题答案:D
本题解析:暂无解析
20、问答题 用于弹性测压元件位移远传的位移变换器有哪几种?
点击查看答案
本题答案:(1)电感式位移变换器;(2)差动变压器式位移变换器;
本题解析:试题答案(1)电感式位移变换器;(2)差动变压器式位移变换器;(3)电容式位移变换器。
21、问答题 长山电厂EJA变送器常用的参数有哪些?
点击查看答案
本题答案:①压力②零点③模拟量信号输出④量程范围百分比⑤静压⑥工
本题解析:试题答案①压力②零点③模拟量信号输出④量程范围百分比⑤静压⑥工程单位⑦工程单位显示⑧阻尼系数
22、单项选择题 就地压力表安装时,其与支点的距离应尽量缩短,最大不应超过()mm。
A、400;
B、600;
C、800;
D、1000。
点击查看答案
本题答案:B
本题解析:暂无解析
23、问答题 带电接点的压力表式温度计的动作原理是什么?
点击查看答案
本题答案:带电接点的压力表式温度计,不仅具有指示部分,还带有可供
本题解析:试题答案带电接点的压力表式温度计,不仅具有指示部分,还带有可供两位调节或控制的电接点。电接点装置的上下限接点可按需要调整到任意给定的温度上,上下限的温度由定接点指示出来,动接点由指针带动。当被测介质的温度超过或低于上限或下限给定的温度时,温度计指针上的动接点便与上限或下限接点相接触,此时,便发出信号闭合或断开控制回路,起调节作用。
24、填空题 当控制盘与独立控制台组合使用时,操作设备一般都布置在()。
点击查看答案
本题答案:控制台台面上。
本题解析:试题答案控制台台面上。
25、填空题 当锅炉汽包内的压力接近临界压力时,不能使用()测量其水位。
点击查看答案
本题答案:电接点水位计
本题解析:试题答案电接点水位计
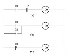
26、问答题 绘图题:画出继电器电路实现的“与”、“或”、“非”电路。
点击查看答案
本题答案:
试题答案
(a)“与”电路;(b)“或”电路;(c)“非”电路
27、填空题 具有双向标尺的压力表,其允许误差的按()和()的百分数计算的。
点击查看答案
本题答案:测量上限、下限之和
本题解析:试题答案测量上限、下限之和
28、问答题 试述全面质量管理(TQM)与ISO9000标准有哪些不同点?
点击查看答案
本题答案:(1)TQM强调广义质量;ISO9000是仅与产品有关
本题解析:试题答案(1)TQM强调广义质量;ISO9000是仅与产品有关的质量。
(2)TQM是以人为中心的质量管理;ISO9000是以标准为基础的质量管理。
(3)TQM追求超过用户期望;ISO9000要求符合标准。
(4)TQM重在信誉;ISO9000重在证据。
(5)TQM强调经营哲理;ISO9000是固定的质量体系模式。
(6)TQM注重激励创造性;ISO9000要求遵守程序文件。
29、问答题 试述气动执行机构三断式自锁保护装置的工作原理。
点击查看答案
本题答案:气动执行机构三断式自锁保护装置的工作原理为:
本题解析:试题答案气动执行机构三断式自锁保护装置的工作原理为:
(1)气源中断自锁。气源中断自锁装置由控制阀和两个气开阀组成。在正常情况下,控制阀膜片使A阀口关闭,B阀口打开。此时工作气源经控制阀膜室而使两个气开阀打开,活塞动作受定位器的两个放大器输出气压的控制。
当起源压力下降到闭锁压力(可调)时,因控制阀膜片下部压力减小,膜片向下移动,使A阀口打开而B阀口关闭,控制阀模室与大气相通,气开阀的控制起源被切断而关闭,导致放大器到活塞上、下缸的气路被切断,使活塞停留在原来的位置。闭锁压力值可用手动旋钮调整,通常不允许低于300kPa。
(2)电源中断自锁。在气源中断自锁的基础上,增大一个二位三通电磁阀,就可实现电源中断自锁。电源正常时,电磁阀1—2通;电源中断时,电磁阀动作,使电磁阀2—3通,因3阀口通大气,使气开阀失去气源压力,既相当于气源中断而自锁。
(3)电信号中断自锁。在电源信号回路中串联电阻R1,信号电流在R1上的电压降作为开关信号的输入电压。在正常情况下,Rl上的电压较大,经开关电路使继电器触点闭合。当电信号中断时,R1上的电压降为零,开关电路使继电器J动作,触点断开,电磁阀断电,此时相当于电源中断而自锁。
30、问答题 330MW机组大机轴向位移如何安装调整?
点击查看答案
本题答案:330MW机组轴向位移方向定为向机头侧为负、向发电机侧
本题解析:试题答案330MW机组轴向位移方向定为向机头侧为负、向发电机侧为正,轴向位移零位在大轴推向工作面的时候确定,零位安装电压为-10VDC,报警值为+0.8mm、—1.2mm,停机值为+1.2mm、-1.6mm。安装轴向位移时要求探头表面光洁平滑,固定紧固,延长电缆节点接触良好,延长电缆固定好。
31、问答题 为什么用试凑法整定PI调节器时,一般先试凑比例带,然后再凑积分速度?
点击查看答案
本题答案:这是因为比例作用是基本的调节作用,如果先整定积分参数而
本题解析:试题答案这是因为比例作用是基本的调节作用,如果先整定积分参数而后整定比例带,则在整定积分参数的过程,系统相当于单纯积分调节,极易出现振荡,会危及运行设备的安全。
32、单项选择题 91EXAM.org减速器的作用是把伺服电动机的高转速()转矩的机械功率转换成低转速()转矩的输出功率。
A.小、大;
B.大、小;
C.大、大。
点击查看答案
本题答案:A
本题解析:暂无解析
33、问答题 简述弹性压力表有哪些校验内容?
点击查看答案
本题答案:压力表的校验内容有:确定仪表的基本误差、变差、零位,轻
本题解析:试题答案压力表的校验内容有:确定仪表的基本误差、变差、零位,轻敲位移和指针偏转的平稳性(有无跳动,停滞卡涩现象)。
34、问答题 “超速保护110%”的含义?
点击查看答案
本题答案:当汽轮机转速超过额定转速的110%(3300rpm)时
本题解析:试题答案当汽轮机转速超过额定转速的110%(3300rpm)时,DEH立即发出指令,分别通过电液伺服阀和AST电磁阀迅速关闭汽机所有进汽阀门,保护汽轮机。
35、填空题 在读取玻璃液体温度计时。对于水银温度计要读取水银柱()所示的温度,对于有机液体温度计,要读取液柱()所示的温度。
点击查看答案
本题答案:凸面最高点;凹面最低点。
本题解析:试题答案凸面最高点;凹面最低点。
36、问答题
绘图题:图E-16为热工信号与保护系统常采用的“三反二”信号摄反法,试画出对应的逻辑框图(“-”表示常开触点)。

点击查看答案
本题答案:
试题答案
37、填空题 汽机在盘车状态下发生故障,待故障解决后方可再次投用盘车;若发生大轴弯曲。盘车装置投用不上时,应按制造商规定或至少()小时后方可投盘车。
点击查看答案
本题答案:48
本题解析:试题答案48
38、单项选择题 集散控制系统的生产管理级,是整个()的协调者和控制者。
A.工艺系统;
B.调节系统;
C.控制系统;
D.数据处理系统。
点击查看答案
本题答案:A
本题解析:暂无解析
39、填空题 汽轮机振动表一般由()、()和显示仪表组成。
点击查看答案
本题答案:振动传感器;振动放大器
本题解析:试题答案振动传感器;振动放大器
40、填空题 进行系统隔离时,转动机械的设备检修,应关闭所有应关闭的阀门、闸门、挡板、切断所有可能的()、()等。并有()的措施。必要时还应采取可靠的制动措施。如控制回路与其他设备设有联动、连锁关系的,还应将联动、连锁回路解除。
点击查看答案
本题答案:动力源;气、水、油;防转
本题解析:试题答案动力源;气、水、油;防转
41、填空题 引起被调量偏离()的各种因素称为()。
点击查看答案
本题答案:给定值;扰动
本题解析:试题答案给定值;扰动
42、单项选择题 量程为0—10MPa,精度等级为1.5级,其基本允许误差为()MPa。
A、±1.5;
B、±1.0;
C、±0.15;
D、±0.1。
点击查看答案
本题答案:C
本题解析:暂无解析
43、填空题 常见的液柱式压力计有三种,即()、()和斜管微压计。
点击查看答案
本题答案:U形管压力计;单管压力计。
本题解析:试题答案U形管压力计;单管压力计。
44、单项选择题 电信号气动执行机构中,气源中断自锁的基础上,增大一个(),就可实现电源中断自锁。
A.二位三通电磁阀;
B.气动功率放大器;
C.反馈凸轮。
点击查看答案
本题答案:A
本题解析:暂无解析
45、问答题 管路加装伴热应遵守哪些规定?
点击查看答案
本题答案:一、不得使管路内介质汽化;
二、差压管路的正
本题解析:试题答案一、不得使管路内介质汽化;
二、差压管路的正、负压管受热应一致;
三、管路与伴热设施应一起保温,并要求保温良好和保护层完整。
46、单项选择题 在煤堆上,对于灰分Ad>20%的原煤,当煤量不足300t时,应采取的最少子样数目为()个。
A、60
B、18
C、15
D、30
点击查看答案
本题答案:D
本题解析:暂无解析
47、问答题 什么叫旁路?什么叫30%旁路?
点击查看答案
本题答案:锅炉产生的新蒸汽和再热蒸汽因故不需要通过汽轮机便可直接
本题解析:试题答案锅炉产生的新蒸汽和再热蒸汽因故不需要通过汽轮机便可直接进入凝汽器的一种特殊管道,称为旁路。旁路可通过的蒸汽流量为额定流量的30%,称为30%旁路。
48、问答题 为什么要对汽包水位信号进行压力校正?
点击查看答案
本题答案:锅炉在启动过程中汽压在不断变化,测量容器差压值,随汽、
本题解析:试题答案锅炉在启动过程中汽压在不断变化,测量容器差压值,随汽、水密度变化而变化。要实现给水全程自动调节,必须对水位测量信号进行压力修正,使之在任何偏离额定汽压下保持汽包水位和测量容器差压值之间的线性关系。
49、填空题 具有单向标尺的压力表,其允许误差是()的百分数计算的。
点击查看答案
本题答案:按测量上限
本题解析:试题答案按测量上限
50、填空题 更换隔离后的电接点水位测量筒上电极时,应()、()消压并冷却后方可进行。答:停仪表电源;开排污门。
点击查看答案
本题答案:停仪表电源;开排污门。
本题解析:试题答案停仪表电源;开排污门。
51、问答题 简述什么是多阀控制,有什么特点?
点击查看答案
本题答案:多阀控制,调门按预先给定的顺序,依次开启,各调门累加流
本题解析:试题答案多阀控制,调门按预先给定的顺序,依次开启,各调门累加流量呈线性变化。
特点:喷咀调节,部分进汽。
52、单项选择题 在制备煤样时,当煤样破碎到全部通过3mm圆孔筛时,其留样量应不少于()kg。
A.1;
B.3.5;
C.3.75;
D.0.1。
点击查看答案
本题答案:C
本题解析:暂无解析
53、问答题 变频器4-20mA控制信号消失时,变频器处于什么状态?此故障应如何处理?
点击查看答案
本题答案:①4-20mA信号消失时,变频器应维持原来的转速运行;
本题解析:试题答案①4-20mA信号消失时,变频器应维持原来的转速运行;②出现故障时应先确定此模块有无其它重要控制设备,应先采取相应的安全措施,措施执行后,更换模块,模块上架前需要看一下,该路信号的指令与实际转速是否对应,无误后方可更换。
54、填空题 安装压力表时,取样点的选择应有()不能将测点选在有()的地方。
点击查看答案
本题答案:代表性;涡流。
本题解析:试题答案代表性;涡流。
55、问答题 锅炉跟随汽轮机控制方式的基本原理是什么?
点击查看答案
本题答案:锅炉跟随汽轮机控制方式的基本原理是:当负荷要求指令变化
本题解析:试题答案锅炉跟随汽轮机控制方式的基本原理是:当负荷要求指令变化时,通过汽轮机主控制器,先改变主蒸汽调节阀的开度,改变进入汽轮机的蒸汽流量,使发电机输出功率迅速满足负荷要求指令的要求,调节阀开度改变后,锅炉出口的主蒸汽压力随即变化。
56、填空题 除氧器一般设有()保护和()保护。
点击查看答案
本题答案:水位,压力。
本题解析:试题答案水位,压力。
57、单项选择题 在输煤皮带相同的运行条件下,皮带中部采样装置单个子样的质量要比皮带端部采样装置的单个子样质量 ()。
A、少
B、一样
C、多
D、无可比性
点击查看答案
本题答案:C
本题解析:暂无解析
58、填空题 万用表表盘上标度尺旁的符号DC表示(),AC表示(),dB表示分贝。
点击查看答案
本题答案:直流;交流。
本题解析:试题答案直流;交流。
59、问答题 电涡流传感器实际测振的工作原理?
点击查看答案
本题答案:根据法拉第电磁感应原理,块状金属导体置于变化的磁场中或
本题解析:试题答案根据法拉第电磁感应原理,块状金属导体置于变化的磁场中或在磁场中作切割磁力线运动时(与金属是否块状无关,且切割不变化的磁场时无涡流),导体内将产生呈涡旋状的感应电流,此电流叫电涡流,以上现象称为电涡流效应。而根据电涡流效应制成的传感器称为电涡流式传感器。
60、问答题 TC型同操器由哪几部分组成?
点击查看答案
本题答案:TC型同操器主要由电源变压器、桥式整流电路、π型
本题解析:试题答案TC型同操器主要由电源变压器、桥式整流电路、π型滤波电路、串联式电压调整电路、取样电路、比较放大电路、短路保护电路等部分组成。
61、单项选择题 孔板弯曲会造成流量示值()。
A、偏高;
B、偏低;
C、不受影响;
D、可能偏低或偏高
点击查看答案
本题答案:D
本题解析:暂无解析
62、填空题 调节器和调节对象相互作用所形成的闭合回路称为()。
点击查看答案
本题答案:自动调节系统
本题解析:试题答案自动调节系统
63、填空题 分散控制系统中的“4C”技术包括:控制技术、()、通信技术、()。
点击查看答案
本题答案:计算技术;图像显示技术
本题解析:试题答案计算技术;图像显示技术
64、单项选择题 中间再热机组采用旁路系统的目的是()。
A、提高机组出力;
B、提高热力系统效率;
C、调节主蒸汽参数;
D、启动或低负荷时通过锅炉产生的多余蒸汽,维持燃烧。
点击查看答案
本题答案:D
本题解析:暂无解析
65、判断题 每天分样结束后,存样间的封门过程只能由煤场管理人员负责完成。
点击查看答案
本题答案:错
本题解析:暂无解析
66、填空题 使用节流式流量计测量流量时,实际流量(),测量误差()。
点击查看答案
本题答案:越小;越大。
本题解析:试题答案越小;越大。
67、问答题 分散控制系统的常见故障有哪些?
点击查看答案
本题答案:1)监控画面故障;2)操作站不工作;3)操作站断电;4
本题解析:试题答案1)监控画面故障;2)操作站不工作;3)操作站断电;4)控制站整体断电;5)操作站整体断电。
68、单项选择题 标准压力表的精度等级有()。
A、1.0级、1.5级、2.5级
B、0.25级、0.4级、1.5级
C、1.0级、1.5级、2.5级、4.0级
D、0.25级、0.4级、0.6级
点击查看答案
本题答案:D
本题解析:暂无解析
69、问答题
看图题:水位自动调节系统图如图F-13所示,运行中希望维持水面高度H不变,要求:
(1)画出系统原理方框图,并指出被调量和扰动。
(2)简述系统工作原理。

点击查看答案
本题答案:(1)原理方框图如图F-14所示。
本题解析:试题答案(1)原理方框图如图F-14所示。

被调量是水箱水位H,扰动是进水量q1和出水量q2。
(2)当水箱流入量q1和流出量q2保持平衡时,水面高度H等于希望值H。若q2突然增加,则水位H下降,浮子下降,杠杆逆时针旋转,杠杆左端上移,进水阀开大(开度μ增加),进水量q1增加,当q1和q2重新平衡后,水位稳定不变。
70、填空题 工业电视监视系统一般由摄像、传输、()和()四部分组成。
点击查看答案
本题答案:控制;显示。
本题解析:试题答案控制;显示。
71、填空题 氢冷发电机内,氢纯度的测量尤为重要,目前,()的传感器多用热导池。
点击查看答案
本题答案:氢纯度测量
本题解析:试题答案氢纯度测量
72、判断题 减速器的作用是把伺服电动机的高转速大转矩的机械功率转换成低转速小转矩的输出功率,以适应调节机构的工作特性。
点击查看答案
本题答案:对
本题解析:暂无解析
73、问答题 简述煤粉的一般特性?水分对其特性有何影响?
点击查看答案
本题答案:1)煤粉具有良好的流动性,也具有自燃和爆炸的特性,本题解析:试题答案1)煤粉具有良好的流动性,也具有自燃和爆炸的特性,
2)煤粉中的水分越高,其流动性和爆炸性就越低。
74、填空题 仪表真空管路敷设,应保持一定的坡度,一般应从()向倾斜,以便将凝结水导回凝汽器,切忌在管路中间出现向下U型弯,造成水封,影响测量。
点击查看答案
本题答案:仪表侧;取样侧。
本题解析:试题答案仪表侧;取样侧。
75、单项选择题 当气动调节执行机构动作缓慢甚至不动,可排除在外的原因是()。
A.阀门或挡板内部机械部分有卡涩;
B.气源的进气管路有泄露;
C.气缸内部活塞密封不好;
D.调节机构的位置反馈变送器未调整好。
点击查看答案
本题答案:D
本题解析:暂无解析
76、单项选择题 测量1.2MPa压力,要求测量误差不大于4%,应选用()压力表。
A、准确度1.0级,量程0-6MPa压力表;
B、准确度1.5级,量程0-4MPa压力表;
C、准确度1.5级,量程0-2.5MPa压力表;
D、准确度2.5级,量程0-2.5MPa压力表。
点击查看答案
本题答案:C
本题解析:暂无解析
77、填空题 差压测量管路,特别是水位测量不应靠近(),其正、负压管的环境温度应()。
点击查看答案
本题答案:热表面;一致。
本题解析:试题答案热表面;一致。
78、填空题 按照获得测量结果的方式不同.测量分为()测量和()测量。
点击查看答案
本题答案:直接;间接
本题解析:试题答案直接;间接
79、问答题 DAS系统的基本功能有哪些?
点击查看答案
本题答案:一般来说,DAS系统应具备的基本功能有数据采集、输入信
本题解析:试题答案一般来说,DAS系统应具备的基本功能有数据采集、输入信号预处理、报警、开关量变态处理、事故顺序记录、CRT显示、打印制表和拷贝、操作请求与指导、事故追忆、二次参数计算、性能计算和经济分析、人机联系等功能。
80、判断题 在DKJ电动执行器中采用的异步电动机是要具有启动力矩大、启动电流小,并具有良好的堵转特性。
点击查看答案
本题答案:对
本题解析:暂无解析
81、问答题 绘图题:画出STB-1100型调节器的工作流程图。
点击查看答案
本题答案:
试题答案
82、问答题 测压仪表在安装、投入运行及使用过程中应注意哪些事项?
点击查看答案
本题答案:(1)仪表投入使用前,应先对取压管路进行压力冲洗,然后
本题解析:试题答案(1)仪表投入使用前,应先对取压管路进行压力冲洗,然后待取压管路冷却,装上压力表投入使用。
(2)差压计投用前先开平衡门,再开高压侧二次针形阀,再关闭平衡门,再开低压侧二次针形阀,尽量不让仪表受静压过载及冷凝水流失。
(3)压力表投入后应检查传压的灵敏性,否则应重新冲管再启动。
(4)对于未预先调整仪表机械零位的压力表,在使用中其读数应注意安装高度的液柱修正。
(5)一些重要参数压力表,为方便运行中读数,将高度修正值Hρg用仪表机械零位调整法预先进行修正,则运行中不必再进行修正。
(6)精密测量压力尚须考虑大气压力读数、仪表修正值等综合运算。
83、单项选择题 精确度为1/20的游标卡尺,其主尺与副尺每格刻度相差()。
A、0.5mm;
B、0.1mm;
C、0.05mm;
D、0.01mm。
点击查看答案
本题答案:C
本题解析:暂无解析
84、填空题 万用表在使用时规定测试棒与表的连接是:将红色试棒与()端相连,黑色试棒与()端相连。
点击查看答案
本题答案:+;—。
本题解析:试题答案+;—。
85、名词解释 工作许可人的安全责任什么?
点击查看答案
本题答案:1负责审查工作票所列安全措施是否正确完备是否符合现场条
本题解析:试题答案1负责审查工作票所列安全措施是否正确完备是否符合现场条件
2工作现场布置的安全措施是否完善必要时予以补充
3负责检查检修设备有无突然来电和流入汽、水及可燃易暴有毒有害介质的危险
4对工作票所列内容如有任何疑问应向工作票签发人询问清楚必要时应要求作详细补充
86、填空题 发生在闭环系统内部的扰动叫(),发生在闭环系统外部的扰动叫()。
点击查看答案
本题答案:内扰;外扰
本题解析:试题答案内扰;外扰
87、填空题 测量误差是测量结果与被测量的真值的差,可以用()来表示,也可以用()来表示。
点击查看答案
本题答案:绝对误差;相对误差
本题解析:试题答案绝对误差;相对误差
88、问答题 简述氧化锆氧量计的测量原理。
点击查看答案
本题答案:氧化锆氧量计是利用氧化锆固体电解质作传感器、在氧化锆固
本题解析:试题答案氧化锆氧量计是利用氧化锆固体电解质作传感器、在氧化锆固体电解质的两侧附上多孔的金属铂电极,使其处在高温下,当两侧气体中的氧浓度不同时,在电极之间产生电势,称为氧浓差电势。此电势在温度一定时,只与两侧气体中的氧气含量有关。通过测量此电势,即可测得氧气含量。
89、问答题 使用补偿导线时应注意什么事项?
点击查看答案
本题答案:1)补偿导线必须与相应型号的热电偶配用;
2
本题解析:试题答案1)补偿导线必须与相应型号的热电偶配用;
2)补偿导线在与热电偶、仪表连接时,正负极不能接错,两对连接点要处于相同温度;
3)补偿导线和热电偶连接点温度不得超过规定使用的温度范围;
4)要根据所配仪表的不同要求选用补偿导线的线经。
90、单项选择题 1151系列变送器进行正负迁移时对量程上限的影响()。
A、偏大;
B、偏小;
C、没有影响;
D、不确定。
点击查看答案
本题答案:C
本题解析:暂无解析
91、填空题 一级动火工作票经批准后由工作负责人送交(),二级动火工作票经批准后由工作负责人送交运行()。
点击查看答案
本题答案:值长;值班负责人
本题解析:试题答案值长;值班负责人
92、填空题 全过程质量管理的全过程主要包括设计过程、()、安装过程和()。
点击查看答案
本题答案:制造过程;使用过程
本题解析:试题答案制造过程;使用过程
93、填空题 热电厂给(),其节流元件多选用孔板。
点击查看答案
本题答案:水流量测量
本题解析:试题答案水流量测量
94、单项选择题 仪表管道应敷设在环境温度为()的范围内,否则应有防冻或隔离措施。
A、0—50℃;
B、-10℃—40℃;
C、0—60℃;
D、5℃—40℃。
点击查看答案
本题答案:A
本题解析:暂无解析
95、填空题 系统停电时,断开与检修的设备、系统相连的()上的电动()截门、调整门、挡板以及电磁阀、电液阀的()。切断热机控制设备执行元件的()。
点击查看答案
本题答案:管道、烟道、风道;气动、液动;动力电源;操作电源
本题解析:试题答案管道、烟道、风道;气动、液动;动力电源;操作电源
96、问答题 伴热蒸汽管路有哪些要求?
点击查看答案
本题答案:①伴热蒸汽压力宜为0.3MPa-1.0MPa;②伴热蒸
本题解析:试题答案①伴热蒸汽压力宜为0.3MPa-1.0MPa;②伴热蒸汽管路应采用单回路供汽和回水,不应串联连接;③伴热管路集液处应加排液装置;④伴热管路连接宜焊接,固定不宜过紧,应能自由申缩;⑤进\出口应设截止阀
97、单项选择题 根据电流对人体的危害情况确定,50~60赫交流电10毫安和直流的安全电流()。
A.10毫安;
B.30毫安;
C.50毫安。
点击查看答案
本题答案:C
本题解析:暂无解析
98、单项选择题 使用液柱或压力计时,应使仪器处于垂直位置,否则将产生()。
A.系统误差;
B.歪斜误差;
C.回程误差。
点击查看答案
本题答案:B
本题解析:暂无解析
99、问答题 使用液柱式压力计应注意哪些问题?
点击查看答案
本题答案:注意以下问题:
(1)为了提高读数精度,所采
本题解析:试题答案注意以下问题:
(1)为了提高读数精度,所采用放大尺、游标尺或光学读数等辅助装置。
(2)测量较大压力时,应采用密度较大的工作液,测量较小压力时采用密度较小的工作液。
(3)从测点到压力计之间连接管应尽量短。
(4)一般使用的U型管压力计液柱高度不超过1.5米。
100、判断题 在数字式调节器中,常用的是单回路调节器,它可接受多路输入信号,输出能控制多个执行器。
点击查看答案
本题答案:错
本题解析:暂无解析
101、问答题 解释QC小组的定义。
点击查看答案
本题答案:在生产或工作岗位上从事各种劳动的职工围绕企业方针目标和
本题解析:试题答案在生产或工作岗位上从事各种劳动的职工围绕企业方针目标和现场存在的问题,以改进质量、降低消耗、提高经济效益和人的素质为目的而组织起来,并运用质量管理的理论和方法开展活动的小组,叫质量管理小组,简称为QC小组。
102、填空题 工业用标准节流装置有(),()和标准文丘里管。
点击查看答案
本题答案:标准孔板;标准喷嘴
本题解析:试题答案标准孔板;标准喷嘴
103、填空题 电动执行机构由两相()、减速器、及()等部分组成。
点击查看答案
本题答案:伺服电动机;位置发生器
本题解析:试题答案伺服电动机;位置发生器
104、单项选择题 热工监督“三率”指标应达到如下要求:――仪表准确率、保护设入率、自动投入率分别不低于()
A、100%、99%、95%;
B、100%、100%、97%;
C、95%、95%、95%;
D、100%、100%、95%。
点击查看答案
本题答案:D
本题解析:暂无解析
105、问答题 电接点水位计有哪些优缺点?
点击查看答案
本题答案:电接点水位计的优点是能适应锅炉变参数运行,迟延小,且构
本题解析:试题答案电接点水位计的优点是能适应锅炉变参数运行,迟延小,且构造简单,显示直观、造价低、维护方便。其主要缺点是电极长期浸泡在水中,容易造成腐蚀和产生泄漏,以及显示的不连续性所造成的固定误差。
106、单项选择题 回热系统中高加疏水采用逐级自流的目的是()。
A、提高系统热经济性;
B、提高给水温度;
C、提高系统运行可靠性;
D、提高除氧器除氧效果。
点击查看答案
本题答案:C
本题解析:暂无解析
107、填空题 摄氏温度的符号是(),其单位名称是(),单位符号为()。
点击查看答案
本题答案:t、摄氏度、℃
本题解析:试题答案t、摄氏度、℃
108、填空题 压力式温度计常见的故障为仪表无指示()、()指示值突然下降等。
点击查看答案
本题答案:跳针;指示值偏大或偏小。
本题解析:试题答案跳针;指示值偏大或偏小。
109、问答题 简述汽轮机调节级的工作原理。
点击查看答案
本题答案:具有一定压力和温度的蒸汽通过固定喷管膨胀加速,使蒸汽热
本题解析:试题答案具有一定压力和温度的蒸汽通过固定喷管膨胀加速,使蒸汽热能转化为动能。从喷管中出来的高速汽流以一定方向进入动叶,推动叶轮旋转做功,完成蒸汽动能转换成机械能的过程。
110、填空题 可编程序控制器是利用()原理和技术构成的,是用来处理()信息的自动控制器。
点击查看答案
本题答案:微型电子计算机、开关量。
本题解析:试题答案微型电子计算机、开关量。
111、问答题 送风机系统有哪些热工设备?
点击查看答案
本题答案:(1)送风机动叶调整执行器
(2)送风机电机
本题解析:试题答案(1)送风机动叶调整执行器
(2)送风机电机和风机侧轴承温度
(3)送风机电机线圈温度
(4)风机侧垂直、水平振子
(5)喘震
(6)送风机润滑油压力低、低低压力控制器
(7)工作油压低压力控制器
(8)油箱油温温度控制器
(9)送风机出入口温度
(10)送风机出口风量
112、填空题 兆欧表用于测量绝缘时,需根据被测对象不同,来选择不同的()等级。
点击查看答案
本题答案:电压;
本题解析:试题答案电压;
113、填空题 工作票应使用黑色或蓝色的钢笔圆珠笔填写与签发,一式两份内容应正确,不得任意涂改,如有个别错、漏字需要修改,应使用(),字迹应清楚。关键()不得修改,关键词、字由企业根据实际情况确定。
点击查看答案
本题答案:规范的符号;词、字
本题解析:试题答案规范的符号;词、字
114、单项选择题 单元机组采用汽轮机跟随控制时,汽轮机调节器的功率信号采用()信号,可使汽轮机调节阀的动作比较平稳。
A.实发功率
B.功率指令
C.蒸汽压力
D.蒸汽流量
点击查看答案
本题答案:A
本题解析:暂无解析
115、填空题 铜--康铜热电偶,分度号为(),由于铜热电极易氧化,所以在氧化气体中使用不应超过()℃。
点击查看答案
本题答案:T;300。
本题解析:试题答案T;300。
116、单项选择题 精确度为1/20的游标卡尺,其主尺与副尺每格刻度相差()。
A、0.5mm;
B、0.1mm;
C、0.05mm;
D、0.01mm。
点击查看答案
本题答案:C
本题解析:暂无解析
117、单项选择题 相邻两取源部件之间的距离应大于管道外径但不得小于()。
A、100m;
B、200m;
C、300m;
D、400m。
点击查看答案
本题答案:B
本题解析:暂无解析
118、填空题 测量中消除已定系统误差的方法是()、()、()、()。
点击查看答案
本题答案:引入修正值法;替代法;换位法;正负误差补偿法。
本题解析:试题答案引入修正值法;替代法;换位法;正负误差补偿法。
119、填空题 工作地点应设置“()!”的标示牌。
点击查看答案
本题答案:在此工作
本题解析:试题答案在此工作
120、问答题 330MW机组高加解列动作结果是什么?
点击查看答案
本题答案:1、关一抽、二抽、三抽抽汽逆止门
2、关一抽
本题解析:试题答案1、关一抽、二抽、三抽抽汽逆止门
2、关一抽、二抽、三抽抽汽电动门
3、开一抽、二抽、三抽逆止门后疏水门
4、开#1、#2、#3高加紧急疏水门
5、关高加入口/出口电动门。
121、填空题 汽包水位监视系统的水位计一般都是()在正前方观察时,能显示出()。
点击查看答案
本题答案:双色水位计;汽红水绿。
本题解析:试题答案双色水位计;汽红水绿。
122、单项选择题 下面几种测温仪表中,一般地说,准确度最高的是()。
A.动圈式温度表;
B.光学高温计;
C.电子电位差计。
点击查看答案
本题答案:C
本题解析:暂无解析
123、填空题 气动调节阀门的控制装置通常由电/气转换器、()、()构成。
点击查看答案
本题答案:气动定位器;阀位变送器
本题解析:试题答案气动定位器;阀位变送器
124、问答题 电涡流测速和磁电式测速都用在哪些测点,有什么区别?
点击查看答案
本题答案:电涡流测速:TSI转速,零转速;磁电式测速:DEH转速
本题解析:试题答案电涡流测速:TSI转速,零转速;磁电式测速:DEH转速,机头转速表。区别:电涡流比磁电式抗干扰能力强,且精确度高,适合测较低转速。
125、填空题 玻璃液体温度计按用途可分为()、()、()。
点击查看答案
本题答案:工业用、试验室用、标准水银温度计
本题解析:试题答案工业用、试验室用、标准水银温度计
126、问答题 电子皮带秤是根据什么原理工作的?
点击查看答案
本题答案:电子皮带秤,是根据皮带机在单位时间内输送的原煤量,等于
本题解析:试题答案电子皮带秤,是根据皮带机在单位时间内输送的原煤量,等于单位长度皮带上的原煤量与皮带运行速度的乘积的关系设计的。用荷重传感器应变电桥的应变电阻变化量ΔR/R来模拟单位长度煤量,用应变电桥供桥电压来模拟皮带速度;因此,应变电桥输出的不平衡电压U=K•ΔR/R•E,其大小就可以代表单位时间皮带上输送的煤量。
127、单项选择题 现行国标中规定采样的精密度:对原煤和筛选煤,当Ad>20%时,精密度为()(绝对值)。
A、±1%
B、±1.5%
C、±2%
D、±3%
点击查看答案
本题答案:C
本题解析:暂无解析
128、填空题 兆欧表的标度尺刻度是(),一般测量范围为()。
点击查看答案
本题答案:不均匀的;0~∞。
本题解析:试题答案不均匀的;0~∞。
129、多项选择题 标准孔板的取压方式有()。
A.角接取压
B.理论取压
C.法兰取压
D.长径喷嘴取压
点击查看答案
本题答案:A, B, C
本题解析:暂无解析
130、填空题 按照误差的特点和性质,误差可分为系统误差、()、()。
点击查看答案
本题答案:偶然误差;粗大误差。
本题解析:试题答案偶然误差;粗大误差。
131、填空题 气体的体积流量qv与其标准体积流量qvn的关系是()。
点击查看答案
本题答案:qvn=qv
本题解析:试题答案qvn=qv
132、判断题 在伺服电机上装有电磁机械式制动器,用以减小电动机的惯性惰走,克服执行器断电后调节机构的反作用,以提高调节系统的稳定性。
点击查看答案
本题答案:对
本题解析:暂无解析
133、单项选择题 工业电视的信号传输可采用()。
A、双绞线;
B、同轴电缆;
C、护套线;
D、屏蔽线。
点击查看答案
本题答案:B
本题解析:暂无解析
134、填空题 能把脉动直流电中的()成分滤掉的电路称为()电路。
点击查看答案
本题答案:交流;滤波
本题解析:试题答案交流;滤波
135、填空题 压力表在()和()时,各对应校验点上,轻敲表壳后,两次读数之差叫压力表的变差。
点击查看答案
本题答案:升压检定、降压检定
本题解析:试题答案升压检定、降压检定
136、单项选择题 执行单元是完成系统调节功能或远方操作的执行部件。依据动力能源的不同,分为()执行器。
A.电动、气动;
B.电动、气动和液动;
C.电动、液动。
点击查看答案
本题答案:B
本题解析:暂无解析
137、填空题 DEH调节系统的数字控制器接受机组的转速、()、()三个反馈信号。
点击查看答案
本题答案:发电机的功率;调解级压力
本题解析:试题答案发电机的功率;调解级压力
138、单项选择题 检定工业热电阻时,水沸点槽插孔之间的最大温差不应大于()。
A.0.01℃;
B.0.02℃;
C.0.03℃。
点击查看答案
本题答案:A
本题解析:暂无解析
139、单项选择题 有一压力测点,如被测量最大压力为10兆帕,则所选压力表的量程应为()。
A.16兆帕;
B.10兆帕;
C.25兆帕。
点击查看答案
本题答案:A
本题解析:暂无解析
140、单项选择题 表征仪表的主要质量指标之一是()。
A.绝对误差;
B.相对误差;
C.引用误差;
D.基本误差。
点击查看答案
本题答案:D
本题解析:暂无解析
141、填空题 国际单位制中,压力的单位名称是(),单位符号是()。
点击查看答案
本题答案:帕;Pa。
本题解析:试题答案帕;Pa。
142、单项选择题 汇线槽的形式及尺寸应根据()及维修方便等条件选择。
A.测量点数和导线粗细
B.甲方和实物配制要求
C.钢材供应及现场条件
D.以上答案都对
点击查看答案
本题答案:A
本题解析:暂无解析
143、填空题 检查兆欧表时,当摇到额定转速,指针应指“()”,将l、E短接,慢慢摇发电机,指针应指“()”。
点击查看答案
本题答案:∞;0
本题解析:试题答案∞;0
144、填空题 使用液柱式压力计时,应保证仪器处于(),否则将产生()。
点击查看答案
本题答案:垂直位置;歪斜误差。
本题解析:试题答案垂直位置;歪斜误差。
145、单项选择题 按现行国标商品煤样采取方法规定,当商品煤的最大粒度大于100mm时,采取每个子样的最小质量为()kg。
A.1;
B.2;
C.4;
D.5。
点击查看答案
本题答案:D
本题解析:暂无解析
146、填空题 热工报警信号按严重程度可分为一般报警信号、()和()。
点击查看答案
本题答案:严重报警信号;机组跳闸信号
本题解析:试题答案严重报警信号;机组跳闸信号
147、填空题 在原工作票的安全措施范围内增加工作任务时,应由工作负责人征得工作票()和()的同意。若需变更或增设安全措施者应()工作票,并重新履行工作票许可手续。
点击查看答案
本题答案:签发人;许可人;填用新的
本题解析:试题答案签发人;许可人;填用新的
148、填空题 DEH的主要功能:自动启动功能、()、手动操作、()和自动紧急停机功能。
点击查看答案
本题答案:负荷自动控制;超速保护功能
本题解析:试题答案负荷自动控制;超速保护功能
149、填空题 电接点水位计由测量筒(其上装有电接点)、()及()组成。
点击查看答案
本题答案:传送电缆;显示器。
本题解析:试题答案传送电缆;显示器。
150、单项选择题 有一准确度等级为0.5,分度号为K,测量范围为0~1000℃的电子电位差计,其允许基本误差是()。已知E(1000)=41.269毫伏)。
A.±5℃;
B.±0.5%;
C.±0.206毫伏。
点击查看答案
本题答案:A
本题解析:暂无解析
151、填空题 热工调节对象的动态特性可以用三个参数近似地说明,这三个参数是()、()、()。
点击查看答案
本题答案:纯迟延时间t;时间常数T;传输系数K
本题解析:试题答案纯迟延时间t;时间常数T;传输系数K
152、问答题 简述紫铜垫片的使用条件是什么?
点击查看答案
本题答案:当工作介质为水时,若工作压力小于10MPa,工作温度低
本题解析:试题答案当工作介质为水时,若工作压力小于10MPa,工作温度低于250℃;或工作介质为蒸汽,工作压力小于6.4MPa,工作温度低于425℃时,仪表及取源部件的密封垫可采用紫铜垫片。
153、填空题 微动开关是利用()完成开关触点切换的,其基本工作原理是基于()
点击查看答案
本题答案:微小位移量;弹簧蓄能后产生的突然变形。
本题解析:试题答案微小位移量;弹簧蓄能后产生的突然变形。
154、单项选择题 控制电缆的使用电压为交流()及以下,或直流1000V以下。
A、380V;
B、500V;
C、600V;
D、750V。
点击查看答案
本题答案:B
本题解析:暂无解析
155、填空题 电子平衡电桥是测量()的显示仪表,可与()配套测量温度。
点击查看答案
本题答案:电阻变化;电阻温度计。
本题解析:试题答案电阻变化;电阻温度计。
156、填空题 氧化锆氧量计安装方式分为()和()。
点击查看答案
本题答案:抽出式、直插式
本题解析:试题答案抽出式、直插式
157、填空题 在实际工作中,铜电阻R。的数值按统一设计标准制成()和()二两种。
点击查看答案
本题答案:50欧;100欧。
本题解析:试题答案50欧;100欧。
158、问答题 使用补偿导线时应注意什么问题?
点击查看答案
本题答案:1、补偿导线必须与相应型号的热电偶配用。2、补偿导线在
本题解析:试题答案1、补偿导线必须与相应型号的热电偶配用。2、补偿导线在与热电偶仪表连接时,正负极不能接错。两对连接点要处于相同温度。3、补偿导线和热电偶连接点温度不得超过规定使用的温度范围 。4、要根据所配仪表的不同要求,选用补偿导线的线径。
159、问答题 什么是比较法检定热电偶?
点击查看答案
本题答案:比较法就是利用高一级的标准热电偶和被检热电偶在检定炉中
本题解析:试题答案比较法就是利用高一级的标准热电偶和被检热电偶在检定炉中直接比较的一种检定方法。就是把标准热电偶与被检热电偶捆扎在一起送入检定炉内,把热电偶的测量端置于均匀的温度场中,用测试仪器测出它们的热电势,以便得出它们之间的差值。
160、名词解释 在热力和机械设备上工作保证安全的组织措施是什么?
点击查看答案
本题答案:工作票制度;工作许可制度;工作监护制度;工作间断、试运
本题解析:试题答案工作票制度;工作许可制度;工作监护制度;工作间断、试运和终结制度:动火工作票制度操作票制度
161、问答题 绘图题:请画出分样工作流程图。
点击查看答案
本题答案:收样
分样
开电脑进入&ldquo
本题解析:试题答案收样
分样
开电脑进入“燃料管理”
显示分样号(桶样号)
按分样号正确投放
念采样编号
输入计算机
提示制样的清点个数并记录
核对无误后进行撕样
交制样
162、填空题 玻璃液体温度计按结构可分为()、()和外标式温度计。
点击查看答案
本题答案:棒式温度计;内标式温度计。
本题解析:试题答案棒式温度计;内标式温度计。
91ExAm.org
163、问答题 调节设备按使用能源的不同可分为哪几种?
点击查看答案
本题答案:调节设备按使用能源不同可分为自力式(直接作用式)、电动
本题解析:试题答案调节设备按使用能源不同可分为自力式(直接作用式)、电动式、气动式、液动式等形式。
164、问答题 在选择使用压力表时,压力表的量程怎样选择?安装压力表时取样点怎样选择?
点击查看答案
本题答案:在选择使用压力表时,为使压力表能安全可靠地工作,压力表
本题解析:试题答案在选择使用压力表时,为使压力表能安全可靠地工作,压力表的量程应选比被测压力值高1/3。安装压力表时,取样点的选择应有代表性,不得将其选择在有涡流的地方。
165、填空题 目前,具有()、()和()调节规律的调节器在火电厂中得到广泛应用。
点击查看答案
本题答案:比例;积分;微分
本题解析:试题答案比例;积分;微分
166、问答题 分别说明轴振OK限和中间间隙电压?
点击查看答案
本题答案:上OK限:-16.75VDC,下OK限:-2.75VD
本题解析:试题答案上OK限:-16.75VDC,下OK限:-2.75VDC,中间间隙电压:-9.75VDC
167、单项选择题 下列测量元件中不是用于测量流量的是()。
A、笛形管;
B、毕托管;
C、应变片;
D、浮子。
点击查看答案
本题答案:C
本题解析:暂无解析
168、填空题 热电厂中,锅炉汽包水位的测量,使用最广泛的是()。
点击查看答案
本题答案:差压式水位计
本题解析:试题答案差压式水位计
169、填空题 ZR402氧化锆氧量分析器探头性能测试包括()的测试和()的测试。
点击查看答案
本题答案:加热器内阻;热电阻阻值;探头本底电势。
本题解析:试题答案加热器内阻;热电阻阻值;探头本底电势。
170、单项选择题 采取最大粒度小于150mm的入厂煤时,使用的尖铲尺寸长×宽(mm)约为()。
A、250×300
B、450×300
C、300×250
D、450×375
点击查看答案
本题答案:C
本题解析:暂无解析
171、名词解释 检修工作结束前如遇下列那些情况应重新签发并重新履行工作许可手续?
点击查看答案
本题答案:1部分检修设备加入运行时
2必须改变检修与运
本题解析:试题答案1部分检修设备加入运行时
2必须改变检修与运行设备隔断方式或需变更增设安全措施者
3检修工作延期一次后仍不能完成需要继续延期者
172、问答题 屏蔽导线的屏蔽层如何接地,为什么?
点击查看答案
本题答案:屏蔽导线的屏蔽层只应一端接地,而另一端浮空,如果两端均
本题解析:试题答案屏蔽导线的屏蔽层只应一端接地,而另一端浮空,如果两端均接地,由于信号导线与屏蔽层间存在着分布电容,大地共变干扰电压侵入到信号回路中来,从而使测定值不稳定。
173、问答题 请谈谈,作为分样班的一名成员,应该如何干好自己的本职工作?
点击查看答案
本题答案:1)强调工作踏实、勤奋、认真负责;
2)工作
本题解析:试题答案1)强调工作踏实、勤奋、认真负责;
2)工作要有互相监督、视公司利益为自己利益的意识;
3)有搞好班组建设、班组成员团结、工作协调的意识。
174、问答题 什么是热电偶参考端温度补偿器?
点击查看答案
本题答案:热电偶参考端温度补偿器,是用来自动补偿热电偶测量值因参
本题解析:试题答案热电偶参考端温度补偿器,是用来自动补偿热电偶测量值因参考端温度变化而变化的一种装置。它实质上,就是能产生一个随参考端温度的变化而变化的直流信号毫伏发生器。把它串接在热电偶测量线路中测温时,就可以使参考端温度得到自动补偿。
175、问答题 简述力平衡式压力变送器的工作原理?
点击查看答案
本题答案:此压力变送器的按力平衡原理工作的。被测压力通过弹性敏感
本题解析:试题答案此压力变送器的按力平衡原理工作的。被测压力通过弹性敏感元件(弹簧管或波纹筒)转换成作用力,使平衡杠杆产生偏转,杠杆的偏转由检测放大器转换为0~10mA的直流电流输出,电流流入处于永久磁场内的反馈动圈中,使之产生与作用力相平衡的电磁反馈力。当作用力与该反馈力达到动平衡时,杠杆系统就停止偏转,此时的电流即为变送器的输出电流,它与被测压力成正比。
176、填空题 生产过程中,引起被调量发生变化的各种因素称为()。
点击查看答案
本题答案:扰动
本题解析:试题答案扰动
177、单项选择题 电接点水位计测量筒垂直安装偏差不得大于()。
A、1°;
B、2°;
C、3°;
D、4°。
点击查看答案
本题答案:B
本题解析:暂无解析
178、填空题 铂铑10一铂热电偶的标号是WRLB,分度号为S,长期使用温度为()℃,短期使用温度最高可达()℃左右。
点击查看答案
本题答案:0—1300;1600。
本题解析:试题答案0—1300;1600。
179、问答题 STB-1100型调节器侧面板下部,SET/IDCK开关的作用是什么?
点击查看答案
本题答案:STB-1100型调节器侧面板下部,SET/LOCK开
本题解析:试题答案STB-1100型调节器侧面板下部,SET/LOCK开关的作用:此开关位于SET侧时允许对参数进行设定;而位于LOCK侧时,参数设定用按键不起作用,但是能够读出参数或报警内容的代码。
91eXaM.org 180、单项选择题 现有以下几种测温装置,在测汽轮机轴瓦温度时,最好选用()
A.镍铬一镍硅热电偶;
B.充气压力式温度计;
C.铂热电阻。
点击查看答案
本题答案:C
本题解析:暂无解析
181、填空题 数字转速表的数码盘共有()齿,当汽轮机转速为3000转/分时,磁电转换器每秒输出()个脉冲。
点击查看答案
本题答案:60;3000。
本题解析:试题答案60;3000。
182、多项选择题 压力、流量的调节一般不采用微分规律,而温度的调节却多采用微分规律的原因()。
A、压力、流量等被调参数,其对象调节通道的时间常数T较小,稍有干扰,参数变化就较快,如果采用微分规律,容易引起仪表和系统的振荡,对调节质量影响较大;
B、如果T很小,采用负微分可以收到较好的效果;
C、温度等被调参数,其测量通道的时间常数较大,即使有一点干扰,参数变化也缓慢,因此可以采用微分规律;
D、采用微分和超前作用,可以克服调参数的惯性,改善调节质量。
点击查看答案
本题答案:A, B, C, D
本题解析:暂无解析
183、判断题 认真执行五不放过即:事故原因分析不清楚不放过;事故责任者和应受教育者没有受到教育不放过;没有采取防范措施不放过;事故责任者未受到处罚不放过;领导没有到位不放过。
点击查看答案
本题答案:错
本题解析:暂无解析
184、填空题 DDZ型仪表采用统一标准信号,便于与()、()技术设施配合作用。
点击查看答案
本题答案:巡回检测;数据处理。
本题解析:试题答案巡回检测;数据处理。
185、单项选择题 DKJ电动执行器由()组成。
A.伺服放大器、减速器、位置发送器;
B.伺服放大器、减速器;
C.减速器、位置发送器。
点击查看答案
本题答案:A
本题解析:暂无解析
186、问答题 简述压力表式温度计的测温过程?
点击查看答案
本题答案:测温时将温包插入被测介质中,当介质温度变化时,温包内的
本题解析:试题答案测温时将温包插入被测介质中,当介质温度变化时,温包内的感温物质因温度升高或降低而膨胀或收缩导致压力增大或减少,使弹簧管的曲率发生变化,其自由端发生位移,通过连杆和传动机构带动指针转动,并在刻度盘上直接显示出温度的数值。
187、填空题 DDZ一Ⅱ型差压变送器输出信号为0~10毫安直流,连接方式为()线制;而DDZ一Ⅲ型差压变送器输出信号为()连接方式为二线制。
点击查看答案
本题答案:4;4~20毫安直流。
本题解析:试题答案4;4~20毫安直流。
188、问答题 简述超声波流量计的组成和测量原理?
点击查看答案
本题答案:超声波流量计主要由换能器和转换器组成,换能器和转换器之
本题解析:试题答案超声波流量计主要由换能器和转换器组成,换能器和转换器之间由信号电缆和接线盒、夹装式换能器需配用安装夹具和耦合剂。超声波流量计利用超声波在流体中传播时,超声波声速受流体影响而变化来测量流量的。
189、单项选择题 DDZ-Ⅱ型电动单元组合仪表,以()作为主要的放大元件。
A.微处理机;
B.集成电路;
C.晶体管。
点击查看答案
本题答案:C
本题解析:暂无解析
190、问答题 STB-1100型调节器出现哪些条件时,AL灯(黄色)点亮?
点击查看答案
本题答案:STB-1100型调节器出现下列条件时,AL灯(黄色)
本题解析:试题答案STB-1100型调节器出现下列条件时,AL灯(黄色)点亮。
条件1:1次侧测量值信号超出报警设定值(C07,C08)的范围以外时。
条件2:2次侧偏差信号超出报警设定值(C09,C10)的范围以外时。
条件3:2次侧测量值信号超出报警设定值(2C07,2C08)的范围以外时。
条件4:2次侧偏差信号超出报警设定值(2C09,2C10)的范围以外时。
条件5:模拟输入信号A11~A17为-10%以下或110%以上时(但对;没被编程使用的模拟输入通道,报警显示不起作用)。
条件6:当执行控制运算程序将内部运算的结果“1”存到输出寄存器DO4时。
该仪表AL灯还具备一种“闪亮”的报警方式,当RAM保护电池的电压的3.0以下或4.3以上时,显示灯闪亮。这种闪光动作优先于上述条件而引起的AL灯点亮。
191、填空题 电厂中,汽轮机的一些重要的位置测量,传感器多采用()。
点击查看答案
本题答案:差动变压器
本题解析:试题答案差动变压器
192、单项选择题 一弹簧管式一般压力表出现了线性误差,应()。
A.调整拉杆的活动螺丝;
B.改变扇形齿轮与拉杆夹角;
C.换游丝。
点击查看答案
本题答案:A
本题解析:暂无解析
193、问答题 绘图题:画出与、或、非关系的梯形图表示。
点击查看答案
本题答案:
试题答案
(a)“与”;(b)“或”;(c)“非”
194、问答题 对象的飞升速度ε,时间常数T指的是什么?
点击查看答案
本题答案:ε是指在单位阶跃扰动量作用下,被调量的
本题解析:试题答案ε是指在单位阶跃扰动量作用下,被调量的最大变化速度。
T是表示扰动后被调量完成其变化过程所需时间的一个重要参数,即表示对象的惯性一个参数,T越大表明对象的惯性越大。
195、问答题 如何使用万用表查直流接地?
点击查看答案
本题答案:将万用表打至直流电压档(250V以上档位),表笔一端接
本题解析:试题答案将万用表打至直流电压档(250V以上档位),表笔一端接地,另一端接直流电源正极或负极,如所测电压远小于110V,则直流系统有接地现象。将某一回路断开后,如直流电源电压恢复至110V,则该回路接地
196、多项选择题 下列()在330MW机组大机TSI二次表中引入。
A、零转速;
B、转速;
C、高压缸胀差;
D、偏心。
点击查看答案
本题答案:A, B, C, D
本题解析:暂无解析
197、填空题 开启锅炉的看火孔,检查门,灰渣门时,应缓慢小心,工作人员应站在(),并看好两旁躲避的退路。
点击查看答案
本题答案:门后
本题解析:试题答案门后
198、填空题 标准电池按电解液即()溶液的浓度分为()标准电池和饱和标准电池。
点击查看答案
本题答案:硫酸镉:不饱和。
本题解析:试题答案硫酸镉:不饱和。
199、单项选择题 电缆敷设区域的温度不应高于电缆的长期工作允许温度,普通型电缆与热管道保温层交叉敷设时应大于()。
A、500mm;
B、400mm;
C、300mm;
D、200mm。
点击查看答案
本题答案:D
本题解析:暂无解析
200、问答题 试写出图示回路电势表达式。
点击查看答案
本题答案:热电偶的输出热电势
EAB(t,t1)
本题解析:试题答案热电偶的输出热电势
EAB(t,t1)
补偿热电偶的输出电势
EAB(t0,t1)
由热电偶、补偿导线、铜导线、动圈仪构成的回路中总电势
E=EAB(t,t1)-EAB(t0,t1)
E=EAB(t,t1)+EAB(t1,t0)
E=EAB(t,t0)
题库试看结束后
微信扫下方二维码即可打包下载完整版《★火电厂热工考试》题库
手机用户可保存上方二维码到手机中,在微信扫一扫中右上角选择“从相册选取二维码”即可。
题库试看结束后微信扫下方二维码即可打包下载完整版《火电厂热工考试:火电厂热工考试》题库,分栏、分答案解析排版、小字体方便打印背记!经广大会员朋友实战检验,此方法考试通过率大大提高!绝对是您考试过关的不二利器!
手机用户可保存上方二维码到手机中,在微信扫一扫中右上角选择“从相册选取二维码”即可。
微信搜索关注"91考试网"公众号,领30元,获取公务员事业编教师考试资料40G