手机用户可
保存上方二维码到手机中,在
微信扫一扫中右上角选择“从
相册选取二维码”即可。
1、多项选择题 电力系统短路时,电流互感器饱和是需要时间的,这饱和时间与下列因素有关的式()
A、电流互感器剩磁愈大,饱和时间愈长;
B、二次负载阻抗减小,可增长饱和时间;
C、饱和时间受短路故障时电压初始角影响;
D、饱和时间受一次回路时间常数影响;
点击查看答案
本题答案:B,C,D
本题解析:
知识点:规程部分
2、问答题 防止励磁涌流的方法有哪些?
点击查看答案
本题答案:第一,采用具有速饱和和铁芯的差动继电器。第二,采用间断
本题解析:试题答案第一,采用具有速饱和和铁芯的差动继电器。第二,采用间断角原理鉴别短路电流和励磁涌流波形的区别。第三,利用二次谐波制动原理。第四,利用波形对称原理的差动继电器。
3、单项选择题 一台二次额定电流为5A的电流互感器,其额定容量是30VA,二次负载阻抗不超过()才能保证准确等级。
A、1.2欧
B、1.5欧
C、2欧
点击查看答案
本题答案:A
本题解析:题目来源:电网继电保护应用(第四章)
设备类型:公共部分
难度等级:一般
电压等级:其他
知识点:基础知识
4、单项选择题 电压/频率变换式数据采集系统,在规定的时间内,计数器输出脉冲的个数与模拟输出电压的()。
A.瞬时值的绝对值成正比
B.积分成反比
C.瞬时值的绝对值成反比
D.积分成正比
点击查看答案
本题答案:A
本题解析:暂无解析
5、单项选择题 63KV及以下并联电抗器,一般只装设电流连断保护,其动作电流灵敏度按电抗器引出端二相内部短路最小电流校验,要求其灵敏系数不小于()?
A、1.0
B、1.2
C、1.5
D、2
点击查看答案
本题答案:D
本题解析:题目来源:电气主设备继电保护原理与应用(第十二章)
专业类型:继电保护
设备类型:电抗器
难度等级:较难
电压等级:500KV
知识点:运行规定
6、填空题 当0°<<90°时,功率方向继电器的内角满足()<<()时,对线路上发生的各种故障都能保证动作的方向性。
点击查看答案
本题答案:30°<<60°
本题解析:试题答案30°<<60°
7、单项选择题 稳定的故障分量包括:________。
A、正序和负序分量
B、负序和零序分量
C、正序和零序分量
D、正序,负序和零序分量
点击查看答案
本题答案:B
本题解析:题目来源:高压电网继电保护原理与技术第十二章
专业类型:继电保护
设备类型:线路
难度等级:容易
电压等级:500kV
知识点:保护原理
8、判断题 RCS-901A电压断线时,退出距离保护,保留不带方向的Ⅲ段零序过流保护。保留工频变化量距离元件,将其门坎抬高1.6倍UN,自动投入一段TV断线时零序过流和相电流过流段。
点击查看答案
本题答案:对
本题解析:题目来源:南瑞RCS901系列线路保护装置技术说明书
专业类型:继电保护
设备类型:线路
难度等级:一般
电压等级:其他
知识点:保护原理
9、判断题 接地距离保护的零序电流补偿系数K应按线路实测的正序阻抗Z1和零序阻抗Z0,用公式K=(Z0-Z1)/3Z1计算获得。实用值宜大于或接近于计算值。
点击查看答案
本题答案:错
本题解析:题目来源:电力系统继电保护实用技术问答(第二章)
专业类型:继电保护
设备类型:公共部分
难度等级:C(一般)
电压等级:110kV及以上
知识点:整定
10、判断题 终端变电所的变压器中性点直接接地,在其供电线路上发生二相接地故障时,终端变压器侧无零序电流
点击查看答案
本题答案:错
本题解析:
知识点:基础知识
11、问答题 试述采用TP型电流互感器的必要性和分级。
点击查看答案
本题答案:(1)采用暂态型电流互感器的必要性有:
1)
本题解析:试题答案(1)采用暂态型电流互感器的必要性有:
1)500kV电力系统的时间常数增大。220kV系统的时间常数一般小于60ms,而500kV系统的时间常数在80~200ms之间。系统时间常数增大,导致短路电流非周期分量的衰减时间加长,短路电流的暂态持续时间加长。
2)系统容量增大,短路电流的幅值也增大。
3)由于系统稳定的要求,500kV系统主保护动作时间一般在20ms左右,总的切除故障时间小于100ms,系统主保护是在故障的暂态过程中动作的。
在电力系统短路,暂态电流流过电流互感器时,在互感器内也产生一个暂态过程。如不采取措施’电流互感器铁芯很快趋于饱和。特别在装有重合闸的线路上,在第一次故障造成的暂态过程尚未衰减完毕的情况下,再叠加另一次短路的暂态过程,由于电流互感器铁芯剩磁的存在,有可能使铁芯更快地饱和。其结果将使电流互感器传变一次电流信息的准确性受到破坏,造成继电保护不正确动作。这就要求在500kV系统中,选择具有暂态特性的电流互感器。
(2)暂态型电流互感器分为TPS、TPX、TPY、TPZ四个等级。
1)TPS级。该级电流互感器为低漏磁电流互感器,铁芯不设非磁性间隙,铁芯暂态面积系数也不大,铁芯截面比稳态型电流互感器大得不多,制造比较简单。
2)TPX级。该级电流互感器铁芯不设非磁性间隙,在同样的规定条件下与TPY、TPZ级的相比,铁芯暂态面积系数要大得多,只适用于暂态单工作循环,不适合使用于重合闸。
3)TPY级。该级电流互感器铁芯设置一定的非磁性间隙,剩磁通不超过饱和磁通的1O%,限制了剩磁,适用于双工作循环和重合闸情况。
4)TPZ级。该级电流互感器铁芯中设置的非磁性间隙较大,一般相对非磁性间隙长度要大于O.2%以上,无直流分量误差限值要求,剩磁实际上可以忽略。TPZ级的电流互感器由于铁芯非磁性间隙大,铁芯磁化曲线线性度好,二次回路时间常数小,对交流分量的传变性能也好,但传变直流分量的能力极差。
500kV线路保护用的电流互感器一般选用TPY级暂态型电流互器。
12、单项选择题 发电厂和变电所应采用铜芯控制电缆和绝缘导线,按机械强度要求,强电控制回路截面不应小于()mm2。
A.0.5
B.1.5
C.2.5
点击查看答案
本题答案:B
本题解析:题目来源:规程汇编(火电厂和变电所二次接线设计规程)
13、判断题 电容式电压互感器对三次谐波不起放大作用。
点击查看答案
本题答案:错
本题解析:题目来源:电网继电保护应用(第四章)
设备类型:公共部分
难度等级:一般
电压等级:其他
知识点:PT
14、判断题& 91ExAM.orgnbsp; 对于刻度值是负序线电压的负序电压继电器,用单相电源模拟三种两相短路时,其刻度值为试验电压的1/√3倍
点击查看答案
本题答案:对
本题解析:
专业类型:继电保护
设备类型:线路
难度等级:B:较难
电压等级:220kV
知识点:基础知识
15、判断题 继电保护快速性是指继电保护应以允许的可能最快速度动作于断路器跳闸,以断开故障或中止异常状态发展。
点击查看答案
本题答案:对
本题解析:题目来源:论述题
专业类型:继电保护
设备类型:母线
难度等级:C(一般)
电压等级:其他
知识点:基础知识
16、判断题 所谓测量阻抗Z即故障回路电压?与电流?之比。
点击查看答案
本题答案:对
本题解析:题目来源:高压电网继电保护原理与技术第十一章
专业类型:继电保护
设备类型:线路
难度等级:困难
电压等级:500kV
知识点:基础
17、单项选择题 变压器中性点间隙保护是由()构成。
A、单独的零序电流继电器或零序电压继电器
B、零序电流继电器与零序电压继电器串联
C、零序电流继电器与零序电压继电器并联
点击查看答案
本题答案:C
本题解析:题目来源:技术问答
专业类型:继电保护
设备类型:变压器
难度等级:一般
电压等级:220kV
知识点:保护原理
18、判断题 在同一套保护装置中,闭锁、启动、方向判别和选相等辅助元件的动作灵敏度,应小于所控制的测量、判别等只要元件的动作灵敏度
点击查看答案
本题答案:错
本题解析:
知识点:线路保护
19、判断题 高压侧电压为500kV的变压器,对频率降低和电压升高引起的变压器工作磁密度过高,应装设过励磁保护
点击查看答案
本题答案:对
本题解析:题目来源:电力系统继电保护规定汇编(继电保护和安全自动装置技术规程)
专业类型:继电保护
设备类型:变压器
难度等级:困难
电压等级:500kV
知识点:保护原理
20、判断题 制动特性是利用穿越性故障电流做为制动电流克服差动不平衡电流,防止外部短路差动继电器误动作。
点击查看答案
本题答案:对
本题解析:题目来源:高压电网继电保护原理与技术(第十九章)
专业类型:继电保护
设备类型:母差
难度等级:较易
电压等级:其他
21、判断题 按频率降低自动减负荷装置的具体整定时,其最高一轮的低频整定值,一般选为49.1~49.2Hz。
点击查看答案
本题答案:对
本题解析:题目来源:电网继电保护应用
专业类型:继电保护
设备类型:公共部分
难度等级:一般
电压等级:110kV及以上
知识点:整定
22、判断题 南自PSL-621C线路保护中,正序方向元件由于引入了健全相的电压,因此在线路出口处发生不对称故障,及三相故障时,能正确反应故障方向。
点击查看答案
本题答案:错
本题解析:题目来源:南自PSL-620C线路保护装置说明书
专业类型:继电保护
设备类型:线路
电压等级:110KV
知识点:保护原理
23、单项选择题 电力系统发生振荡时,振荡中心电压的变化情况是()。
A、幅度最大
B、幅度最小
C、幅度不变
D、幅度不定
点击查看答案
本题答案:A
本题解析:
专业类型:继电保护
设备类型:线路
难度等级:B
电压等级:220kV
知识点:基础知识
24、判断题 保护用电缆与电力电缆不应同层敷设,强电和弱电回路不宜合用同一根电缆
点击查看答案
本题答案:对
本题解析:题目来源:电力系统继电保护规定汇编(继电保护和安全自动装置技术规程)
专业类型:继电保护
设备类型:公共部分
难度等级:中等
电压等级:其他
知识点:二次回路
25、单项选择题 在系统发生非对称故障时,故障点的()最低,向电源侧逐步增大为电源电势,
A、正序电压
B、负序电压
点击查看答案
本题答案:A
本题解析:题目来源:电网继电保护应用(第三章)
专业类型:继电保护
设备类型:公共部分
难度等级:一般
电压等级:110kV及以上
知识点:基础知识
26、判断题 对相阻抗继电器,在两相短路经电阻接地时超前相继电器在正方向短路时发生超越,在反方向短路时要失去方向性。
点击查看答案
本题答案:对
本题解析:题目来源:高压电网继电保护原理与技术第十一章
专业类型:继电保护
设备类型:线路
难度等级:B:较难
电压等级:500kV
知识点:保护原理
27、判断题 在运行中的高频通道上进行工作时,由于结合滤波器低压侧没有高电压。因此,可不采取任何措施直接进行高频通道工作。
点击查看答案
本题答案:错
本题解析:题目来源:WXB-11(WXH-11、SWXB-11)型微机保护检验规程
设备类型:线路
难度等级:一般
电压等级:其它
知识点:基础知识
28、单项选择题 对工作前的准备,现场工作的安全、质量、进度和工作清洁后交接负全部责任者,是属于()
A、工作票签发人
B、工作票负责人
C、工作许可人
D、工作监护人
点击查看答案
本题答案:B
本题解析:题目来源:规定汇编
专业类型:继电保护
设备类型:线路
难度等级:C
电压等级:220kV
知识点:基础知识
29、判断题 电压互感器有两种:电容式电压互感器与电磁式电压互感器,其中暂态特性较差的是电感式电压互感器。
点击查看答案
本题答案:错
本题解析:题目来源:电网继电保护应用(第四章)
专业类型:继电保护
设备类型:公共部分
难度等级:一般
电压等级:其他
知识点:基础知识
30、填空题 发电机的不正常运行状态中,由于外部短路电流引起的定子绕组()。
点击查看答案
本题答案:过电流
本题解析:试题答案过电流
31、判断题 在系统发生非对称故障时,故障点的正序 电压最低,向电源侧逐步增大为电源电势,而故障点的负序电压最高,向电源侧逐步降低为零
点击查看答案
本题答案:对
本题解析:题目来源:电网继电保护应用(第三章)
专业类型:继电保护
设备类型:公共部分
难度等级:C
电压等级:110kV及以上
知识点:基础知识
32、判断题 四统一设计的距离保护振荡闭锁使用方法:由大阻抗圆至小阻抗圆的动作时差,大于设定时间值即进行闭锁。
点击查看答案
本题答案:错
本题解析:题目来源:国调〈电力系统继电保护实用技术问答〉附录
设备类型:线路
难度等级:一般
电压等级:220kV
知识点:基础知识
33、单项选择题 部颁《电力系统继电保护及安全自动装置反事故措施要点》规定:装有小瓷套的电流互感器一次端子应放在()。
A、线路侧
B、母线侧
C、线路侧或母线侧
点击查看答案
本题答案:B
本题解析:题目来源:《电力系统继电保护规程汇编》:电力系统继电保护及安全自动装置反事故措施要点
专业类型:继电保护
设备类型:公共部分
难度等级:较难
电压等级:其它
知识点:运行管理规定
34、判断题 主保护拒动或断路器拒跳而由后备保护或断路器失灵保护动作切除故障的,不计入快速切除次数。
点击查看答案
本题答案:错
本题解析:题目来源:电力系统继电保护及安全自动装置运行评价规程
专业类型:继电保护
设备类型:公共部分
难度等级:一般
电压等级:其他
知识点:运行规定
35、判断题 实现选择性的整定原则是越靠近故障点的保护装置动作灵敏度越大,动作时间越短。()
点击查看答案
本题答案:对
本题解析:题目来源:电网继电保护应用(第一章第一节至第三节)
专业类型:继电保护
设备类型:公共部分
难度等级:B(较难)
电压等级:其他
知识点:基础知识
36、单项选择题 RCS-901A装置最多可以保存多少次动作报告
A、128
B、99
C、64
D、32
点击查看答案
本题答案:A
本题解析:题目来源:RCS-901线路保护说明书
专业类型:继电保护
设备类型:线路
难度等级:较难
电压等级:220KV
知识点:装置原理
37、判断题 断路器跳(合)闸线圈的出口触点控制回路,当为单出口继电器的,不可以在出口继电器跳(合)闸触点回路中串入电流自保持线圈。
点击查看答案
本题答案:错
本题解析:题目来源:论述题
专业类型:继电保护
设备类型:母线
难度等级:C(一般)
电压等级:220kV
知识点:二次回路
38、判断题 电压互感器的基本误差有
电压误差和角度误差。
点击查看答案
本题答案:对
本题解析:题目来源:高压电网继电保护原理和应用(第三章)
专业类型:继电保护
设备类型:公共部分
难度等级:中等
电压等级:其它
知识点:基础知识
39、判断题 对选择三相重合闸方式的线路,应选定对系统稳定冲击较小的一侧先重合。
点击查看答案
本题答案:对
本题解析:题目来源:电网继电保护技术应用
专业类型:继电保护
设备类型:重合闸
难度等级:中等
电压等级:110kV及以上
知识点:基础知识
40、判断题 变压器中性点接地方式的安排应尽量保持变电所的零序阻抗基本不变
点击查看答案
本题答案:对
本题解析:题目来源:电力系统继电保护实用技术问答(第二章)
专业类型:继电保护
设备类型:公共部分
难度等级:C(一般)
电压等级:其他
知识点:基础知识
41、多项选择题 LFP-901A型微机保护装置在PT断线时,退出的保护元件有()。
A、零序方向元件
B、工频变化量距离元件
C、距离保护
D、零序II段过流保护元件
点击查看答案
本题答案:A,C,D
本题解析:题目来源:LEP-901A装置说明书
设备类型:公共部分
难度等级:一般
电压等级:其他
知识点:基础知识
42、判断题 TA断线时闭锁电流差动保护是为了防止区外故障是误动。
点击查看答案
本题答案:对
本题解析:题目来源:国电南自WMZ-41母线保护装置技术说明书
专业类型:继电保护
设备类型:母线
难度等级:中等
电压等级:其他
知识点:基础知识
43、单项选择题 主保护或断路器拒动时,用来切除故障的保护是()
A、辅助保护
B、异常运行保护
C、后备保护
点击查看答案
本题答案:C
本题解析:题目来源:国调〈电力系统继电保护实用技术问答〉附录
设备类型:线路
难度等级:一般
电压等级:220kV
知识点:运行规定
44、单项选择题 继电保护二次回路的工作电压不应超过()
A、400V
B、500V
C、600V
D、700V
点击查看答案
本题答案:B
本题解析:题目来源:电力系统继电保护规定汇编(继电保护和安全自动装置技术规程)P75
专业类型:继电保护
设备类型:公共部分
难度等级:一般
电压等级:其他
知识点:二次回路
45、判断题 如果不考虑电流和线路电阻,在大电流接地系统中发生接地短路时,零序电流超前零序对亚90度。
点击查看答案
本题答案:对
本题解析:题目来源:电力系统继电保护实用技术问答(第一章)
专业类型:继电保护
设备类型:其他
难度等级:中等
电压等级:其他
知识点:基础知识
46、单项选择题 电压比较器的作用
A、把模拟量
转变成数
字量
B、把模拟量
转变成模
拟量
C、把数字量
转变成数
字量
D、把数字量
转变成模
拟量
点击查看答案
本题答案:A
本题解析:题目来源:高压电网继电保护原理和应用(第四章)
专业类型:继电保护
设备类型:公共部分
难度等级:一般
电压等级:其他
知识点:基础知识
47、判断题 在电力系统连续每10min内发生相继的三次短路故障以及一次长过程振荡的大扰动时,应能可靠的按要求记录全部数据。
点击查看答案
本题答案:对
本题解析:题目来源:电力系统继电保护实用技术问答(第二章)
专业类型:继电保护
设备类型:公共部分
难度等级:中等
电压等级:其他
知识点:技术准则
48、问答题 电气继电器在进行冲击电压试验时,是施加标准雷电冲击波的冲击电压进行。请问,一般选用的冲击电压峰值为多少千伏?
点击查看答案
本题答案:5千伏。
本题解析:试题答案5千伏。
49、单项选择题 LFP901线路保护装置的故障选相是比较零序电流I0和负序电流I2a的相位关系来进行选相。当()时定义为A区
A、-63.4?B、63.4?C、180?
点击查看答案
本题答案:A
本题解析:题目来源:LFP901A型线路保护装置技术说明书
专业类型:继电保护
设备类型:线路
难度等级:较难
电压等级:220kV及以上
知识点:保护原理
50、判断题 电力设备由一种运行方式转为另一种运行方式的操作过程中,被操作的有关设备均应在保护范围内,部分保护装置可短时失去选择性。
点击查看答案
本题答案:对
本题解析:题目来源:电力系统继电保护实用技术问答(第二章)
专业类型:继电保护
设备类型:公共部分
难度等级:一般
电压等级:其他
知识点:整定
51、判断题 Y。/Y。/△接线的三卷变压器在中压侧出线故障时,中压侧直接接地中性点的零序和中压侧套管三倍零序电流相等
点击查看答案
本题答案:对
本题解析:
知识点:基础知识
52、判断题 SEL-321保护在重负荷条件下用负荷入侵特性防止相间距离元件误动作。这个特性允许负荷阻抗进入相间距离特性某个预定的区域而不造成跳闸。
点击查看答案
本题答案:对
本题解析:题目来源:SEL-321微机高频距离保护检验规程
专业类型:继电保护
设备类型:线路
电压等级:500KV
知识点:保护原理
53、单项选择题 请选择下列哪种保护装置在实际工程中用作距离保护。
A、MDT-F
B、MBP-C
C、RGCB3-1
D、MRE3-10
点击查看答案
本题答案:A
本题解析:题目来源:秦山核电项目三菱保护使用手册
专业类型:继电保护
设备类型:线路
难度等级:C
电压等级:500kV
知识点:其他
54、单项选择题 用于超高压电网的保护直接作用于断路器跳闸的中间继电器,其动作时间应小于()
A、10ms;
B、15ms;
C、20ms;
点击查看答案
本题答案:A
本题解析:
知识点:二次回路
55、单项选择题 双母线差动保护中,一、二母线相继发生短路故障,不能反映后一母线故障的母线保护是()
A、元件固定联接的母线完全电流差动保护;
B、比较母联电流相位构成的母线差动保护;
C、比率制动式母线差动保护;
点击查看答案
本题答案:B
本题解析:
知识点:二次回路
56、单项选择题 距离保护的正序助增系数越大,距离保护的配合越
A、容易
B、困难
点击查看答案
本题答案:A
本题解析:
知识点:线路保护
57、单项选择题 双母线母联电流的极性要求:
A、与I母上其它单元极性一致
B、与II母上其它单元极性一致
C、与母联电流的方向有关
点击查看答案
本题答案:A
本题解析:题目来源:国电南自WMZ-41母线保护装置技术说明书
专业类型:继电保护
设备类型:母线
难度等级:较难
电压等级:其他
知识点:装置原理
58、单项选择题 在电压回路中,当电压互感器负荷最大时,至保护和自动装置的电压降不得超过其额定电压的()
A.2%
B.3%
C.4%
D.5%
点击查看答案
本题答案:B
本题解析:题目来源:电力系统继电保护实用技术问答(第九章)
专业类型:继电保护
设备类型:公共部分
难度等级:较难
电压等级:其他
知识点:二次回路
59、多项选择题 中央信号装置由事故信号和预告信号组成,预告信号一般有()。
A、延时
B、瞬时
点击查看答案
本题答案:A,B
本题解析:题目来源:电力系统继电保护实用技术问答(第九章)
专业类型:继电保护
设备类型:公共部分
难度等级:一般
电压等级:其他
知识点:二次回路
60、判断题 小接地电流系统单相接地故障时,非故障线路3I0的大小等于所有非故障线路的3I0之和
点击查看答案
本题答案:错
本题解析:题目来源:电力系统继电保护实用技术问答
专业类型:继电保护
设备类型:公共部分
难度等级:一般
电压等级:其他
知识点:基础知识
61、单项选择题 电压互感器一次线圈接于线压时,二次线圈额定电压为()。
A、100V
B、100V/1.732,
点击查看答案
本题答案:A
本题解析:题目来源:电网继电保护应用(第四章)
设备类型:公共部分
难度等级:一般
电压等级:其他
知识点:基础知识
62、判断题 故障分量阻抗继电器的最大优点是以特高速切除对系统稳定威胁最大的出口故障
点击查看答案
本题答案:对
本题解析:题目来源:高压电网继电保护原理与技术第十二章
专业类型:继电保护
设备类型:线路
难度等级:C:易
电压等级:500kV
知识点:保护原理
63、判断题 运行中或准备投入运行的自动低频减负荷装置,应由继电保护人员按有关规程和规定进行检验。
点击查看答案
本题答案:对
本题解析:题目来源:电力系统继电保护规定汇编(第二版)
专业类型:继电保护
设备类型:公共部分
难度等级:中等
电压等级:其他
知识点:基础知识
64、多项选择题 重合闸的方式有()。
A、单重;
B、三重;
C、综重;
D、停用。
点击查看答案
本题答案:A, B, C, D
本题解析:暂无解析
65、单项选择题 对于220KV电网,同样阻抗以1000MVA折算的阻抗标么值比100MVA折算的阻抗标么值()
A、不变
B、大
C、小
点击查看答案
本题答案:B
本题解析:
知识点:基础知识
66、单项选择题 对220KV采用综合重合闸的线路,当采用“单重方式”运行时,若线路上发生永久性两相短路接地故障,保护及重合闸的动作顺序为()。
A、三相跳闸不重合
B、选跳故障相,延时重合故障相,后加速跳三相
C、三相跳闸,延时重合三相,后加速跳三相
D、选跳故障相,延时重合故障相,后加速再跳故障相,同时三相不一致保护跳三相
点击查看答案
本题答案:A
本题解析:
专业类型:继电保护
设备类型:线路
难度等级:B
电压等级:220kV
知识点:保护原理
67、判断题 3U0突变量闭锁零序保护的功能是防止TA断线导致零序保护误动作。
点击查看答案
本题答案:对
本题解析:题目来源:其他
专业类型:继电保护
设备类型:其他
难度等级:一般
电压等级:其他
知识点:保护原理
68、判断题 与LFP——902配合工作的收发信机的远方启动(即远方起信)应退出,同时不再利用传统的断路器三相位置接点串联接入收发信机的停信回路
点击查看答案
本题答案:对
本题解析:
知识点:线路保护
69、单项选择题 为了将变压器的分接头进行调整,而将变压器的负荷切断,这种调压方式称为()
A、停电调压
B、无载调压
C、静电调压
点击查看答案
本题答案:B
本题解析:题目来源:继电保护与电气仪表第2版
专业类型:继电保护
设备类型:变压器
难度等级:一般
电压等级:500kV
知识点:调压方式
70、单项选择题 在高压输电线路上有时还接有串联补偿电容器和并联电抗器,在有串联补偿电容器的线路上短路暂态过程会出现(),在有并联电抗器是还会产生1个衰减很慢的非周期自由分量。
A、高频分量
B、低频分量
点击查看答案
本题答案:B
本题解析:题目来源:高压电网继电保护原理与技术第一章第二章
专业类型:继电保护
设备类型:公共部分
难度等级:一般
电压等级:其他
知识点:基础知识
71、单项选择题 假设系统中Z1=Z2,在下列哪种情况下单相接地故障电流大于三相故障电流?(式中ZK1为故障点正序综合阻抗;ZK0为故障点零序综合阻抗)
A、ZK0>ZK1
B、ZK0=ZK1
C、ZK0
点击查看答案
本题答案:C
本题解析:题目来源:电力系统继电保护实用技术问答(第一章)
专业类型:继电保护
设备类型:公共部分
难度等级:较难
电压等级:110kV及以上
知识点:基础知识
72、问答题 请判断下列叙述是否正确?为什么?“对于330kV~500kV线路,实现主保护的双重化时,若保护采用复用载波机,则两套主保护可以共用一台载波机。”
点击查看答案
本题答案:错误。因为根据实现主保护双重化的原则,当保护采用复用载
本题解析:试题答案错误。因为根据实现主保护双重化的原则,当保护采用复用载波机,两套主保护应分别采用两台不同的载波机。
73、问答题 小电流接地系统中,中性点装设的消弧线圈以欠补偿方式运行,当系统频率降低时,可能导致什么后果?
点击查看答案
本题答案:当系统频率降低时,可能使消弧线圈的补偿接近于全欠补偿方
本题解析:试题答案当系统频率降低时,可能使消弧线圈的补偿接近于全欠补偿方式运行,造成串联谐振,引起很高的中性点过电压,在补偿电网中会出现很大的中性点位移而危及绝缘。
74、判断题 由于变压器在1.3倍额定电流时还能运行10秒,因此变压器过流保护的过电流定值按不大于1.3倍额定电流值整定,时间按不大于9秒整定。
点击查看答案
本题答案:错
本题解析:
专业类型:继电保护
设备类型:变压器
难度等级:一般
电压等级:220kV
知识点:整定
75、单项选择题 脉冲群干扰试验中电压,电流及直流电源回路施加的共模干扰电压为:(单位:V)
A.1000
B.1500
C.2000
D.2500
点击查看答案
本题答案:D
本题解析:题目来源:220kV~500kV电力系统故障动态记录装置检测要求
专业类型:继电保护
设备类型:电力系统
难度等级:较难
电压等级:220kV~500kV
知识点:基础知识
76、判断题 故障分量可分为两类,一是快速的故障分量,一是慢速的故障分量。
点击查看答案
本题答案:错
本题解析:正确答案:稳定的故障分量和短暂的故障分量。
题目来源:高压电网继电保护原理与技术第十二章
专业类型:继电保护
设备类型:线路
难度等级:简单
电压等级:500kV
知识点:基础
77、单项选择题 IEC255-5(1997)标准中规定应将继电保护设备各独立回路的端子联在一起,进行()KV1min的稳态交流工频试验。
A.2
B.2.5
C.3
点击查看答案
本题答案:A
本题解析:题目来源:电网继电保护应用第二章(第三节)
专业类型:继电保护
设备类型:公共部分
难度等级:一般
电压等级:其他
知识点:其他
78、填空题 新安装保护装置在投入运行一年以内,未打开铝封和变动二次回路以前,保护装置出现由于调试和安装质量不良引起的不正确动作,其责任规属为()。
点击查看答案
本题答案:基建单位
本题解析:试题答案基建单位
79、问答题
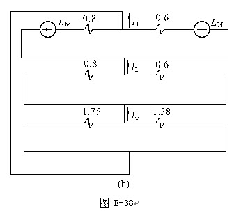
一条两侧均有电源的220kV线路k点A相单相接地短路,两侧电源、线路阻抗的标么值见图E-38(a),设正、负序电抗相等。试绘出在k点A相接地短路时,包括两侧的复合序网图。

点击查看答案
本题答案:见图E-38(b)所示。
试题答案见图E-38(b)所示。
80、单项选择题 对于比幅式单相阻抗继电器∣(Z-B)/(Z-A)∣>k,当k≠1时,其轨迹为()。(设在阻抗平面上相量A和B的末端为a、b两点)
A、圆
B、直线ab的中垂线
点击查看答案
本题答案:B
本题解析:题目来源:《高压电网继电保护原理与技术》:第九章、第十章
专业类型:继电保护
设备类型:变压器
难度等级:一般
电压等级:其他
知识点:基础知识
81、单项选择题 某电流互感器的变比为1500A/1A,二次接入负载阻抗5Ω(包括电流互感器二次漏抗及电缆电阻),电流互感器伏安特性试验得到的一组数据为电压120V时,电流为1安。试问当其一次侧通过的最大短路电流为30000A时,其变比误差是否满足规程要求?
A、满足
B、不满足
C、无法判断
点击查看答案
本题答案:A
本题解析:题目来源:论述题改
专业类型:继电保护
设备类型:装置原理
难度等级:较难
电压等级:其他
知识点:CT/PT
82、问答题 简述发电机的不正常运行状态。
点击查看答案
本题答案:由于外部短路电流引起的定子绕组过电流;由于负荷超过发电
本题解析:试题答案由于外部短路电流引起的定子绕组过电流;由于负荷超过发电机额定容量而引起的三相对称过负荷;由于外部不对称短路或不对称负荷而引起的发电机负序电流和过负荷;由于突然甩负荷而引起的定子绕组过电压;由于励磁回路故障或强励时间过长而引起的转子绕组过负荷;由于汽轮机主气门突然关闭而引起的发电机逆功率等。
83、问答题 试述电力系统中线路、变压器、发电机的负序阻抗及线路、变压器的零序阻抗的特点。
点击查看答案
本题答案:(1)线路、变压器等静止元件的负序阻抗。系统中静止元件
本题解析:试题答案(1)线路、变压器等静止元件的负序阻抗。系统中静止元件施以负序电压产生的负序电流与施以正序电压产生的正序电流是相同的(只是相序不同),故静止元件的正、负序阻抗相同。
(2)发电机负序阻抗:当对发电机施以负序电压时,电枢绕组的负序工频电流产生负序旋转磁场,在转子中产生2倍频电势和电流多故发电机的负序阻抗与正序阻抗不同,一般为0.16~0.24左右,对汽轮机和具有阻尼绕组的凸极发电机可近似取X2=Xd"。
(3)线路的零序阻抗。线路的零序阻抗为对线路施以零序电压时呈现的阻抗。零序阻抗以大地构成回路,数值较大,一般约为正序阻抗的2.5~3.5倍。
(4)变压器的零序阻抗。变压器的零序阻抗与绕组的连接方式及磁路结构有关。系统使用的变压器一般为YN,d接线且YN侧中性点接地,从d侧施以零序电压,由于回路不通不产生任何电流,故从d侧看人的零序阻抗为∞。从YN侧施以零序电压,在d侧将形成零序环流,故对零序来讲,从YN侧看人几乎相当于另一侧短路,呈现的是短路阻抗Uk%,但由于三芯式三相变压器的零序磁通要经过空气隙,使励磁阻抗大为降低,一般使零序阻抗减少到Uk%的80%左右。
Xe与XI并联部分,正序时可忽略Xe,零序时不可忽略Xe。同时,在△侧电网中是不会有零序电流。
84、判断题 发电机机端定子绕组接地,对发电机的危害比其他位置接地危害要大,这是因为机端定子绕组接地流过接地点的故障电流及非故障相对地电压的升高,比其他位置接地时均大
点击查看答案
本题答案:对
本题解析:
知识点:元件保护
85、单项选择题 RCS-901A保护利用Ucosφ来判断震荡或三相对称故障,Ucosφ在三相对称故障时一般小于____%UN。
A.3
B.5
C.10
D.15
点击查看答案
本题答案:B
本题解析:题目来源:RCS-901A型超高压线路成套保护装置说明书
专业类型:继电保护
设备类型:线路保护
难度等级:一般
电压等级:220kV及以上
知识点:装置原理
86、单项选择题 发电厂和变电所应采用铜芯控制电缆和导线,弱电控制回路的截面不应小于()。
A、4mm2
B、2.5mm2
C、1.5mm2
D、0.5mm2
点击查看答案
本题答案:D
本题解析:题目来源:电力系统继电保护实用技术问答(第九章)
专业类型:继电保护
设备类型:公共部分
难度等级:一般
电压等级:其他
知识点:二次回路
87、单项选择题 在所有圆特性的阻抗继电器中,当整定阻抗相同时,允许过度电阻能力最强的是()
A、全阻抗继电器;
B、方向阻抗继电器;
C、工频变化量阻抗继电器;
点击查看答案
本题答案:C
本题解析:
知识点:基础知识
88、单项选择题 同一条线路的RCS-901A与902A的重合闸装置()。
A、两套可同时投入
B、只能投入一套
点击查看答案
本题答案:A
本题解析:题目来源:南瑞RCS900系列线路保护装置技术说明书
专业类型:继电保护
设备类型:线路
难度等级:一般
电压等级:其他
知识点:基础知识
89、判断题 处理直流接地时不得造成直流短路和另一点接地
点击查看答案
本题答案:对
本题解析:
知识点:二次回路
90、判断题 WYP-01装置中,来源:91考试网 www.91exAm.org当就地判别与远方跳闸命令基本同一时间动作时,经t1延时跳闸,主要是考虑躲开通道暂态干扰。
点击查看答案
本题答案:对
本题解析:题目来源:WYP-01微机远方跳闸就地判别装置说明书
专业类型:继电保护
设备类型:线路
难度等级:中等
电压等级:500KV
知识点:保护原理
91、多项选择题 RCS—902A保护中经选相元件跳闸的保护有()
A、工频变化量距离;
B、纵联保护;
C、距离1段、距离2段;
D、另序2段;
E、距离三段;
点击查看答案
本题答案:A,B,C,D
本题解析:
知识点:基础知识
92、单项选择题 DBF保护装置可以实现多种电流判别方式的失灵保护,一般整定为下列哪种方式?
A、单相电流判别
B、两相电流判别
C、三相电流判别
D、无电流判别
点击查看答案
本题答案:A
本题解析:题目来源:DBF说明书(GEK-106168B)p26
专业类型:继电保护
设备类型:开关
难度等级:一般
电压等级:500kV
知识点:装置整定
93、判断题 为保证安全,母线差动保护装置中各元件的电流互感器二次侧应分别接地
点击查看答案
本题答案:对
本题解析:
知识点:二次回路
94、判断题 对于线路的相间保护的最后一段的动作灵敏性,必须限制在可靠地躲开线路正常运行功率和实际可能的最大事故后过负荷功率的范围内。
点击查看答案
本题答案:对
本题解析:
专业类型:继电保护
设备类型:线路
难度等级:中等
电压等级:220kV
知识点:基础知识
95、判断题 四边形特性距离继电器由一个电抗(X特性)元件、一个电阻元件(R特性)、一个方向元件(D特性)构成。电抗元件的作用是测量距离,电阻元件作用是用来躲负荷。这两个元件均为直线。方向元件这是判别方向,一般为折线。
点击查看答案
本题答案:对
本题解析:题目来源:论述题
专业类型:继电保护
设备类型:公共部分
难度等级:C(一般)
电压等级:其他
知识点:基础知识
96、单项选择题 用单相电源调整负序电流滤过器的平衡,当由DKB的一次绕组加入IAB或IBC电流5A时,IC或IA就加入()的电流
A、5.77A
B、6A
C、1/√3*5.77A
点击查看答案
本题答案:A
本题解析:
专业类型:继电保护
设备类型:线路
难度等级:较难
电压等级:220kV
知识点:基础知识
97、单项选择题 电力元件继电保护的选择性,除了决定于继电保护装置本身的性能外,还要求满足:由电源算起,越靠近故障点的继电保护的故障启动值()
A、相对愈小,动作时间愈短
B、相对愈大,动作时间愈短
C、相对愈小,动作时间愈长
点击查看答案
本题答案:B
本题解析:题目来源:国调〈电力系统继电保护实用技术问答〉附录
设备类型:线路
难度等级:一般
电压等级:220kV
知识点:基础知识
98、单项选择题 WYP-01装置中,导频与跳频信号同时出现或消失,且超过tch时间,则认为是()。
A、通道故障
B、装置故障
点击查看答案
本题答案:A
本题解析:题目来源:WYP-01微机远方跳闸就地判别装置说明书
专业类型:继电保护
设备类型:线路
电压等级:500KV
知识点:装置原理
99、单项选择题 在电流通道系数整定为“0.5”单元上加电流校验差动保护定值,当电流增大到5A时保护临界动作,此时的差动保护动作值为()。
A、2.5A
B、5A
点击查看答案
本题答案:A
本题解析:题目来源:国电南自WMZ-41母线保护装置技术说明书
专业类型:继电保护
设备类型:母线
难度等级:较难
电压等级:其他
知识点:整定
100、单项选择题 Ct的接线系数,两相星形是()。
B、√3
点击查看答案
本题答案:B
本题解析:题目来源:电力系统继电保护实用技术问答(第九章)
专业类型:继电保护
设备类型:公共部分
难度等级:较难
电压等级:其他
知识点:二次回路
101、判断题 一般来说母线的出线越多,零序电流的分支系数越小,零序电流保护配合越困难
点击查看答案
本题答案:错
本题解析:
知识点:线路保护
102、单项选择题 对于有两组跳闸线圈的断路器,按“反措要点”要求()。
A、其每一跳闸回路应分别由专用的直流熔断器供电
B、两组跳闸回路可共用一组直流熔断器供电
C、其中一组由专用的直流熔断器供电,另一组可与一套主保护共用一组直流熔断器
点击查看答案
本题答案:A
本题解析:题目来源:《电力系统继电保护规程汇编》:电力系统继电保护及安全自动装置反事故措施要点
专业类型:继电保护
设备类型:公共部分
难度等级:较难
电压等级:其它
知识点:运行管理规定
103、单项选择题 WYP-01装置中,当就地判别与远方跳闸命令基本同一时间动作时,经t1延时跳开,主要是考虑躲开通道()。
A、暂态干扰
B、稳态干扰
点击查看答案
本题答案:A
本题解析:题目来源:WYP-01微机远方跳闸就地判别装置说明书
专业类型:继电保护
设备类型:线路
电压等级:500KV
知识点:装置原理
104、单项选择题 双母线系统中,当I母上隔离开关辅助接点出错,()可能出现较大的差流。
A、I母小差
B、大差
C、I母小差和大差同时
点击查看答案
本题答案:A
本题解析:题目来源:国电南自WMZ-41母线保护装置技术说明书
专业类型:继电保护
设备类型:母线
难度等级:较难
电压等级:其他
知识点:装置原理
105、单项选择题 下述哪个原因不会引起线路区外正方向高频保护误动?
A、PT多点接地
B、通道中断
C、N600没有接地
D、TV断线
点击查看答案
本题答案:D
本题解析:题目来源:论述题改
专业类型:继电保护
设备类型:装置原理
难度等级:较难
电压等级:其他
知识点:CT/PT
106、判断题 华东电网对500KV主变低压侧过流保护的CT接线方式反措要求为,若主变低压侧过流保护CT采用开关独立CT,则该CT二次回路应接成星形;这样做是为了避免在发生区外接地故障时,联变低压侧一次三角环中产生闭环的零序电流而使得保护发生误动作。
点击查看答案
本题答案:对
本题解析:题目来源:论述题
专业类型:继电保护
设备类型:公共部分
难度等级:A(难)
电压等级:其他
知识点:运行规定
107、填空题 全系统阻抗角相等,当发生振荡且振荡角δ=180°时,振荡中心电压为有效值为()。
点击查看答案
本题答案:0
本题解析:试题答案0
108、单项选择题 L90保护装置如需更换波长为820nm多模光纤单通道的通道模块,应选择的通道模块型号为:
A、7A
B、7H
C、7R
D、7S
点击查看答案
本题答案:A
本题解析:题目来源:L90差动保护说明书(Rev. 2.9X)p2-5
专业类型:继电保护
设备类型:线路
难度等级:一般
电压等级:500kV
知识点:装置调试
109、判断题 线路发生瞬时性单相接地时,单相重合闸误跳三相,评为错误动作1次,如果又误合三相,重合成功,按1次错误动作统计。
点击查看答案
本题答案:错
本题解析:题目来源:电力系统继电保护及安全自动装置运行评价规程
专业类型:继电保护
设备类型:公共部分
难度等级:一般
电压等级:其他
知识点:运行规定
110、单项选择题 突变量保护宜在故障发生______后退出。
A、20ms
B、30ms
C、40ms
D、50ms
点击查看答案
本题答案:D
本题解析:题目来源:高压电网继电保护原理与技术第十二章
专业类型:继电保护
设备类型:线路
难度等级:较难
电压等级:500kV
知识点:保护原理
111、多项选择题 对双重化保护的电流回路、()回路、()回路、双套跳圈的控制回路等,两套系统不应合用一根多芯电缆。
A、电压
B、交流
C、信号
D、直流
点击查看答案
本题答案:A,D
本题解析:题目来源:规程汇编(火电厂和变电所二次接线设计规程)
设备类型:其他
难度等级:一般
电压等级:其他
知识点:运行规定
112、判断题 气体保护能反映变压油箱内的各种短路,但由于不能反映油箱外套管及连接线上的故障,所以它不能完全取代差动保护的作用。
点击查看答案
本题答案:对
本题解析:题目来源:继电保护与电气仪表第2版
专业类型:继电保护
设备类型:公共部分
难度等级:C(一般)
电压等级:110kV及以上
知识点:整定
113、判断题 电网继电保护的整定不能兼顾速动性,选择性或灵敏性时按下列原则取舍:局部电网服从整个电网;下一级电网服从上一级电网;局部问题自行消化;尽量照顾局部电网和下级电网的需要;保证重要用户供电。
点击查看答案
本题答案:对
本题解析:题目来源:国调〈电力系统继电保护实用技术问答〉附录
专业类型:继电保护
设备类型:线路
难度等级:一般
电压等级:220kV
知识点:二次回路
114、单项选择题 电流互感器的二次回路应有一个接地点。但对于有几组电流互感器连接在一起的保护,则应在()处接地。
A、CT端子箱
B、保护屏
点击查看答案
本题答案:B
本题解析:题目来源:电力系统继电保护规定汇编(继电保护和安全自动装置技术规程)
专业类型:继电保护
设备类型:公共部分
难度等级:一般
电压等级:其他
知识点:二次回路
115、多项选择题 RCS—902A保护中反方向距离继电器由以下继电器组成()
A、三个接地距离继电器;
B、三个相间距离继电器;
C、两个另序过流继电器;
点击查看答案
本题答案:A,B
本题解析:
知识点:基础知识
116、判断题 220KV母线的正序、负序综合阻抗值是0.113,零序综合阻抗值是0.163,在该母线发生二相故障时,短路电流是3.2
点击查看答案
本题答案:错
本题解析:
知识点:基础知识
117、单项选择题 在研究任何一种故障的正序电流(电压)时,只需在正序网络中的故障点附加一个阻抗,设负序阻抗为Z2,零序阻抗为Z0,则两相短路接地故障附加阻抗为()。
A、Z2+Z0
B、Z2
C、Z2*Z0/(Z2+Z0)
点击查看答案
本题答案:C
本题解析:题目来源:高压电网继电保护原理与技术第一章第二章
专业类型:继电保护
设备类型:公共部分
难度等级:一般
电压等级:其他
知识点:基础知识
118、判断题 电流互感器本身造成的测量误差是由于有励磁电流的存在
点击查看答案
本题答案:对
本题解析:
专业类型:继电保护
设备类型:变压器
难度等级:中等
电压等级:220kV
知识点:CT、PT
119、单项选择题 220kV线路零序电流保护最末一段应以适应故障点经()欧姆接地电阻短路为整定条件A。
A.100
B.300
点击查看答案
本题答案:A
本题解析:题目来源:其他
设备类型:线路
难度等级:一般
电压等级:其他
知识点:保护原理
120、判断题 11型微机保护跳闸出口开放回路采用了三取二方式,提高了整套保护装置的可靠性。
点击查看答案
本题答案:对
本题解析:题目来源:其他
专业类型:继电保护
设备类型:线路
难度等级:一般
电压等级:220kV
知识点:保护原理
121、单项选择题 下列关于高频闭锁负序方向保护描述正确的是()
A、对高频收发信机要求较低
B、电压二次断线不影响保护运行
C、非全相运行时被保护线路健全相再发生故障,保护仍能正确动作
D、不反应稳定的三相短路,但可以反应系统振荡时
点击查看答案
本题答案:A
本题解析:题目来源:电力系统继电保护实用技术问答(第四章)
专业类型:继电保护
设备类型:线路
难度等级:难
电压等级:220KV
知识点:基础知识
122、判断题 SEL-321保护调试中,在使用试验部件插入试验位置前,必须先检查为防止TA二次回路开路的短接线是否已正确、牢固地短接好。
点击查看答案
本题答案:对
本题解析:题目来源:SEL-321微机高频距离保护检验规程
专业类型:继电保护
设备类型:线路
电压等级:500KV
知识点:调试
123、判断题 采用单相重合闸方式的线路,在单相跳闸后,潜供电流的大小正比于线路的运行电压和长度。
点击查看答案
本题答案:对
本题解析:题目来源:电网继电保护技术应用
专业类型:继电保护
设备类型:重合闸
难度等级:B(较难)
电压等级:110kV及以上
知识点:基础知识
124、单项选择题 当母线内部故障有电流流出时,应()差动元件的比率制动系数,以确保内部故障时母线保护正确动作。
A、减小
B、增大
点击查看答案
本题答案:A
本题解析:题目来源:电力系统继电保护实用技术问答(第五章)
专业类型:继电保护
设备类型:母线
难度等级:较难
电压等级:110kV
知识点:基础知识
125、判断题 电力系统振荡时,对继电保护装置的电流继电器、阻抗继电器有影响。
点击查看答案
本题答案:对
本题解析:题目来源:论述题
专业类型:继电保护
设备类型:电抗器
难度等级:B(较难)
电压等级:500kV
知识点:基础知识
126、判断题 BP-2B母线保护装置充电保护投入期间是否投、退母线差 91EXAm.org动保护,可按各地运行习惯设定。
点击查看答案
本题答案:对
本题解析:题目来源:BP-2B微机母线保护装置技术说明书
专业类型:继电保护
设备类型:母线
难度等级:一般
电压等级:其他
知识点:整定
127、判断题 在大接地系统发生单相接地故障时,其故障电流电压分析中各序的序网络是并联的。
点击查看答案
本题答案:错
本题解析:题目来源:电力系统继电保护实用技术问答
专业类型:继电保护
设备类型:公共部分
难度等级:一般
电压等级:其他
知识点:基础知识
128、单项选择题 超范围闭锁式纵联保护装置中,线路一侧设在高、低定值两个起动元件,其正确的说法是:
A、使保护装置起动可靠
B、低定值开放保护出口正电源,高定值起动保护,从而提高保护工作可靠性。
C、低定值起动发信,高定值起动保护,起到区外短路故障时,一侧开放保护另一侧必起动发信,防止保护误动作
点击查看答案
本题答案:C
本题解析:
知识点:线路保护
129、判断题 带高频保护的微机线路保护装置如需停用直流电源,应在两侧高频保护装置停用后才允许停直流电源
点击查看答案
本题答案:对
本题解析:题目来源:电力系统继电保护规定汇编(微机继电保护装置运行管理规程)
专业类型:继电保护
设备类型:公共部分
难度等级:C(一般)
电压等级:其他
知识点:运行规定
130、单项选择题 保护装置绝缘测试过程中,任一被试回路施加试验电压时,()等电位互连地。
A、被试回路
B、直流回路
C、其余回路
D、交流回路
点击查看答案
本题答案:C
本题解析:
专业类型:继电保护
设备类型:线路
难度等级:C
电压等级:220kV
知识点:运行规定
131、单项选择题 电容器允许在( )的工频电压下长期运行
A、1.1倍
B、1.2倍
C、1.3倍
点击查看答案
本题答案:A
本题解析:题目来源:电气主设备继电保护原理与应用(王维检)
专业类型:继电保护
设备类型:电容器保护
难度等级:一般
电压等级:35kV及以下
知识点:基础知识
132、判断题 BP-2B母线保护装置双母线接线使用大差比率差动元件作为区内故障判别元件;使用小差比率差动元件作为故障母线选择元件。
点击查看答案
本题答案:对
本题解析:题目来源:BP-2B微机母线保护装置技术说明书
专业类型:继电保护
设备类型:母线
难度等级:一般
电压等级:其他
知识点:基础知识
133、判断题 汽轮发电机失磁之后,如果不会导致系统电压大幅度下降而破坏稳定,失磁保护应尽快作用于自动减负荷,尽快将负荷降低到机组额定功率的40%——50%,可以继续运行15——30分钟
点击查看答案
本题答案:对
本题解析:
知识点:元件保护
134、判断题 在向继电保护通入交流工频试验电源前,必须首先将继电保护装置交流回路中的接地点断开,除试验电源本身允许有一个接地点之外,在整个试验回路中不允许有第二个接地点。
点击查看答案
本题答案:对
本题解析:题目来源:电网继电保护应用(第四章)
专业类型:继电保护
设备类型:公共部分
难度等级:中等
电压等级:其他
知识点:基础知识
135、判断题 系统振荡时各点电流值均作往复性摆动,过电流保护有可能误动,由于一般情况下振荡周期较短,当保护装置的时限大于1~1.5秒时,就能躲过振荡误动。
点击查看答案
本题答案:错
本题解析:
专业类型:继电保护
设备类型:线路
难度等级:中等
电压等级:220kV
知识点:基础知识
136、多项选择题 超范围闭锁式纵联距离保护中,设有远方起动发信措施,其作用的正确说法是:
A、提高内部短路故障是正确动作的可靠性
B、防止区内故障时靠近故障点侧起动发信元件因故未动作带来的误动
C、便于通道试验检查。
点击查看答案
本题答案:B,C
本题解析:
知识点:线路保护
137、单项选择题 一般保护用的电缆屏蔽层,专为屏蔽设计,其屏蔽层必须在()接地。
A、两端
B、单端
点击查看答案
本题答案:A
本题解析:题目来源:电网继电保护应用第4节~第5节
专业类型:继电保护
设备类型:公共部分
难度等级:一般
电压等级:其他
知识点:基础知识
138、判断题 一次接线为1个半断路器接线时,母线保护应装设电压闭锁元件。
点击查看答案
本题答案:错
本题解析:题目来源:电力系统继电保护实用技术问答(第五章)
专业类型:继电保护
设备类型:母线
难度等级:一般
电压等级:220kV
知识点:保护原理
139、判断题 所有保护装置在系统振荡时均不允许误动作跳闸
点击查看答案
本题答案:错
本题解析:
专业类型:继电保护
设备类型:线路
难度等级:中等
电压等级:220kV
知识点:整定
140、单项选择题 由3只电流互感器组成的零序电流滤过器接线,在负荷电流对称的情况下,如果有一相互感器二次侧断线,流过零序电流互感器的电流是()倍的负荷电流
A、3倍
B、√3倍
C、1倍
点击查看答案
本题答案:C
本题解析:题目来源:电力系统继电保护技术问答
专业类型:继电保护
设备类型:变压器
难度等级:一般
电压等级:220kV
知识点:基础知识
141、判断题 产品检验分出厂检验和型式检验两种
点击查看答案
本题答案:对
本题解析:
专业类型:继电保护
设备类型:线路
难度等级:C
电压等级:220kV
知识点:基础知识
142、单项选择题 输电线路中某一侧的潮流是送有用功,受无功,它的电压超前电流为()。
A.0°~90°
B.90°~180°
C.180°~270°
D.270°~360°
点击查看答案
本题答案:D
本题解析:暂无解析
143、单项选择题 SEL-321保护接地距离元件的特性可选()。
A、Mho特性
B、四边形特性
C、Mho特性,四边形特性或兼有两种特性
点击查看答案
本题答案:C
本题解析:题目来源:SEL-321-5微机高频距离保护检验规程
专业类型:继电保护
设备类型:线路
电压等级:500kV
知识点:装置原理
144、单项选择题 双母线分裂运行时,大差的制定系数:
A、采用整定值
B、自动调整为0.3
C、自动调整为0.8
点击查看答案
本题答案:B
本题解析:题目来源:国电南自WMZ-41母线保护装置技术说明书
专业类型:继电保护
设备类型:母线
难度等级:较难
电压等级:其他
知识点:装置原理
145、填空题 零序过电流保护与相间过电流保护相比,由于其动作电流小,所以灵敏度()。
点击查看答案
本题答案:高
本题解析:试题答案高
146、判断题 正常运行中的电流互感器,二次开路时二次侧会出现数值很高的正弦波形电压
点击查看答案
本题答案:错
本题解析:
知识点:二次回路
147、单项选择题 110~500KV有效接地系统的变电所接地电阻值不得大于()Ω
A.0.5
B.1
C.1.5
点击查看答案
本题答案:A
本题解析:题目来源:电网继电保护应用第二章(第一节)
专业类型:继电保护
设备类型:公共部分
难度等级:较难
电压等级:110KV及以上
知识点:基础知识
148、判断题 中性点不接地点网中发生不同相别、不同地点两点接地时,仍然没有很大的零序电流。
点击查看答案
本题答案:错
本题解析:
知识点:基础知识
149、单项选择题 旁路断路器和兼作旁路的母联断路器或分段断路器上,应装设那种()的保护。
A、线路保护
B、充电保护
点击查看答案
本题答案:A
本题解析:题目来源:电力系统继电保护规定汇编(继电保护和安全自动装置技术规程)
专业类型:继电保护
设备类型:开关
难度等级:难
电压等级:其他
知识点:整定
150、判断题 对于高频闭锁负序功率方向保护,当电压互感器接于变电所母线侧时,在一侧发生一相断线的非全相运行状态下,由于线路两端的负序功率方向同时为负,所以高频闭锁负序功率方向保护不会误动。
点击查看答案
本题答案:错
本题解析:题目来源:电网继电保护应用(第四章)
设备类型:公共部分
难度等级:一般
电压等级:其他
知识点:基础知识
151、单项选择题 经企业领导批准允许()巡视高压设备的值班员和非值班员,巡视高压设备时,不得进行其他工作,不得移开或越过遮拦。
A、A单独
B、B二人
C、C三人
D、D三人以上
点击查看答案
本题答案:A
本题解析:题目来源:规程汇编(发电厂和变电所电气部分)
设备类型:其他
难度等级:一般
电压等级:其他
知识点:其他
152、判断题 在现场工作过程中,如遇到异常,不论与本身工作是否有关,应立即停止工作,恢复保护原始转状况,待找出原因或确定与本工作无关后,方可继续工作。。
点击查看答案
本题答案:错
本题解析:题目来源:继电保护和电网安全自动装置现场工作保安规定
专业类型:继电保护
设备类型:其它
难度等级:一般
电压等级:其它
知识点:调试
153、单项选择题 某220kV终端变电所35kV侧接有电源,其两台主变一台220kV中性点直接接地,另一台经放电间隙接地。当其220kV进线单相接地,该线路系统侧开关跳开后,一般()
A、先切除中性点接地的变压器,根据故障情况再切除中性点不接地的变压器
B、先切除中性点不接地的变压器,根据故障情况再切除中性点接地的变压器
C、两台变压器同时切除。
D、两台变压器跳闸的顺序不定。
点击查看答案
本题答案:A
本题解析:
专业类型:继电保护
设备类型:变压器
难度等级:一般
电压等级:220kV
知识点:保护原理
154、判断题 对于变压器阻抗保护而言,汲出电流一般使测量阻抗增大
点击查看答案
本题答案:错
本题解析:
专业类型:继电保护
设备类型:变压器
难度等级:B(较难)
电压等级:220kV
知识点:基础知识
155、判断题 微机继电保护装置应设有在线自动检查。在微机保护装置中微机部分任一元件损坏(包括CPU)时都应发出装置异常信息,并在必要时闭锁保护。
点击查看答案
本题答案:对
本题解析:题目来源:电力系统继电保护规定汇编(微机继电保护装置运行管理规程)
专业类型:继电保护
设备类型:公共部分
难度等级:C(一般)
电压等级:其他
知识点:运行规定
156、单项选择题 电力系统在很小的干扰下,能独立地恢复到它初始运行状况的能力,称为()
A、暂态稳定
B、静态稳定
C、系统的抗干扰能力
点击查看答案
本题答案:B
本题解析:题目来源:继电保护与电气仪表第2版
专业类型:继电保护
设备类型:公共部分
难度等级:一般
电压等级:500kV
知识点:基础知识
157、单项选择题 高频电缆屏蔽层应()。
A、在接入收发信机前直接接地,收发信机内的“通道地”另行接地
B、在接入收发信机前不直接接地,由收发信机内的“通道地”起接地作用,避免重复接地
C、在接入收发信机前直接接地,收发信机内的“通道地”不再接地
D、在接入收发信机前不直接接地,收发信机内的“通道地”亦不直接接地
点击查看答案
本题答案:C
本题解析:题目来源:电力系统继电保护实用技术问答(第九章)
专业类型:继电保护
设备类型:公共部分
难度等级:难
电压等级:其他
知识点:高频通道
158、问答题
怎样做自耦变零序差动保护向量检查?

点击查看答案
本题答案:其相量检查做法如下。
(1)取任一侧电压互感
本题解析:试题答案其相量检查做法如下。
(1)取任一侧电压互感器电压为基准电压。
(2)将220kV、110kV和公共侧B、C相电流互感器二次短路并与差回路断开,此时差回路仅流入A相电流,分别测三侧电流值、电流相位和继电器差电压,当低压侧停运时220kV和公共侧电流相位相同,其相量与110kV侧电流相位差180°。
(3)将低压侧带负荷,差电压不应有大的变化。
(4)短接C、A相电流互感器,差回路通入B相电流,测试结果应同(2)项。
(5)短接A、B相电流互感器,差回路通入C相电流,测试结果应同(2)项。
(6)零序差动保护正确接线如图所示。
159、填空题 禀的()揭示具禀人的身份、姓名、籍贯;次行接书(“为„„事”)。
点击查看答案
本题答案:首行
本题解析:试题答案首行
160、单项选择题 保护屏必须有接地端子,并用截面不低于()mm⒉的多股铜线和接地网直接连通。
A.4
B.6
C.10
点击查看答案
本题答案:A
本题解析:题目来源:电力系统继电保护规定汇编(第二版)
专业类型: 91exam .org继电保护
设备类型:公共部分
难度等级:一般
电压等级:其他
知识点:二次回路
161、判断题 一般断路器失灵保护是由启动回路、时间元件、跳闸出口三部分组成。
点击查看答案
本题答案:错
本题解析:题目来源:电力系统继电保护实用技术问答(第五章 母线保护和断路器失灵保护)
专业类型:继电保护
设备类型:母线
难度等级:一般
电压等级:220kV
知识点:基础知识
162、判断题 二次暂态电压中,在短路开始后的前20ms的过程情况,不在考核之列
点击查看答案
本题答案:对
本题解析:题目来源:电网继电保护应用(第四章)
设备类型:公共部分
难度等级:中等
电压等级:其他
知识点:其他
163、单项选择题 模拟两相 短路从负序电流继电器AB端子通入电流此时继电器的动作电流是负序相电流的()倍
A、1/3
B、√3
C、1/√3
D、3
点击查看答案
本题答案:B
本题解析:题目来源:论述题改
专业类型:继电保护
设备类型:装置原理
难度等级:较难
电压等级:其他
知识点:故障计算
164、单项选择题 相电流差突变量选相元件中,如△(ia-ib),△(ib-ic)、△(ic-ia)都大于零,且△(ia-ib)最大,则选相结果为:
A、AB
B、A
C、B
D、C
点击查看答案
本题答案:A
本题解析:题目来源:电网继电保护技术应用
专业类型:继电保护
设备类型:重合闸
难度等级:一般
电压等级:110kV及以上
知识点:基础知识
165、单项选择题 用相—地偶合方式的电力线载波做通道的超范围允许式纵联保护,内部短路故障当通道异常时有可能()
A、误动作;
B、拒动;
C、误动及拒动;
点击查看答案
本题答案:B
本题解析:
知识点:基础知识
166、单项选择题 为了解决串补电容在距离保护的背后,造成的距离保护失去方向性,解决的办法是增加()与距离继电器按与门条件工作。
A、电抗继电器
B、电阻继电器
点击查看答案
本题答案:A
本题解析:题目来源:高压电网继电保护原理及技术
设备类型:线路
难度等级:一般
电压等级:220kV
知识点:保护原理
167、判断题 对于63KV及以下并联电抗器不装设纵差保护,一般只装设电流速断保护
点击查看答案
本题答案:对
本题解析:题目来源:电气主设备继电保护原理与应用(第十二章)
专业类型:继电保护
设备类型:电抗器
难度等级:一般
电压等级:500kV
知识点:配置原则
168、单项选择题 PT断线时,零序方向保护的动作行为
A、带方向三跳
B、不带方向三跳
C、带方向永跳
D、不带方向永跳
点击查看答案
本题答案:D
本题解析:题目来源:四方微机保护
专业类型:继电保护
设备类型:CSL-101A
难度等级:一般
电压等级:其他
知识点:装置原理
169、判断题 考核电流、电压欠量继电器误动条件为动作值的100%,拒动条件为动作值的80%。
点击查看答案
本题答案:错
本题解析:题目来源:电力系统继电保护实用技术问答(第二章)
专业类型:继电保护
设备类型:公共部分
难度等级:一般
电压等级:其他
知识点:其他
170、判断题 继电保护人员输入定值应停用整套微机保护装置
点击查看答案
本题答案:对
本题解析:
专业类型:继电保护
设备类型:线路
难度等级:一般
电压等级:220kV
知识点:基础知识
171、单项选择题 在受端电网密集线路群中选择何种重合闸方式最合理
A、单相重合闸
B、三相重合闸
C、综合重合闸
点击查看答案
本题答案:B
本题解析:题目来源:电网继电保护技术应用
专业类型:继电保护
设备类型:重合闸
难度等级:较难
电压等级:110kV及以上
知识点:基础知识
172、判断题 继电保护和二次回路的设计和布置,应当满足电网安全运行要求,并便于整定、运行操作、运行维护和检修调试。
点击查看答案
本题答案:对
本题解析:题目来源:电力系统继电保护规定汇编(第二版)
专业类型:继电保护
设备类型:公共部分
难度等级:一般
电压等级:其他
知识点:整定
173、多项选择题 时间管理的方法策略有()。
A.ABC时间管理法
B.拟定时间进度表
C.纪录统计法
D.学会授权和善用助手
E.学会拒绝艺术
点击查看答案
本题答案:A, B, C, D, E
本题解析:暂无解析
174、多项选择题 设Y/△—11变压器,不计负荷电流情况下,低压器(△侧)K点两相短路时,Y侧的三相电流为()
A、Y侧最大相电流等于K点三相短路时Y侧电流;
B、Y侧最大相电流等于最小相电流的2倍;
C、Y侧最大相电流等于K点三相短路时Y侧电流的√3/2;
点击查看答案
本题答案:A,B
本题解析:
知识点:基础知识
175、单项选择题 110kV母线差动保护的电压闭锁元件中零序电压一般可整定为()。
A、4-6V
B、4-8V
C、4-12V
点击查看答案
本题答案:C
本题解析:题目来源:电力系统继电保护规定汇编
专业类型:继电保护
设备类型:母线
难度等级:较难
电压等级:110kV
知识点:运行规定
176、单项选择题 电压互感器的二次回路只允许接地点宜设在()。
A、开关厂
B、控制室内
点击查看答案
本题答案:B
本题解析:题目来源:电力系统继电保护实用技术问答(第九章)
专业类型:继电保护
设备类型:公共部分
难度等级:一般
电压等级:其他
知识点:二次回路
177、填空题 在三侧电源时,三绕组变压器的纵差动保护的制动线圈应接于()。
点击查看答案
本题答案:外部短路电流最大的一侧
本题解析:试题答案外部短路电流最大的一侧
178、判断题 母线各联接单元的电流二次回路宜在保护柜内一点接地。
点击查看答案
本题答案:对
本题解析:题目来源:国电南自WMZ-41母线保护装置技术说明书
专业类型:继电保护
设备类型:母线
难度等级:中等
电压等级:其他
知识点:基础知识
179、判断题 对于专用高频通道,在新投入运行及在通道中更换了(或增加了)个别加工设备后,所进行的传输衰耗试验的结果,应保证收发信机接收对端信号时的通道裕量不低于8.686dB,否则,不允许将保护投入运行。
点击查看答案
本题答案:对
本题解析:题目来源:国调〈电力系统继电保护实用技术问答〉附录
设备类型:线路
难度等级:一般
电压等级:220kV
知识点:保护通道
180、单项选择题 为了保证静态保护装置本题的正常运行,最高的周围环境温度不得超过()度。
A.30
B.35
C.40
点击查看答案
本题答案:C
本题解析:题目来源:电网继电保护应用第二章(第三节)
专业类型:继电保护
设备类型:公共部分
难度等级:一般
电压等级:其他
知识点:其他
181、单项选择题 RCS-901A距离保护的精确工作电流范围是
A、0.1IN-20IN
B、0.1IN-25IN
C、0.1IN-30IN
D、0.1IN-15IN
点击查看答案
本题答案:C
本题解析:题目来源:RCS-901A型超高压线路成套保护装置说明书
专业类型:继电保护
设备类型:线路保护
难度等级:一般
电压等级:220kV及以上
知识点:装置原理
182、单项选择题 由于短路点存在过渡电阻,必然直接影响阻抗继电器的测量阻抗,一般在单侧电源网络中,过渡电阻会使测量阻抗()。
A、增大
B、减小
点击查看答案
本题答案:A
本题解析:题目来源:继电保护与电气仪表第2版
专业类型:继电保护
设备类型:阻抗继电器
难度等级:一般
电压等级:110kV及以上
知识点:整定
183、判断题 《220-500KV电力系统故障动态记录技术准则》中规定电力故障动态过程记录设备的记录时间为系统大扰动开始时刻之前不小于0.04s,其后不小于0.1s
点击查看答案
本题答案:对
本题解析:题目来源:电网继电保护应用(第五章)
专业类型:继电保护
设备类型:公共
难度等级:较难
电压等级:其他
184、判断题 带负荷调压的油浸式变压器的调压装置本身可不装设瓦斯保护。
点击查看答案
本题答案:错
本题解析:
专业类型:继电保护
设备类型:变压器
难度等级:一般
电压等级:其他
知识点:保护配置
185、判断题 电容式电压互感器的电磁单元接在互感器的高压端子和接地端子之间。
点击查看答案
本题答案:错
本题解析:题目来源:电网继电保护应用
设备类型:电压互感器
难度等级:较难
电压等级:500kV及以下
知识点:PT
186、单项选择题 对双侧电源供电的线路阻抗继电器,以下哪种叙述是正确的?
A、受过渡电阻的影响,线路阻抗与系统阻抗之比越大,超越越严重
B、受过渡电阻的影响,线路阻抗与系统阻抗之比越小,超越越严重
点击查看答案
本题答案:B
本题解析:题目来源:高压电网继电保护原理与技术第十一章
专业类型:继电保护
设备类型:线路
难度等级:难
电压等级:500kV
知识点:保护原理
187、判断题 在电流互感器二次绕组接线方
式不同的情况下,假定接入电
流互感器二次导线电阻的阻抗
均相同,而此计算负载以两相
电流差接线最大
点击查看答案
本题答案:对
本题解析:题目来源:高压电网继电保护原理和应用(第三章)
专业类型:继电保护
设备类型:公共部分
难度等级:困难
电压等级:其它
知识点:故障计算
188、单项选择题 重合闸后加速不需要外部输入加速触点,装置在跳闸后能自动判断故障相是否有电流而实现后加速。
A、是
B、否
点击查看答案
本题答案:A
本题解析:题目来源:四方CSL-101
专业类型:继电保护
设备类型:其他
难度等级:较难
电压等级:其他
知识点:基础知识
189、单项选择题 解除闭锁信号(unblock)一般在多少时间内有效?
A、100ms
B、150ms
C、200ms
D、250ms
点击查看答案
本题答案:B
本题解析:题目来源:高压电网继电保护原理与技术(第十五章)
专业类型:继电保护
设备类型:线路
难度等级:一般
电压等级:110kV及以上
知识点:基础知识
190、单项选择题 微机继电保护装置在下列()情况下可不停用整套微机继电保护装置:
A、使用的交流电压、交流电流、开关量输入、开关量输出回路作业
B、装置内部作业;
C、继电保护人员输入定值
D、停用其中一套保护(如高频保护)
点击查看答案
本题答案:D
本题解析:题目来源:电力系统继电保护规程汇编(微机继电保护运行管理规程)
专业类型:继电保护
设备类型:公共部分
难度等级:较难
电压等级:其他
知识点:基础知识
191、判断题 电流互感器必须满足一次回路的额定电压、最大负荷电流及短路时的动、热稳定电流的要求以及二次回路测量仪表、自动装置的准确度等级和继电保护装置10%误差特性曲线的要求
点击查看答案
本题答案:对
本题解析:题目来源:电网继电保护应用(第四章)
设备类型:公共部分
难度等级:C(一般)
电压等级:其他
知识点:基础知识
192、判断题 电力线载波纵差保护通道,应按以下原则设计:当线路上只装设一套载波纵差保护时,载波保护宜采用完全独立的载波通道。当线路上装设两套载波纵差保护时,另一套载波保护可与通信复用一个通道。
点击查看答案
本题答案:对
本题解析:题目来源:电力系统继电保护规定汇编(继电保护和安全自动装置技术规程)
专业类型:继电保护
设备类型:线路
难度等级:中等
电压等级:其他
知识点:其他
193、单项选择题 当负序电压继电器的整定值为6~12V时,电压回路一相或两相断线()
A、负序电压继电器会动作
B、负序电压继电器不会动作
C、负序电压继电器动作情况不定
D、瞬时接通
点击查看答案
本题答案:A
本题解析:题目来源:电力系统继电保护技术问答
专业类型:继电保护
设备类型:线路
难度等级:较难
电压等级:220kV
知识点:基础知识
194、判断题 参数整定方式有以下三种:在线修改、离线修改、远传修改
点击查看答案
本题答案:对
本题解析:题目来源:YS-8A、88A使用说明书
专业类型:继电保护
设备类型:线路
难度等级:中等
电压等级:其他
知识点:整定
195、判断题 大差取当前运行于双母线系统上所有联接单元的电流进行计算。
点击查看答案
本题答案:错
本题解析:题目来源:国电南自WMZ-41母线保护装置技术说明书
专业类型:继电保护
设备类型:母线
难度等级:中等
电压等级:其他
知识点:基础知识
196、多项选择题 电力系统短路故障时,电流互感器发生饱和,其二次电流波形特征是()
A、波形失真,伴随谐波出现;
B、过零点提前,波形缺损;
C、一次电流越大时,过零点提前越多;
D、二次电流的饱和点可在该半周期内任何时刻出现,随一次电流大小而变;
点击查看答案
本题答案:A,B,C
本题解析:
知识点:二次回路
197、判断题 系统振荡时,两侧电势角摆开最大(180°),此时振荡中心的电压最小,而此时振荡中心的电压变化率最小。
点击查看答案
本题答案:错
本题解析:题目来源:《高压电网继电保护原理与技术》第十三章
专业类型:继电保护
设备类型:线路
难度等级:一般
电压等级:其它
知识点:基础知识
198、判断题 双母线并列、分裂或互联时,大差的动作灵敏度一样。
点击查看答案
本题答案:错
本题解析:题目来源:国电南自WMZ-41母线保护装置技术说明书
专业类型:继电保护
设备类型:母线
难度等级:中等
电压等级:其他
知识点:基础知识
199、单项选择题 差动保护判据中的制定电流计算公式为:
A、所有电流的绝对值之和
B、所有电流和的绝对值
C、所有流入电流之和
D、所有流出电流之和
点击查看答案
本题答案:A
本题解析:题目来源:国电南自WMZ-41母线保护装置技术说明书
专业类型:继电保护
设备类型:母线
难度等级:一般
电压等级:其他
知识点:装置原理
200、单项选择题 如果线路受进有功与送出无功相等,则线路电流,电压相位关系为:()。
A、电压超前电流135°
B、电流超前电压45°
C、电流超前电压135°
点击查看答案
本题答案:C
本题解析:题目来源:电力系统继电保护实用技术问答
设备类型:线路
难度等级:一般
电压等级:其他
知识点:保护原理
题库试看结束后
微信扫下方二维码即可打包下载完整版《★继电保护工考试》题库
手机用户可保存上方二维码到手机中,在微信扫一扫中右上角选择“从相册选取二维码”即可。
题库试看结束后微信扫下方二维码即可打包下载完整版《继电保护工考试:继电保护工考试》题库,分栏、分答案解析排版、小字体方便打印背记!经广大会员朋友实战检验,此方法考试通过率大大提高!绝对是您考试过关的不二利器!
手机用户可保存上方二维码到手机中,在微信扫一扫中右上角选择“从相册选取二维码”即可。
微信搜索关注"91考试网"公众号,领30元,获取公务员事业编教师考试资料40G