手机用户可
保存上方二维码到手机中,在
微信扫一扫中右上角选择“从
相册选取二维码”即可。
1、填空题 AzL90-3型计轴设备由室内ACE()和室外EAK30C电子盒、SK30轨道传感器组成。
点击查看答案
本题答案:主机
本题解析:试题答案主机
2、填空题 信号机械室内汇集接地端子排安装在()防静电地板下的墙上。
点击查看答案
本题答案:电缆引入口
本题解析:试题答案电缆引入口
3、问答题 铁路信号显示应具备什么条件?
点击查看答案
本题答案:(1)信号的显示必须简单明了。
(2)信号的显示
本题解析:试题答案(1)信号的显示必须简单明了。
(2)信号的显示必须正确,而且不易混淆。
(3)同一的显示不能有两种意义。
(4)信号发生故障时,必须显示最大限制信号。
4、填空题 地面提供载频切换信息码时(信息码的发送时间应不小于2s),设备应自动实现载频()或().
点击查看答案
本题答案:锁定;切换
本题解析:试题答案锁定;切换
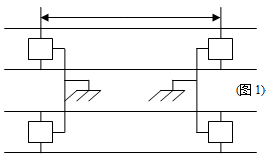
5、填空题 在股道又中间道岔的情况下,接车进路的最末一个道岔区段是指()。
点击查看答案
本题答案:中间道岔区段
本题解析:试题答案中间道岔区段
6、问答题 CTCS列控中心的作用是什么?
点击查看答案
本题答案:CTCS列控中心设置于信号楼,是CTCS地面设备的核心,它分
本题解析:试题答案CTCS列控中心设置于信号楼,是CTCS地面设备的核心,它分别与计算机联锁、CTC或TDCS、信号微机监测、地面电子单元等设备进行信息交换,获得行车命令、列车进路、列车运行状况和设备状态,通过安全逻辑运算,产生控车命令,实现对运行列车的控制。
7、单项选择题 进行主机测试时,设备的整机返还系数应不小于()。
A.75%
B.85%
C.95%
D.100%
点击查看答案
本题答案:A
本题解析:暂无解析
8、填空题 JT1-CZ2000型机车信号记录器可以从TAX2箱采集信息,TAX2箱指机车()综合检测装臵。
点击查看答案
本题答案:安全信息
本题解析:试题答案安全信息
9、填空题 当地面发送的信息不变时,机车信号应()不变。
点击查看答案
本题答案:保持
本题解析:试题答案保持
10、填空题 JTl型通用式机车信号电源接线盒的纹波电压不大于()。
点击查看答案
本题答案:150mV
本题解析:试题答案150mV
11、填空题 在绘制车站信号平面布置图时,按照规定将下行咽喉绘制在图纸的()。
点击查看答案
本题答案:左侧
本题解析:试题答案左侧
12、单项选择题 除方向组合外,其它组合的电源配线占用()列端子。
A.03
B.04
C.05
D.06
点击查看答案
本题答案:D
本题解析:暂无解析
13、问答题 UM71轨道电路等电位线的安装有如下规定:
点击查看答案
本题答案:1.两条完整等电位线之间的距离不得小于1500m时。见
本题解析:试题答案1.两条完整等电位线之间的距离不得小于1500m时。见图1。
2.此条完整等电位 线之间的距离大于2000m时,在其间增加一条简单等电位线,简单等电位线与完整等电位线之间的距离小于1000m,见图2。
3.等电位线的长度还应大于100m。
4.等电位线设置与并置区间点时,连接两空心圈中性点;设置与差置区间点时,连接空心线圈和新增扼流变压器中性点;设置与进站口时,连接扼流变压器中性点。
5.新增加的扼流变压器对UM71信息的牵引线圈侧阻抗大于17,扼流变压器二次侧开路。
6.等电位线L的长度及材料:当L≤20m时,采用1.2×61×2钢包铁线,在非直接接地处加塑料管保护;20m∠L∠70m,采用截面为5mm2的铜线;70m∠L∠100m,采用截面为70mm2的铜线。
7.尽量利用空心线圈SVA连接等电位线。相同频率的SVA中性点不能连接。
8.无横向连接线处,每个SVA中性点各自接到SOULE防雷单元,然后再接到地及上。

14、填空题 6502电器集中在()励磁电路上检查闭塞条件。
点击查看答案
本题答案:LXJ
本题解析:试题答案LXJ
15、问答题 CTCS-2级列控系统的地面设备由哪些部分组成?
点击查看答案
本题答案:由车站列控中心、地面电子单元(LEU)、点式应答器、ZPW-
本题解析:试题答案由车站列控中心、地面电子单元(LEU)、点式应答器、ZPW-2000(UM)系列轨道电路、车站闭环电码化、车站计算机联锁等组成。
16、填空题 机车信号设备应提供接收的制式信息(ZS),当ZS为高电平脉动时表示ZPW-2000或UM2000制式,低电平时表示()或交流计数制式。
点击查看答案
本题答案:移频
本题解析:试题答案移频
17、填空题 TJWX-2000型信号微机监测系统()是连接电源板、CPU板、采集板和输入转接端子的一种无缘底板。
点击查看答案
本题答案:总线板
本题解析:试题答案总线板
18、填空题 冗余系统计算机应()工作,转换可靠。
点击查看答案
本题答案:同步
本题解析:试题答案同步
19、单项选择题 控制台上每一轨道区段其光带最少不得少于()个单元。
A.1
B.2
C.3
D.4
点击查看答案
本题答案:B
本题解析:暂无解析
20、填空题 铁路供电设备应做到一级负荷应有()独立电源,保证不间断供电。
点击查看答案
本题答案:两个
本题解析:试题答案两个
21、填空题 JT-C型一体化机车信号主机在周围空气温度为()时应能可靠工作。
点击查看答案
本题答案:-40~+55℃
本题解析:试题答案-40~+55℃
22、填空题 JT-C系列机车信号输出电路采用(),不是直接连接。
点击查看答案
本题答案:光电耦合
本题解析:试题答案光电耦合
23、单项选择题 对于双套JT1型通用式机车信号,()不设在其连接板电路中。
A.点灯继电器
B.输入隔离变压器
C.双机转换继电器
D.上/下行保持继电器
点击查看答案
本题答案:A
本题解析:暂无解析
24、单项选择题 直流电源屏的直流24V电源供给继电器电路,总电流为()。
A.30A
B.40A
C.50A
D.60A
点击查看答案
本题答案:B
本题解析:暂无解析
25、单项选择题 用兆欧表测量电缆的绝缘电阻时,为防止电缆表面泄漏电流对测量精度产生影响,应将电缆的屏蔽层接至()。
A.G端
B.E端
C.L端
D.外壳
点击查看答案
本题答案:A
本题解析:暂无解析
26、单项选择题 改变运行方向电路,当区间空闲时,监督区间表示灯JQD()。
A.亮红灯
B.亮绿灯
C.亮黄灯
D.灭灯
点击查看答案
本题答案:D
本题解析:暂无解析
27、填空题 TJWX-2000型信号微机监测系统继电器光电探头是一种专门采集()状态的采集器。
点击查看答案
本题答案:继电器
本题解析:试题答案继电器
28、问答题 一体化机车信号主机的尺寸及特点?
点击查看答案
本题答案:长:335±1宽:283±1高:221±1
主机
本题解析:试题答案长:335±1宽:283±1高:221±1
主机箱内部件各个厂家之间互相兼容、安装兼容、大小尺寸统一、使用维护方式统一(主机箱内插槽板可做到不同厂家设备可互换),采用XC系列电连接器提高系统可靠性。
29、填空题 64D型半自动闭塞发车站的开通继电器KTJ吸起后,在出站信号机未开放前,发车站()利用正线进行调车作业。
点击查看答案
本题答案:可以
本题解析:试题答案可以
30、填空题 地面或机车上的信号设备故障时,机车信号不得出现()的错误显示。
点击查看答案
本题答案:升级
本题解析:试题答案升级
31、填空题 6502电器集中10网络线断线时,从故障点的()起,其后的所有区段不能正常解锁。
点击查看答案
本题答案:前一个区段
本题解析:试题答案前一个区段
32、问答题 64D型继电半自动闭塞FUJ电路中的TCJ前接点和BSA第二组拉出接点有什么作用?
点击查看答案
本题答案:当调车车辆需要越过进站信号机占用区间进行调车作业时车站应按照
本题解析:试题答案当调车车辆需要越过进站信号机占用区间进行调车作业时车站应按照发车手续办理闭塞,然后开放出站信号机,让调车车辆进入区间,此时区间闭塞。当调车车辆返回车站时,调车车站按下SGA办理复原,此时对方站的TCJ已经吸起,为了使对方站闭塞机复原,需要对方站值班员配合拉出BSA,使FUJ电路经过TCJ62前接点和BSA第二组拉出接点接通。
33、单项选择题 EI32-JD型计算机联锁系统采用来保障系统可靠运行不包括()。
A.双机热备
B.多点采集
C.向微机监测送信息
D.双网通讯
点击查看答案
本题答案:C
本题解析:暂无解析
34、填空题 JT-C机车信号在接收电气化区段移频信息时,750HZ主机接收灵敏度为()。
点击查看答案
本题答案:12.4±1.8mV
本题解析:试题答案12.4±1.8mV
35、单项选择题 单线双向的出站兼调车信号机应选用的组合是()。
A.LXZ.YX
B.LXZ.YX.1LXF
C.LXZ.YX.2LXF
D.LXZ.YX.LXF
点击查看答案
本题答案:B
本题解析:暂无解析
36、填空题 FZh-CTC分散自律调度集中车站系统采集区间信息的的电源为()电源。
点击查看答案
本题答案:JZ24
本题解析:试题答案JZ24
37、单项选择题 JTl型通用式机车信号主机的19芯航插第()线为制式区分输出。
A.10#
B.11#
C.12#
D.13#
点击查看答案
本题答案:B
本题解析:暂无解析
38、问答题 什么是TYJL-Ⅱ型联锁机备机的脱机状态?
点击查看答案
本题答案:联锁机备机升机后的初始状态,其工作灯.备用灯.同步灯和
本题解析:试题答案联锁机备机升机后的初始状态,其工作灯.备用灯.同步灯和联机灯均灭灯。
1.主备机在热备同不下,备机命令多于主机,主机由于某种故障而停止输出控制命令,这时备机发动切换,备机升为主机工作,原工作机脱机。若主机命令多于备机命令,备机自动脱机。2.通信中断,一是主机死机,不应答;二是通信本身中断,备机收不到主机的信息,热备机认为主机出现故障,发动切换升为工作机。3.主机通过自检测程序,发现严重故障,即通知备机进行切换倒机。4.主机某信号采集或驱动模快发生故障而中止驱动命令输出时,备机能立即发动切换。锁闭失步,主备机10个周期锁闭不一致将造成备机脱机或倒机。
39、填空题 JT1-CZ2000型机车信号移频接收的抗电气化谐波干扰信噪比优于()。
点击查看答案
本题答案:1:3
本题解析:试题答案1:3
40、单项选择题 ZPW-2000A型无绝缘移频自动闭塞系统主轨道电路的分路残压为()。
A.80mV
B.100mV
C.140mV
D.160mV
点击查看答案
本题答案:C
本题解析:暂无解析
41、单项选择题 6502电器集中LXJ线圈并联RC支路后其缓放时间是()s。
A.1
B.1.5-2
C.2.5
D.3
点击查看答案
本题答案:B
本题解析:暂无解析
42、单项选择题 进站信号显示两个双半黄灯时,4信息移频发送的低频频率是()Hz。
A.11
B.15
C.20
D.26
点击查看答案
本题答案:C
本题解析:暂无解析
43、填空题 ZPW-2000A加装()是保证轨道电路有较高技术性能的有效和必要措施。
点击查看答案
本题答案:补偿电容
本题解析:试题答案补偿电容
44、问答题 组合排列的原则是什么?
点击查看答案
本题答案:组合排列的原则是:安排每个组合在组合架上的位置时,要求
本题解析:试题答案组合排列的原则是:安排每个组合在组合架上的位置时,要求方便走线并使走线最短,避免同一架上的10个组合间以及架间的配线迂回跨越。
45、填空题 条件电源KZ—GDJ的作用是防护轨道停电又恢复后,使锁闭的进路有可能按()方式进行错误解锁。
点击查看答案
本题答案:正常解锁
本题解析:试题答案正常解锁
46、填空题 在控制台表示等电路中,轨道光带表示灯电路接有FDGJ第八组接点的作用是()。
点击查看答案
本题答案:防止闪白光带
本题解析:试题答案防止闪白光带
47、单项选择题 电力牵引区段的轨道电路,当不平衡牵引电流在规定以下时,应保证()状态时轨道继电器可靠落下。
A.调整
B.分路
C.故障
D.开路
点击查看答案
本题答案:B
本题解析:暂无解析
48、填空题 移频自动闭塞轨道电路对绝缘破损的防护采用()。
点击查看答案
本题答案:频率交叉
本题解析:试题答案频率交叉
49、问答题 更换附有吸上线(或回流线)两相邻扼流变压器的中性连接板时,应怎样进行?
点击查看答案
本题答案:更换两相邻扼流变压器带吸上线(或回流线)的中性连接板时,需在
本题解析:试题答案更换两相邻扼流变压器带吸上线(或回流线)的中性连接板时,需在更换前作好“两横一纵”临时回流线的连接。并将吸上线或回流线临时沟通至钢轨,连接好后再由供电人员配合撤下吸上线(或回流线),装好新中性连接板后,再连接好吸上线(或回流线),全部连接好再撤除“两横一纵”临时回流线。
50、填空题 每一个双动道岔区段列车进路中咽喉区无岔区段都应选用一个()组合。
点击查看答案
本题答案:区段
本题解析:试题答案区段
51、单项选择题 UM2000型无绝缘轨道电路在非桥面时,电气绝缘节的长度为()。
A.19.2m±0.1m
B.20m±0.1m
C.20.4m±O.1m
D.20.5m±O.1m
点击查看答案
本题答案:C
本题解析:暂无解析
52、单项选择题 64D型半自动闭塞为保证发送通知出发脉冲有足够的长度,将R2.C2并接在()。
A.HDJ线圈两端
B.ZKJ线圈两端
C.XZJ线圈两端
D.KTJ线圈两端
点击查看答案
本题答案:B
本题解析:暂无解析
53、填空题 车站股道电码化应满足:经道岔直向的接车进路和自动闭塞区段经道岔直向的发车进路中的所有()区段、经道岔侧向的接车进路中的()区段,应实施股道电码化。车站股道电码化在最不利的条件下,入口电流应满足机车信号可靠工作的要求。
点击查看答案
本题答案:轨道电路;股道
本题解析:试题答案轨道电路;股道
54、填空题 在电气集中微机监测系统中,无论采用什么方法对模拟量采样,都以不影响原电气集中设备()为前提,否则是不可行的。
点击查看答案
本题答案:正常工作
本题解析:试题答案正常工作
55、填空题 UM71轨道电路区间最小长度为()m。
点击查看答案
本题答案:150
本题解析:试题答案150
56、单项选择题 ()不属于敌对进路。
A.同一道发线上对向的列车进路
B.同一道发线上对向的调车进路
C.同一道发线上对向的列车进路与调车进路
D.同一咽喉区对向重叠的调车进路
点击查看答案
本题答案:B
本题解析:暂无解析
57、单项选择题 机车由15.8HZ区段进入无码区段,机车信号显示()。
A.白灯
B.黄灯
C.红灯
D.绿灯
点击查看答案
本题答案:A
本题解析:暂无解析
58、问答题 电源屏交流电压表V1.V2.V3,交流电流表A的测试内容是什么?
点击查看答案
本题答案:电压表V1、V3分别通过转换开关1QC、4QC测试I路.Ⅱ路
本题解析:试题答案电压表V1、V3分别通过转换开关1QC、4QC测试I路.Ⅱ路电源各相的相电压。由于它们连接在交流接触器接点的上方,可以随时测试两路供电电压。电压表V2通过转换开关3QC测试电源屏输出的各相相电压。电流表A通过转换开关2QC接在交流接触器的后方的3个传感器1TA.2TA.3TA上,测试电源的各相输入电流。
59、单项选择题 一体化机车信号接收ZPW—2000信息时,应变时间应不大于的规定时间t在()之间。
A.0.6≤t≤3
B.0.8≤t≤3
C.0.8≤t≤4
D.0.9≤t≤4
点击查看答案
本题答案:C
本题解析:暂无解析
60、填空题 JT-C系列机车信号接线盒动态受控路的额定功率为()。
点击查看答案
本题答案:10W
本题解析:试题答案10W
61、填空题 非电气化区段JTl型通用式机车信号采取的是高阻抗的()接收。
点击查看答案
本题答案:电压
本题解析:试题答案电压
62、问答题 CTCS-2级列控车载设备主要有哪些工作模式?
点击查看答案
本题答案:CTCS-2级列控车载设备主要工作模式有待机模式、完全监控模
本题解析:试题答案CTCS-2级列控车载设备主要工作模式有待机模式、完全监控模式、部分监控模式、目视行车模式、调车监控模式、隔离模式等。
63、单项选择题 四线制道岔(三相交流除外)表示电路中二极管的技术指标是()。
A.反向电压不小于500V,正向电流不小于300mA
B.反向电压不大于500V,正向电流不大于300mA
C.反向电压不小于1000V,正向电流不小于300mA
D.反向电压不大于500V,正向电流不大于300mA
点击查看答案
本题答案:A
本题解析:暂无解析
64、填空题 磁饱和稳压器工作在()状态。
点击查看答案
本题答案:磁饱和
本题解析:试题答案磁饱和
65、单项选择题 ZPW-2000R型无绝缘轨道电路分路状态在最不利条件下,在2300Hz轨道电路任一处轨面用0.15Ω标准分路线分路,短路电流不小于()的规定值。
A.400mA
B.500mA
C.550mA
D.600mA
点击查看答案
本题答案:B
本题解析:暂无解析
66、填空题 FZ-CTC分散自律调度集中系统()终端采用单机单屏配置,通过双以太口组成一虚拟端口连接在车站双网中。
点击查看答案
本题答案:电务维护
本题解析:试题答案电务维护
67、填空题 JT-C型机车 信号的双套热备是指由主机内双套主机板、()、双路接收线圈共同组成的双套热备系统。
点击查看答案
本题答案:双路电源
本题解析:试题答案双路电源
68、问答题 QJ何时吸起?何时落下?
点击查看答案
本题答案:1.在办理取消进路或人工解锁进路时,由于条件电源“KF-ZQ
本题解析:试题答案1.在办理取消进路或人工解锁进路时,由于条件电源“KF-ZQJ-Q”接通,始端按钮继电器吸起,QJ吸起;进路解锁后,随着XJJ落下而落下。
2.在取消误碰按钮的记录时,按下ZQA使QJ吸起后,在“KF-ZQJ-Q”无电时复原。
69、问答题 64S型继电半自动闭塞FUJ为什么要加缓放电路?
点击查看答案
本题答案:64S型继电半自动闭塞的FUJ,加缓放电路是为了办理正常或故
本题解析:试题答案64S型继电半自动闭塞的FUJ,加缓放电路是为了办理正常或故障复原时,防止DDJ第五组前接点落下得快,DDJ第一组接点落下得慢,在DDJ前接点还没有断开时,FUJ43后接点以接通,造成DDJ错误保留。
70、单项选择题 TYJL-TR9型计算机系统,采集板有信息采到时对应的采集指示灯()。
A.亮稳定绿灯
B.灭灯
C.亮稳定黄灯
D.亮稳定红灯
点击查看答案
本题答案:D
本题解析:暂无解析
71、填空题 JT-C系列机车信号双路接收线圈的一路接,另一路接主机板B。
点击查看答案
本题答案:主机板A
本题解析:试题答案主机板A
72、单项选择题 在测量电缆对地的绝缘电阻,被测设备的漏电压较严重时,要使用兆欧表的(),并将其接屏蔽层或外壳。
A.“L”端
B.“E”端
C.“G”端
D.任意端
点击查看答案
本题答案:C
本题解析:暂无解析
73、单项选择题 闭环电码化系统在一般车站每条正线设()发送盒。
A.2个
B.3个
C.4个
D.5个
点击查看答案
本题答案:B
本题解析:暂无解析
74、问答题 扳动道岔时烧熔断器有哪些主要原因?如何处理?
点击查看答案
本题答案:扳动道岔时烧熔断器的主要原因有:1.电机短路;2.电源
本题解析:试题答案扳动道岔时烧熔断器的主要原因有:1.电机短路;2.电源混线;3.电缆混线;4.配线错误;5.电机动作中有两个以上接地点;6.室内2DQJ两组有极点动作不同步;7.来回快扳道岔时,2DQJ接点电弧不能熄灭形成短路。
处理方法:1.调查了解是否扳定.反位都烧熔断器;2.甩掉电机4#端线,扳动试验,如果不烧熔断器则是电机问题;如果依然如故,则是配线问题;3.甩掉X1(或X2)线扳动试验,如果不烧熔断器则是转辙机内配线问题;如果依然如故,则是电缆混线或室内问题;4.检修后扳动试验烧熔断器,则属于故障电流太大或电弧不能吹断造成短路。
75、填空题 在提速区段,因通过列车运行速度较高,站内正线必须采用()方式进行移频化。
点击查看答案
本题答案:预叠加
本题解析:试题答案预叠加
76、填空题 主体化机车信号就是作为()的机车信号。
点击查看答案
本题答案:行车凭证
本题解析:试题答案行车凭证
77、填空题 JT-C型机车信号主机通过()控制,可以强行设置A机或B机为工作机或备机,为系统自动测试提供了基础。
点击查看答案
本题答案:外部切换
本题解析:试题答案外部切换
78、单项选择题 机车信号远程监测客户端软件,推荐通过()方式升级。
A.软盘
B.光盘
C.U盘
D.互联网
点击查看答案
本题答案:D
本题解析:暂无解析
79、填空题 18信息移频电源盘电源转换电路,由变频振荡、()、放大、变压整流等电路环节组成。
点击查看答案
本题答案:驱动
本题解析:试题答案驱动
80、填空题 机车信号的显示,应与线路上列车接近的()的显示含义相符。机车停车位臵,应以地面信号机或有关停车标志为依据。
点击查看答案
本题答案:地面信号机
本题解析:试题答案地面信号机
81、填空题 SJ平时处于()状态。
点击查看答案
本题答案:吸起
本题解析:试题答案吸起
82、问答题 什么是站内电码化?
点击查看答案
本题答案:站内电码化就是在车站站内由相应的轨道电路转发或叠加发送机车信
本题解析:试题答案站内电码化就是在车站站内由相应的轨道电路转发或叠加发送机车信号的信息。
83、填空题 在控制台上装有()器件和监督器件。
点击查看答案
本题答案:操纵
本题解析:试题答案操纵
84、填空题 铁路供电设备应做到()级负荷有可靠的专用电源。
点击查看答案
本题答案:二
本题解析:试题答案二
85、单项选择题 JZXC-480型交流轨道电路室内部分防雷单元的型号是()。
A.ZFH-36
B.ZFJ-H18
C.ZFG-Z/M
D.ZFG-F/W
点击查看答案
本题答案:C
本题解析:暂无解析
86、填空题 把需要传送的低频电信号,寄托在某种频率的高频信号上传送出去的传送方式,通常叫做()。
点击查看答案
本题答案:调制
本题解析:试题答案调制
87、填空题 TYJL—II型计算机联锁系统,当联锁机死机后,按压CPU板上的红色()按键,可重新起动联锁机系统。
点击查看答案
本题答案:复位
本题解析:试题答案复位
88、填空题 JT-C型机车信号各制式之间转换过程()。
点击查看答案
本题答案:不应闪白灯
本题解析:试题答案不应闪白灯
89、填空题 64D型半自动闭塞中TJJ的自闭电路加入BSJ第五组后接点,在接车站同意后,发车站办理取消复原时使接车站的发车表示灯FBD()。
点击查看答案
本题答案:不闪红灯
本题解析:试题答案不闪红灯
90、填空题 各种类型的机车信号系统,在任何运用条件和环境中,应能保证设备()的工作。
点击查看答案
本题答案:稳定可靠
本题解析:试题答案稳定可靠
91、单项选择题 在TDCS系统中当某站一侧通道故障时,可以()。
A.必须由人工切换另一迂回通道
B.人工电话报点
C.系统进入自锁
D.系统自动从迂回通道传送数据
点击查看答案
本题答案:D
本题解析:暂无解析
92、问答题 TYJL-Ⅱ型联锁机自动倒机的故障点如何处理?
点击查看答案
本题答案:在备机联机同步时,当联锁机主机发生故障,联锁机会自动倒机。若
本题解析:试题答案在备机联机同步时,当联锁机主机发生故障,联锁机会自动倒机。若倒机后正常,联锁机通信中断的报警提示可能会由于倒机时间极短,在控制台上来不及显示就恢复正常,但此时有联锁机“故障倒机的提示”,并且主备机同步信息也消失,这种现象一般为联锁机故障造成的。当故障步位在联锁机上,倒机后系统可不间断使用,此时故障机变为备机并应与备用的监控机通信。查看主备监控机的记录,可找到自动倒机的原因。若自动倒机后系统不能正常工作,且控制台有:“联锁机通信中断”的比较报警,表明故障不在联锁机,而是在监控机.通信网卡或通信线路上。
93、问答题 请画出ZP•YI-18型移频自动闭塞接收盘框图,并说出其工作原理。
点击查看答案
本题答案:接收盘框如图1所示。
工作原理:移频信号经过
本题解析:试题答案接收盘框如图1所示。
工作原理:移频信号经过轨道变压器.轨道防雷单元.电缆.站内防雷单元及衰耗隔离盘进入接收盘,经带通滤波放大,分别送两路数模转换器变换为数字信号,由各自的数字处理器进行运算处理,并将双机运算结果进行比较,然后驱动安全与门,使执行断电器吸起,并给出相应的表示。
94、填空题 ZP—89型移频自动闭塞设备在电气化和()区段都能使用。
点击查看答案
本题答案:非电气化
本题解析:试题答案非电气化
95、填空题 四信息移频650HZ发送盒实际发送的载频频率是()。
点击查看答案
本题答案:595和705Hz
本题解析:试题答案595和705Hz
96、单项选择题 在SJ电路中,FDGJ接点的作用是()。
A.防止闪白光带
B.防止轻型车跳动时错误解锁
C.检查QJJ电路完整
D.实现区段锁闭
点击查看答案
本题答案:B
本题解析:暂无解析
97、单项选择题 ZPW-2000A型无绝缘轨道电路补偿电容的精度为()。
A.±3%
B.±5%
C.±10%
D.±15%
点击查看答案
本题答案:B
本题解析:暂无解析
98、填空题  ; 铁路供电设备应做到10KV及其以下三相供电用户受电端电压允许偏差为额定值的()。
点击查看答案
本题答案:+-7%
本题解析:试题答案+-7%
99、填空题 ZP—89型移频自动闭塞构成的双线单向三显示自动闭塞当FS发生故障时能自动改由副发送盘()发送。
点击查看答案
本题答案:2FS
本题解析:试题答案2FS
100、单项选择题 按压进路始、终端按钮后,两个按钮表示灯均闪光,说明进路()自闭电路已构成。
A.JXJ
B.XJ
C.XJJ
D.AJ
点击查看答案
本题答案:D
本题解析:暂无解析
101、单项选择题 一体化机车信号主机连接板上使用了()个双极保持型继电器隔离接入I/II端信号,防止使用单个多组接点继电器故障引起无法切换问题。
A.1
B.2
C.3
D.4
点击查看答案
本题答案:B
本题解析:暂无解析
102、单项选择题 JT-C机车信号主机采用双套热备方式,工作机故障时自动切换到备用机,切换时间应不大于()。
A.1s
B.0.4s
C.0.5s
D.0.2s
点击查看答案
本题答案:C
本题解析:暂无解析
103、单项选择题 DS6-11计算机联锁系统的驱动电源应由GZJ的()构成条件电源。
A.前接点
B.后接点
C.中接点
D.继电器线圈
点击查看答案
本题答案:A
本题解析:暂无解析
104、填空题 DS6-K5B联锁系统管理程序板存储在()中。
点击查看答案
本题答案:ROM
本题解析:试题答案ROM
105、单项选择题 JT-C机车信号主机上电正常工作时,记录器分析软件显示主机代码应为()。
A.C0C000000000
B.C0CD11000000
C.CCE408000000
D.C9CC00000010
点击查看答案
本题答案:A
本题解析:暂无解析
106、单项选择题 RC相移振荡器是用三级RC相移电路使输出信号相移()后进入放大器输入端时,由于共发射极放大器输出信号与输入信号反相,因此产生正反馈,满足振荡条件。
A.90°
B.180°
C.120°
D.270°
点击查看答案
本题答案:B
本题解析:暂无解析
107、填空题 JT-C系列机车信号记录板上的JP701设置跳线1、2、3、4全部短路,表示机车信号信息记录方式是()方式。
点击查看答案
本题答案:全程记录
本题解析:试题答案全程记录
108、问答题 JD1A计算机联锁系统网络结构图中每种颜色代表什么含义?
点击查看答案
本题答案:绿色-表示某机器正在主控,电务维修机为工作。
黄
本题解析:试题答案绿色-表示某机器正在主控,电务维修机为工作。
黄色-表示某机器正处于故障状态。
白色-表明网络通信正常,但不处于主控和热备状态。
红色-表明网络通信中断。
109、单项选择题 TYJL-II型计算机联锁系统联锁机与监控机之间通信状态的指示灯是:联锁机面板第()组收发灯。
A.一
B.二
C.三
D.四
点击查看答案
本题答案:A
本题解析:暂无解析
110、单项选择题 股道亮白光带,说明该区段已锁闭,表示()。
A.ZCJ吸起
B.ZCJ落下
C.QJJ吸起
D.QJJ落下
点击查看答案
本题答案:B
本题解析:暂无解析
111、填空题 为防止外界电磁干扰,接收线圈与其小接线盒采用屏蔽线并()。
点击查看答案
本题答案:单端接地
本题解析:试题答案单端接地
112、问答题 接收线圈的性能参数?
点击查看答案
本题答案:电感量:>60mH品质因数:>5.5
直流电阻:
本题解析:试题答案电感量:>60mH品质因数:>5.5
直流电阻:≤8Ω线圈绝缘电阻:>30MΩ
113、填空题 JTl-CZ2000型机车信号的双套热备是指由主机内双套主机板、接线盒中的()、双路接收线圈共同组成的双套热备系统。
点击查看答案
本题答案:双路电源
本题解析:试题答案双路电源
114、单项选择题 JTl型通用式机车信号主机的19芯航插第()线为SDl信号输出。
A.10#
B.11#
C.12#
D.13#
点击查看答案
本题答案:A
本题解析:暂无解析
115、填空题 一送多受区段受电端()相差不超过1V。
点击查看答案
本题答案:端电压
本题解析:试题答案端电压
116、填空题 电气集中车站信号机械室内整流器()次侧均应加装熔丝。
点击查看答案
本题答案:一、二
本题解析:试题答案一、二
117、问答题 请说出道岔2DQJ接点烧坏的只要原因。
点击查看答案
本题答案:道岔2DQJ接点烧坏的只要原因有:1.道岔发生空转时,过多地
本题解析:试题答案道岔2DQJ接点烧坏的只要原因有:1.道岔发生空转时,过多地回来扳动道岔,通过2DQJ接点的道岔动作电流较大,瞬间产生电弧,烧坏接点。2.2DQJ有极接点上的熄弧器装反。
118、单项选择题 CTCS-2级列车运行控制系统中,主要采用()来实现地车信息传输。
A.列控中心
B.轨道电路
C.点式应答器
D.地面信号机
点击查看答案
本题答案:B
本题解析:暂无解析
119、填空题 通用式机车信号低频译码是通过对()测量周期而译出信息的。
点击查看答案
本题答案:调制低频方波
本题解析:试题答案调制低频方波
120、问答题 四信息移频自动闭塞区间无车占用时,送.受电端轨面电压及接收断电器端电压各为什么?
点击查看答案
本题答案:1.移频自动闭塞区间无车占用时,柜面送电端电压不小于4.5V
本题解析:试题答案1.移频自动闭塞区间无车占用时,柜面送电端电压不小于4.5V,受电端电压不小于0.2V。
2.接收继电器端电压不小于17.5V。
121、问答题 UM71轨道电路对扼流变压器有什么要求?(画图说明)
点击查看答案
本题答案:在交流电气化区段,若站内采用25Hz相敏轨道电路,区间
本题解析:试题答案在交流电气化区段,若站内采用25Hz相敏轨道电路,区间采用UM71电气绝缘轨道电路时,在站内和区间的交界处的进站口.出站口皆设有机械绝缘节。为了使牵引电流畅通,设置了扼流变压器,见图1(BE1-600/25为25Hz扼流变压器;BG1-140/25为25Hz轨道变压器)。
在区间上.下行轨道电路中,SVA不在同一平行位置,并在SVA之间的距离大于100m时,考虑平衡牵引电流.加装等电位线,需增设扼流变压器,见图2
图1.图2中的扼流变压器BE1-600/25,信号侧4.5开路,从牵引线圈测试阻抗Z12,此值应大于17。侧牵引线圈阻抗时,加在线圈1-2的电压大小为实现使用中的电压值。经测试,开气隙的BE1-600/25扼流变压器阻抗Z12小于17,所以此种扼流变压器不能使用在区段。
122、单项选择题 往中间出岔股道办理接车作业时,如果列车全部进入到发线后停车,但未进入中间道岔区段,这时要求中间道岔要()自动解锁。
A.立即
B.延迟3s
C.延迟30s
D.延迟3min
点击查看答案
本题答案:D
本题解析:暂无解析
123、填空题 JT-C系列机车信号接线盒具有()安全点灯电源。
点击查看答案
本题答案:动态控制
本题解析:试题答案动态控制
124、填空题 电池A的电动势为2V,内阻为1Ω,电池B的电动势为2.5V,内电阻为2.5Ω,先后用A、B作电源向同一电阻供电,电流强度相等,这个电阻的阻值只()。
点击查看答案
本题答案:5Ω
本题解析:试题答案5Ω
125、填空题 一体化机车信号的低频为11.4HZ时,机车信号显示一个()灯光。
点击查看答案
本题答案:绿色
本题解析:试题答案绿色
126、单项选择题 ZPW-2000A电缆模拟网络为防止电容断线时,电压升高,采用()电容。
A.两端头
B.四端头
C.六端头
D.八端头
点击查看答案
本题答案:B
本题解析:暂无解析
127、填空题 机车信号测试环线发送电流模拟量,应以机车信号可靠工作最小电流的±()为准,因股道条件不利或其它特殊情况可适当提高室内环线发码设备的发送电流。
点击查看答案
本题答案:15%
本题解析:试题答案15%
128、单项选择题&n bsp; TYJL-TR9型计算机系统,系统启动时,按压第一个事故按钮时间不得低于()。
A.1.5s
B.2s
C.3s
D.4s
点击查看答案
本题答案:A
本题解析:暂无解析
129、单项选择题 6502电器集中选路完毕的证明条件是()。
A.右端的JXJ吸起
B.始端的JXJ吸起
C.终端的JXJ吸起
D.左端的JXJ吸起
点击查看答案
本题答案:A
本题解析:暂无解析
130、填空题 除电锁器联锁车站外,单线继电半自动闭塞的轨道电路应采用()轨道电路。
点击查看答案
本题答案:闭路式
本题解析:试题答案闭路式
131、填空题 CTCS-2车站列控系统临时限速的起点里程和限速长度精度为()。
点击查看答案
本题答案:100m
本题解析:试题答案100m
132、单项选择题 排D9往IG的调车进路见图15,如果在13网络线D13的ZJ61-62接点接触不好,车列正常通过进路后,控制台上的现象是()。
A.9—15DG区段仍亮白光带,其余灭灯
B.9—15DG.17—23DG区段仍亮白光带,其余灭灯
C.全部白光带熄灭
D.17—23DG区段亮白光带其余熄灭
点击查看答案
本题答案:A
本题解析:暂无解析
133、填空题 信号辅助继电器XFJ和主信号继电器ZXJ是()在13网络线路上。
点击查看答案
本题答案:串接
本题解析:试题答案串接
134、问答题 JT-C系列机车信号的辅助信息有哪些?
点击查看答案
本题答案:包括:记录器内时刻、来自TAX2箱的线路公里标、机车号、时刻
本题解析:试题答案包括:记录器内时刻、来自TAX2箱的线路公里标、机车号、时刻、信号机号、车站号等。
135、单项选择题 JT-C系列机车信号记录器以插件形式插在机车信号主机机箱内,对机车信号的()信息进行直接采集。
A.输入输出
B.感应
C.点灯输出
D.输入
点击查看答案
本题答案:A
本题解析:暂无解析
136、问答题 JD—IA型计算机联锁系统如何判定继电器接点闭合?
点击查看答案
本题答案:该系统采用安全输入电路,联锁机控制多功能匹配板产生方波
本题解析:试题答案该系统采用安全输入电路,联锁机控制多功能匹配板产生方波脉冲,再经由继电器接点.32路输入电路,由联锁机读回。联锁机只有回读到方波脉冲,才判定继电器接点闭合。
137、填空题 EI32-JD型计算机联锁系统属于分布式计算机控制系统,也称集散型测控系统,其特点是分散控制、()管理。
点击查看答案
本题答案:集中信息
本题解析:试题答案集中信息
138、单项选择题 一体化机车信号设备通电时最大瞬间电流约为()A。
A.1
B.2
C.3
D.4
点击查看答案
本题答案:C
本题解析:暂无解析
139、填空题 双线单向运行区段的进站信号机,应选用()组合。
点击查看答案
本题答案:LXZ和YX
本题解析:试题答案LXZ和YX
140、填空题 机车信号检查测试环线长度为()。
点击查看答案
本题答案:30~50m
本题解析:试题答案30~50m
141、填空题 JTl型通用式机车信号,输入变压器的峰一峰值约为()。
点击查看答案
本题答案:200mV
本题解析:试题答案200mV
142、单项选择题 当信号开放后,列车进入信号机内方第一区段,DGJ落下后QJJ和GJJ()。
A.QJJ逐个落下和GJJ落下
B.QJJ全部落下和GJJ落下
C.QJJ落下和GJJ最后落下
D.QJJ和GJJ同时落下
点击查看答案
本题答案:A
本题解析:暂无解析
143、问答题 扳动道岔时电机反转(扳定位转反位,扳反位转定位)是什么原因?如何处理?
点击查看答案
本题答案:发生这种故障主要原因:1.电动机定子1#~3#端子线接反或2
本题解析:试题答案发生这种故障主要原因:1.电动机定子1#~3#端子线接反或2#~3#端子线接反;2.2DQJ接点配线接反;3.电缆线接反;4.转辙机内部配线错误。处理方法:发生这种故障多是由于更换电机,配线出错等造成的,因此,处理时要考虑施工等因素,以重新校对为主,决不能乱调配线临时恢复,否则将会造成配线与图纸不符合或留下其他隐患。
144、问答题 述JT-C系列机车信号电源板正常工作时表示灯显示情况。
点击查看答案
本题答案:电源板1:50V(主机工作电源)、50VD(主机A动态电源)
本题解析:试题答案电源板1:50V(主机工作电源)、50VD(主机A动态电源)、110V(输入电压)三灯应均亮。切换I、II端,相应I、II端指示灯亮。
电源板2:50V(主机工作电源)、50VD(主机B动态电源)、110V(输入电压)、12V(DTU工作电压)四灯应均亮。
145、填空题 当机车信号显示LU灯时,LKJ-2000型列车运行监控记录装置语音提示()。
点击查看答案
本题答案:绿黄灯注意运行
本题解析:试题答案绿黄灯注意运行
146、单项选择题 JT-C机车信号若主机内部A/D芯片故障,将导致()。
A.信号灭灯
B.主机返回自检状态
C.点亮红灯
D.不影响点灯
点击查看答案
本题答案:B
本题解析:暂无解析
147、填空题 JT-C型机车信号记录器110V电源异常捕捉门限为:(),低压73±5V。
点击查看答案
本题答案:高压135±5V
本题解析:试题答案高压135±5V
148、填空题 车站一切电话中断时,双线车站按()法行车。
点击查看答案
本题答案:时间间隔
本题解析:试题答案时间间隔
149、问答题 TYJL--Ⅱ型计算机联锁系统联锁机面板上的事故继电器驱动灯不闪烁将造成什么现象?
点击查看答案
本题答案:联锁机每一机柜的第一块驱动板的第一.四灯输出控制信号是
本题解析:试题答案联锁机每一机柜的第一块驱动板的第一.四灯输出控制信号是驱动事故继电器的平时工作机的事故继电器在吸起状态,设于第一块驱动板的第一.四指示灯应不停的闪烁。当工作机出现某些关键性的错误时,事故继电器驱动指示灯将停止闪烁,备用机将发出倒机命令,自动将备用机切换成工作机,使系统保持正常工作,而原工作机则自动处于脱机状态。在非同步状态时,工作机的故障将使事故继电器落下,从而切断动态继电器的局部电源,属于该机柜的控制的所有继电器都失磁落下。
150、填空题 JT-C机车信号在接收电气化区段移频信息时,650HZ主机接收灵敏度为()。
点击查看答案
本题答案:14.6±2.2mV
本题解析:试题答案14.6±2.2mV
151、填空题 UM71无绝缘轨道电路绝缘节由调谐单元和()组成。
点击查看答案
本题答案:空心线圈
本题解析:试题答案空心线圈
152、问答题 机车信号点式信息发送设备的测试标准是什么?
点击查看答案
本题答案:测试标准如下:1.环线电流应大于或等于2A。2.点式继
本题解析:试题答案测试标准如下:1.环线电流应大于或等于2A。2.点式继电器的电压一般大于24V。3.环线断线时,继电器电压为0,向值班员报警。4.环线短路时,继电器工作,所以环线短路不能检查。5.进站信号机为红灯时,预告信号显示黄灯,若点式环线断线,预告信号改点红灯。6.EMBO发送输出电压,UBIB2为67V±3V(132Ω);UBIB2电压与电缆调整有关,如电缆为1.5Km,补6Km电缆后,UBIB2一般为37V左右。
153、问答题 选择信号电缆径路应避开哪些地点?
点击查看答案
本题答案:选择信号电缆径路时应避开下列地点:酸.碱.盐聚集.石灰质.污
本题解析:试题答案选择信号电缆径路时应避开下列地点:酸.碱.盐聚集.石灰质.污水.土质松软承受重压可能发生大量塌陷危险的地带,以及道岔的岔尖.辙岔心.钢轨接头等处所。
154、填空题 联锁机是指微机联锁系统中实现()联锁功能的系统。
点击查看答案
本题答案:微型计算机
本题解析:试题答案微型计算机
155、单项选择题 办理引导解锁时,()吸起,用后接点切断YAJ自闭电路,使YAJ缓放落下。
A.YAJ
B.YJJ
C.YXJ
D.AJ
点击查看答案
本题答案:B
本题解析:暂无解析
156、填空题 继电器运用中规定的端电压或电流值称为()。
点击查看答案
本题答案:额定值
本题解析:试题答案额定值
157、填空题 驼峰主体信号机在正常情况下,要求显示距离不得少于()m。
点击查看答案
本题答案:400
本题解析:试题答案400
158、填空题 ZPW-2000A构成电气绝缘节的基本电路包含有L-C串联谐振电路、(),尚有部分电感电阻串联并联电路。
点击查看答案
本题答案:LC并联谐振电路
本题解析:试题答案LC并联谐振电路
159、单项选择题 JT-C系列机车信号记录软件默认的过期文件判定标准为()。
A、3天
B、5天
C、10天
D、15天
点击查看答案
本题答案:C
本题解析:暂无解析
160、填空题 JTl-CZ2000型机车信号车载系统由机车信号主机(含机车信号记录器)、机车信号带电源接线盒、机车信号双路接收线圈、()构成。
点击查看答案
本题答案:机车信号显示器
本题解析:试题答案机车信号显示器
161、填空题 AzL90-3型计轴设备室外磁头应不受湿度和()的影响。
点击查看答案
本题答案:水
本题解析:试题答案水
162、填空题 ZP—89型移频自动闭塞设备由非电气化区段转为电气化区段使用时,指需将轨道变压器改为厄流变压器及在接受端增设一个()即可。
点击查看答案
本题答案:滤波器
本题解析:试题答案滤波器
163、单项选择题 进站信号机外方的列车制动距离内.接车方向有超过()的下坡道,而该下坡道方向接车线路末端设线路隔离设备时,该下坡道方向的接车进路与非同一股道的发车进路互为敌对进路。
A.2‰
B.4‰
C.6‰
D.8‰
点击查看答案
本题答案:C
本题解析:暂无解析
164、填空题 三相交流电的相序接反时三相交流电动机就会()。
点击查看答案
本题答案:反转
本题解析:试题答案反转
165、问答题 请画出ZP•YI-18型移频自动闭塞发送盘框图,并说出其工作原理。
点击查看答案
本题答案:发送盘框图如图1所示。
工作原理:两套微处理
本题解析:试题答案发送盘框图如图1所示。
工作原理:两套微处理器CPU受同一低频编码条件控制,其中由CPU1产生底频控制信号FC。晶振1.2是高精确度.高稳定度的信号源,产生上.下边频相对应的信号源(f0上x211f0下x211)。经过移频产生环节,在
Fc控制下,它们交替输出,经过211分频产生移频信号。移频信号分别送到两CPU进行频率检测,检测结果符合规定后,经控制与门把移频信号送至底通滤波环节,实现方波-正弦波的变换。功放输出的移频信号再送至两个CPU进行幅度检测。两个CPU对移频信号的低频.载频和幅度特征进行检测,符合要求后打开安全门,使发送报警断电器FBJ励磁,并使经过功放的移频信号输出。
166、单项选择题 在信号微机监测系统中继电器光电探头主要用于()状态采集。
A.DBJ
B.FBJ
C.1DQJ
D.2DQJ
点击查看答案
本题答案:D
本题解析:暂无解析
167、问答题 记录器2.0CF卡中有多少个文件?记录器2.0转储U盘要用什么格式?
点击查看答案
本题答案:文件名以数字命名,从“0000”开始顺序递增到“0127”,
本题解析:试题答案文件名以数字命名,从“0000”开始顺序递增到“0127”,共128个。
记录器2.0用于转储的U盘文件系统必须是FAT格式。
168、单项选择题 一体化机车信号主机中,上、下行条件由Ⅰ—SZ()号端子输入。
A.1、2
B.2、3
C.5、6
D.7、9
点击查看答案
本题答案:A
本题解析:暂无解析
169、单项选择题 设备应提供接收的制式信息(ZS),当ZS为高电平脉动时表示()或UM2000制式,低电平时表示其他制式。
A.交流计数和微电子交流计数
B.ZPW-2000系列
C.移频
D.极频
点击查看答案
本题答案:B
本题解析:暂无解析
170、填空题 JT-C系列机车信号接收线圈的电感应不小于()mH;直流电阻应不大于8Ω;品质因数应不小于5.5。
点击查看答案
本题答案:60
本题解析:试题答案60
171、单项选择题 计算机联锁系统的功能的核心部分是()。
A.人—机对话功能
B.系统维护功能
C.与其他系统交换信息的功能
D.联锁功能
点击查看答案
本题答案:D
本题解析:暂无解析
172、单项选择题 上电时一体化机车信号双机先投入工作的是()。
A.A机
B.B机
C.双机
D.随机
点击查看答案
本题答案:D
本题解析:暂无解析
173、单项选择题& 91exam.orgnbsp; 电器化区段轨道电路适配器对于超过10A以上的强大电流,由()A熔断器给以防护,使轨道电路受电端的设备不受损害。
A.10
B.20
C.30
D.40
点击查看答案
本题答案:A
本题解析:暂无解析
174、填空题 JTl型通用式机车信号主机板上条件线“+”短接、“一”断开时,表示各制式灵敏度值()。
点击查看答案
本题答案:减15%
本题解析:试题答案减15%
175、填空题 计轴设备磁头安装应牢固,磁头齿与()齿必须对准密合。
点击查看答案
本题答案:底座
本题解析:试题答案底座
176、问答题 6502电气集中电路中LXJ的缓放特性有那些作用? LXJ的缓放特性有以下作用:
点击查看答案
本题答案:1.为了使蒸汽机车司机在列车出发和进站时看不到红灯,需要LX
本题解析:试题答案1.为了使蒸汽机车司机在列车出发和进站时看不到红灯,需要LXJ有1.5~2s的缓放时间,因蒸汽机车的导轮距司机座位还有15m左右的距离。
2.在办理人工解锁时,利用LXJ的缓放,使XJJ线圈检查条件电源KZ—RJ—H有电才准在励磁,以保证人工解锁的延时时间。
3.在主副电源转换时,利用其缓放特性,使开放的信号不关闭。
4.在正常解锁时,利用LXJ的缓放特性接通始端的解锁电源。
5.在列车进入信号机内方时,用其缓放特性向10号线送电,防止迎面错误解锁。
177、填空题 JT-C机车信号在接收电气化区段移频信息,550HZ主机接收灵敏度为()。
点击查看答案
本题答案:15.9±2.4mV
本题解析:试题答案15.9±2.4mV
178、问答题 控制台某段KF熔断器烧断会出现什么现象?
点击查看答案
本题答案:按压调车按钮表示灯不闪光,排列进路表示灯不亮,调车进路
本题解析:试题答案按压调车按钮表示灯不闪光,排列进路表示灯不亮,调车进路排不了。
179、填空题 测量交流220V电源对地电流时,应在使用的电流表的一根表笔上接0.5A熔丝,在另一根表笔上串接()的电阻。
点击查看答案
本题答案:550Ω
本题解析:试题答案550Ω
180、单项选择题 改变运行方向电路,甲站由接车站改为发车站时()。
A.JD灭,FD亮
B.JD亮,FD亮
C.JD灭,FD灭
D.JD亮,FD灭
点击查看答案
本题答案:A
本题解析:暂无解析
181、填空题 TJWX—2000型微机监测系统每一台开关量采集机占用一个组匣,可插入()块开关量输入板。
点击查看答案
本题答案:8
本题解析:试题答案8
182、填空题 JT-C系列机车信号记录器开关量隔离采集电路的输入阻抗大于或等于()KΩ。
点击查看答案
本题答案:30
本题解析:试题答案30
183、填空题 机车信号检测环线铺设的环线单股长度不大于()m.
点击查看答案
本题答案:100
本题解析:试题答案100
184、单项选择题 大站电源屏直流和交流电路的电源及负载线对地绝缘电阻用500V兆欧表测量(在200+-50C.相对湿度95%--98%的环境)应不小于()。
A.0.5MΩ
B.1MΩ
C.2MΩ
D.5MΩ
点击查看答案
本题答案:B
本题解析:暂无解析
185、单项选择题 64S型半自动闭塞当列车到达接车站电铃鸣响,但JBD不亮黄灯是()。
A.由于TCJ不失磁落下
B.由于接车轨道电路故障JGJ失磁落下
C.由于DDJ不能自闭
D.由于TCJ的缓放时间过短
点击查看答案
本题答案:C
本题解析:暂无解析
186、单项选择题 一般把控制台上全站共用且操作机会较多或应急性的按钮的单元布置再轨道光带的()。
A.上方
B.下方
C.左侧
D.右侧
点击查看答案
本题答案:B
本题解析:暂无解析
187、填空题 在维修更换电缆时,用高阻兆欧表测量电缆线间及每芯线对地间绝缘电阻应不小于()MΩ/Km。
点击查看答案
本题答案:3000
本题解析:试题答案3000
188、单项选择题 JZXC—480型轨道电路测试盘上的表头发生短路故障时,()发生烧熔断器故障。
A.会
B.可能
C.不会
D.有车占用时会
点击查看答案
本题答案:C
本题解析:暂无解析
189、单项选择题 对于()的车站组合的排列顺序应选用“S”形排列法。
A.咽喉区道岔群数目较大
B.咽喉区道岔群数目较小
C.咽喉区距离较短
D.咽喉区距离较长
点击查看答案
本题答案:B
本题解析:暂无解析
190、问答题 分动外锁闭装置如何安装?
点击查看答案
本题答案:1.工务先将道岔轨距和岔枕位置调整合适后,电务方可安装
本题解析:试题答案1.工务先将道岔轨距和岔枕位置调整合适后,电务方可安装外锁闭装置。2.按外锁闭装置安装图要求连好两根锁闭板连接平直,然后用500v的兆欧表测试绝缘电阻不小于100MΩ。3.安装燕尾锁块。先将滑快(6mm厚的一侧在外)放入尖轨连接铁槽内,在用销轴.紧固螺栓将燕尾锁块于连接铁.滑快连接,要求滑动.转动自如。4.安装尖轨连接铁。用螺栓将尖轨连接铁同燕尾快.尖轨连接。5.安装锁闭铁。先将一侧尖轨密贴基本轨,放入连接好的锁闭板,用燕尾块钩住锁闭板,燕尾锁块的燕尾部分装入锁闭板燕尾槽内,将离尖轨一侧的锁闭铁套住,用螺栓将锁闭板于基本轨连接,然后紧固另一侧锁闭铁螺栓。6.安装好后,用撬棍来回拨动尖轨,要求尖轨达到定位于反位均密贴良好。若发现尖轨密贴状态不好或不锁闭,可通过增减尖轨锁闭板之间的调整片或通过滑块来进行调整,以达到密贴。
191、填空题 信息移频发送盘通过对外部编码条件的接收,产生()信号,经双CPU校核一致后通过功放电路输出。
点击查看答案
本题答案:移频
本题解析:试题答案移频
192、问答题 JTl型通用式机车信号主机板的计算机部分由哪几部分组成?
点击查看答案
本题答案:计算机部分由DSP芯片、程序存储器,输入输出接口电路及
本题解析:试题答案计算机部分由DSP芯片、程序存储器,输入输出接口电路及动态监督电路组成。
193、问答题 控制台光带表示灯或其他表示灯闪亮是什么原因
点击查看答案
本题答案:控制台光带表示灯或其他表示灯闪光的原因是由于SJZ电源与JZ
本题解析:试题答案控制台光带表示灯或其他表示灯闪光的原因是由于SJZ电源与JZ电源混电造成,这种故障大多数发生在排列进路时,按下按钮,按钮表示灯间短路造成全站SJZ电源与JZ混电,使全站的表示灯闪光。
194、问答题 说明JTl型通用式机车信号双机转换原理。
点击查看答案
本题答案:双套接收主机由两块主机板组成,一块叫A主机板,一块叫B主机板
本题解析:试题答案双套接收主机由两块主机板组成,一块叫A主机板,一块叫B主机板,分别设两个转换继电器,即AZHJ和BZHJ。当主机供电后,每个单套主机工作正常时,则主机板内光电开关导通,这就导致相应的转换继电器吸起,并且同时只有一个转换继电器在吸起状态。在每套主机的50v输出点灯电源中串接一个转换继电器的前接点,这样只有当其中一个转换继电器吸起时,才能使对应的一套主机输出点灯电路获得50v电源。正常时两套主机只有一套工作。当每一套主机出现故障时会导致主机板内的光电开关断开,如果该主机处在输出工作状态,这时导致该套主机对应的转换继电器失磁落下,另一套转换继电器由落下变为吸起。这样原先一套主机由输出工作方式转为备用方式,另一套主机则由备用方式进入输出工作方式。上电后究竟哪套主机首先投入工作状态是随机的。
195、问答题 电气集中车站有关道岔作业施工完毕后,如何正确核对道岔位置?
点击查看答案
本题答案:有关道岔的施工作业后需核对道岔位置时,关键是做到“四个一致”
本题解析:试题答案有关道岔的施工作业后需核对道岔位置时,关键是做到“四个一致”即:扳动位置.表示灯.接通光带.与室外道岔一致。室内扳定位时应有定位表示.扳反位时应有反位表示;室外人员核对道岔位置后说:“××道岔现在开通××股道(或××道岔)一定位(或反位)”,室内则压接通光带按钮(或排进路),核对“四个一致”,定.反位均核对完毕后,方可销点,交付使用。
196、单项选择题 点式信息发送设备的环线断线时,环线电流为0A,继电器电压为()V。
A.0
B.20
C.23
D.21
点击查看答案
本题答案:A
本题解析:暂无解析
197、单项选择题 JTl型通用式机车信号若主机内部光电开关故障,将导致()。
A.信号灭灯
B.主机返回自检状态
C.点亮红灯
D.无任何影响
点击查看答案
本题答案:B
本题解析:暂无解析
198、单项选择题 用于灯丝继电器防雷防护的防雷组合是()。
A.ZFD—220型
B.ZFH--36型
C.ZFJ—H18/H62型
D.ZFJ—110型
点击查看答案
本题答案:C
本题解析:暂无解析
199、单项选择题 当TDCS通道故障时,协议转换器()灯亮红灯。
A.PWR
B.RXD
C.TXD
D.LOS
点击查看答案
本题答案:D
本题解析:暂无解析
200、填空题 6502电器集中延时解锁和非延时解锁是靠()区分的。
点击查看答案
本题答案:JYJ
本题解析:试题答案JYJ
题库试看结束后
微信扫下方二维码即可打包下载完整版《★信号工考试》题库
手机用户可保存上方二维码到手机中,在微信扫一扫中右上角选择“从相册选取二维码”即可。
题库试看结束后微信扫下方二维码即可打包下载完整版《信号工考试:铁路信号工》题库,分栏、分答案解析排版、小字体方便打印背记!经广大会员朋友实战检验,此方法考试通过率大大提高!绝对是您考试过关的不二利器!
手机用户可保存上方二维码到手机中,在微信扫一扫中右上角选择“从相册选取二维码”即可。
微信搜索关注"91考试网"公众号,领30元,获取公务员事业编教师考试资料40G