手机用户可
保存上方二维码到手机中,在
微信扫一扫中右上角选择“从
相册选取二维码”即可。
1、判断题 变压器差动保护比发电机纵差保护复杂,根本原因是变压器差动保护区内包含着原副方绕组间的磁耦合。
点击查看答案
本题答案:对
本题解析:题目来源:《电气主设备继电保护原理与应用》:第二章
专业类型:继电保护
设备类型:变压器
难度等级:一般
电压等级:其他
知识点:基础知识
2、判断题 双母线保护中的运行状态字根据隔离刀闸辅助接点的输入确定。
点击查看答案
本题答案:错
本题解析:题目来源:国电南自WMZ-41母线保护装置技术说明书
专业类型:继电保护
设备类型:母线
难度等级:中等
电压等级:其他
知识点:基础知识
3、多项选择题 CT二次绕组接线系数Kjx=√3的由()。
A、星形接线
B、不完全星形接线
C、三角形接线
D、两相差电流接线
点击查看答案
本题答案:C,D
本题解析:
专业类型:继电保护
设备类型:变压器
难度等级:B
电压等级:221kV
知识点:CT,PT
4、判断题 多相补偿阻抗继电器.(1)不反应正常负荷,也不能保护三相对称故障.在系统发生全相振荡时,也不会误动作.(2)可以保护各种非对称故障.(3)继电器动作行为与继电器安装点到故障点之间是否接入有Y/Δ变压器无关.(4)动作有方向性
点击查看答案
本题答案:对
本题解析:题目来源:电网继电保护应用(第三章)
专业类型:继电保护
设备类型:公共部分
难度等级:A
电压等级:110kV及以上
知识点:基础知识
5、判断题 结合滤波器和偶合电容器串联组成一个带通滤波器
点击查看答案
本题答案:对
本题解析:
知识点:线路保护
6、判断题 新安装的变压器差动保护在变压器充电时,应将差动保护停用,瓦斯保护投入运行,待测视差动保护极性正确后再投入运行。
点击查看答案
本题答案:错
本题解析:题目来源:国调〈电力系统继电保护实用技术问答〉附录
设备类型:线路
难度等级:一般
电压等级:220kV
知识点:运行规定
7、判断题 ABB公司的RE×5××型微机保护装置的液晶显示窗口显示“Fail”,且绿色的LED灯闪光,则表示装置检测到有内部故障。液晶显示窗口显示“Ready”,则表示装置工作正常。
点击查看答案
本题答案:对
本题解析:题目来源:ABB公司RE×5××系列保护安装及调试手册
专业类型:继电保护
设备类型:其它
难度等级:一般
电压等级:其它
知识点:装置原理
8、判断题 修改LFP——901A、901A型保护的定植的方法:在运行状态下,按“↑”键可进入主菜单,然后选中“SETTING”定植整定功能,光标指向“SETTING”,按“确认”,再用“+”、“-”、“↑”、“↓”对额定电流进行修改。将定值修改允许开关打在“修改”位置,按“确认”,进入子菜单,对CPU1进行定值修改。等CPU1定值全部修改完毕后,按确认键回到子菜单。用同样的方法分别对CPU2、管理板、故障测距的定值进行修改、确认,当所有定值修改结束后,将定值修改允许开关打在“运行”位置,然后按复位键。
点击查看答案
本题答案:对
本题解析:
知识点:线路保护
9、判断题 TA断线时闭锁电流差动保护是为了防止区外故障是误动。
点击查看答案
本题答案:对
本题解析:题目来源:国电南自WMZ-41母线保护装置技术说明书
专业类型:继电保护
设备类型:母线
难度等级:中等
电压等级:其他
知识点:基础知识
10、判断题 单个继电器在新安装时或经过解体检修后,应用2500V摇表(额定电压为1000V及以上者)或1000V摇表(额定电压为1000V以下者)测定绝缘电阻。
点击查看答案
本题答案:错
本题解析:题目来源:新编保护继电器检验(第一章)
专业类型:继电保护
设备类型:线路
难度等级:一般
电压等级:110kV以下
知识点:调试
11、判断题 横联差动电流方向保护的差动元件的启动电流应避开单回线运行时的最大负荷电流和外部短路时的最大不平衡电流
点击查看答案
本题答案:对
本题解析:题目来源:高压电网继电保护原理和技术
专业类型:继电保护
设备类型:线路
难度等级:较难
电压等级:220kV
知识点:保护原理
12、单项选择题 方向阻抗继电器中,记忆回路的作用是()
A、提高灵敏度
B、消除正向出口三相短路的死区
C、防止反向出口短路动作
D、提高选择性
点击查看答案
本题答案:B
本题解析:题目来源:电力系统继电保护实用技术问答(第四章)
专业类型:继电保护
设备类型:线路
难度等级:较难
电压等级:220KV
知识点:基础知识
13、多项选择题 断路器失灵起动回路由()构成。
A、相电流元件
B、保护动作接点
C、母线电压切换
点击查看答案
本题答案:A,B,C
本题解来源:91考试网 91ExaM.org析:题目来源:电力系统继电保护实用技术问答(第五章)
专业类型:继电保护
设备类型:母线
难度等级:较难
电压等级:220kV
知识点:基础知识
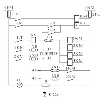
14、判断题 一次接线为1个半断路器接线方式的一串中的中间断路器拒动,应将该串两个边开关跳开即可
点击查看答案
本题答案:错
本题解析:题目来源:电力系统继电保护实用技术问答(第五章)
专业类型:继电保护
设备类型:母线
难度等级:困难
电压等级:220kV
知识点:保护原理
15、判断题 正常运行情况下,低频解列点应是有功功率平衡点或基本平衡点,以保证在解列后小电源侧的无功功率能够基本平衡。
点击查看答案
本题答案:错
本题解析:题目来源:电力系统自动低频减负荷技术规定
专业类型:继电保护
设备类型:自动低频减负荷装置
难度等级:一般
电压等级:其他
知识点:基础知识
16、填空题 相当于负序分量的高次谐波是()谐波。
点击查看答案
本题答案:3n-1次(其中n为正整数)
本题解析:试题答案3n-1次(其中n为正整数)
17、单项选择题 当变压器差动保护电流互感器接成星形时,保护对单相接地故障的灵敏度比电流互感器接成三角形时高()倍
A、√3
B、3
点击查看答案
本题答案:A
本题解析:专业类型:继电保护
设备类型:变压器
难度等级:C
电压等级:220kV
知识点:基础知识
18、判断题 一般说来,高低压电磁环网运行可以给变电站提供多路电源,提高对用户供电可靠性,因此应尽可能采用这种运行方式。
点击查看答案
本题答案:错
本题解析:
知识点:基础知识
19、问答题 功率方向继电器中“潜动”是指什么?
点击查看答案
本题答案:所谓“潜动”是指在只加入电流或
本题解析:试题答案所谓“潜动”是指在只加入电流或只加入电压的情况下,继电器就能够动作的现象。
20、单项选择题 (110KV)零序电流保护后备段在常见运行方式下,在220—500KV的200KM线路末段金属性短路时的灵敏度应大于()
A、1.5;
B、1.4;
点击查看答案
本题答案:C
本题解析:
知识点:基础知识
21、单项选择题 BUS1000的动作方程
A、Idz>KIF+0.1
B、Idz>KIF+0.2
C、Idz>KIF+0.3
D、Idz>KIF+0.5
点击查看答案
本题答案:A
本题解析:题目来源:BUS1000母差保护
专业类型:继电保护
设备类型:BUS1000
难度等级:较难
电压等级:其他
知识点:装置原理
22、单项选择题 中性点经消弧线圈接地,普遍采用()。
A.全部偿
B.过补偿
C.欠补偿
D.半补偿
点击查看答案
本题答案:B
本题解析:暂无解析
23、问答题 电流保护的接线方式是指什么,相间短路的电流保护的接线方式有哪几种方式?
点击查看答案
本题答案:电流保护的接线方式是指保护中电流继电器与电流互感器之间
本题解析:试题答案电流保护的接线方式是指保护中电流继电器与电流互感器之间的连接方式。对相间短路的电流保护,目前广泛采用的是三相星型接线和两相星形接线两种方式。
24、单项选择题 各种不对称短路故障中的序电压分布规律是()
A、正序电压、负序电压、零序电压越靠近电源数值越高;
B、正序电压、负序电压越靠近电源数值越高,零序电压越靠近短路点越高;
C、正序电压越靠近电源数值越高,负序电压、零序电压越靠近电源数值越低
点击查看答案
本题答案:C
本题解析:
知识点:基础知识
25、单项选择题 系统振荡时,两侧电势角摆开最大(180°),此时振荡中心的电压()
A、最小
B、最大
点击查看答案
本题答案:A
本题解析:题目来源:《高压电网继电保护原理与技术》第十三章
设备类型:线路
难度等级:一般
电压等级:其它
知识点:基础知识
26、判断题 在运行中的高频通道上进行工作时,由于结合滤波器低压侧没有高电压。因此,可不采取任何措施直接进行高频通道工作。
点击查看答案
本题答案:错
本题解析:题目来源:WXB-11(WXH-11、SWXB-11)型微机保护检验规程
设备类型:线路
难度等级:一般
电压等级:其它
知识点:基础知识
27、单项选择题 检验电流、电压通道刻度的应调整电位器
A、RW1n
B、RW2n
C、RW1n+RW2n
点击查看答案
本题答案:A
本题解析:题目来源:四方微机保护
专业类型:继电保护
设备类型:CSI-101A
难度等级:一般
电压等级:其他
知识点:调试
28、判断题 电压互感器中性点除在控制室一点接地外,如认为必要,可以在开关场将二次绕组经放电间隙或氧化锌阀片接地。
点击查看答案
本题答案:对
本题解析:题目来源:电网继电保护应用第4节~第5节
专业类型:继电保护
设备类型:公共部分
难度等级:B(较难)
电压等级:其他
知识点:二次回路
29、单项选择题 超高压线路采用分裂导线,线路的分布电容变化是()。
A、减小
B、增大
点击查看答案
本题答案:B
本题解析:题目来源:高压电网继电保护原理和技术
设备类型:线路
难度等级:一般
电压等级:501kV及以下
知识点:保护原理
30、单项选择题 平行线的横联保护的两侧纵续动作区之和不应大于被保护线路长度的()%
A.30
B.40
C.50
点击查看答案
本题答案:A
本题解析:题目来源:高压电网继电保护原理和技术
设备类型:线路
难度等级:一般
电压等级:220kV
知识点:保护原理
31、问答题 某变电站有两套相互独立的直流系统,同时出现了直流接地告警信号,其中,第一组直流电源为正极接地;第二组直流电源为负极接地。现场利用拉、合直流保险的方法检查直流接地情况时发现:在当断开某断路器(该断路器具有两组跳闸线圈)的任一控制电源时,两套直流电源系统的直流接地信号又同时消失,请问如何判断故障的大致位置,为什么?
点击查看答案
本题答案:(1)因为任意断开一组直流电源接地现象消失,所以直流系
本题解析:试题答案(1)因为任意断开一组直流电源接地现象消失,所以直流系统可能没有接地;
(2)故障原因为第一组直流系统的正极与第二组直流系统的负极短接或相反;
(3)两组直流短接后形成一个端电压为440v的电池组,中点对地电压为零;
(4)每一组直流系统的绝缘监察装置均有一个接地点,短接后直流系统中存在两个接地点;故一组直流系统的绝缘监察装置判断为正极接地;另一组直流系统的绝缘监察装置判断为负极接地。
32、单项选择题 PSL-621C距离保护在启动后,其各段保护长期投入,在突变量启动后()内,各段距离保护开放(短时开放)。
A、100ms
B、120ms
C、150ms
点击查看答案
本题答案:C
本题解析:题目来源:南自PSL-620C系列线路保护说明书
专业类型:继电保护
设备类型:线路
电压等级:110KV
知识点:装置原理
33、判断题 在可能出现操作过电压的二次回路中,应采取降低操作过电压的措施,例如对电感大的线圈并联消弧回路。
点击查看答案
本题答案:对
本题解析:
专业类型:继电保护
设备类型:公共部分
难度等级:一般
电压等级:其他
知识点:二次回路
34、填空题 容量在()MW及以上的发电机,应装设保护区为100%的定子接地保护。
点击查看答案
本题答案:100
本题解析:试题答案100
35、填空题 不对称短路可以分为单相接地短路、两相接地短路、()三种。
点击查看答案
本题答案:两相不接地短路
本题解析:试题答案两相不接地短路
36、判断题 跳闸出口中间继电器起动电压只要低于直流额定电压的70%即可。
点击查看答案
本题答案:错
本题解析:
专业类型:继电保护
设备类型:开关
难度等级:中等
电压等级:220kV
知识点:二次回路
37、判断题 装设有重合闸的线路发生永久性故障,断路器动作2次,保护装置和重合闸应各按2次统计。
点击查看答案
本题答案:错
本题解析:题目来源:电力系统继电保护及安全自动装置运行评价规程
专业类型:继电保护
设备类型:公共部分
难度等级:一般
电压等级:其他
知识点:运行规定
38、判断题 距离保护I段方向阻抗继电器元件加了记忆回路,当保护安装处出口发生三相金属性短路时,出现了方向阻抗继电器的死区。
点击查看答案
本题答案:错
本题解析:题目来源:论述题
专业类型:继电保护
设备类型:公共部分
难度等级:C(一般)
电压等级:其它
知识点:基础知识
39、判断题 当直流回路有一点接地的状况下,允许长期运行。
点击查看答案
本题答案:错
本题解析:
专业类型:继电保护
设备类型:线路
难度等级:中等
电压等级:220kV
知识点:基础知识
40、多项选择题 发电机的纵向零序电压保护,可反应发电机的故障类型是:
A、定子绕组的相间短路;
B、发电机引线的相间短路;
C、定子绕组匝间短路;
D、定子绕组开焊;
E、转子回路两点接地;
点击查看答案
本题答案:A,C,D
本题解析:
知识点:元件保护
41、判断题 电网发生振荡时,距离保护三段可能误动
点击查看答案
本题答案:错
本题解析:题目来源:电网继电保护应用
专业类型:继电保护
设备类型:公共部分
难度等级:C(一般)
电压等级:110kV及以上
知识点:基础知识
42、判断题 参数整定方式有以下三种:在线修改、离线修改、远传修改
点击查看答案
本题答案:对
本题解析:题目来源:YS-8A、88A使用说明书
专业类型:继电保护
设备类型:线路
难度等级:中等
电压等级:其他
知识点:整定
43、单项选择题 PT断线时,零 91ExAm.org序方向保护的动作行为
A、带方向三跳
B、不带方向三跳
C、带方向永跳
D、不带方向永跳
点击查看答案
本题答案:D
本题解析:题目来源:四方微机保护
专业类型:继电保护
设备类型:CSL-101A
难度等级:一般
电压等级:其他
知识点:装置原理
44、多项选择题 高频保护的信号有()。
A、闭锁信号
B、允许信号
C、跳闸信号
点击查看答案
本题答案:A,B,C
本题解析:题目来源:电力系统继电保护实用技术问答(第四章)
专业类型:继电保护
设备类型:线路
难度等级:一般
电压等级:220KV
知识点:基础知识
45、单项选择题 所谓母线充电保护是指()
A、母线故障的后备保护;
B、利用母线上任一断路器给母线充电时的保护;
C、利用母联断路器给另一母线充电时的保护;
点击查看答案
本题答案:C
本题解析:
知识点:元件保护
46、判断题 继电保护装置试验所用仪表的精确度应为1级。
点击查看答案
本题答案:错
本题解析:题目来源:国调〈电力系统继电保护实用技术问答〉附录
设备类型:线路
难度等级:一般
电压等级:220kV
知识点:调试
47、填空题 两台变压器间定相()是为了核定()是否一致。
点击查看答案
本题答案:核相;相位
本题解析:试题答案核相;相位
48、判断题 接地距离保护的零序电流补偿系数K应按线路实测的正序阻抗Z1和零序阻抗Z0,用公式K=(Z0-Z1)/3Z1计算获得
点击查看答案
本题答案:对
本题解析:题目来源:电力系统继电保护实用技术问答(第二章)
专业类型:继电保护
设备类型:公共部分
难度等级:C(一般)
电压等级:110kV及以上
知识点:整定
49、判断题 对阻抗继电器进行系统振荡时动作行为的解析分析,一般应考虑线路的分布电容的影响。
点击查看答案
本题答案:错
本题解析:正确答案:一般不考虑。
题目来源:高压电网继电保护原理与技术第十一章
专业类型:继电保护
设备类型:线路
难度等级:困难
电压等级:500kV
知识点:基础
50、判断题 具有录波功能的微机保护装置,其模拟量的数据文件,应能转化为标准格式输出
点击查看答案
本题答案:对
本题解析:题目来源:电力系统继电保护规定汇编(微机继电保护装置运行管理规程)
专业类型:继电保护
设备类型:公共部分
难度等级:C(一般)
电压等级:其他
知识点:运行规定
51、单项选择题 电容器允许在( )的工频电压下长期运行。
A、1.1倍
B、1.2倍
C、1.3倍
点击查看答案
本题答案:A
本题解析:题目来源:电气主设备继电保护原理与应用(王维检)
专业类型:继电保护
设备类型:电容器保护
难度等级:一般
电压等级:35kV及以下
知识点:基础知识
52、判断题 传导型电磁干扰是指干扰信号沿导体和电源进入保护设备。
点击查看答案
本题答案:对
本题解析:
专业类型:继电保护
设备类型:线路
难度等级:中等
电压等级:220kV
知识点:基础知识
53、判断题 发信机发出的信号电平,经通
道衰减到达 对侧收信机入口时,
应有足够的余量。一般余量电
平在2NP左右;在易结冰的线
路上,余量电平最好不小于
1.5NP。
点击查看答案
本题答案:错
本题解析:题目来源:全国供用电工人继电保护技能培训教材
专业类型:继电保护
设备类型:公共部分
难度等级:中等
电压等级:其它
知识点:保护通道
54、单项选择题 过电流保护的星形连接中通过继电器的电流是电流互感器的()
A、二次侧电流
B、二次侧差流
C、负载电流
D、过负荷电流
点击查看答案
本题答案:A
本题解析:题目来源:电力系统继电保护技术问答
专业类型:继电保护
设备类型:变压器
难度等级:一般
电压等级:220kV
知识点:基础知识
55、单项选择题 移频键控收发信机命令信号(频率fT)时的发信电平为额定输出电平,发监护信号(频率fG)时的发信电平比额定输出电平()。
A、低4~6dB
B、低6~10dB
C、高4~6dB
D、高6~10dB
点击查看答案
本题答案:B
本题解析:题目来源:电力系统继电保护规定汇编(继电保护专用电力线载波收发信机技术条件)P377
专业类型:继电保护
设备类型:公共部分
难度等级:较难
电压等级:其他
知识点:高频通道
56、判断题 母联电流相位比较式母线差动保护在正常运行及区外故障时,差电流很小,方向元件不动作。
点击查看答案
本题答案:对
本题解析:题目来源:电力系统继电保护实用技术问答(第五章 母线保护和断路器失灵保护)
专业类型:继电保护
设备类型:母线
难度等级:中等
电压等级:220kV
知识点:基础知识
57、判断题 只要经过培训、会操作电梯,本单位同意你就是合格的电梯司机。()
点击查看答案
本题答案:错
本题解析:暂无解析
58、单项选择题 在我国,330~500kV电网一般都选用()电压互感器
A、电容式
B、电磁式
点击查看答案
本题答案:A
本题解析:题目来源:电网继电保护应用(第四章)
设备类型:公共部分
难度等级:一般
电压等级:其他
知识点:基础知识
59、单项选择题 110~500KV有效接地系统的变电所接地电阻值不得大于()Ω
A.0.5
B.1
C.1.5
点击查看答案
本题答案:A
本题解析:题目来源:电网继电保护应用第二章(第一节)
专业类型:继电保护
设备类型:公共部分
难度等级:较难
电压等级:110KV及以上
知识点:基础知识
60、单项选择题 三个相同的电阻串联总电阻是并联时总电阻的()。
A.6倍
B.9倍
C.3倍
D.1/9
点击查看答案
本题答案:B
本题解析:暂无解析
61、判断题 由于电压互感器的一次侧断开、电流互感器一次侧同相短接造成保护装置动作,原则上不予评价。
点击查看答案
本题答案:对
本题解析:题目来源:电力系统继电保护及安全自动装置运行评价规程
专业类型:继电保护
设备类型:其他
难度等级:一般
电压等级:其他
知识点:其他
62、单项选择题 大接地电流系统中发生接地故障时,()正序电压最高。
A、故障点
B、变压器中性点接地处
C、系统电源处
点击查看答案
本题答案:C
本题解析:题目来源:电力系统继电保护实用技术问答
专业类型:继电保护
设备类型:公共部分
难度等级:一般
电压等级:其他
知识点:基础知识
63、单项选择题 用分路试停的方法查找直流接地有时查不到,可能是由于()
A、分路正极接地;
B、分路负极接地;
C、环路供电方式合环运行、充电设备或蓄电池发生直流接地;
点击查看答案
本题答案:C
本题解析:
知识点:二次回路
64、问答题 防止励磁涌流的方法有哪些?
点击查看答案
本题答案:第一,采用具有速饱和和铁芯的差动继电器。第二,采用间断
本题解析:试题答案第一,采用具有速饱和和铁芯的差动继电器。第二,采用间断角原理鉴别短路电流和励磁涌流波形的区别。第三,利用二次谐波制动原理。第四,利用波形对称原理的差动继电器。
65、单项选择题 电力电容器1.15倍工频稳态过电压下,每24h允许持续运行()。
A、60min
B、30min
C、5min
D、1min
点击查看答案
本题答案:B
本题解析:题目来源:电气主设备继电保护原理与应用
专业类型:继电保护
设备类型:电力电容器保护
难度等级:较难
电压等级:其它
知识点:基础知识
66、单项选择题 微机保护模拟量在采样前应采用模拟低通滤波器滤除频率高于采样频率(__)倍的信号
B、4
C、1/2
D、1/4
点击查看答案
本题答案:C
本题解析:题目来源:高压电网继电保护原理与技术(第五章)
专业类型:继电保护
设备类型:公共部分
难度等级:较难
电压等级:110kV及以上
知识点:基础知识
67、判断题 不管是大接地电流系统还是小接地电流系统,供同期用的电压都可以从电压互感器的二次绕组相间取得,也可以从三次绕组的一个绕组上取得
点击查看答案
本题答案:错
本题解析:
知识点:二次回路
68、判断题 当系统发生短路故障使电压突变时,电磁式电压互感器的暂态过程比电容式电压互感器长得多
点击查看答案
本题答案:错
本题解析:
专业类型:继电保护
设备类型:变压器
难度等级:一般
电压等级:220kV
知识点:基础知识
69、判断题 高频保护所用的截波通道有两种发讯方式:一种是长期发讯方式,一种是短路时发讯方式
点击查看答案
本题答案:对
本题解析:题目来源:继电保护与电气仪表第2版
专业类型:继电保护
设备类型:高频保护
难度等级:C(一般)
电压等级:110kV及以上
知识点:保护原理
70、单项选择题 电力系统故障动态记录技术准则》中规定记录时间在系统大扰动开始时刻之后应不小于()
A、0.1s
B、0.2s
C、0.3s
D、0.4s
点击查看答案
本题答案:A
本题解析:题目来源:电网继电保护应用(第五章)
专业类型:继电保护
设备类型:公共
难度等级:较难
电压等级:其他
知识点:运行规定
71、单项选择题 SEL-321保护距离元件试验时,应()投入工作,不要混在一起,元件的动作状态,查看事件记录。
A、分段
B、分相
C、逐个
点击查看答案
本题答案:C
本题解析:题目来源:SEL-321-5微机高频距离保护检验规程
专业类型:继电保护
设备类型:线路
电压等级:500kV
知识点:调试
72、单项选择题 对电容器回路的相间短路,可采用下列哪种保护?
A、差压保护
B、电流速断保护
C、零序电流保护
点击查看答案
本题答案:B
本题解析:题目来源:电气主设备继电保护原理与应用(王维检)
专业类型:继电保护
设备类型:电容器保护
难度等级:一般
电压等级:35kV及以下
知识点:基础知识
73、判断题 制动特性原理的差动保护使用在一个半接线场合中灵敏度可能降低
点击查看答案
本题答案:对
本题解析:题目来源:高压电网继电保护原理与技术(第十九章)
专业类型:继电保护
设备类型:母差
难度等级:较难
电压等级:其他
知识点:基础知识
74、判断题 电力元件继电保护的选择性,除了决定于继电保护装置的本身性能外,还要求满足:由电源算起,愈靠近故障点的继电保护的故障启动值相对愈小,动作时间愈短。
点击查看答案
本题答案:错
本题解析:
专业类型:继电保护
设备类型:线路
难度等级:一般
电压等级:220kV
知识点:基础知识
75、判断题 气体保护是变压器的后备保护
点击查看答案
本题答案:错
本题解析:题目来源:继电保护与电气仪表第2版
专业类型:继电保护
设备类型:公共部分
难度等级:中等
电压等级:其他
知识点:基础知识
76、判断题 对引入零序电流补偿的阻抗继电器,两相运行振荡较全相运行振荡更易误动。
点击查看答案
本题答案:对
本题解析:题目来源:高压电网继电保护原理与技术第十一章
专业类型:继电保护
设备类型:线路
难度等级:中等
电压等级:500kV
知识点:基础
77、问答题 画出带有电压抽取装置的耦合电容器回路图。
点击查看答案
本题答案:见图E-12所示。
试题答案见图E-12所示。
78、单项选择题 零序电流保护在常见运行方式下,应有对本线路末端金属性接地故障时的灵敏系数满足下列要求的延时段保护:50km以下的线路,不小于()。
A.1.5
B.1.4
C.1.3
点击查看答案
本题答案:A
本题解析:
专业类型:继电保护
设备类型:线路
难度等级:难
电压等级:220kV
知识点:整定
79、判断题 500kV电压等级下,设备不停电时的安全距离是5.0m
点击查看答案
本题答案:对
本题解析:题目来源:电力系统继电保护实用技术问答(第二章)
专业类型:继电保护
设备类型:公共部分
难度等级:中等
电压等级:其他
知识点:电业安全
80、判断题 在向装置通入交流工频试验电源前,必须首先将装置就交流回路的接地点断开,除试验电源本身允许一个接地点之外,在整个回路中不允许有第二个接地点,当试验仪表的测试端子必须接地时,这些接地点应接于同一接地点上。
点击查看答案
本题答案:对
本题解析:题目来源:论述题
专业类型:继电保护
设备类型:母线
难度等级:C(一般)
电压等级:220kV
知识点:装置调试
81、单项选择题 L90保护装置通道中断后,两侧重新同步,需经()时间才能同步上。
A、10毫秒
B、10分钟
C、1分钟
D、100毫秒
点击查看答案
本题答案:B
本题解析:题目来源:L90差动保护说明书(Rev. 2.9X)p3-22
专业类型:继电保护
设备类型:线路
难度等级:较难
电压等级:500kV
知识点:装置调试
82、单项选择题 在安装现场应将继电保护屏所有端子短接在一起,进行对地工频交流耐压试验。施加电压为:()。
A、500V,1min
B、1000V,1min
C、1500V,1min
D、2000V,1min
E、2500V,1min
点击查看答案
本题答案:B
本题解析:题目来源:WXB-11(WXH-11、SWXB-11)型微机保护检验规程
专业类型:保护屏
设备类型:继电保护屏
难度等级:一般
电压等级:其他
知识点:二次回路
83、判断题 根据叠加原理,电力系统短路时的电气量可分为负荷分量和故障分量,工频变化量指的就是故障分量
点击查看答案
本题答案:对
本题解析:
专业类型:继电保护
设备类型:线路
难度等级:中等
电压等级:220kV
知识点:基础知识
84、判断题 TV断线闭锁装置考虑了不对称断线(单相、两相),还考虑了三相断线。
点击查看答案
本题答案:错
本题解析:题目来源:南瑞RCS900系列线路保护装置技术说明书
专业类型:继电保护
设备类型:线路
难度等级:中等
电压等级:其他
知识点:基础知识
85、单项选择题 增设变压器的差动保护的目的是为了()
A、差动保护双重化
B、防止比率差动拒动
C、对装设速断保护的原边严重内部短路起加速保护作用
点击查看答案
本题答案:C
本题解析:题目来源:电气主设备继电保护原理与应用(王维检)
专业类型:继电保护
设备类型:变压器保护
难度等级:一般
电压等级:110kV及以上
知识点:基础知识
86、判断题 电磁干扰的传播途径有辐射、开关场的各种耦合、同一电缆内的感应三种类型。
点击查看答案
本题答案:对
本题解析:题目来源:电网继电保护应用第二章(第一节)
专业类型:继电保护
设备类型:公共部分
难度等级:C(一般)
电压等级:其他
知识点:其他
87、单项选择题 某线路的实测正序阻抗为Z1,零序阻抗Z0,则接地距离保护的零序电流补偿系数为()
A、(Z1-Z0)/3Z0
B、(Z0-Z1)/3Z0
C、(Z1-Z0)/3Z1
D、(Z0-Z1)/3Z1
点击查看答案
本题答案:D
本题解析:题目来源:高压电网继电保护原理与技术第一章第二章
专业类型:继电保护
设备类型:公共部分
难度等级:一般
电压等级:其他
知识点:二次回路
88、单项选择题 当电网发生振荡时,不会误动的距离保护是()段。
A.1
B.2
C.3
点击查看答案
本题答案:C
本题解析:题目来源:电网继电保护应用
专业类型:继电保护
设备类型:公共部分
难度等级:一般
电压等级:110kV及以上
知识点:基础知识
89、单项选择题 电力系统中,为保证系统稳定,防止事故扩大,需采用自动控制措施,那么下列哪一项措施不被在对功率缺额与频率下降的一侧所采用()。
A、切除部分负荷
B、对发电机组快速加出力
C、将发电机快速由调相改发电运行,快速起动备用机组等
D、短时投入电气制动
点击查看答案
本题答案:D
本题解析:题目来源:电力系统继电保护规定汇编(继电保护和安全自动装置技术规程)P72
专业类型:继电保护
设备类型:公共部分
难度等级:较难
电压等级:其他
知识点:运行规定
90、单项选择题 电压互感器二次回路()。
A、只允许一点接地
B、可以有两点接地
点击查看答案
本题答案:A
本题解析:题目来源:南瑞RCS900系列线路保护装置技术说明书
专业类型:继电保护
设备类型:二次回路
难度等级:一般
电压等级:其他
知识点:装置原理
91、单项选择题 88A录波器使用何种通讯方式
A、电话拨号
B、以太网
C、串口
D、以上皆可以
点击查看答案
本题答案:D
本题解析:题目来源:YS-8A,88A型使用说明书
专业类型:继电保护
设备类型:线路
难度等级:一般
电压等级:其他
知识点:基础知识
92、判断题 TA断线信号后,闭锁全部保护功能。
点击查看答案
本题答案:错
本题解析:题目来源:南瑞RCS900系列线路保护装置技术说明书
专业类型:继电保护
设备类型:线路
难度等级:中等
电压等级:其他
知识点:基础知识
93、判断题 由于母差保护装置中采用了复合电压闭锁功能,所以当发生TA断线时,保护装置将延时发TA断线信号,不需要闭锁母差保护。
点击查看答案
本题答案:错
本题解析:题目来源:其他
设备类型:母线
难度等级:一般
电压等级:其他
知识点:保护原理
94、判断题 PSL-621C线路保护的振荡检测元件之阻抗变化率元件(dz/dt),能开放系统振荡时的所有故障
点击查看答案
本题答案:对
本题解析:题目来源:南自PSL-621C线路保护说明书
专业类型:继电保护
设备类型:线路
难度等级:中等
电压等级:110KV
知识点:保护原理
95、判断题 差动保护动作整定值越小或外部短路穿越性电流越大,则变压器差动保护越易误动。
点击查看答案
本题答案:对
本题解析:题目来源:《电气主设备继电保护原理与应用》:第二章
专业类型:继电保护
设备类型:变压器
难度等级:中等
电压等级:其他
知识点:整定
96、判断题 电力系统继电保护有四项基本性能要求,分别是可靠性、选择性、速动性、后备性。
点击查看答案
本题答案:错
本题解析:题目来源:国调〈电力系统继电保护实用技术问答〉附录
设备类型:线路
难度等级:一般
电压等级:220kV
知识点:基础知识
97、单项选择题 LFP901A保护在通道为闭锁式时,通道试验中,按下试验按钮,本侧发信,()ms后本则停信。
A、5s
B、200ms
C、500ms
D、10s
点击查看答案
本题答案:B
本题解析:题目来源:电力系统继电保护实用技术问答(第四章)
专业类型:继电保护
设备类型:线路保护
难度等级:一般
电压等级:220KV以上
知识点:装置原理
98、单项选择题 方向阻抗继电器受电网频率变化影响较大的回路是()。
A.幅值比较回路
B.相位比较回路
C.记忆回路
D.滤波回路
点击查看答案
本题答案:C
本题解析:暂无解析
99、判断题 并联电抗器磁化特性,壳式(空气心)电抗器超过1.5倍额定电压饱和、并联电抗器一般使用在线形电抗段。
点击查看答案
本题答案:对
本题解析:题目来源:电气主设备继电保护原理与应用(第十二章)
专业类型:继电保护
设备类型:电抗器
难度等级:中等
电压等级:500kV
知识点:基础知识
100、单项选择题 RCS978中的零序方向过流保护面向变压器时灵敏角为()。
A、200?
B、255?
点击查看答案
本题答案:B
本题解析:题目来源:RCS-978型变压器保护装置技术说明书
专业类型:继电保护
设备类型:变压器
难度等级:一般
电压等级:220KV
知识点:保护原理
101、判断题 高压侧电压为500kV的变压器,对频率降低和电压升高引起的变压器工作磁密度过高,应装设过励磁保护
点击查看答案
本题答案:对
本题解析:题目来源:电力系统继电保护规定汇编(继电保护和安全自动装置技术规程)
专业类型:继电保护
设备类型:变压器
难度等级:困难
电压等级:500kV
知识点:保护原理
102、单项选择题 自耦变压器加装零序差动保护是为了()
A、提高自耦变压器内部接地短路的灵敏度
B、提高自耦变压器内部相间短路的可靠性
C、自耦变压器内部短路双重化
点击查看答案
本题答案:A
本题解析:题目来源:电气主设备继电保护原理与应用(王维检)
专业类型:继电保护
设备类型:变压器保护
难度等级:较难
电压等级:110kV及以上
知识点:基础知识
103、单项选择题 500KV线路保护应选用哪种暂态电流互感器?
A、TPS
B、TPY
C、TPX
D、TPZ
点击查看答案
本题答案:B
本题解析:题目来源:高压电网继电保护原理和应用(第三章)
专业类型:继电保护
设备类型:公共部分
难度等级:难
电压等级:其他
知识点:CT,PT
104、判断题 8A录波器采用液晶屏显示
点击查看答案
本题答案:错
本题解析:题目来源:YS-8A、88A使用说明书
专业类型:继电保护
设备类型:线路
难度等级:一般
电压等级:其他
知识点:基础知识
105、问答题 某双母线接线形式的变电站中,装设有母差保护和失灵保护,当一组母线PT出现异常需要退出运行时,是否允许母线维持正常方式且将PT二次并列运行,为什么?
点击查看答案
本题答案:不允许,此时应将母线倒为单母线方式,而不能维持母线方式
本题解析:试题答案不允许,此时应将母线倒为单母线方式,而不能维持母线方式不变仅将PT二次并列运行。因为如果一次母线为双母线方式,母联开关为合入方式,单组PT且PT二次并列运行时,当无PT母线上的线路故障且断路器失灵时,失灵保护首先断开母联开关,此时,非故障母线的电压恢复,尽管故障元件依然还在母线上,但由于复合电压闭锁的作用,使得失灵保护无法动作出口。
106、单项选择题 超范围闭锁式纵联保护跳闸的条件是()。
A、正方向元件动作,反方向元件不动作,没有收到高频信号
B、正方向元件动作,反方向元件不动作,收到一定时间高频信号后信号又消失
C、正方向元件动作,没有收到过高频信号
D、正方向元件不动作,收到一定时间高频信号后信号又消失
点击查看答案
本题答案:B
本题解析:
专业类型:继电保护
设备类型:线路
难度等级:B
电压等级:220kV
知识点:保护原理
107、多项选择题 RCS—902A保护在线路发生故障时,保护动作直接去跳三相的是()
A、零序三段、相间距离三段、接地距离三段;
B、合闸于故障线路、非全相运行再故障;
C、TV断线过流、选相无效延时200ms、单跳失败延时200ms、单相运行延时200ms;
D、两相运行延时200ms;
点击查看答案
本题答案:A,B,C,D
本题解析:
知识点:基础知识
108、问答题 发电机的电抗参数Xd、Xd'、Xd"的大小请按次序排列。
点击查看答案
本题答案:Xd>Xd'>Xd"
本题解析:试题答案Xd>Xd'>Xd"
109、单项选择题 L90保护装置差动保护功能允许最大的通道延时或通道中断时间为多少周期?
A.1
B.2
C.3
D.4
点击查看答案
本题答案:D
本题解析:题目来源:L90差动保护说明书(Rev. 2.9X)p8-16
专业类型:继电保护
设备类型:线路
难度等级:难
电压等级:500kV
知识点:装置调试
110、判断题 继电器按在继电保护中的作用,目前主要有电磁型、感应型、整流型以及静态型。
点击查看答案
本题答案:错
本题解析:题目来源:论述题
专业类型:继电保护
设备类型:变压器
难度等级:C(一般)
电压等级:220KV
知识点:基础知识
111、判断题 电流互感器铁芯剩磁大小和二次回路负载的阻抗角无关。
点击查看答案
本题答案:错
本题解析:题目来源:电网继电保护应用(第四章)
设备类型:公共部分
难度等级:一般
电压等级:其他
知识点:CT
112、判断题 电流互感器与电容耦合电压互感器的接地线及底座电流对邻近的控制电缆为极强的磁场耦合源。
点击查看答案
本题答案:对
本题解析:题目来源:电网继电保护应用第二章(第一节)
专业类型:继电保护
设备类型:公共部分
难度等级:中等
电压等级:其他
知识点:其他
113、判断题 220-500KV电力 系统故障动态记录设备的模拟两分段采样原则为:将采样过程一共分为5个时段,依照故障开始顺序,A及B时段分别记录事件前0.04S,事件后0.1S的波形及相量值;C时段大于1.0S记录每一周波的相量值;D时段大于20S,每0.1S记录一次相量值;E时段大于10min,,每1.0S记录一次相量值,同时规定每遇起动量起动,则从A,B段重新开始,还规定在已经记录的时间不小于3.0S且所有启动量复归,即系统已转入正常运行状态的前提下自动停止记录。
点击查看答案
本题答案:对
本题解析:题目来源:论述题
专业类型:继电保护
设备类型:公共部分
难度等级:B(较难)
电压等级:其他
知识点:运行规定
114、判断题 一台二次额定电流为5A的电流互感器,其额定容量是30VA,二次负载阻抗不超过1.2欧,才能保证准确等级。
点击查看答案
本题答案:对
本题解析:题目来源:电网继电保护应用(第四章)
专业类型:继电保护
设备类型:公共部分
难度等级:一般
电压等级:其他
知识点:基础知识
115、判断题 模拟式距离继电器的基本构成方式是由距离测量电压和极化量组成的各种特性的距离元件
点击查看答案
本题答案:对
本题解析:题目来源:电网继电保护应用(第三章)
专业类型:继电保护
设备类型:公共部分
难度等级:C
电压等级:110kV及以上
知识点:基础知识
116、判断题 在高压系统中广泛采用单相自动重合闸,这就需要选相元件
点击查看答案
本题答案:对
本题解析:题目来源:220-500KV电网继电保护运行整定规程
专业类型:继电保护
设备类型:线路
难度等级:C
电压等级:220kV
知识点:保护原理
117、判断题 三相三柱式变压器的零序磁通由于只能通过油箱作回路,所以磁阻大,零序励磁阻抗比正序励磁阻抗大。
点击查看答案
本题答案:错
本题解析:
知识点:基础知识
118、问答题 综合自动化站中的微机型继电保护装置,通常不是安装在控制室内,而是安装在开关场的保护小室内。保护屏除设有跳闸、合闸、启动失灵等出口压板外,装置的保护功能投入压板(如“主保护投入”等)可利用保护装置的数据通讯接口通过监控网络由值班员在远方直接进行投入或退出,可称之为“软压板”。除此之外,保护屏通常还保留保护功能投入的“硬压板”。你认为“软压板”和“硬压板”应该采用何种逻辑关系?请说明你的理由。
点击查看答案
本题答案:问题关键点:应采用“与”的逻辑
本题解析:试题答案问题关键点:应采用“与”的逻辑。
理由如下:
(1)当保护需要部分功能退出、但监控系统又不能操作“软压板”时,值班员能到保护屏前退“硬压板”。
(2)当保护需要投入、但“软压板”投不上时,可请专业人员处理后再投入,不宜带故障投入保护。
119、单项选择题 装在送电端的方向距离继电器,当受电侧母线经电阻三相短路时可能发生超越。送电功率(),发生暂态超越的可能性愈大。
A、愈小
B、愈大
点击查看答案
本题答案:B
本题解析:题目来源:《电网继电保护应用》第三章
设备类型:线路
难度等级:较难
电压等级:其它
知识点:保护原理
120、单项选择题 断路器最低跳闸电压及最低合闸电压不应低于30%的额定电压,且不应大于()
A、30%;
B、50%;
C、65%;
点击查看答案
本题答案:C
本题解析:
知识点:二次回路
121、单项选择题 具有中性点放电间隙的220kV变压器,其零序过压保护动作电压一般取()
A、150V
B、180V
点击查看答案
本题答案:B
本题解析:
专业类型:继电保护
设备类型:变压器
难度等级:一般
电压等级:220kV
知识点:整定
122、判断题 计及故障点正序、负序综合阻抗不相等的关系后,则单相金属性接地时,与正序、负序综合阻抗相等时相比较,接地电流与故障点正序电流间的系数两者不同。
点击查看答案
本题答案:错
本题解析:
知识点:基础知识
123、问答题 画出低频减载装置回路图。
点击查看答案
本题答案:见图E-11所示。
试题答案见图E-11所示。
124、单项选择题 试运行的保护装置,在投入跳闸试运行期间(不超过()),因设计原理,制造质量等非运行部门责任原因而发生的误动,事前经过主管部门的同意,可不予评价。
A、三个月
B、半年
C、一年
D、两年
点击查看答案
本题答案:B
本题解析:题目来源:电力系统继电保护及安全自动装置运行评价规程
专业类型:继电保护
设备类型:公共部分
难度等级:一般
电压等级:其他
知识点:运行规定
125、填空题 重合闸的整定时间一般为()左右。
点击查看答案
本题答案:1S
本题解析:试题答案1S
126、单项选择题 电压互感器有两种:电容式电压互感器与电磁式电压互感器,其中暂态特性较差的是()电压互感器。
A、电容式
B、电磁式
点击查看答案
本题答案:A
本题解析:题目来源:电网继电保护应用(第四章)
设备类型:公共部分
难度等级:一般
电压等级:其他
知识点:基础知识
127、单项选择题 RCS-915AB母差保护中当判断母联CT断线后,母联CT电流是()。
A、仍计入小差
B、退出小差计算
C、自动切换成单母方式
点击查看答案
本题答案:C
本题解析:题目来源:南瑞RCS915母线保护装置技术说明书
专业类型:继电保护
设备类型:母线
难度等级:一般
电压等级:其他
知识点:基础知识
128、问答题 当大电流接地系统的线路发生非对称接地短路时,我们可以把短路点的电压和电流分解为正、负、零序分量,请问在保护安装处的正序电压、负序电压和零序电压各是多高?
点击查看答案
本题答案:正序电压为保护安装处到短路点的阻抗压降,即正序电流乘以
本题解析:试题答案正序电压为保护安装处到短路点的阻抗压降,即正序电流乘以从保护安装处到短路点的正序阻抗。负序电压为负序电流乘以保护安装处母线背后的综合负序阻抗。零序电压为零序电流乘以保护安装处母线背后的综合零序阻抗。
129、单项选择题 大接地电流系统A相发生接地故障时,B相故障电流等于0,故障支路的B相负序电流()。
A、因流入地中的电流只有零序电流,故等于零;
B、不等于零
C、视中性点接地分布而定,可能为零,也可能不为零
点击查看答案
本题答案:B
本题解析:
知识点:基础知识
130、单项选择题 自耦变压器中性点必须接地,这是为了避免当高压侧电网内发生单相接地时()。
A、中压侧出现过电压
B、高压侧出现过电压
C、高、中压侧均出现过电压
D、高、中、低压侧均出现过电压
点击查看答案
本题答案:A
本题解析:
专业类型:继电保护
设备类型:变压器
难度等级:B
电压等级:220kV
知识点:基础知识
131、单项选择题 电容器允许在( )的工频电压下长期运行
A、1.1倍
B、1.2倍
C、1.3倍
点击查看答案
本题答案:A
本题解析:题目来源:电气主设备继电保护原理与应用(王维检)
专业类型:继电保护
设备类型:电容器保护
难度等级:一般
电压等级:35kV及以下
知识点:基础知识
132、单项选择题 高频保护载波频率过低,如低于50KHZ,其缺点是()
A、受工频干扰大,加工设备制造困难;
B、受高频干扰大;
C、通道衰耗大;
点击查看答案
本题答案:A
本题解析:
知识点:基础知识
133、单项选择题 SEL-321保护在检验中,为帮助检验质量,对所有特殊试验中的每一点,应重复试验()次,其中每次试验的数值与整定值的误差应满足规定的要求。
A.2
B.3
C.4
点击查看答案
本题答案:B
本题解析:题目来源:SEL-321-5微机高频距离保护检验规程
专业类型:继电保护
设备类型:线路
电压等级:500kV
知识点:调试
134、判断题 母线电压差动保护在母线内部短路时母线上电流互感器工作在接近于开路的工作状态
点击查看答案
本题答案:对
本题解析:题目来源:高压电网继电保护原理与技术(第十九章)
专业类型:继电保护
设备类型:母差
难度等级:较难
电压等级:其他
知识点:基础知识
135、单项选择题 接入RCS—915A/B型微机母线保护装置的TA极性规定:母联的TA极性以()侧为星端接入装置的星端。
A、Ⅰ母
B、II母
点击查看答案
本题答案:A
本题解析:题目来源:南瑞RCS916母线保护装置技术说明书
专业类型:继电保护
设备类型:母线
难度等级:一般
电压等级:其他
知识点:保护原理
136、单项选择题 一台收发信机的发信功率是10W,额定内阻抗为75欧姆,当其接入通道后,测得的电压电平为30dB,则通道的输入阻抗()
A、大于75欧姆
B、小于75欧姆
C、等于75欧姆
点击查看答案
本题答案:B
本题解析:
知识点:基础知识
137、判断题 所谓独立、完整的线路保护,是指它可以独立地完成本线路内部故障是的全部保护任务,还可以保护对侧母线故障。
点击查看答案
本题答案:对
本题解析:
专业类型:继电保护
设备类型:线路
难度等级:中等
电压等级:220kV
知识点:基础知识
138、单项选择题 &nb sp;过电流保护作为对并联电抗器的速断保护和差动保护的后备,其保护整定值按()电流整定。保护带时限动作于跳闸。
A、最大故障
B、躲过最大负荷
C、最小故障
D、单相接地故障
点击查看答案
本题答案:B
本题解析:题目来源:电力系统继电保护规定汇编(继电保护和安全自动装置技术规程)P67
专业类型:继电保护
设备类型:电抗器
难度等级:难
电压等级:其他
知识点:运行规定
139、判断题 500kV线路并联电抗器无专用断路器时,其动作于跳闸的保护应采取使对侧断路器跳闸的措施。
点击查看答案
本题答案:对
本题解析:
专业类型:继电保护
设备类型:电抗器
难度等级:困难
电压等级:500kV
知识点:运行规定
140、单项选择题 单相电抗器组内部匝间短路时,若短路匝数很少,增加补偿电压后可以()零序功率方向保护对匝间短路的灵敏度。
A、不改变
B、提高
C、减少
点击查看答案
本题答案:B
本题解析:题目来源:电气主设备继电保护原理与应用(第十二章)
专业类型:继电保护
设备类型:电抗器
难度等级:一般
电压等级:501kV
知识点:装置原理
141、判断题 A/D变换器的位数越多,分辨率越高
点击查看答案
本题答案:对
本题解析:题目来源:高压电网继电保护原理与技术(第五章)
专业类型:继电保护
设备类型:公共部分
难度等级:一般
电压等级:其他
知识点:基础知识
142、判断题 断路器失灵保护动作按母差保护评价原则统计。
点击查看答案
本题答案:对
本题解析:题目来源:电力系统继电保护及安全自动装置运行评价规程
专业类型:继电保护
设备类型:公共部分
难度等级:一般
电压等级:其他
知识点:运行规定
143、判断题 单相经高电阻接地故障一般是导线对树枝放电。高阻接地故障一般不会破坏系统的稳定运行。因此,当主保护灵敏度不足时可以用简单的反时限零序电流保护来保护。
点击查看答案
本题答案:对
本题解析:题目来源:《高压电网继电保护原理与技术》第十四章
专业类型:继电保护
设备类型:线路
难度等级:一般
电压等级:其它
知识点:基础知识
144、判断题 在中性点不接地系统中,发生单相接地故障时,流过故障线路始端的零序电流滞后零序电压90度。
点击查看答案
本题答案:对
本题解析:题目来源:电力系统继电保护实用技术问答(第一章)
专业类型:继电保护
设备类型:其他
难度等级:中等
电压等级:其他
知识点:基础知识
145、判断题 LFP-902A在试验时,如重合闸其它充电条件均满足,则当开入量为HK=(1),TWJ=(0),HYJ=(0),BCH=(0)时,重合闸即可充上电。
点击查看答案
本题答案:对
本题解析:题目来源:产品说明书
专业类型:继电保护
设备类型:线路
难度等级:一般
电压等级:220kV
知识点:保护原理
146、单项选择题 电力系统故障动态记录技术准则》中规定电力故障动态过程记录设备的最低要求的采样速率为每个工频周波采样点不小于()
A、20点
B、16点
C、40点
D、28点
点击查看答案
本题答案:A
本题解析:题目来源:电网继电保护应用(第五章)
专业类型:继电保护
设备类型:公共
难度等级:较难
电压等级:其他
知识点:运行规定
147、单项选择题 CSI-101A重合闸装置中,母线电压及线路电压分别接在哪组电压线圈上()
A、Ux、Ua
B、Ua、Ux
C、Ux、Uc
D、Uc、Ux
点击查看答案
本题答案:A
本题解析:题目来源:四方微机保护
专业类型:继电保护
设备类型:CSL-101A
难度等级:一般
电压等级:其他
知识点:装置原理
148、判断题 失去暂态稳定和失去动态稳定的系统表现是一样的,即母线电压,线路电流和线路功率做大幅度波动
点击查看答案
本题答案:错
本题解析:题目来源:电网继电保护应用(第五章)
专业类型:继电保护
设备类型:其他
难度等级:较难
电压等级:其他
知识点:基础知识
149、判断题 查找直流接地时,所用仪表内阻不应低于1000欧/伏
点击查看答案
本题答案:错
本题解析:
知识点:各种规程
150、单项选择题 模拟单相短路从负序电流继电器A端子通入电流此时继电器的动作电流是负序相电流的()倍
A、1/4
B、√3
C、1/√3
D、4
点击查看答案
本题答案:D
本题解析:题目来源:论述题改
专业类型:继电保护
设备类型:装置原理
难度等级:较难
电压等级:其他
知识点:故障计算
151、单项选择题 对于双母线接线形式的变电站,当某一联接元件发生故障且断路器拒动时,失灵保护动作应首先跳开()
A、拒动断路器所在母线上的所有开关;
B、母联断路器;
C、故障元件的其他断路器;
点击查看答案
本题答案:B
本题解析:
知识点:元件保护
152、单项选择题 当Zk>Zg1时,UP与UP关系为()。
A、相位差90°
B、相位差180°
C、U'P与UP同相位
点击查看答案
本题答案:B
本题解析:题目来源:电网继电保护应用(第三章)
专业来源:91考试网 www.91eXam.org类型:继电保护
设备类型:公共部分
难度等级:较难
电压等级:110kV及以上
知识点:基础知识
153、判断题 所谓“不联回路”是指母联(或分段)断路器断开后,自动将母联(或分段)断路器的母差辅助流变次级回路退出母差接线的切换回路。
点击查看答案
本题答案:对
本题解析:题目来源:BUS-1000母差保护说明书
专业类型:继电保护
设备类型:母线
难度等级:A(难)
电压等级:220KV及以上
知识点:保护原理
154、判断题 按频率降低自动减负荷装置的具体整定时,考虑因上一轮未跳开负荷前,系统频率仍在下降中,故下一轮除频率起动值应较低外,还必须带0.2~0.3秒延时,以保证选择性。
点击查看答案
本题答案:对
本题解析:题目来源:电网继电保护应用
专业类型:继电保护
设备类型:公共部分
难度等级:一般
电压等级:110kV及以上
知识点:整定
155、问答题 当现场在瓦斯保护及其二次回路上进行工作时,请问,重瓦斯保护应由什么位置改成什么位置运行。
点击查看答案
本题答案:当现场在瓦斯保护及其二次回路上进行工作时,重瓦斯保护应
本题解析:试题答案当现场在瓦斯保护及其二次回路上进行工作时,重瓦斯保护应由“跳闸”位置改为“信号”位置运行。
156、单项选择题 充电保护投入时刻为:
A、充电压板投入
B、母联电流大于充电过流定值
C、充电保护过流延时大于充电延时定值
D、充电过程中,母联电流由无至有瞬间。
点击查看答案
本题答案:D
本题解析:题目来源:BP-2B微机母线保护装置技术说明书
专业类型:继电保护
设备类型:母线
难度等级:较难
电压等级:其他
知识点:基础知识
157、判断题 在大接地电流系统中,当断路器触头一相或两先闭合时,零序电流滤过器均无电流输出
点击查看答案
本题答案:错
本题解析:
专业类型:继电保护
设备类型:线路
难度等级:一般
电压等级:220kV
知识点:基础知识
158、判断题 母线电流差动保护采用电压闭锁元件主要是为了防止系统振荡时,母线差动保护误动。
点击查看答案
本题答案:错
本题解析:题目来源:电力系统继电保护实用技术问答(第五章 母线保护和断路器失灵保护)
专业类型:继电保护
设备类型:母线
难度等级:中等
电压等级:220kV
知识点:基础知识
159、单项选择题 用整流电源作浮充电源的直流电源,其电压波动范围应小于()额定值。
A、±10%
B、±5%
C、±3%
D、±15%
点击查看答案
本题答案:B
本题解析:题目来源:《电力系统继电保护规程汇编》:电力系统继电保护及安全自动装置反事故措施要点
专业类型:继电保护
设备类型:公共部分
难度等级:C(较难)
电压等级:其它
知识点:运行管理规定
160、判断题 由于一次系统来的电磁干扰不可避免,降低对二次回路及设备的影响的基本手段是设法断开二次回路及设备与一次之间的耦合
点击查看答案
本题答案:对
本题解析:题目来源:电网继电保护应用 第二章第4节~第5节
专业类型:继电保护
设备类型:公共部分
难度等级:一般
电压等级:其他
知识点:二次回路
161、判断题 中性点装设消弧线圈的目的是利用消弧线圈的感性电流补偿接地故障时的容性电流,使接地故障电流减少。通常这种补偿有三种不同的运行方式,即欠补偿、全补偿、过欠补偿。
点击查看答案
本题答案:对
本题解析:题目来源:电力系统继电保护实用技术问答(第一章)
专业类型:继电保护
设备类型:其他
难度等级:B(较难)
电压等级:其他
知识点:基础知识
162、判断题 当涌流中I2/I1或间断角太小难以区分励磁涌流和短路电流时,可以采用三相平方和的∑(I2*I2)/∑(I1*I1)措施来改善二次谐波或间断角制动变压器差动保护。
点击查看答案
本题答案:对
本题解析:题目来源:《电气主设备继电保护原理与应用》:第二章
专业类型:继电保护
设备类型:变压器
难度等级:C(一般)
电压等级:其他
知识点:基础知识
163、单项选择题 微机继电保护装置在下列()情况下可不停用整套微机继电保护装置:
A、使用的交流电压、交流电流、开关量输入、开关量输出回路作业
B、装置内部作业;
C、继电保护人员输入定值
D、停用其中一套保护(如高频保护)
点击查看答案
本题答案:D
本题解析:题目来源:电力系统继电保护规程汇编(微机继电保护运行管理规程)
专业类型:继电保护
设备类型:公共部分
难度等级:较难
电压等级:其他
知识点:基础知识
164、单项选择题 对于220kV及以上电力系统的母线,()保护是其主保护。
A、母线差动
B、变压器保护
C、线路保护
点击查看答案
本题答案:A
本题解析:题目来源:电力系统继电保护规定汇编(第二版)
专业类型:继电保护
设备类型:公共部分
难度等级:一般
电压等级:220~500kV
知识点:整定
165、单项选择题 某线路装有两套纵联保护和一套后备保护,按照部颁反措要点的要求,其后备保护的直流回路()。
A、必须由专用的直流熔断器供电
B、应在两套纵联保护所用的直流熔断器中选用负荷较轻的供电
C、既可由另一组专用直流熔断器供电,也可适当地分配到两套纵联保护所用的直流供电回路中
点击查看答案
本题答案:C
本题解析:题目来源:《电力系统继电保护规程汇编》:电力系统继电保护及安全自动装置反事故措施要点
专业类型:继电保护
设备类型:公共部分
难度等级:较难
电压等级:其它
知识点:运行管理规定
166、单项选择题 怎样防止重合闸启动后低气压闭锁重合闸
A、放电回路串常开接点
B、放电回路串常闭接点
C、不串接点
D、放电回路串常闭、常闭接点
点击查看答案
本题答案:A
本题解析:题目来源:四方微机保护
专业类型:继电保护
设备类型:CSI-101A
难度等级:较难
电压等级:其他
知识点:装置原理
167、判断题 三相短路电流冲击波倍数K=i/I",其中i为实际电流最大瞬时值,I“为次暂态周期分量电流有效值,K一般在2.55左右。
点击查看答案
本题答案:对
本题解析:
知识点:基础知识
168、判断题 接地方向距离继电器在线路发生两相短路接地时超前相的继电器保护范围将发生超越,滞后相的继电器保护范围将缩短
点击查看答案
本题答案:对
本题解析:题目来源:《电网继电保护应用》第三章
专业类型:继电保护
设备类型:线路
难度等级:较难
电压等级:其它
知识点:保护原理
169、判断题 为保证高频保护收发信机能可靠接受到对端信号,要求通道裕度不低于8.68dB,即1Np。
点击查看答案
本题答案:对
本题解析:题目来源:国调〈电力系统继电保护实用技术问答〉附录
专业类型:继电保护
设备类型:线路
难度等级:一般
电压等级:220kV
知识点:二次回路
170、判断题 继电保护所用的电流互感器稳态变比误差一般不应大于10%,而角误差一般不应超过7度。
点击查看答案
本题答案:对
本题解析:
专业类型:继电保护
设备类型:变压器
难度等级:C
电压等级:220kV
知识点:CTPT
171、判断题 停机解释为:断开发电机断路器、灭磁;对汽轮发电机还要关闭主汽门;对水轮发电机还要关闭导水翼。解列解释为:断开发电机断路器,汽轮机甩负荷。
点击查看答案
本题答案:对
本题解析:题目来源:电力系统继电保护实用技术问答(第二章)
专业类型:继电保护
设备类型:公共部分
难度等级:C(一般)
电压等级:其他
知识点:基础知识
172、单项选择题 BP-2B母线保护装置双母线接线,当母联开关处于分位时,()自动转用比率制动系数低值。
A、I母比率差动元件
B、大差比率差动元件
C、II母比率差动元件
点击查看答案
本题答案:B
本题解析:题目来源:BP-2B微机母线保护装置技术说明书
专业类型:继电保护
设备类型:母线
难度等级:一般
电压等级:其他
知识点:保护原理
173、单项选择题 一般继电保护用电压互感器交流电压回路按所接正常最大负荷时至各设备的电压降不得超过额定电压的()的条件校验电缆芯截面
A、3%;
B、5%;
C、10%;
点击查看答案
本题答案:A
本题解析:
知识点:二次回路
174、判断题 用于继电保护状态判别的故障量,使用得最为普遍的是工频电气量。而最基本的是通过电力元件的电流和所在母线的电压,以及由这些量演绎出来的其他量,如功率、相序量、阻抗、频率等,从而构成电流保护、电压保护、阻抗保护、频率保护等。
点击查看答案
本题答案:对
本题解析:题目来源:论述题
专业类型:继电保护
设备类型:公共部分
难度等级:C(一般)
电压等级:其他
知识点:基础知识
175、判断题 为尽快将失步发电机从系统中切除,机端测量阻抗进入失步保护设定的动作区内时,就应立即跳闸切除发电机
点击查看答案
本题答案:错
本题解析:
知识点:元件保护
176、判断题 所有整定的参数都保存在两个数据文件C:\PARAM.DAT、C:\PARAMBIN.DAT
点击查看答案
本题答案:对
本题解析:题目来源:YS-8A型使用说明书
专业类型:继电保护
设备类型:线路
难度等级:中等
电压等级:其他
知识点:整定
177、判断题 低频减负荷的切负荷总量应较多的大于切负荷总量
点击查看答案
本题答案:对
本题解析:题目来源:电网继电保护技术应用
专业类型:继电保护
设备类型:安全自动装置
难度等级:一般
电压等级:110kV及以上
知识点:基础知识
178、判断题 保护安装处的零序电压,等于故障点的零序电压减去由故障点到保护安装处的零序电压降。因此,保护安装处距离故障点越近,零序电压越高。
点击查看答案
本题答案:对
本题解析:
知识点:基础知识
179、单项选择题 在大接地电流系统中,单相接地短路电流是故障支路零序电流的()。
A、1倍
B、√3倍
C、√3/2倍
D、3倍
点击查看答案
本题答案:D
本题解析:
知识点:基础知识
180、判断题 正常情况下,运行指示灯常亮
点击查看答案
本题答案:对
本题解析:题目来源:YS-88A使用说明书
专业类型:继电保护
设备类型:线路
难度等级:一般
电压等级:其他
知识点:基础知识
181、单项选择题 选用的消弧回路的所用反向二极管,其反向击穿电压绝不允许低于()。
A、1000V
B、600V
C、400V
点击查看答案
本题答案:B
本题解析:题目来源:《电力系统继电保护规程汇编》:电力系统继电保护及安全自动装置反事故措施要点
专业类型:继电保护
设备类型:公共部分
难度等级:一般
电压等级:其他
知识点:反措要点
182、单项选择题 距离保护的正序助增系数越大,距离保护的配合越
A、容易
B、困难
点击查看答案
本题答案:A
本题解析:
知识点:线路保护
183、单项选择题 电压互感器二次不得()。
A、开路
B、短路
点击查看答案
本题答案:B
本题解析:题目来源:电网继电保护应用(第四章)
设备类型:公共部分
难度等级:一般
电压等级:其他
知识点:基础知识
184、判断题 变压器差动保护配置二次谐波制动用于避免变压器差动保护在区外故障由于CT饱和误动。
点击查看答案
本题答案:错
本题解析:题目来源:电力系统继电保护实用技术问答
专业类型:继电保护
设备类型:电力变压器
难度等级:一般
电压等级:其他
知识点:基础知识
185、单项选择题 电压互感器一次线圈接于线压时,二次线圈额定电压为()。
A、100V
B、100V/1.732,
点击查看答案
本题答案:A
本题解析:题目来源:电网继电保护应用(第四章)
设备类型:公共部分
难度等级:一般
电压等级:其他
知识点:基础知识
186、判断题 220KV线路重合闸在“停用”方式下,若被保护线路发生单相故障,则本保护动作于三相跳闸
点击查看答案
本题答案:对
本题解析:
知识点:线路保护
187、判断题 主保护拒动或断路器拒跳而由后备保护或断路器失灵保护动作切除故障的,不计入快速切除次数。
点击查看答案
本题答案:错
本题解析:题目来源:电力系统继电保护及安全自动装置运行评价规程
专业类型:继电保护
设备类型:公共部分
难度等级:一般
电压等级:其他
知识点:运行规定
188、单项选择题 当负序电压继电器的整定值为6~12V时,电压回路一相或两相断线()
A、负序电压继电器会动作
B、负序电压继电器不会动作
C、负序电压继电器动作情况不定
D、瞬时接通
点击查看答案
本题答案:A
本题解析:题目来源:电力系统继电保护技术问答
专业类型:继电保护
设备类型:线路
难度等级:较难
电压等级:220kV
知识点:基础知识
189、判断题 电力系统振荡时,接地故障点的零序电流将随振荡角的变化而变化。当两侧电势角差δ摆升到180°时,电流最大;故障点越靠近振荡中心,零序电流变化幅度越大。
点击查看答案
本题答案:错
本题解析:题目来源:电力系统继电保护实用技术问答
专业类型:继电保护
设备类型:公共部分
难度等级:一般
电压等级:其他
知识点:基础知识
190、判断题 电压的升高和频率的降低可导致磁密的增大,使铁心饱和,励磁电流急剧增加,造成过励磁,使变压器绕组的绝缘强度和机械性能恶化等诸多危害
点击查看答案
本题答案:对
本题解析:题目来源:电力系统继电保护实用技术问答
专业类型:继电保护
设备类型:电力变压器
难度等级:一般
电压等级:其他
知识点:基础知识
191、单项选择题 过电流保护的不完全星形连接,一般保护继电器都装在()。
A、A、B两相上
B、C、B两相上
C、A、C两相上
D、A、N两相上
点击查看答案
本题答案:C
本题解析:题目来源:电力系统继电保护技术问答
专业类型:继电保护
设备类型:线路
难度等级:一般
电压等级:220kV
知识点:基础知识
192、判断题 振荡闭锁除保留了传统的故障瞬时开放保护的功能外,还考虑了瞬时开放被
闭锁后的不对称故障和对称故障及非全相运行中再故障的开放条件。
点击查看答案
本题答案:对
本题解析:题目来源:南瑞RCS900系列线路保护装置技术说明书
专业类型:继电保护
设备类型:线路
难度等级:中等
电压等级:其他
知识点:基础知识
193、单项选择题 在进行线路保护试验时,除试验仪器容量外,试验电流及电压的谐波分量不宜超过基波分量的()。
A.2.50%
B.5%
C.10%
D.2%
点击查看答案
本题答案:B
本题解析:专业类型:继电保护
设备类型:线路
难度等级:C
电压等级:220kV
知识点:调试
194、判断题 为了保证在恢复同步时距离保护装置不误动,其振荡闭锁复归时间不应小于1.5秒。
点击查看答案
本题答案:对
本题解析:题目来源:电网继电保护应用
专业类型:继电保护
设备类型:公共部分
难度等级:一般
电压等级:110kV及以上
知识点:基础知识
195、判断题 对相阻抗继电器,在两相短路经电阻接地时超前相继电器在正方向短路时发生超越,在反方向短路时要失去方向性_。
点击查看答案
本题答案:对
本题解析:题目来源:高压电网继电保护原理与技术第十一章
专业类型:继电保护
设备类型:线路
难度等级:B:较难
电压等级:500kV
知识点:保护原理
196、判断题 高频闭锁纵联保护的220kV线路在母差保护动作后均应停发高频闭锁信号,以便开放对侧全线速动保护跳闸。
点击查看答案
本题答案:错
本题解析:
专业类型:继电保护
设备类型:线路
难度等级:中等
电压等级:220kV
知识点:基础知识
197、判断题 用直流电源作浮充电源的直流电源,其直流电压的波动范围应小于±10额定值。
点击查看答案
本题答案:错
本题解析:题目来源:电力系统继电保护规定汇编(第二版)
专业类型:继电保护
设备类型:公共部分
难度等级:一般
电压等级:其他
知识点:直流系统
198、单项选择题 在220KV电力系统中,校验变压器零序差动保护灵敏系数所采用的系统运行方式应为()
A、最大运行方式;
B、正常运行方式;
C、最小运行方式;
点击查看答案
本题答案:B
本题解析:
知识点:元件保护
199、判断题 零序电流1段定值计算的故障点一般在本侧母线上。
点击查看答案
本题答案:错
本题解析:
知识点:线路保护
200、单项选择题 以下能反应各种对称和不对称故障的保护有()
A、高频闭锁距离保护
B、零序方向电流保护
C、高频闭锁负序方向保护
点击查看答案
本题答案:A
本题解析:题目来源:电力系统继电保护实用技术问答(第四章)
专业类型:继电保护
设备类型:线路
难度等级:较难
电压等级:220KV
知识点:保护原理
题库试看结束后
微信扫下方二维码即可打包下载完整版《★继电保护工考试》题库
手机用户可保存上方二维码到手机中,在微信扫一扫中右上角选择“从相册选取二维码”即可。
题库试看结束后微信扫下方二维码即可打包下载完整版《继电保护工考试:继电保护工考试》题库,分栏、分答案解析排版、小字体方便打印背记!经广大会员朋友实战检验,此方法考试通过率大大提高!绝对是您考试过关的不二利器!
手机用户可保存上方二维码到手机中,在微信扫一扫中右上角选择“从相册选取二维码”即可。
微信搜索关注"91考试网"公众号,领30元,获取公务员事业编教师考试资料40G