手机用户可
保存上方二维码到手机中,在
微信扫一扫中右上角选择“从
相册选取二维码”即可。
1、判断题 在直流地的接地方法中,并联接地法与串联接地法相比具有接线简单、造价低的特点。()
点击查看答案
本题答案:错
本题解析:暂无解析
2、判断题 运行中的电流互感器二次回路不允许开路。()
点击查看答案
本题答案:对
本题解析:暂无解析
3、问答题 简述全面质量管理的定义。
点击查看答案
本题答案:为了能够在最经济的水平上并考虑到充分满足顾客要求的条件
本题解析:试题答案为了能够在最经济的水平上并考虑到充分满足顾客要求的条件下进行市场的研究、设计、制造和售后服务,把企业内各部门的研制质量、维持质量和提高质量的活动构成为一体的一种有效的体系。
4、判断题 检修10m及以下的母线,可以只装设一组接地线。()
点击查看答案
本题答案:对
本题解析:暂无解析
5、单项选择题 中央处理器是()的总称。
A.运算器和存储器;
B.运算器和控制器;
C.控制器和寄存器;
D.寄存器和存储器。
点击查看答案
本题答案:B
本题解析:暂无解析
6、问答题
计算题:有某继电器的接点,技术条件规定,当电压不超过250V、电流不大于2A时,在时间回路常数不超过5*10-3S的直流有感负荷回路中,遮断容量为50W,请计算该接点能否用于220KV、R=1000Ω、L=6H的串联回路中?
点击查看答案
本题答案:回路电流I=220/1000=0.22A.
本题解析:试题答案回路电流I=220/1000=0.22A.
回路消耗功率P=0.222*1000=48.4(W)
回路的时间常数τ=L/R=6/1000=6*10-6(S)
因该回路的时间常数大于5*10-3S,故此接点不能串联于该回路中。
7、判断题 在纯电感线路中,电流相位超前电压相位90°。()
点击查看答案
本题答案:错
本题解析:暂无解析
8、单项选择题 通过采用冗余配置,自动检出故障,自动复置等措施,可提高设备的()。
A.可靠性;
B.可用率;
C.可维修性;
D.安全性。
点击查看答案
本题答案:B
本题解析:暂无解析
9、问答题 试述收信机主要技术指标及合格指标。
点击查看答案
本题答案:(1)接收灵敏度:一般是指使接收机输出端达到12dB的信纳比
本题解析:试题答案(1)接收灵敏度:一般是指使接收机输出端达到12dB的信纳比,且输出功率大于额定输出功率50%以上,所需标准测试信号的大小。标准测试信号是指调制间频为1kHz,额定频偏、载频等于接收机工作频率的调频信号。性能良好的接收机灵敏度都在1μV以下。
(2)音频输出功率和谐波失真:音频输出功率是指接收机输入标准测试信号时,接收机输出端的最大不失真音频功率,一般大于0.5W。
谐波失真是指输出音频为额定功率时的输出音频信号失真系数,一般不大于7%。
(3)调制接收带宽:当接收机接收一个比实测灵敏度高6dB的输入射频信号时,加大信号频偏使输出信纳比降到12dB时,这个频偏的2倍定义为调制接收带宽。对于25kHz信道间隔的接收机,调制接收带宽不应小于6.5kHz。
(4)邻道选择性:是指在相邻信道上存在已调无用信号时,接收机接收已调有用信号的能力。用无用信号与可用灵敏度的相对电平表示。对于25kHz信道间隔的邻道选择性应大于70dB。
(5)抗互调干扰:几个不同频率的信号同时进入接收机,经过高放或混频的非线性作用会产生频率组合,即互调。互调生成的频率有可能等于工作频率而干扰接收机正常工作。抗互调干扰是指接收机对与有用信号有互调关系的无用信号的抑制能力,一般应不低于70dB。
10、判断题 按照实用化考核标准,装用的电力负荷控制装置所监控的用电负荷必须达到占地区总负荷的60%以上。()
点击查看答案
本题答案:错
本题解析:暂无解析
11、问答题 计算题:某用电单位月用电量有功为500000kWh,无功为400000kvar,月利用小时为500h,问月平均功率因数为多大?若将功率因数提高到0.9时,需要安装电容器的容量为多少?
点击查看答案
本题答案:已知有功电量=500000kWh,无功电量=40000
本题解析:试题答案已知有功电量=500000kWh,无功电量=400000kvar,月利用小时=500h,补偿后功率因数cos
=0.9,则每一小时的平均有功率为
P=500000/500=1000(kW)
每小时的平均无功功率为
Q=400000/500=800(kvar)
每小时的平均实在功率为

则月平均功率因数为
cos
=P/S=1000/1280.6=0.78
将功率因数提高到0.9时,需要补偿的无功功率是

电容器的容量是318kvar。
12、判断题 二进制数11相当于十进制数3。()
点击查看答案
本题答案:对
本题解析:暂无解析
13、单项选择题 一个不能忽略电阻的线圈,与一个电容器串联,电路发生谐振,则线圈两端电压UL和电容器两端电压UC的关系是()。
A.UL<UC;
B.UL=UC;
C.UL>UC;
D.条件不够不能确定UL、UC大小关系。
点击查看答案
本题答案:C
本题解析:暂无解析
14、单项选择题 在R、L、C并联电路中,若以电压源供电,且令电压有效值固定不变,则在谐振频率附近总电流值将()。
A.比较小;
B.不变;
C.比较大;
D.不确定。
点击查看答案
本题答案:A
本题解析:暂无解析
15、单项选择题 FSK调制方式中,数据信息是通过()来传递的。
A.幅度变化;
B.波形位移;
C.相位变化;
D.频率变换。
点击查看答案
本题答案:D
本题解析:暂无解析
16、判断题 进行电器设备的预防性试验时,应该首先做非破坏性试验,然后再做破坏性试验。()
点击查看答案
本题答案:对
本题解析:暂无解析
17、单项选择题 在三相三线制电路中,其负载不对称,要测量三相功率,至少要用()功率表。
A.一块;
B.二块;
C.三块;
D.四块。
点击查看答案
本题答案:B
本题解析:暂无解析
18、问答题 说出遥控、遥测、遥信的含义及在负荷控制系统中的应用。
点击查看答案
本题答案:遥控:
指通过某种传输方式,远距离控制被控对象完
本题解析:试题答案遥控:
指通过某种传输方式,远距离控制被控对象完成各种操作。在电力负荷控制中,常用于对用户的被控回路进行遥控跳、合闸。
遥测:
指通过某种传输方式,对远方某物理量进行测量和数据采集。在电力负荷控制中,常用于对用户的电力(包括负荷、电能、电压、电流等)数据进行测量和采集。
遥信:
指通过某种传输方式,对远方某对象的状态进行监视和采集。在电力负荷控制中,常用于对用户的被控开关的闭、合状态进行监视和采集。
19、单项选择题 终端收到主站发来的信息,但主站收不到终端的信息,故障单元是终端的()。
A.电源;
B.主控板;
C.发信机;
D.收信机。
点击查看答案
本题答案:C
本题解析:暂无解析
20、问答题 计算题:某用户无表用电,接有灯35W5只,40W10只,60W5只,每日夏季按t为4h计算,冬季按t为6h计算,问冬夏季各一个月(每天按30天计)耗电量(W)多少?
点击查看答案
本题答案:夏季一个月耗电量为
W=Pt=(25&sup
本题解析:试题答案夏季一个月耗电量为
W=Pt=(25³5+40³10+60³5)³4³30
=99000(Wh)=99kWh
冬季一个月耗电量为
W=Pt=(25³5+40³10+60³5)³6³30=148500(Wh)=148.5kWh
夏季一个月耗电99kWh,冬季一个月耗电148.5kWh。
21、单项选择题 在晶体管电路中,为了利用RC相移网络倒180°,至少要用()RC相移网络。
A.一节;
B.二节;
C.三节;
D.四节。
点击查看答案
本题答案:C
本题解析:暂无解析
22、判断题 接地线必须使用专用的线夹固定在导体上,严禁用缠绕的方法进行接地或短路。()
点击查看答案
本题答案:对
本题解析:暂无解析
23、判断题 用万用表测量电阻时,应先将正负表笔短接,调节调零电位器使指针偏转到零。()
点击查看答案
本题答案:对
本题解析:暂无解析
24、判断题 根据电力负荷控制实用化考核验收标准,各类电力负荷控制装置月可用率应不低于95%。()
点击查看答案
本题答案:错
本题解析:暂无解析
25、问答题 简述负荷控制系统中用于远方抄表的RS-485接口的性能参数。
点击查看答案
本题答案:(1)驱动方式:平衡;
(2)最大传输距离:1 2
本题解析:试题答案(1)驱动方式:平衡;
(2)最大传输距离:1200m;
(3)最大数据传输率:10Mb/s;
(4)驱动器输出(开路)电压:±5V;
(5)驱动器输出(加载)电压:±1.5V;
(6)驱动器负载电阻:54Ω;
www.91eXam.org(7)接收器输入电压:-7~+12V;
(8)接收器输入门限:±200mV;
(9)接收器输入电阻:>12kΩ。
26、判断题 失压脱扣器是一种在无电后使断路器跳闸的电气装置。()
点击查看答案
本题答案:对
本题解析:暂无解析
27、判断题 电能计量的二次回路中,电压回路的导线截面不应低于1.5mm2。()
点击查看答案
本题答案:对
本题解析:暂无解析
28、判断题 电流互感器串联在被测电路中,电压互感器并联在被测电路中。()
点击查看答案
本题答案:对
本题解析:暂无解析
29、判断题 挂临时接地线的目的是防止工作地点突然来电及产生感应电压,造成工作人员触电。()
点击查看答案
本题答案:对
本题解析:暂无解析
30、判断题 双向终端就是指数据能在终端机与中央控制机之间相互传送。()
点击查看答案
本题答案:对
本题解析:暂无解析
31、问答题 高频同轴电缆敷设应注意什么?
点击查看答案
本题答案:(1)同轴电缆应尽可能短,可以减少无谓的馈线衰耗。本题解析:试题答案(1)同轴电缆应尽可能短,可以减少无谓的馈线衰耗。
(2)同轴电缆顺天线塔向下敷设,应每间隔0.8~2m的距离加以固定,以分散同轴电缆向下的重力。
(3)电缆插头应保护好电缆外护套不应有破损,以防止电缆受潮致使性能变坏。
(4)同轴电缆的施放应注意它的弯曲半径,不能超过同轴电缆技术条件所容许的弯曲半径。
32、单项选择题 触电时影响人体伤害程度的最主要因素是()。
A.电流值;
B.电流通过人体的持续时间;
C.电流通过人体的路径;
D.人体的健康状况。
点击查看答案
本题答案:A
本题解析:暂无解析
33、单项选择题 使终端易于检测和处理故障、组件具有互换性以及能及时换用备件,可提高设备的()。
A.可靠性;
B.可用率;
C.可维修性;
D.安全性。
点击查看答案
本题答案:C
本题解析:暂无解析
34、问答题 接地有什么作用?接地方式有几种?
点击查看答案
本题答案:接地的主要作用是保护人身和设备的安全,所以电气设备需要采取接
本题解析:试题答案接地的主要作用是保护人身和设备的安全,所以电气设备需要采取接地措施。
根据接地目的的不同,按其不同作用的接地方式有:
(1)保护接地;
(2)工作接地;
(3)防雷接地(过电压保护接地)接零;
(4)重复接地等。
35、问答题 绘图题:画出无线负荷控制终端安装质量控制因果图。
点击查看答案
本题答案:如图E-66所示。
试题答案如图E-66所示。

36、问答题 试叙述感应电能表测量机构由哪些主要部件组成?并说明各部件作用。
点击查看答案
本题答案:感应系电能表测量机构主要由驱动元件、转动元件、制动元件、轴承
本题解析:试题答案感应系电能表测量机构主要由驱动元件、转动元件、制动元件、轴承和计数器五部分组成。驱动元件包括电压元件和电流元件,它们的作用是把交流电压和交流电流转换为穿过转盘的交变磁通,在转盘中产生感应涡流,从而产生电磁力,驱动转动。转动元件是由转盘和转轴组成,在驱动元件和交变磁场作用下连续转动,把转盘的转数传递给计度器累计成电量数。
制动元件由永久磁铁及其调整装置组成,在永久磁铁产生的磁通与其转动的转盘切割时,在转盘中所产生的感应电流相互作用形成制动力矩,使转盘的转动速度和被测功率成正比变化。轴承有下轴承和上轴承,下轴承支撑转动元件的全部质量,减小转动时的摩擦,上轴承起导向作用。计度器用来累计转盘转数,显示所测定的电能。
37、问答题 简述通信规约的含义。
点击查看答案
本题答案:在数据传输过程中,有许多值得考虑和需要解决的问题,如信
本题解析:试题答案在数据传输过程中,有许多值得考虑和需要解决的问题,如信道的控制、数据的应答、信息的编码、差错控制等。所有这些问题的处理和解决,都是为了保证通信双方能够有效地进行数据传输。
为此,在整个通信系统中,就要有一个统一的通信标准,即在通信的发送与接收之间,需要有一个通信双方都共同遵守的约定,将这个约定称为通信规约。
38、单项选择题 按规定10kV供电的用户,用户受电端允许电压变动幅值为()。
A.±5%;
B.±7%;
C.+5%,-10%;
D.+7%,-10%。
点击查看答案
本题答案:B
本题解析:暂无解析
39、单项选择题 高压供电的工业用户,其功率因数应为()以上。
A.0.8;
B.0.85;
C.0.9;
D.0.95。
点击查看答案
本题答案:C
本题解析:暂无解析
40、单项选择题 运行维护人员在接到电力负荷控制装置发现异常的通知后,市区范围内应在()h之内到达现场。
A.24;
B.48;
C.72;
D.96。
点击查看答案
本题答案:B
本题解析:暂无解析
41、问答题 计算题:测得一电台出口发射功率为25W,通过一段高频馈线衰耗后的功率为12.5W,计算该段馈线的衰耗分贝数。
点击查看答案
本题答案:衰耗=10log25/12.5=3(dB.
本题解析:试题答案衰耗=10log25/12.5=3(dB.
该段馈线的衰耗为3dB。
42、判断题 R、L串联电路与正弦电压接通后,在初始值一定的条件下,电路的过度过程与开关动作的时刻无关。()
点击查看答案
本题答案:错
本题解析:暂无解析
43、单项选择题 保护接地装置的接地电阻不宜超过()。
A.4Ω;
B.5Ω;
C.10Ω;
D.30Ω。
点击查看答案
本题答案:A
本题解析:暂无解析
44、判断题 线路绝缘子表面的污秽物质对绝缘子的绝缘水平无任何影响。()
点击查看答案
本题答案:错
本题解析:暂无解析
45、判断题 对于查处的窃电违约金,可作为电费收入入账。()
点击查看答案
本题答案:错
本题解析:暂无解析
46、判断题 在通信的发送与接收之间,需要有一个通信双方都共同遵守的约定,我们将这个约定称为通信规约。()
点击查看答案
本题答案:对
本题解析:暂无解析
47、判断题 无线电波传送的距离与电波的传播路径无关。()
点击查看答案
本题答案:错
本题解析:暂无解析
48、单项选择题 RAM指()。
A.微处理器;
B.读写存储器;
C.只读存储器;
D.输入/输出口。
点击查看答案
本题答案:B
本题解析:暂无解析
49、判断题 对于拆表的大工业用户,在计算基本电费时均按日计价。()
点击查看答案
本题答案:对
本题解析:暂无解析
50、问答题 用户的变、配电所有哪些类型?各有何特点?
点击查看答案
本题答案:用电单位常用的供电系统,按其用电性质和客观条件不同,目
本题解析:试题答案用电单位常用的供电系统,按其用电性质和客观条件不同,目前可分为以下几种类型:
1.室外变电所
这种变电所一般采用露天结构,变压器及主要电器设备装于室外。
变电所的结构特点:
(1)占地面积大,建筑面积小,土建费用节省;
(2)这种变电所适用于电压等级较高,土建需要工程量很大,而且环境条件较少粉尘和污染的开阔地带;
(3)受环境污染严重,不宜建在沿海地区,化工和水泥行业不宜采用;
(4)由于运行时噪声较大,不宜在市区建设。
2.室内变电所
这种变电所在人口比较密集的地区和环境不好的地区宜采用,其高压设备和变压器装于室内,既有利于美化市容,又能减少噪声对城市环境的污染。
变电所的结构特点:
(1)占地面积小,但建设费用高;
(2)受外界环境污染少,减少了维修工作量。
3.地下变电所
这种变电所建于地下,但是对电压过高的变电所,绝缘距离问题不好处理。
变电所的结构特点:
(1)适合于人口密集的地区;
(2)节省占地,土建工程量大,设备造价高;
(3)保密性好,但使用电缆较多。
4.移动式变电所
它是将变压器装于车上便于移动。适用于电压不太高,容量不大的场合及临时用电。变电所的结构特点:
(1)电器设备装于车上,结构紧凑;
(2)容量不大;
(3)设备简单,使用灵活。
5.箱式变电站
这种成型设备是近几年发展研制而成,目前正在推广,所有高、低压电器设备装于定型的铁箱内。
变电站的结构特点:
(1)占地面积小,无需土建工程,建设工期短,建设费用低;
(2)适用灵活,不需要值班,操作方便;
(3)总投资省,操作安全。
6.室外简易型变电所
这种变电所全部设备置于室外,控制及保护方式比较简单,可免除运行值班人员。一般电压在35kV级以下,容量小,适合于农业用电变电所。
变电所的结构特点:
(1)变电所土建工程量小,保护及控制设备简化,投资小;
(2)容量小,主接线方式简单;
(3)对环境影响较小,维护工作量小。
51、问答题 试述控制电缆、信号电缆、屏蔽电缆、高频电缆、 天线的作用。
点击查看答案
本题答案:控制电缆:用于负荷控制终端对控制对象的连接,其中包括连
本题解析:试题答案控制电缆:用于负荷控制终端对控制对象的连接,其中包括连接被控开关、检测开关变位情况,以及检测供电线路的电压和电流值。
信号电缆:主要用于对信号的采集,其中包括脉冲电能表脉冲信号的采集和智能电能表485接口信号的采集。
屏蔽电缆:具有抗干扰作用。
高频电缆:用于传送高频信号。
天线:用于接收和发射信号。
52、问答题 计划用电管理工作主要包括哪些内容?计划用电的重点是什么?
点击查看答案
本题答案:计划用电管理工作主要包括有:
负荷分析预测;
本题解析:试题答案计划用电管理工作主要包括有:
负荷分析预测;
综合平衡分配;
计划用电考核分析;
调整负荷。
计划用电重点应放在大力推广分时电价和负荷管理装置,运用经济、技术手段,促进电力资源优化配置,引导企业和整个社会自觉移峰填谷,减少浪费,提高效益。
53、判断题 验电笔可用于检查接线正误和帮助判断电气故障。()
点击查看答案
本题答案:对
本题解析:暂无解析
54、问答题 绘图题:画出有附加电流线圈的三相无功电能表的测量接线图。
点击查看答案
本题答案:如图E-54所示。
试题答案如图E-54所示。

55、单项选择题 电流串联负反馈电路使放大器的()。
A.输入电阻增加,输出电阻也增加;
B.输入电阻增加,输出电阻减少;
C.输入电阻减少,输出电阻增加;
D.输入电阻减少,输出电阻也不变。
点击查看答案
本题答案:A
本题解析:暂无解析
56、问答题 绘图题:根据表格数据画出该直流电阻的伏安特性曲线,并说明其关系。
点击查看答案
本题答案:如图E-64所示,直流电阻的伏安特性是线性的。
本题解析:试题答案如图E-64所示,直流电阻的伏安特性是线性的。
57、问答题 绘图题:计算机由运算器、控制器、存储器、输入设备、输出设备五大部分组成。请用连线连接,组成基本结构原理图。
点击查看答案
本题答案:如图E-47所示。
试题答案如图E-47所示。

图E-47
58、判断题 电钻是用来钻孔的电动工具。按接用的电源分,有单相电钻和三相电钻。()
点击查看答案
本题答案:对
本题解析:暂无解析
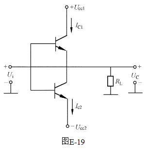
59、问答题 绘图题:画出乙类功率放大电路图。
点击查看答案
本题答案:如图E-19所示。
试题答案如图E-19所示。

60、问答题 简述电能表驱动元件、制动元件和计度器的作用。
点击查看答案
本题答案:驱动元件的作用:
产生磁场,并与圆盘相互作用产生
本题解析:试题答案驱动元件的作用:
产生磁场,并与圆盘相互作用产生转动力矩,使电能表的转动部分做旋转运动。
制动元件的作用:
在圆盘转动时产生制动转矩而使圆盘转速均匀,并使转速与负载的大小成正比。
计度器的作用:
用来累计电能表圆盘转数,通过齿轮比把电能表圆盘的转速变为与电能相对应的指示值。
61、问答题 天线的安装应注意什么?
点击查看答案
本题答案:(1)同塔架设多根天线且需要同时工作时,应注意天线间的距离尽
本题解析:试题答案(1)同塔架设多根天线且需要同时工作时,应注意天线间的距离尽可能远一些,以避免相互之间的隔离度不够而造成互调干扰和阻塞干扰。
(2)天线方向的选择应正对需要通信的方向,出口方向应尽量开阔,天线振子不能离墙太近,以免来源:91考试网 91eXAm.org引起反射影响接收效果。
(3)如架设10m以上的天线,支架应四方打拉线,保证天线牢固可靠,支架自身应作接地处理。
(4)天线管接入良好的接地系统,接地电阻应小于6Ω,馈线应尽量短,馈线两屏蔽层端口应作接地处理。
62、判断题 为保证电压继电器工作的稳定性和触点工作的可靠性,其整定值应不小于全刻度量的1/3。()
点击查看答案
本题答案:对
本题解析:暂无解析
63、单项选择题 直接耦合放大器的级数越高,()。
A.放大倍数越大,零点漂移越严重;
B.放大倍数越大,零点漂移越轻;
C.放大倍数越小,零点漂移越轻;
D.放大倍数越小,零点漂移越严重。
点击查看答案
本题答案:A
本题解析:暂无解析
64、问答题 简述分时电能表的作用。
点击查看答案
本题答案:分时电能表能把高峰用电时段和低谷用电时段的用电量和总用
本题解析:试题答案分时电能表能把高峰用电时段和低谷用电时段的用电量和总用电量分别记录下来,还可将高峰和低谷时段以外时间内的用电量(即为“平时段”)记录下来或计算出来。这样,就可按不同的用电时段收取不同的电费。这是更能贯彻合理负担的比较公平的一种收费办法,也就是用经济手段来达到移峰填谷、合理用电的办法。
65、判断题 双向终端在开机状态下,严禁带电插拔电缆与主控板或电台的连线。()
点击查看答案
本题答案:对
本题解析:暂无解析
66、问答题 计算题:某低压动力用户,有电动机功率P为24kW,功率因数0.8,供电电压U为380V,问应安装多少安培的电能表?
点击查看答案
本题答案:I=P/(
试题答案I=P/(
Ucos
)=24³103/(
³380³0.8)=45.5A.
应选用50A三相电能表。
67、判断题 单片机之所以能得到推广与应用,主要是因为单片机具有片内数据存储器RAM的优点。()
点击查看答案
本题答案:错
本题解析:暂无解析
68、问答题 何谓接收机可用灵敏度?如何测量?
点击查看答案
本题答案:(1)在标准实验条件下,接收机输出端得到的信纳比为12
本题解析:试题答案(1)在标准实验条件下,接收机输出端得到的信纳比为12dB,输出功率不小于额定音频输出功率的50%,接收机所需要的最小的、经标准实验调制的、来自标准输入信号源的射频输入信号电压数值,以μV,dBμV为单位。
(2)测量方法如下:
1)按要求连接测试系统;
2)接收机静噪控制处于不控位置;
3)接收机输入端加一标准输入信号;
4)调节音量电位器直至获得额定音频输出功率;
5)调节输入信号电平,直至接收机输出的信纳比为12dB,记下此时的输入信号电平值;
6)如果此时的音频输出功率不小于额定音频输出的50%,则上一步所记下的输入电平值,即为该机的可用灵敏度;
7)如果此时的音频输出功率小于额定音频输出的50%,则应增加输入信号的电平值,直至获得额定音频输出功率的50%,此时记下的输入电平值即为该机的可用灵敏度。
69、判断题 “即插即用”是Windows9x明显优于过去Windows的重要特点。()
点击查看答案
本题答案:对
本题解析:暂无解析
70、单项选择题 DOS环境中,扩展名是BAK的文件称作()。
A.文本文件;
B.备用文件;
C.批处理文件;
D.系统文件。
点击查看答案
本题答案:B
本题解析:暂无解析
71、判断题 供电企业必须在供电后才能与用户签订供用电合同。()
点击查看答案
本题答案:错
本题解析:暂无解析
72、问答题 什么是COMS集成电路的扇出系数?简要说明它与工作频率的关系。
点击查看答案
本题答案:人们常把能带同类门电路的个数,叫扇出系数。
低频
本题解析:试题答案人们常把能带同类门电路的个数,叫扇出系数。
低频工作时,COMS集成电路几乎可以不考虑能力问题;
高频工作时,扇出系数与频率有关。
73、单项选择题 乙类功率放大器易产生交越失真,这主要是()造成的。
A.变压器耦合;
B.三极管非线性;
C.所带负载;
D.管耗。
点击查看答案
本题答案:B
本题解析:暂无解析
74、判断题 电路发生谐振时,电路呈现电感性。()
点击查看答案
本题答案:错
本题解析:暂无解析
75、单项选择题 集成电路型电力定量器,将电能表的输出脉冲通过整形和等宽处理后送至()。
A.功率定值电路和比较鉴别电路;
B.功率定值电路和控制电路;
C.比较鉴别电路和控制电路;
D.功率定值电路、比较鉴别电路和控制电路。
点击查看答案
本题答案:C
本题解析:暂无解析
76、问答题 什么是短路?电网 中可能发生哪些类型的短路故障?短路对电力系统有什么危害?
点击查看答案
本题答案:短路是指电力系统正常运行方式以外的一切相与相之间的短接,在中
本题解析:试题答案短路是指电力系统正常运行方式以外的一切相与相之间的短接,在中性点直接接地系统中,除了相与相之间的短接外,还指一相或多相接地(或接中性线)。
(1)对称短路:三相短路,三相同时在一点发生的短路。由于短路回路的三相阻抗相等,因此三相电流和电压仍是对称的,故称三相短路。
(2)不对称短路:短路后使三相回路不对称的短路形式,电网在同一地点发生的不对称短路主要有两相短路、单相接地短路及两相接地短路三种。
短路的危害如下:
(1)发生短路时,由于网络的总阻抗减小,回路中将流过比正常状态时额定电流大得多的短路电流。巨大的短路电流会使导体严重发热,造成导体融化和绝缘损坏,短路电流产生很大的电动力会使导体或绕组变形而严重损坏。
(2)短路时往往伴随着电弧的产生,这不仅可能烧毁故障元件本身,也可能烧毁周围的设备。
(3)由于短路电流基本上是感性的,它将产生磁性电枢反应,使发电机端电压下降,电网电压下降,越靠近短路点电压越低。当供电地区的电压降低到额定电压的60%左右也不能立即切除故障时,就可能引起电网崩溃,造成大面积停电。
(4)短路使电网中功率分布的突然变化和电网电压的降低,可能导致并列运行的同步发电机之间失去同步。在短路故障切除后,重新拉入同步的过程可能引起系统振荡,以至于引起继电保护误动作及大量甩负荷。
(5)不对称接地短路故障会产生零序电流,它将在临近线路上产生感应电动势,造成对通信线路和信号系统的干扰。
77、判断题 存储器分为两种:只读存储器和固定存储器。()
点击查看答案
本题答案:错
本题解析:暂无解析
78、问答题 现场调试(主要指系统开通前设备安装时的调试工作)要进行哪些调试?
点击查看答案
本题答案:现场调试包括终端调试、主台调试、系统联调。
(1
本题解析:试题答案现场调试包括终端调试、主台调试、系统联调。
(1)在安装时,均要进行信道正常与否的调试,同时对终端的功能逐项检测核对;
(2)主台按设计要求进行调试,包括软件和硬件调试;
(3)所有的终端安装完毕后,要做系统联调,联调完毕即系统开通运行。
79、判断题 消弧线圈用于中性点不接地系统。()
点击查看答案
本题答案:对
本题解析:暂无解析
80、判断题 三相四线制供电系统中,零线电位的高低完全决定于零线中流过电流的大小。()
点击查看答案
本题答案:错
本题解析:暂无解析
81、问答题 绘图题:指出图E-21石英晶体片简单工作原理。
点击查看答案
本题答案:(1)石英晶体片是夹在两个金属膜中间,当晶体不振时可看
本题解析:试题答案(1)石英晶体片是夹在两个金属膜中间,当晶体不振时可看成一个平板电容;
(2)当晶体振动时可看成一个L-C串联谐振电路。
82、单项选择题 功率因数反映的是电源的()。
A.利用程度;
B.可用程度;
C.可靠程度;
D.供电能力。
点击查看答案
本题答案:A
本题解析:暂无解析
83、单项选择题 谐振电路的品质因数Q值越高,则()。
A.越频能力越强,通频带越宽;
B.越频能力越强,通频带越窄;
C.越频能力越弱,通频带越宽;
D.越频能力越弱,通频带越窄。
点击查看答案
本题答案:B
本题解析:暂无解析
84、判断题 双向终端的一个重要特点是按轮次进行跳合闸,一般将最重要的负荷接在最后一轮。()
点击查看答案
本题答案:对
本题解析:暂无解析
85、问答题 计算题:有一张360KB的软盘,请问其中的B代表什么意思?这张软盘最多的能容纳多少个汉字的文件(在不使用压缩技术的情况下)?
点击查看答案
本题答案:B=Byte字节
360×1024÷2=1843
本题解析:试题答案B=Byte字节
360×1024÷2=184320
约18万汉字的文件(184320万个汉字的文件)。
86、单项选择题 质量管理标准分为()标准、管理标准和工作标准三类。
A.质量;
B.技术;
C.检验;
D.制度。
点击查看答案
本题答案:B
本题解析:暂无解析
87、单项选择题 三相三线两元件电能表,若抽去中相电压时()。
A.不受影响;
B.几乎停走;
C.约走慢一半;
D.约走快一半。
点击查看答案
本题答案:C
本题解析:暂无解析
88、单项选择题 衡量一个放大器电路的零漂,一般是从放大电路的()考虑。
A.输入、输出电压两方面;
B.输入电压、放大倍数两方面;
C.输出电压、放大倍数两方面;
D.输入、输出电压及放大倍数三方面。
点击查看答案
本题答案:C
本题解析:暂无解析
89、判断题 负控终端的输入信号分三类:脉冲量、模拟量和开关量。脉冲量来自电流互感器,模拟量来自电压互感器,而开关量是由开关辅助触点提供的。()
点击查看答案
本题答案:错
本题解析:暂无解析
90、问答题 计算题:已知图D-5中,R、L、C串联电路,图中R=2Ω,L=540mH,C=20μF,试求电路的阻抗和阻抗角。
点击查看答案
本题答案:由已知条件得
(1)XL=2πfL=3
本题解析:试题答案由已知条件得
(1)XL=2πfL=314³540³10-3=169.56(Ω)
(2)XC=1/(2πfC.=1/(314³20³10-6)=159.24(Ω)
(3)
功率因数
(4)cos=
R/Z=2/10.5=0.19
(5)阻抗角
=79°
阻抗是10.5Ω,阻抗角为79°。
91、问答题 计算题:某工厂的供电电压U为380V,实际有功功率P为200kW,总电流表指示电流为350A,试问该厂用电的功率因数是多少?
点击查看答案
本题答案:S=1.732UI=1.732³0.38&s
本题解析:试题答案S=1.732UI=1.732³0.38³350=230.36(kVA.
功率因数cos
=P/S=200/230.36=0.868
功率因数是0.868。
92、问答题 哪些工作填写第一种工作票?哪些工作填写第二种工作票?
点击查看答案
本题答案:填用第一种工作票的工作为:
(1)高压设备上
本题解析:试题答案填用第一种工作票的工作为:
(1)高压设备上工作需全部停电或部分停电者;
(2)高压室内的二次接线和照明等回路上的工作,需要将高压设备停电或做安全措施者。填用第二种工作票的工作为:
(1)带电作业和在带电设备外壳上的工作;
(2)控制盘和低压配电盘、配电箱、电源的干线上的工作;
(3)二次接线上的工作,无需将高压设备停电者;
(4)转动中的发电机、调相机的励磁回路或高压电动机转子电阻回路上的工作;
(5)非当值人员用绝缘棒和电压互感器定相或用钳形电流表测量高压回路的电流。
93、判断题 在地面1.5m以上进行工作,称为高空作业。()
点击查看答案
本题答案:错
本题解析:暂无解析
94、问答题 绘图题:图E-23为逻辑门请写出P与A、B之间的关系式。
点击查看答案
本题答案:P=A²B。
本题解析:试题答案P=A²B。
95、问答题 绘图题:画出FSK调制解调器原理框图。
点击查看答案
本题答案:如图E-51所示。
试题答案如图E-51所示。

96、问答题 绘图题:如图E-18所示为逻辑门,请写出P与A、B之间的关系等式。
点击查看答案
本题答案:P=AB。
本题解析:试题答案P=AB。
97、问答题 简述无线电通信基本原理。
点击查看答案
本题答案:无线电通信的基本原理是:
将带有信息的低频信号以
本题解析:试题答案无线电通信的基本原理是:
将带有信息的低频信号以某种方式加载到高频振荡波上,使高频振荡波的幅度、频率或者相位随低频信号的变化而变化,然后通过天线向空中辐射。接收端的天线把接收到的高频振荡波送入接收机,恢复出低频信号,从而完成信息的无线电传输。
98、判断题 用电能表直接测量时,其倍率与电能表的齿轮比成正比,与电能表的常数成反比。()
点击查看答案
本题答案:对
本题解析:暂无解析
99、判断题 质量管理工作循环包括:计划、执行、检查和总结三个阶段。()
点击查看答案
本题答案:对
本题解析:暂无解析
100、问答题 全面质量管理的意义是什么?
点击查看答案
本题答案:(1)提高产品质量;
(2)改善产品设计; <
本题解析:试题答案(1)提高产品质量;
(2)改善产品设计;
(3)加速生产流程;
(4)鼓舞员工的士气和增强质量意识;
(5)改进产品售后服务;
(6)提高市场的接受程度;
(7)降低经营质量成本;
(8)减少经营亏损;
(9)降低现场维修成本;
(10)减少责任事故。
101、问答题 计算题:有一只三相三线电能表,在A相电压回路断线的情况下运行了四个月,电量累计为5万kWh,功率因数约为0.8,求追退电量。
点击查看答案
本题答案:A相断线时,实计电量表达式为
本题解析:试题答案A相断线时,实计电量表达式为

更正率为
εP=(KP-1)³100%=(1.39-1)³100%=39%
应追补电量为
ΔAP=39%³50000=19500kWh
应追补电量为19500kWh。
102、问答题 绘图题:画出图E-65(a)的一次、二次相量图,并指出接线组别。
点击查看答案
本题答案:如图E-65B.所示,
试题答案如图E-65B.所示,
同相,故该种接线属于Y,y12接线。
103、判断题 数据调制的主要任务是把计算机的数据信号转变为适合特定通道的模拟信号。()
点击查看答案
本题答案:对
本题解析:暂无解析
104、单项选择题 三相对称电源的线电压为380V,对称负载星形接线,没有中线,如某相突然断掉,则其余两相负载的相电压为()V。
A.380;
B.380/
;
C.380/2;
D.380/3。
点击查看答案
本题答案:C
本题解析:暂无解析
105、判断题 只要将电力负控终端的常闭接点串入用户入低压自动开关的失压脱扣线圈回路中,就能达到遥控低压自动开关的目的。()
点击查看答案
本题答案:对
本题解析:暂无解析
106、问答题 计算题:两支等高避雷针,其高度h为25m,两针相距D为20m,计算在两针中间位置,高度hx为7m的平面上保护范围一侧最小宽度bx是多少?
点击查看答案
本题答案:已知两支针高h=25m,两支针距离D=20m,被保护设
本题解析:试题答案已知两支针高h=25m,两支针距离D=20m,被保护设备高度hx=7m。
当h≤30m时,取P=1,则两针保护范围上边缘的最低高度为
两针中间7m高度平面上保护范围一侧最小宽度为
bx=1.5(h0-hx)=1.5³(22-7)=22.5(m)
最小宽度为22.5m。
107、单项选择题 低压带电部分至接地部分间隙不少于()。
A.10mm;
B.20mm;
C.30mm;
D.50mm。
点击查看答案
本题答案:B
本题解析:暂无解析
108、单项选择题 失压脱扣器线圈应与开关的()。
A.常开辅助接点并接;
B.常开辅助点串接;
C.常闭辅助点并接;
D.常闭辅助点串接。
点击查看答案
本题答案:B
本题解析:暂无解析
109、问答题 计算题:电路如图D-6所示,已知R1=6Ω,R2=4Ω,电压表PV的读数U为3.6V,电池的内阻r=0.4Ω,试求电流表的读数I应为多少?电源的电动势E为多少?
点击查看答案
本题答案:已知R1=6Ω,R2=4Ω,端
本题解析:试题答案已知R1=6Ω,R2=4Ω,端电压U=3.6V,内电阻r=0.4Ω
(1)R1和R2并联的等效电阻R=(R1³R2)/(R1+R2)=6³4/(6+4)=2.4(Ω)
则I=U/R1=3.6/2.4=1.5A.
根据基尔霍夫第二定律,得
(2)E=(R+r)I=(2.4+0.4)³1.5=4.2(V)
安培计的读数为1.5A,电池的电动势为4.2V。
110、判断题 若无线电负控双向终端的接收机损坏,则终端的故障现象为:主控板正常,但收不到主台的任何命令。()
点击查看答案
本题答案:对
本题解析:暂无解析
111、单项选择题 将数字量转换为模拟量的电路是()。
A.D/A转换器
B.I/O转换器
C.A/D转换器
D.网络适配器
点击查看答案
本题答案:A
本题解析:暂无解析
112、单项选择题 并联谐振又称为()谐振。
A.电阻;
B.电流;
C.电压;
D.电抗。
点击查看答案
本题答案:B
本题解析:暂无解析
113、单项选择题 运算放大器是一种具有()直接耦合放大器。
A.高放大倍数,深度正反馈;
B.高放大倍数,深度负反馈;
C.低放大倍数,深度正负馈;
D.低放大倍数,深度正反馈。
点击查看答案
本题答案:B
本题解析:暂无解析
114、问答题 绘图题:画出常见的用户单电源供电10kV高压配电室一次接线图。
点击查看答案
本题答案:如图E-50所示。
试题答案如图E-50所示。

115、判断题 配电线路电杆的埋设深度不应大于1m。()
点击查看答案
本题答案:错
本题解析:暂无解析
116、判断题 窃电时间无法查明时,窃电日数至少以180天计算。()
点击查看答案
本题答案:对
本题解析:暂无解析
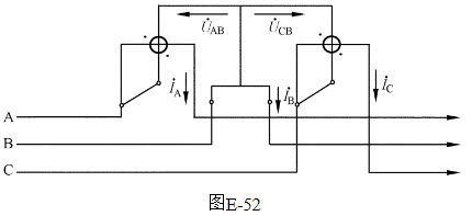
117、问答题 绘图题:画出三相三线制有功电能表的标准接线。
点击查看答案
本题答案:如图E-52所示。
试题答案如图E-52所示。

118、问答题 计算题:某单相电能表铭牌上标明C=1200r/kWh,现有秒表记录该表转30r时所需要的时间为1min,试计算该表测得的负荷值。
点击查看答案
本题答案:由
试题答案由
该表测得的负荷值为1.5kW。
119、单项选择题 测量电气设备导电回路的直流电阻最准确的方法是()。
A.电桥法;
B.电压降法;
C.欧姆计法;
D.三种方法一样。
点击查看答案
本题答案:B
本题解析:暂无解析
120、单项选择题 记录在磁盘上的一组相关信息的集合,称为()。
A.外存储器;
B.文件;
C.数字;
D.内存储器。
点击查看答案
本题答案:B
本题解析:暂无解析
121、判断题 同杆架设的多层电力线路进行验电时,先验高压,后验低压。()
点击查看答案
本题答案:错
本题解析:暂无解析
122、判断题 在变电所工作时,如果发生直流永久性接地,工作人员应立即停止在直流回路上工作。()
点击查看答案
本题答案:对
本题解析:暂无解析
123、问答题 什么是单片微型计算机?它有何优点,主要应用在哪些领域?
点击查看答案
本题答案:单片微型计算机简称单片机,它是将CPU、RAM、ROM、计数
本题解析:试题答案单片微型计算机简称单片机,它是将CPU、RAM、ROM、计数/定时器及并行、串行接口等都集成在一块芯片上。由于单片机具有体积小、价格低、功能强、可靠性高等一系列优点,因而在实时控制、仪器仪表、智能终端及家用电器等领域得到广泛的应用。
124、单项选择题 按照规定,无线电力负荷控制双向终端现场巡视周期及检验周期分别是()。
A.1个月和1年;
B.3个月和1年;
C.1个月和3年;
D.3个月和3年。
点击查看答案
本题答案:C
本题解析:暂无解析
125、问答题 计算题:现场工作人员检测到三相有功电能表1min发出了30个脉冲,该电能表Kn为1,C为1500r/kWh,计算出此时该用户的负荷P大小。
点击查看答案
本题答案:P=30³60/Kn²C=1800
本题解析:试题答案P=30³60/Kn²C=1800/1500=1.2(kW)
该用户的负荷大小为1.2kW。
126、问答题 利用直流法如何定单相电压互感器的极性(见图F-1)?
点击查看答案
本题答案:由直流法检查电压互感器极性时,直流电源应接在电压互感器
本题解析:试题答案由直流法检查电压互感器极性时,直流电源应接在电压互感器的高压侧。如图F-1所示,若极性正确,在合开关的瞬间,万用表直流毫伏档的指针应从零向正方向偏转;当断开开关的瞬间,万用表指针应向相反的方向偏转。
127、问答题 日常营业工作内容一般包括哪几个方面?
点击查看答案
本题答案:(1)处理用户因自身原因造成的用电数量、性质、条件变更
本题解析:试题答案(1)处理用户因自身原因造成的用电数量、性质、条件变更而需变更的用电事宜,如暂停、减容、过户、改变用电性质(类别)、改变用电方式,以及修、校、换、移、拆、装表等;
(2)迁移用电地址,临时用电、用电事故处理;
(3)接待用户来信来访,处理排解用电纠纷或对电费计收的查询以及需供电部门宣传、解释、答复的事项;
(4)因供电部门本身管理需要而开展的业务,如立户、建卡、翻卡(换卡)、定期核查、用电监察或营业普查和修改资料、协议等事宜;
(5)供电部门应用户要求提供的劳务及其费用计收。
128、单项选择题 无线电波的传播距离主要决定于()。
A.工作效率;
B.接收天线的形式;
C.场强大小;
D.发射天线的形式。
点击查看答案
本题答案:C
本题解析:暂无解析
129、判断题 接触电压是人两脚之间的电位差。()
点击查看答案
本题答案:错
本题解析:暂无解析
130、判断题 无线电电力负荷控制系统的调试包括:主控站设备检查、终端设备检查以及系统联合调试。()
点击查看答案
本题答案:对
本题解析:暂无解析
131、问答题 什么叫频率调制?一般用什么方法解调调频波?
点击查看答案
本题答案:频率调制是使高频载波的频率按调制信号规律变化的一种方式。
本题解析:试题答案频率调制是使高频载波的频率按调制信号规律变化的一种方式。
调制信号的变化反映在高频振荡波的角度(频率或相位)变化上,不能直接用包络检波器解调调频波。
常用的解调方法是利用波形变换把调频波变成与角度变化(频偏或相移)成正比的调角调幅信号,然后再进行包络检波,就可解调出原调制信号。
132、判断题 断开互感器二次回路时,应事先将其二次的试验端子开路。()
点击查看答案
本题答案:错
本题解析:暂无解析
133、问答题 变更用电类别有哪些?
点击查看答案
本题答案:(1)减少合同约定的用电容量(简称减容);
(2
本题解析:试题答案(1)减少合同约定的用电容量(简称减容);
(2)暂时停止全部或部分受电设备的用电(简称暂停);
(3)临时更换大容量变压器(简称暂换);
(4)迁移受电装置用电地址(简称迁址);
(5)暂时停止用电并拆表(简称暂拆)。
134、问答题 使用电流互感器应注意哪些事项?
点击查看答案
本题答案:使用电流互感器应注意:
(1)选择电流互感器的变
本题解析:试题答案使用电流互感器应注意:
(1)选择电流互感器的变比要适当,额定容量要大于二次负载容量,以确保测量准确;
(2)电流互感器一次绕组串联在线路中,二次绕组串接于测量仪表和继电器,接线时要注意极性正确,尤其是电能表,功率表极性不能接错;
(3)电流互感器运行时,在二次回路工作,不准开路以确保人身和设备安全,如需校验或调换电流互感器二次回路中测量仪表时,应先用铜片将电流互感器二次接线端柱短路;
(4)电流互感器二次侧应有一端接地,以防止一次、二次绕组之间绝缘击穿,危及人身和设备的安全。
135、问答题 计算题:有一只三相四线有功电能表,其B相电流互感器从二次反接运行达半年之久,电能表的累积电量A为150kWh,假设功率因数cos
=1,试求该表更正电量。
点击查看答案
本题答案:当B相电流互感器反接,其功率为
本题解析:试题答案当B相电流互感器反接,其功率为

实际用电量为
A′=KA=3³150=450(kWh)
半年内少计电量为:450-150=300(kWh)
该表更正电量为300kWh。
136、问答题 什么叫并联谐振?它是怎样产生的?
点击查看答案
本题答案:在电感和电容并联电路中,出现并联电路的端电压相位与总电
本题解析:试题答案在电感和电容并联电路中,出现并联电路的端电压相位与总电流相同,即
,电路呈现电阻性,这种情况叫做并联谐振。
并联谐振产生的原因是:在电感和电容并联电路中,当电源频率为f0时,如果容抗和感抗相等,是一种完全的补偿,也就是说电感的无功功率恰好等于电容的无功功率,能量在电感和电容之间进行交换。即某一瞬时已储能的电容向电感放电,另一瞬间电感给电容充电。这样往返充放电,就不需要电源向并联回路供给无功功率。电感和电容之间进行能量的交换的条件是

从上式可以看出,并联谐振与C、L、R、ω有关。当上式中ω,R,C一定时,改变L的值可以达到谐振条件。当上式中L,R,C一定时,改变电源频率ω,则当f0=1/(2π)³
或当角频率
时,也会产生谐振。
137、问答题 简述在使用钳形电流表时要注意哪些问题。
点击查看答案
本题答案:(1)测量前应先估计被测电流的大小,选择合适的量程档。若无法
本题解析:试题答案(1)测量前应先估计被测电流的大小,选择合适的量程档。若无法估计则应先用较大量程档测量,然后根据被测电流的大小再逐步换成合适的量程。
(2)测量时被测载流导线应放在钳口内的中心位置,以免增大误差。
(3)为使读数准确,钳口的结合面应保持良好的接触,如有杂声,应将钳重新开合一次。若杂声依然存在,应检查钳口处有无污垢存在,如有可用汽油擦干净。
(4)测量较小电流时,为了使读数较准确,在条件许可时,可将被测导线多绕几圈,再放进钳口进行测量,实际电流值等于仪表的读数除以放进钳口中的导线圈数。
(5)测量完毕一定要把仪表的量程开关至于最大量程位置上,以防下次使用时,因疏忽大意未选择量程就进行测量,造成意外损坏仪表。
138、问答题 计算题:某低压电力用户采用低压380/220V计量,在运行中电流互感器A相二次断线,后经检查发现,故障期的抄见电能为10万kWh,试求应向该用户追补多少用电量?
点击查看答案
本题答案:因三相电能表的正确接线计量功率值为
本题解析:试题答案因三相电能表的正确接线计量功率值为

追补用电量=更正率³抄见用电量=50%³100000
=50000(kWh)
该用户应追补用电量50000kWh。
139、判断题 主变压器开关停电时,应先停电源侧,再停负荷侧。()
点击查看答案
本题答案:错
本题解析:暂无解析
140、问答题 绘图题:如图E-17所示的三相电路中的负载连接,试问这些负载各是什么连接方式?
点击查看答案
本题答案:单相连接方式、负载的星形连接方式及负载的三角形连接方式
本题解析:试题答案单相连接方式、负载的星形连接方式及负载的三角形连接方式。
141、单项选择题 当三相短路电流流过垂直排列的母线时,母线承受的电动力()。
A.上边相最大;
B.中间相最大;
C.下边相最大;
D.三相一样大。
点击查看答案
本题答案:B
本题解析:暂无解析
142、问答题 绘图题:如图E-15所示情况的电路图。
(1)标出图(a)中感生电流的方向;(2)标出图(b)中的磁极极性;(3)标出图(c)导体的运动方向;(4)将图(d)线圈接在电源上。
点击查看答案
本题答案:如图E-16所示。
试题答案如图E-16所示。

143、单项选择题 WindowsNT属于()
A.操作系统;
B.应用软件;
C.数据库系统;
D.管理系统。
点击查看答案
本题答案:A
本题解析:暂无解析
144、问答题 值班人员的主要任务包括哪些?
点击查看答案
本题答案:(1)新装用户的注册登记,包括各项预置参数的下达。
本题解析:试题答案(1)新装用户的注册登记,包括各项预置参数的下达。
(2)负荷计划定值的下达,包括负荷曲线和峰谷电能量计划。
(3)双向终端用电数据的采集。
(4)单向终端用电数据的输入。
(5)负荷控制与负荷平衡工作:值班人员应根据电网调度要求选取键入预先制定的负荷控制方案并执行,担负负荷控制和负荷平衡职责。
(6)预置数的检查核实。
(7)报表打印与传送。
(8)系统设备的运行监视及切换操作。
145、问答题 简述感应式电能表的转动原理。
点击查看答案
本题答案:电能表接在交流电路中,当电压线圈两端加以线路电压,电流线圈中
本题解析:试题答案电能表接在交流电路中,当电压线圈两端加以线路电压,电流线圈中流过负载电流时,电压元件和电流 元件就产生不同相位的电压和电流工作磁通,它们分别通过圆盘,并在圆盘中产生相应涡流。于是电压工作磁通与由电流工作磁通产生的感应涡流相互作用,作用的结果在圆盘中就形成以圆盘转轴为中心的转动力矩,使电能表圆盘始终按一个方向转动起来。
146、判断题 电流互感器的误差是指互感器的比差和角差。()
点击查看答案
本题答案:对
本题解析:暂无解析
147、问答题 绘图题:画出三相四线有功电能表接线示意图。
点击查看答案
本题答案:如图E-55所示。
试题答案如图E-55所示。

148、单项选择题 为了提高磁电式机构测量交流电的准确性和灵敏度,加装的整流电路应选用()整流电路。
A.半波;
B.全波;
C.桥式;
D.A.~C.均可。
点击查看答案
本题答案:C
本题解析:暂无解析
149、判断题 直流系统一般不许控制回路与信号回路混用。()
点击查看答案
本题答案:对
本题解析:暂无解析
150、判断题 office2000是由intel公司开发的办公软件。()
点击查看答案
本题答案:错
本题解析:暂无解析
151、问答题 绘图题:画出单相桥式整流电路,并简述其工作原理。
点击查看答案
本题答案:如图E-20所示。电源电压u2在正半周(极性上正下负)
本题解析:试题答案如图E-20所示。电源电压u2在正半周(极性上正下负)时二极管V1、V3导通,V2和V4均因承受反向电压而截止,负载上流过一个自上而下的电流,u2在负半周时,V2、V4导通,V1和V3截止,负载上流过的仍是自上而下的电流,负载RL上的电压就是UL。

152、单项选择题 叠加原理可用于线性电路中()的计算。
A.电流、电压;
B.电流、功率;
C.电压、功率;
D.电流、电压、功率。
点击查看答案
本题答案:A
本题解析:暂无解析
153、问答题 计算题:若三相三线电能表处于满载,即电压互感器输出电压为U为100V,电流互感器输出电流I为5A,且有每周脉冲数n为1,电能表常数C为1500r/kWh,计算出每分钟输入终端的电量脉冲数。
点击查看答案
本题答案:已知有功功率P=
试题答案已知有功功率P=
UIcos
=1.732³100³5³cos
=866cos
(W)
设cos
=1,且P=0.866kW
每转时间
每分钟脉冲数=
≈21.65(个)
在功率因数小于1的情况下,电能表输出脉冲数少于21.65个/min。
每分钟输入终端的电量脉冲约为21.65个。
154、判断题 有功功率大于零,说明电源从负载吸收能量。()
点击查看答案
本题答案:错
本题解析:暂无解析
155、判断题 在同频道干扰中,干扰信号越大,接收机输出的信噪比越大。()
点击查看答案
本题答案:错
本题解析:暂无解析
156、单项选择题 无线电波的频率(f)、波长(λ)、速度(v)三者之间关系正确的公式是()。
A.v=λf;
B.λ=vf;
C.f=λv;
D.λfv=1。
点击查看答案
本题答案:A
本题解析:暂无解析
157、问答题 绘图题:画出三相电动势的波形图和相量图。
点击查看答案
本题答案:如图E-14所示。
试题答案如图E-14所示。

158、单项选择题 R、L串联电路接通直流电源时,表征电感元件中电流增长快慢的时间常数τ=()。
A.RL;
B.
;
C.
;
D.
。
点击查看答案
本题答案:C
本题解析:暂无解析
159、问答题 计算题:某工厂用电三相负荷平衡,装有单相功率表,指示功率P为50kW,电压表指示U为380V,电流表指示I为300A,试求该厂的功率因数和无功功率。
点击查看答案
本题答案:P=50kW、U=380V、I=300A
因
本题解析:试题答案P=50kW、U=380V、I=300A
因为三相负荷平衡,则三相有功功率为
P=50³3=150(kW)
三相视在功率

无功功率为

功率因数为0.76,无功功率为128.4kvar。
160、判断题 三相无功电能表,只有接线错误才可能出现反转。()
点击查看答案
本题答案:错
本题解析:暂无解析
161、问答题 绘图题:简述图E-49的动作过程。

KA-电流继电器;KT-时间继
电器;KCO-出口继电器;
YT-跳闸线圈;K-负控
终端遥控跳闸继电器
点击查看答案
本题答案:(1)过流保护的动作过程:
1)+电源&ra
本题解析:试题答案(1)过流保护的动作过程:
1)+电源→3、4KA触点→KT线圈→-电源;
2)+电源→KT延时触点→KCO线圈→电源-;
3)+电源→KCO动合触点→QF→YT→-电源(YT启动即跳闸)。
(2)速断保护的动作过程:
1)+电源→1、2KA触点→KCO线圈→-电源;
2)+电源→KCO触点→QF→YT→电源-。
(3)负控遥控跳闸的动作过程:
1)负控主台发出跳闸指令→终端跳闸继电器启动→K闭合;
2)+电源→K→KCO线圈→电源-;
3)+电源→KCO触点→QF→YT→-电源。
162、判断题 接入中性点有效接地的高压线路的计量装置,应采用三相四线有功、无功电能表。()
点击查看答案
本题答案:对
本题解析:暂无解析
163、判断题 最大允许频偏是根据频道间隔规定的已调信号瞬时频率,与载频的最大允许差值。()
点击查看答案
本题答案:对
本题解析:暂无解析
164、单项选择题 为解决提高效率和减少静态功耗引起失真的矛盾,通常采用()功率放大器。
A.甲类;
B.乙类;
C.甲乙类;
D.推挽。
点击查看答案
本题答案:D
本题解析:暂无解析
165、判断题 用于发电机和调相机上的交流仪表应不低于1.5级。()
点击查看答案
本题答案:对
本题解析:暂无解析
166、问答题 绘图题:指出图E-13是什么电路,当XL=XC时电路是什么性质,将发生什么?
点击查看答案
本题答案:(1)R-L-C串联电路;
(2)整个电路呈
本题解析:试题答案(1)R-L-C串联电路;
(2)整个电路呈电阻性;
(3)串联谐振。
167、单项选择题 甲类功率放大器集电极损耗,()。
A.无信号输入时大,有信号输入时小,且信号愈大,损耗愈大;
B.无信号输入时大,有信号输入时小,且信号愈大,损耗愈小;
C.无信号输入时小,有信号输入时大,且信号愈大,损耗愈小;
D.无信号输入时小,有信号输入时大,且信号愈大,损耗愈大。
点击查看答案
本题答案:B
本题解析:暂无解析
168、判断题 低压空气断路器在跳闸时,是消弧触头先断开,主触头后断开。()
点击查看答案
本题答案:错
本题解析:暂无解析
169、问答题 简述无线电通信的基本原理。
点击查看答案
本题答案:将带有信息的低频信号加载到高频振荡波上,使高频振荡波的
本题解析:试题答案将带有信息的低频信号加载到高频振荡波上,使高频振荡波的振幅、频率或相位按低频信号的强弱而变化,然后通过天线向空中辐射。各种低频信号加载到不同频率的高频振荡波上,以区分不同的低频信号。接收端的天线把接收到的高频振荡信号送入无线电台的收信机,恢复出低频信号,从而完成信息的无线电传播。
170、判断题 高压供电的用户,只能装设高压电能计量装置。()
点击查看答案
本题答案:错
本题解析:暂无解析
171、单项选择题 终端内额定电压为220V的裸露的带电部分对地和对其他带电部分之间,以及出线端子螺钉对金属盖板之间的空气间隙和爬电距离分别不应小于()。
A.3mm,3mm;
B.3mm,4mm;
C.4mm,3mm;
D.4mm,4mm。
点击查看答案
本题答案:A
本题解析:暂无解析
172、判断题 直射波主要在频率较高的超短波和微波中采用。()
点击查看答案
本题答案:对
本题解析:暂无解析
173、判断题 阻值不随外加电压或流过的电流而改变的电阻叫线性电阻。()
点击查看答案
本题答案:对
本题解析:暂无解析
题库试看结束后
微信扫下方二维码即可打包下载完整版《★电力负荷控制员》题库
手机用户可保存上方二维码到手机中,在微信扫一扫中右上角选择“从相册选取二维码”即可。
题库试看结束后微信扫下方二维码即可打包下载完整版《电力负荷控制员:电力负荷控制员高级工》题库,分栏、分答案解析排版、小字体方便打印背记!经广大会员朋友实战检验,此方法考试通过率大大提高!绝对是您考试过关的不二利器!
手机用户可保存上方二维码到手机中,在微信扫一扫中右上角选择“从相册选取二维码”即可。
微信搜索关注"91考试网"公众号,领30元,获取公务员事业编教师考试资料40G