手机用户可
保存上方二维码到手机中,在
微信扫一扫中右上角选择“从
相册选取二维码”即可。
	       
1、判断题  直流测速发电机的负载阻抗越大,输出特性就越弯曲,测速误差就越大。
                    
 
	
	点击查看答案
 本题答案:错
本题解析:暂无解析
	
	
	        2、问答题  什么是互感器?它有什么用途?
                    
 
	
	点击查看答案
 本题答案:互感器是一种测量电量大小的设备,它是按照变压器原理来工
本题解析:试题答案互感器是一种测量电量大小的设备,它是按照变压器原理来工作的。
互感器可分为电流互感器与电压互感器两种。互感器可将大的电量,按一定比例变换为能用普通标准仪表直接测量的电量。
通常电流互感器的副边额定电流为1A或5A,电压互感器副边的额定电压为100v。
使用互感器进行测量的另一个重要原因是互感器可使测量仪表与原边电路隔离,以保证测试人员的安全;互感器也可以带负载,如供电给各种继电保护装置的测量系统。
	
	
	        3、单项选择题  TMY8X50指的是()导线。
                    
	A、绝缘线
	B、尼龙护套线
	C、镀锡铜编织线
	D、铜母排
 
	
	点击查看答案
 本题答案:D
本题解析:暂无解析
	
	
	        4、判断题  空载电流纯粹是为了建立主磁通,故称之为励磁电流,这个电流空载时和负载时是相同的。
                    
 
	
	点击查看答案
 本题答案:对
本题解析:暂无解析
	
	
	        5、问答题  电器发热的原因是什么?
                    
 
	
	点击查看答案
 本题答案:电器在工作时由于有电流通过导体和线圈而产生电阻损耗。<
本题解析:试题答案电器在工作时由于有电流通过导体和线圈而产生电阻损耗。
在绝缘体内产生介质损耗,所有这些损耗几乎全部都转变为热能引起电器发热。
	
	
	        6、问答题  什么是硅整流机组的均压系数和均流系数?
                    
 
	
	点击查看答案
 本题答案:硅整流机组的均压系数是指串联元件的平均反向电压与串联元
本题解析:试题答案硅整流机组的均压系数是指串联元件的平均反向电压与串联元件中的最高反向电压之比。它是一个小于l的数。其值越大,说明反压分配越均匀。
硅整流机组的均流系数是指流过并联元件中每元件正向电流的平均值与并联元件中最大正向电流之比。它是一个小于1的数,其值越大,则正向电流在并联元件中的分配就越均匀。
	
	
	        7、判断题  旋转变压器是一种电磁耦合程度随转子转角而变化,输出电压与转子转角成某函数关系的电磁元件。
                    
 
	
	点击查看答案
 本题答案:对
本题解析:暂无解析
	
	
	        8、单项选择题  东风7c型内燃机车电路图属于()
                    
	A、原理布线图
	B、原理图
	C、布线图
	D、电势图
 
	
	点击查看答案
 本题答案:A
本题解析:暂无解析
	
	
	        9、填空题  牵引电动机使用了多种绝缘材料和不同的绝缘结构,这些是牵引电动机不造成()故障的重要保证。
                    
 
	
	点击查看答案
 本题答案:短路和接地
本题解析:试题答案短路和接地
	
	
	        10、判断题  自控系统的静差率和机械特性两个概念没有区别,都是用系统转速降和理想空载转速的比值来定义的。
                    
 
	
	点击查看答案
 本题答案:错
本题解析:暂无解析
	
	
	        11、问答题  什么叫直流电机的可逆原理?
                    
 
	
	点击查看答案
 本题答案:直流发电机和直流电动机的结构是完全相同的,每一台电机既
本题解析:试题答案直流发电机和直流电动机的结构是完全相同的,每一台电机既可作为发电机运行,也可作为电动机运行,这一性质称为直流电机的可逆性。
	
	
	        12、问答题  机车控制电器为何采用直流吸引线圈而不用交流吸引线圈?
                    
 
	
	点击查看答案
 本题答案:交流电磁机构的接触器,当线圈通电而衔铁尚未吸合时,有很
本题解析:试题答案交流电磁机构的接触器,当线圈通电而衔铁尚未吸合时,有很大的起动电流。如果衔铁卡住不吸合,或者频繁动作,线圈很可能烧毁。
而直流电增强机构的接触器,因外加电压和线圈电阻不变,流过线圈的电流为一常数而与磁路的气隙大小无关,因此,可靠性高a机车控制电器中采用了直流吸引线圈的接触器,用相应的主触头来通断交流电。
	
	
	        13、填空题  在微机励磁工况时,电阻R1和R2有两个作用,一是限制励磁电流,二是防止()
                    
 
	
	点击查看答案
 本题答案:励磁振荡
本题解析:试题答案励磁振荡
	
	
	        14、单项选择题  东风蛆型内燃机车采用的4Q51型电空接触器主触头的开距是()。
                    
	A、12.5~14mill
	B、14.3~17.5mnl
	C、15.2~18.3nlill
	D、16.8~19.5lnln
 
	
	点击查看答案
 本题答案:B
本题解析:暂无解析
	
	
	        15、填空题  东风4e型内燃机车上共装有4个转换开关,其中两个用于改变机车的(),另外两个用于改变机车牵引或制动的工况。
                    
 
	
	点击查看答案
 本题答案:运行方向
本题解析:试题答案运行方向
	
	
	        16、单项选择题  东风7c型内燃机车牵引电动机电刷其正常间隙沿厚度方向为()。
                    
	A、0.01~0.21mm
	B、0.07~0.26innl
	C、0.08~0.29inln
	D、0.11~0.25mln
 
	
	点击查看答案
 本题答案:B
本题解析:暂无解析
	
	
	        17、问答题  简述东风7c型内燃机车对主电路的过流保护作用。
                    
 
	
	点击查看答案
 本题答案:过流保护电路主要由电流互感器LHl.LH2,整流器ZL
本题解析:试题答案过流保护电路主要由电流互感器LHl.LH2,整流器ZL3,过流继电器U组成。当电路发生过流电流达到6300(1±1%)A时,过流继电器LJ动作,切断励磁实现保护,同时,过流信号灯亮。
	
	
	        18、填空题  在柴油机启动工况时,启动发电机作为(),由蓄电池供电,驱动柴油发电机组。
                    
 
	
	点击查看答案
 本题答案:直流串励电动机
本题解析:试题答案直流串励电动机
	
	
	        19、判断题  为了提高三相异步电动机的起动转矩,可使电源电压高于电机的额定电压,从而获得较好的起动性能。
                    
 
	
	点击查看答案
 本题答案:错
本题解析:暂无解析
	
	
	        20、单项选择题  东风8B型内燃机车采用的ZDl09C型牵引电动机的额定转速是()。
                    
	A、680r/min
	B、732r/min
	C、754r/min
	D、845r/min
 
	
	点击查看答案
 本题答案:C
本题解析:暂无解析
	
	
	        21、单项选择题  东风8B型内燃机车电功率的给定,微机系统主要取自()信号。
                    
	A、司机控制器手柄位置
	B、柴油机转速
	C、柴油机功率齿条位置
	D、油马达位置
 
	
	点击查看答案
 本题答案:B
本题解析:暂无解析
	
	
	        22、单项选择题  东风8B型内燃机车采用的ZTP一63B型电阻制动风机电机的额定电压是()。
                    
	A、260V
	B、300V
	C、315V
	D、330V
 
	
	点击查看答案
 本题答案:A
本题解析:暂无解析
	
	
	        23、单项选择题  东风7c型内燃机车上装有()油压继电器。
                    
	A、4个
	B、5个
	C、6个
	D、7个
 
	
	点击查看答案
 本题答案:A
本题解析:暂无解析
	
	
	        24、填空题  异步电机双层绕组可分为叠绕组和()。
                    
 
	
	点击查看答案
 本题答案:波绕组
本题解析:试题答案波绕组
	
	
	        25、判断题  步进电动机从其本质来说,归属于同步电动机。
                    
 
	
	点击查看答案
 本题答案:对
本题解析:暂无解析
	
	
	        26、问答题  常用的四种滤波方式是什么?
                    
 
	
	点击查看答案
 本题答案:(1)电容滤波;
(2)电感滤波;
本题解析:试题答案(1)电容滤波;
(2)电感滤波;
(3)电容电阻滤波;
(4)电容电感滤波。
	
	
	        27、填空题  锉削方法有三种:()、交叉锉和推锉。
                    
 
	
	点击查看答案
 本题答案:顺向锉
本题解析:试题答案顺向锉
	
	
	        28、判断题  试电笔能分辨出交流电和直流电。
                    
 
	
	点击查看答案
 本题答案:错
本题解析:暂无解析
	
	
	        29、单项选择题  东风ss型内燃机车采用的4Q51型电空接触器主触头的额定电流是()
                    
	A、1100A
	B、1200A
	C、l300A
	D、1400A
 
	
	点击查看答案
 本题答案:A
本题解析:暂无解析
	
	
	        30、判断题  直流电机在带负荷后,对于直流发电机来讲,它的磁极物理中心线是顺电枢旋转方向偏转一个角度。对于直流电动机来讲,它的磁极物理中心线是逆转动方向偏转一个角度。
                    
 
	
	点击查看答案
 本题答案:对
本题解析:暂无解析
	
	
	        31、判断题  并励发电机励磁绕组的连接和电枢旋转方向,要使励磁电流产生的磁场与剩磁通同方向。
                    
 
	
	点击查看答案
 本题答案:对
本题解析:暂无解析
	
	
	        32、问答题  在电阻制动工况时,为什么要把电机的励磁方式由串励式改为他励式?
                    
 
	
	点击查看答案
 本题答案:在电阻制动工况下,对于大功率的牵引电机,把励磁方式接成
本题解析:试题答案在电阻制动工况下,对于大功率的牵引电机,把励磁方式接成他励式是因为只需调节小范围的励磁电流,就可以在广泛范围内调节发电机的端电压来满足机车运行需要。
	
	
	        33、单项选择题  金属导体的电阻随温度升高而增大,其主要原因是()。
                    
	A、电阻率随温度升高而增大
	B、导体长度随温度升高而增加
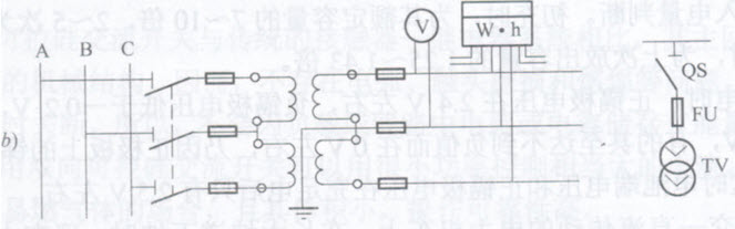
	C、导体截面积随温度升高而增加
	D、其他原因
 
	
	点击查看答案
 本题答案:A
本题解析:暂无解析
	
	
	        34、问答题  简述蓄电池的结构。
                    
 
	
	点击查看答案
 本题答案:蓄电池由正极板、负极板、电解质、隔膜和容器五个主要部分
本题解析:试题答案蓄电池由正极板、负极板、电解质、隔膜和容器五个主要部分组成。
	
	
	        35、判断题  要得到变压器的等效电路,需要先进行变压器的折算。
                    
 
	
	点击查看答案
 本题答案:对
本题解析:暂无解析
	
	
	        36、问答题  电力机车转换开关的作用是什么?
                    
 
	
	点击查看答案
 本题答案:电力机车转换开关用来转换接通主电路,一是改变牵引电动机
本题解析:试题答案电力机车转换开关用来转换接通主电路,一是改变牵引电动机励磁绕组中电流的方向;二是实现机车由牵引工况转换为电阻制动工况。
	
	
	        37、问答题  电机产生电磁火花的原因是什么?
                    
 
	
	点击查看答案
 本题答案:电枢电流经过电刷换向时,由于受到某些磁场的作用,换向元
本题解析:试题答案电枢电流经过电刷换向时,由于受到某些磁场的作用,换向元件将感应出一些电势。
这些电势作用在换向元件的闭合回路内,会产生一个附加电流I,当主足够大时,便会在电刷下产生火花。
	
	
	        38、问答题  串联稳压电路中三极管的作用是什么?
                    
 
	
	点击查看答案
 本题答案:三极管相当于一个可变电阻串联在负载电路中,起着调整输出
本题解析:试题答案三极管相当于一个可变电阻串联在负载电路中,起着调整输出电压的作用。
	
	
	        39、单项选择题  东风7c型内燃机车各牵引电动机的电流分配不均匀度在全磁场工况不大于()。
                    
	A、8%
	B、7%
	C、6%
	D、5%
 
	
	点击查看答案
 本题答案:A
本题解析:暂无解析
	
	
	        40、单项选择题  半波整流时,二极管实际承受的反向电压的最大值,出现在二极管()。。
                    
	A、截止时
	B、导通时
	C、由截止转导通时
	D、由导通转截止时
 
	
	点击查看答案
 本题答案:A 
本题解析:暂无解析
	
	
	        41、问答题  什么是基波?什么是谐波?谐波的存在有何危害?如何抑制谐波?
                    
 
	
	点击查看答案
 本题答案:我们在进行理论分析正弦交流电信号时,考虑的是理想的正弦
本题解析:试题答案我们在进行理论分析正弦交流电信号时,考虑的是理想的正弦波信号,如频率为50Hz时,我们就称频率50Hz的正弦(或余弦)波为基波。但实际的交流信号都不是理想的正弦波,含有不少的非基波成分,这些成分按照波形分析理论可分解为基波频率的整数倍,若是基波频率的3,5,7,9…等奇数倍,称之为奇次谐波。若是基波频率的2,4,6,8…等偶次倍数,称之为偶次谐波。偶次谐波、奇次谐波均称为谐波。谐波成分的存在会在电网里引起阻抗压降,在发电机端也会造成谐波压降,使得电网电压波形发生畸变。这种畸变将影响与它并联连接的负载,会引起异步电动机转矩降低、损耗增加、温升增高、振动及噪声增大:使同步电动机转矩不均;使电源变压器的损耗增加、噪声增大:使保护继电器误动作;使电子计算机等精密电子器件运行不正常;对微弱信号线、测量线的感应干扰,使测量仪表误差增大;导致并联运行的晶闸管装置互相干扰而使装置的控制失调;还给电信设备带来严重的电磁干扰等等。
防止谐波危害,其常用抑制方法有:
(1)装设谐波滤波器。一般采用LC串联的滤波器,选择影响最严重的低次谐波配备LC参数加以滤除。
(2)加大变压器漏抗。增大变压器漏抗,可以抑制变压器次边变流器工作过程中对变压器原边的影响,使变压器原边电流波形更接近正弦波。
(3)在变流器结构设计中,尽可能采用多相、多重或多段桥式变流,从而缓和单相大桥单独控制时电流波形大的变化。
	
	
	        42、填空题  电机在选择时应根据负载的要求,尽量可能使电机运行在()值附近。
                    
 
	
	点击查看答案
 本题答案:额定值
本题解析:试题答案额定值
	
	
	        43、问答题  简述钳型电流表的工作原理。
                    
 
	
	点击查看答案
 本题答案:钳型电流表实质上是由一个电流互感器和一个电磁电流表或整
本题解析:试题答案钳型电流表实质上是由一个电流互感器和一个电磁电流表或整流器电流表组成。
被测载流导线相当于电流互感器的一次侧绕组,这样通过磁感应次级线圈中就有感应电流流过,和次级线圈相连的电流表便发生偏转,从而指示出被测电流的数值。
	
	
	        44、单项选择题  东风8B型内燃机车采用的4Q5型电阻制动短接接触器传动部分额定压力为()a
                    
	A、500kPa
	B、600kPa
	C、700kPa
	D、800kPa
 
	
	点击查看答案
 本题答案:A
本题解析:暂无解析
	
	
	        45、填空题  锉削外圆弧面,目前采用两种方法:一种是横着锉,另一种是()。
                    
 
	
	点击查看答案
 本题答案:浮充电
本题解析:试题答案浮充电
	
	
	        46、单项选择题  东风7D型内燃机车正常运行时,其机车主发电机最高电压不得大于()。
                    
	A、570V
	B、670V
	C、770V
	D、870V
 
	
	点击查看答案
 本题答案:C
本题解析:暂无解析
	
	
	        47、问答题  自藕变压器的特点是什么?
                    
 
	
	点击查看答案
 本题答案:自耦变压器的特点是每相至少有两个绕组具有公共部分。
本题解析:试题答案自耦变压器的特点是每相至少有两个绕组具有公共部分。
	
	
	        48、判断题  直流电动机的机械特性是指电动机端电压和剩磁电流等于额定值时,电动机转速与转矩的关系。
                    
 
	
	点击查看答案
 本题答案:对
本题解析:暂无解析
	
	
	        49、单项选择题  内燃机车接地继电器动作将直接引起()动作。
                    
	A、接地闸刀
	B、线路接触器
	C、励磁接触器
	D、辅机接触器
 
	
	点击查看答案
 本题答案:C
本题解析:暂无解析
	
	
	        50、问答题  直流电机例行试验的一般程序是什么?
                    
 
	
	点击查看答案
 本题答案:(1)电机外观检查及其外形尺寸和安装尺寸的检查
本题解析:试题答案(1)电机外观检查及其外形尺寸和安装尺寸的检查
(2)绕组在实际冷态下直流电阻的测定;
(3)小时定额下的温升试验:
(4)速率特性曲线绘制;
(5)超速试验;
(6)电枢绕组匝间绝缘介电强度试验;
(7)换向器跳动量检查:
(8)换向试验:
(9)绕组对机座及绕组相互间绝缘电阻的测定:
(10)绕组对机座及绕组相互间绝缘介电强度试验。
	
	
	        51、填空题  电传动机车串励电动机的工作特性符合机车()特性的要求。
                    
 
	
	点击查看答案
 本题答案:理想牵引
本题解析:试题答案理想牵引
	
	
	        52、填空题  直流电机的电枢绕组最基本的有()和单波绕组。
                    
 
	
	点击查看答案
 本题答案:单叠绕组
本题解析:试题答案单叠绕组
	
	
	        53、判断题  同步电动机的主磁场是由定子绕组通以三相交流电流而产生的。
                    
 
	
	点击查看答案
 本题答案:错
本题解析:暂无解析
	
	
	        54、问答题  过电压有何危害?
                    
 
	
	点击查看答案
 本题答案:过电压往往使电器触头产生电弧而烧损,使直流电机的绕组线
本题解析:试题答案过电压往往使电器触头产生电弧而烧损,使直流电机的绕组线圈引起绝缘击穿等事故。
	
	
	        55、单项选择题  东风7c型内燃机车牵引发电机电刷压力应在()范围内。
                    
	A、20~25N
	B、25~30N
	C、30~35N
	D、35~40N
 
	
	点击查看答案
 本题答案:A
本题解析:暂无解析
	
	
	        56、判断题  三相异步电动机转子的转速越低,电机的转差率越大,转子电动势频率越高。
                    
 
	
	点击查看答案
 本题答案:对
本题解析:暂无解析
	
	
	        57、填空题  接触器的触头处于断开状态时必须有足够的(),以保证可靠地熄灭电弧和开断电路。
                    
 
	
	点击查看答案
 本题答案:开距
本题解析:试题答案开距
	
	
	        58、单项选择题  东风7c型内燃机车牵引电动机额定功率是()。
                    
	A、410kW
	B、430kW
	C、450kW
	D、480kW
 
	
	点击查看答案
 本题答案:A
本题解析:暂无解析
	
	
	        59、填空题  直流电机电磁转矩的大小,可根据()求得。
                    
 
	
	点击查看答案
 本题答案:电磁力定律
本题解析:试题答案电磁力定律
	
	
	        60、填空题  变压器按结构分类主要有芯式变压器和()。
                    
 
	
	点击查看答案
 本题答案:壳式变压器
本题解析:试题答案壳式变压器
	
	
	        61、填空题  机车相控是通过改变晶闸管的()来进行调压的。
                    
 
	
	点击查看答案
 本题答案:导通角
本题解析:试题答案导通角
	
	
	        62、判断题  串励牵引电动机通过励磁绕组的电流等于电枢电流时,为最大磁场。
                    
 
	
	点击查看答案
 本题答案:错
本题解析:暂无解析
	
	
	        63、问答题  什么是串励电机的软特性?有何优点?
                    
 
	
	点击查看答案
 本题答案:直流串励电机的软特性是指串励电机的速率特性具有当负载增
本题解析:试题答案直流串励电机的软特性是指串励电机的速率特性具有当负载增加时,转速下降得很快,也就是特性较软。串励电机的软特性应用在电力机车上具有下列优点:
(1)串励电动机有较好的自调节性能。
(2)串励电动机的功率利用较好,可以合理地利用机车上各种电器设备的容量。
(3)串励牵引电机有较大的起动牵引力。
(4)在电机数台并联时,各串联电动机的负载分配较均匀。但是,机车一亡采用串励电动机做牵引电机也有它的缺点,主要缺点有:当机车动轮因为黏着破坏而发生空转时,黏着不易恢复;其次,在电气制动时,由于串励发电机特性不稳定,需将串激改为他激,增加了机车设备。
	
	
	        64、填空题  三相异步电动机的旋转方向取决于()的旋转方向。
                    
 
	
	点击查看答案
 本题答案:定子旋转磁场
本题解析:试题答案定子旋转磁场
	
	
	        65、填空题  牵引电机采用()结构的电刷。
                    
 
	
	点击查看答案
 本题答案:分裂式
本题解析:试题答案分裂式
	
	
	        66、问答题  电力机车主变压器按结构可分为几类?各是什么?
                    
 
	
	点击查看答案
 本题答案:可分为两类,即芯式和壳式变压器。
本题解析:试题答案可分为两类,即芯式和壳式变压器。
	
	
	        67、单项选择题  东风8B型内燃机车采用的4Q51型电空接触器辅助触头的额定电压是()。
                    
	A、100V
	B、110V
	C、120V
	D、130V
 
	
	点击查看答案
 本题答案:B
本题解析:暂无解析
	
	
	        68、单项选择题  东风。n型内燃机车牵引发电机额定容量为()。
                    
	A、2800kV•A
	B、2985kV•A
	C、3000kV•A
	D、3100kV•A
 
	
	点击查看答案
 本题答案:B
本题解析:暂无解析
	
	
	        69、填空题  锯条的选用应该根据锯割工件的材料、硬度和()来决定。
                    
 
	
	点击查看答案
 本题答案:厚薄
本题解析:试题答案厚薄
	
	
	        70、单项选择题  东风型内燃机车主整流柜的最大直流输出电压是()。
                    
	A、600V
	B、800V
	C、1000V
	D、1200V
 
	
	点击查看答案
 本题答案:C
本题解析:暂无解析
	
	
	        71、问答题  什么是电器的热稳定性?
                    
 
	
	点击查看答案
 本题答案:电器的热稳定性是指在一定时间内能承受短路电流(或所规定
本题解析:试题答案电器的热稳定性是指在一定时间内能承受短路电流(或所规定的等值电流)的热作用而不发生损坏的能力。
	
	
	        72、问答题  怎样使用指针式万用表?
                    
 
	
	点击查看答案
 本题答案:指针式万用表可用来测量直流电流、交直流电压以及电阻。按
本题解析:试题答案指针式万用表可用来测量直流电流、交直流电压以及电阻。按需要测量的内容,将“转换开关”转到需测的挡位上。在使用指针式万用表之前,应先检查指针是否在零位,如果不在零位,通过表面上的机械零位进行调整。
直流电压测量:转换开关位置指向“V”,如果预先不知道电压的大小时,应由高到低调节电压量程挡位,然后读出数值。’对于测量直流电压,必须判断电压的极性。
表面上的“+”插口接被测量电路的正极,“-”插口接被测电路的负极,千万不能接反。交流电压测量:转换开关位置指向“V”。如果预先不知道电压的高低,应由高到低调节电压量程挡位,直到指针停留在刻度盘中部位置读出电压值,当测量交流电压在500V以上时,要选用0~2500V的高压测量插口。
电流测量:将转换开关拨向“mA”挡位上,然后注意把万用表串入被测电路中。如果万用表有交流电流测量功能时,则应将转换开关拨向“A”挡。电阻测量:将转换开关拨向“Ω”挡位上,然后将两根表棒短接,旋动“Ω”调零旋钮,使表针指在0Ω上,如果表针始终调不到零值,说明表内电池不足,应更换新电池。表盘上刻有1,10,100,1k,10k的符号,表示倍率。测量电阻值时,表头读数和倍率的乘积就是被测电阻值。在测量电阻时,千万注意将被测电路电源切断,一定要不带电测量才行。
	
	
	        73、填空题  ()是为形象描述磁场的强弱和方向而引入的假想线。
                    
 
	
	点击查看答案
 本题答案:磁力线
本题解析:试题答案磁力线
	
	
	        74、填空题  触头按工作情况可分为()和无载开闭两种。
                    
 
	
	点击查看答案
 本题答案:有载开闭
本题解析:试题答案有载开闭
	
	
	        75、问答题  什么叫击穿?
                    
 
	
	点击查看答案
 本题答案:绝缘物质在电场作用下发生剧烈放电或闪络的现象叫击穿。<
本题解析:试题答案绝缘物质在电场作用下发生剧烈放电或闪络的现象叫击穿。
	
	
	        76、问答题  磁放大器的工作原理是什么?
                    
 
	
	点击查看答案
 本题答案:磁放大器是利用直流小功率的信号来控制较大的交流功率的常
本题解析:试题答案磁放大器是利用直流小功率的信号来控制较大的交流功率的常用电器。磁放大器(又称饱和电抗器)实质上是一只可变的电感,它由绕在闭合铁芯上的两组绕组组成。其中一组工作绕组通有交流电与负载相接,另一组绕组(控制绕组)通有直流电(或低频交流电)。
铁芯上同时加有交流和直流两种励磁电流。因为铁磁材料B~H关系具有非线性的特点,当改变直流励磁电流的大小时,铁芯的导磁率也改变,从而使工作绕组的阻抗发生变化,负载电流相应也发生变化。即用较小的控制电流(励磁电流)变化,来达到控制较大的负载电流的目的,这就是磁放大器的工作原理。
	
	
	        77、问答题  TBQ8-4923/25型主变压器有几种线圈?
                    
 
	
	点击查看答案
 本题答案:TBQ8-4923/25型主变压器的线圈有三种:高压线
本题解析:试题答案TBQ8-4923/25型主变压器的线圈有三种:高压线圈、牵引线圈、辅助线圈、励磁线圈。
	
	
	        78、判断题  在我国的额定电网上,一台十级同步电机的转速一定是600r/min。
                    
 
	
	点击查看答案
 本题答案:对
本题解析:暂无解析
	
	
	        79、判断题  串励直流电动机具有较大的起动转矩,当负载转矩增加,电机转速自动下降,从而功率变化不大。
                    
 
	
	点击查看答案
 本题答案:对
本题解析:暂无解析
	
	
	        80、填空题  在做绝缘测试时,对电子元件,半导体元件进行()保护。
                    
 
	
	点击查看答案
 本题答案:封锁或隔离
本题解析:试题答案封锁或隔离
	
	
	        81、判断题  变压器油既是绝缘介质,又是冷却介质。
                    
 
	
	点击查看答案
 本题答案:对
本题解析:暂无解析
	
	
	        82、问答题  整流元件的过电压是如何产生的?如何进行过压保护?
                    
 
	
	点击查看答案
 本题答案:整流电路中常常接有电感元件,由于电感元件中的电流不能突
本题解析:试题答案整流电路中常常接有电感元件,由于电感元件中的电流不能突变,所以当整流电路导通、关断时,电感元件两端都会感应出一个很大的反电势,在电路中引起过电压:此外,当熔断器熔断或者从电源侵入外界高压时,在电路中都会产生超过正常值的过电压。过电压保护的主要方法是在电路中并联阻容元件。
当发生过电压时,先由电容吸收能量(给电容充电),且在电阻上消耗一部分能量,当过电压消失后,电容放电,将前边所充的能量通过电阻释放。
	
	
	        83、填空题  三相异步电动机最大转矩与额定转矩之比,称为电动机的()
                    
 
	
	点击查看答案
 本题答案:过载能力
本题解析:试题答案过载能力
	
	
	        84、判断题  电路中引入负反馈后,只能减小非线性失真,而不能消除失真。
                    
 
	
	点击查看答案
 本题答案:错
本题解析:暂无解析
	
	
	        85、问答题  采用微机控制的电力机车,牵引电机无电流的原因有哪些?
                    
 
	
	点击查看答案
 本题答案:牵引电机无流分为正常来源:www.91exam.org无流和故障无流。
(1)
本题解析:试题答案牵引电机无流分为正常无流和故障无流。
(1)引起正常无流的原因有系统卸载、手柄位置不当、自动过分相和外部复位。
(2)引起故障无流的原因有微机电源不正常、无牵引制动响应信号、没有预备好、无司机给定、无牵引或制动命令、主电路未构成、脉冲封锁。
产生脉冲封锁的原因有9种,架切除时,该架不需要触发脉冲:既非牵引,又非制动时,将指令清零而封锁脉冲;由于转向架故障(如电机过流、电机过压、超速、小齿轮迟缓)、桥过流、励磁过流、网压过压或欠压时,在保护电器动作前,先要封锁触发脉冲;微机本身如果插件未插到位,使系统处于复位状态而封锁脉冲;微机内部脉冲控制器(NCTR)的移相指令来自它与单板机(SBC)的通信,如果通信失败持续一定时间,NCTR将封锁触发脉冲。
	
	
	        86、填空题  ()是把非电能转换成电能、向负载提供电能的装置。
                    
 
	
	点击查看答案
 本题答案:电源
本题解析:试题答案电源
	
	
	        87、判断题  几个数字相加或相减时,以有效数字位数最少的数为标准,弃去过多的位数,然后进行加减。()
                    
 
	
	点击查看答案
 本题答案:对
本题解析:暂无解析
	
	
	        88、单项选择题  东风8B型内燃机车采用的ZTP一63B型电阻制动风机电机的效率是()。
                    
	A、84.6%
	B、90.6%
	C、97%
	D、99%
 
	
	点击查看答案
 本题答案:A
本题解析:暂无解析
	
	
	        89、单项选择题  东风7c型内燃机车使用的蓄电池是由()串联的单节蓄电池组成的。
                    
	A、30个
	B、 91ExAM.org40个 
	C、48个 
	D、50个
 
	
	点击查看答案
 本题答案:C
本题解析:暂无解析
	
	
	        90、单项选择题  东风7D型内燃机车主发电机的功率因数是()。
                    
	A、0.95
	B、1
	C、1.05
	D、1.2
 
	
	点击查看答案
 本题答案:A
本题解析:暂无解析
	
	
	        91、判断题  JT一1型晶体管特性图示仪可对晶体三极管的参数定性、定量测量。
                    
 
	
	点击查看答案
 本题答案:对
本题解析:暂无解析
	
	
	        92、判断题  要使他励直流电动机反转必须改变电枢绕组的电流方向和励磁绕组的电流方向。
                    
 
	
	点击查看答案
 本题答案:错
本题解析:暂无解析
	
	
	        93、单项选择题  东风8B型内燃机车使用的LW5型万能转换开关里面共有()故障转换开关。
                    
	A、6个
	B、7个
	C、8个
	D、9个
 
	
	点击查看答案
 本题答案:A
本题解析:暂无解析
	
	
	        94、判断来源:91考试网 91Exam.org题  电流互感器的一、二次线圈同名端是按减极性表示的。
                    
 
	
	点击查看答案
 本题答案:对
本题解析:暂无解析
	
	
	        95、单项选择题  东风8B型内燃机车采用的ZDl09C型牵引电动机的最小恒功电流为()。
                    
	A、575A
	B、635A
	C、730A
	D、845A
 
	
	点击查看答案
 本题答案:A
本题解析:暂无解析
	
	
	        96、填空题  东风8e型内燃机车微机系统采用()式温度传感器。
                    
 
	
	点击查看答案
 本题答案:热电阻
本题解析:试题答案热电阻
	
	
	        97、单项选择题  东风7D型内燃机车牵引电动机标定功率是()。
                    
	A、210kW
	B、310kW
	C、410kW
	D、500kW
 
	
	点击查看答案
 本题答案:C
本题解析:暂无解析
	
	
	        98、单项选择题  交流传动电力机车,采用交流异步电动机作为牵引电动机的优点是()。
                    
	A、恒功调速范围宽
	B、功率因数高
	C、向前、向后转换方便
	D、以上都对
 
	
	点击查看答案
 本题答案:D
本题解析:暂无解析
	
	
	        99、问答题  什么是触头的有害振动和无害振动?如何减小触头的机械振动?
                    
 
	
	点击查看答案
 本题答案:在触头振动过程中,如果碰撞后触头不会分离,这样的振动不
本题解析:试题答案在触头振动过程中,如果碰撞后触头不会分离,这样的振动不会产生电弧,对触头无害,因而称之为无害振动。反之,碰撞后动静触头分离,形成断开电路的气隙,在触头问产生电弧,严重影响触头寿命,故称之为有害振动。减小触头振动有如下几种方法:
(1)使触头具有一定的初压力。
(2)降低动触头的闭合速度,以减小碰撞动能。
(3)Nd,~N头的质量,以减小碰撞动能,从而减小触头的振幅。
(4)对于电磁式电器,减小衔铁和静铁芯碰撞时引起的磁系统的振动,以减小触头的二次振动。
	
	
	        100、填空题  电容器安结构分为固定电容器、()、半可变电容器三种。
                    
 
	
	点击查看答案
 本题答案:可变电容器
本题解析:试题答案可变电容器
	
	
	        101、问答题  交流电器发热的原因是什么?
                    
 
	
	点击查看答案
 本题答案:由于交变电磁场的作用,在铁磁体内产生涡流和磁滞损耗。在
本题解析:试题答案由于交变电磁场的作用,在铁磁体内产生涡流和磁滞损耗。在绝缘体内产生介质损耗。
这些损耗几乎全部都转变为热能。其中一部分散失到周围介质中,另一部分加热电器本身,使其温度升高。
	
	
	        102、判断题  CZ5—22—10/22型直流电磁接触器用于直流380V控制电路对前照灯的控制。
                    
 
	
	点击查看答案
 本题答案:错
本题解析:暂无解析
	
	
	        103、单项选择题  东风8B型内燃机车采用的JGIA05B型感应子牵引励磁机的电机重量是()。
                    
	A、355kg
	B、400kg
	C、455kg
	D、500kg
 
	
	点击查看答案
 本题答案:A
本题解析:暂无解析
	
	
	        104、单项选择题  东风4型内燃机车上装有4个结构相同的油压继电器1YJ~4YJ。当润滑油压力低于()时,3YJ~4YJ释放,励磁接触器线圈失电,柴油机卸载。
                    
	A、160kPa
	B、170kPa
	C、180kPa
	D、190kPa
 
	
	点击查看答案
 本题答案:D
本题解析:暂无解析
	
	
	        105、判断题  三相交流电的相序可用颜色黄A、,绿B、,红C、来表示。
                    
 
	
	点击查看答案
 本题答案:对
本题解析:暂无解析
	
	
	        106、判断题  因为辅助触头往往起某种电气联锁作用,所以也称联锁触头。
                    
 
	
	点击查看答案
 本题答案:对
本题解析:暂无解析
	
	
	        107、填空题  东风8B型内燃机车微机系统主要由微机控制柜、()、彩色液晶显示屏和各类传感器等软硬件系统组成。
                    
 
	
	点击查看答案
 本题答案:控制软件
本题解析:试题答案控制软件
	
	
	        108、问答题  电刷性能和结构对电机换向影响很大,在使用中应注意什么?
                    
 
	
	点击查看答案
 本题答案:(1)在同一台电机中,必须采用相同牌号的电刷。否则,会
本题解析:试题答案(1)在同一台电机中,必须采用相同牌号的电刷。否则,会由于接触电阻大小不同造成电刷间负载分配不均,使接触电阻小的电刷因电流较大而使换向恶化。
(2)在牵引电机中,电刷电流密度一般在12~16A/cm2的范围内。因为,电刷是以接触压降来表示的,接触压降和电流密度有关,当电刷电流密度较小时,随着电流增加,接触压降随之增大,当电流密度达到~定数值后,接触压降不再增加,此时,换向回路的接触电阻随电流密度增大而减小,这对换向是十分不利的。因此,对电刷的密度有一定的限制。
(3)对于抱轴式悬挂的牵引电动机,电刷上单位压力一般取2.94~3.29N/cm2。因为压力太大将使电刷磨损加快,压力过小会使电刷跳动产生火花。
	
	
	        109、问答题  自耦变压器的特点是什么?
                    
 
	
	点击查看答案
 本题答案:自耦变压器的特点是每相至少有两个绕组具有公共部分。
本题解析:试题答案自耦变压器的特点是每相至少有两个绕组具有公共部分。
	
	
	        110、单项选择题  关于东风8B型内燃机车上使用的YS一3型双针电表的用途,说法正确的是()。
                    
	A、测量同步发电机直流输出
	B、测量蓄电池充放电电流
	C、测量同步主发电机输出电压
	D、以上三种都包括
 
	
	点击查看答案
 本题答案:D
本题解析:暂无解析
	
	
	        111、填空题  东风8B型内燃机车速度表与机车速度()配套使用。
                    
 
	
	点击查看答案
 本题答案:监控系统
本题解析:试题答案监控系统
	
	
	        112、单项选择题  异步电动机的气隙是很小的,中小型电机气隙一般为()。
                    
	A、0.1~1.5mm
	B、0.2~2mm
	C、0.3~2mm
	D、0.3~2.5mm
 
	
	点击查看答案
 本题答案:B
本题解析:暂无解析
	
	
	        113、填空题  基耳霍夫第二定律也叫()。
                    
 
	
	点击查看答案
 本题答案:回路电压定律
本题解析:试题答案回路电压定律
	
	
	        114、判断题  改变异步电机的转向,只要改变定子三相绕组的电流相序即可。
                    
 
	
	点击查看答案
 本题答案:对
本题解析:暂无解析
	
	
	        115、填空题  东风8B型内燃机车电阻制动工况的最高转速为()。
                    
 
	
	点击查看答案
 本题答案:840r/rain
本题解析:试题答案840r/rain
	
	
	        116、填空题  如果在1s内通过导体横截面的电量是1c,则导体中的电流就是()。
                    
 
	
	点击查看答案
 本题答案:1A
本题解析:试题答案1A
	
	
	        117、问答题  接地开关DK置于运转位时,主电路任何一点接地,接地继电器DJ为何都能动作?
                    
 
	
	点击查看答案
 本题答案:接地开关DK置于运转位时,DJ线圈的一端与三相 绕组的中
本题解析:试题答案接地开关DK置于运转位时,DJ线圈的一端与三相绕组的中点0连接,因点电位为零,主电路其他各点与。点均有电位差,所以主是路直流侧任何一点接地,都有促使DJ线圈动作的电流流过,产生足够的电磁吸力,使DJ动作。
	
	
	        118、单项选择题  电阻制动是将电制动产生的电能转变为()消耗掉。
                    
	A、电能
	B、机械能
	C、化学能
	D、热能
 
	
	点击查看答案
 本题答案:A
本题解析:暂无解析
	
	
	        119、判断题  直流发电机的可以采用旋转磁场而磁极布置在定子上。
                    
 
	
	点击查看答案
 本题答案:错
本题解析:暂无解析
	
	
	        120、问答题  晶体管放大状态的工作特点是什么?
                    
 
	
	点击查看答案
 本题答案:晶体管工作在放大区时,发射结处于正向偏置,集电结处于反
本题解析:试题答案晶体管工作在放大区时,发射结处于正向偏置,集电结处于反向偏置。
基极电流在一个较宽的范围内变动时,Ib的较小变化都将引起IC,较大的变化,输入端的基极电流,Ib与输出端的集电极电流,IC之间近似地成线性比例关系,即IC=βIb。
	
	
	        121、填空题  流过导体的电流与这段导体两端的电压成(),与这段导体的电阻成反比。
                    
 
	
	点击查看答案
 本题答案:正比
本题解析:试题答案正比
	
	
	        122、填空题  为改善低速时的电阻制动性能,东风8B型内燃机车设置()。
                    
 
	
	点击查看答案
 本题答案:二级电阻制动
本题解析:试题答案二级电阻制动
	
	
	        123、单项选择题  东风8B型内燃机车DZ5—25型自动开关的触头额定电流为()。
                    
	A、25A
	B、35A
	C、40A
	D、45A
 
	
	点击查看答案
 本题答案:A
本题解析:暂无解析
	
	
	        124、单项选择题  东风7c型内燃机车为一级磁场削弱,其牵引电动机的磁场削弱系数为()。
                    
	A、70%
	B、60%
	C、50%
	D、40%
 
	
	点击查看答案
 本题答案:B
本题解析:暂无解析
	
	
	        125、判断题  东风8B型内燃机车采用加馈电阻制动为提高机车在低速的制动力。
                    
 
	
	点击查看答案
 本题答案:错
本题解析:暂无解析
	
	
	        126、问答题  什么是电器的长期工作制?
                    
 
	
	点击查看答案
 本题答案:电器的长期工作制是指电器通电后连续工作到发热稳定,此时
本题解析:试题答案电器的长期工作制是指电器通电后连续工作到发热稳定,此时温升达到稳定值。
	
	
	        127、判断题  电桥的灵敏度只取决于所用检流计的灵敏度,而与其他因素无关。
                    
 
	
	点击查看答案
 本题答案:错
本题解析:暂无解析
	
	
	        128、判断题  随着温度的升高,泄漏电流值显著下降。
                    
 
	
	点击查看答案
 本题答案:错
本题解析:暂无解析
	
	
	        129、判断题  负载变化时所引起的变压器二次电压的变化既和负载的大小和性质有关,也和变压器本身的特性有关。
                    
 
	
	点击查看答案
 本题答案:对
本题解析:暂无解析
	
	
	        130、判断题  某型内燃机车采用无级磁场削弱,则它可以磁削到主磁场几乎为零。
                    
 
	
	点击查看答案
 本题答案:错
本题解析:暂无解析
	
	
	        131、判断题  杯形转子异步测速发电机励磁绕组都安装在外定子上,而输出绕组都安装在内定子。
                    
 
	
	点击查看答案
 本题答案:错
本题解析:暂无解析
	
	
	        132、判断题  三相异步电动机的转速取决于电源频率和极对数,而与转差率无关。
                    
 
	
	点击查看答案
 本题答案:错
本题解析:暂无解析
	
	
	        133、问答题  什么是绝缘材料的耐热等级?共分几级?
                    
 
	
	点击查看答案
 本题答案:绝缘材料的耐热等级是指该绝缘材料在正常条件下允许的最高
本题解析:试题答案绝缘材料的耐热等级是指该绝缘材料在正常条件下允许的最高工作温度,即耐热程度,可分为七级:Y,A,E,B,F,H,C。
	
	
	        134、判断题  自耦变压器与双绕组变压器不一样,只有主磁通。
                    
 
	
	点击查看答案
 本题答案:错
本题解析:暂无解析
	
	
	        135、填空题  在电路中,电感对()所呈现的阻力称为感抗。
                    
 
	
	点击查看答案
 本题答案:交变电流
本题解析:试题答案交变电流
	
	
	        136、问答题  串联稳压电路三极管的作用是什么?
                    
 
	
	点击查看答案
 本题答案:三极管相当于一个可变电阻串联在负载电路中,起着调整输出
本题解析:试题答案三极管相当于一个可变电阻串联在负载电路中,起着调整输出电压的作用。
	
	
	        137、填空题  东风4B型内燃机车TKH6型转换开关主触头额定电流为直流()。
                    
 
	
	点击查看答案
 本题答案:800A
本题解析:试题答案800A
	
	
	        138、单项选择题  东风8B型内燃机车采用的ZDl09C型牵引电动机的最高电压是()。
                    
	A、980V
	B、1000V
	C、1100V
	D、l200V
 
	
	点击查看答案
 本题答案:A
本题解析:暂无解析
	
	
	        139、填空题  三态门的三种状态是指输出端呈低电平、高电平和()
                    
 
	
	点击查看答案
 本题答案:高阻状态
本题解析:试题答案高阻状态
	
	
	        140、问答题  试述钳形电流表的工作原理。
                    
 
	
	点击查看答案
 本题答 案:钳形电流表实质上是由一个电流互感器和一个电磁电流表或整
本题解析:试题答案钳形电流表实质上是由一个电流互感器和一个电磁电流表或整流器电流表组成。
被测载流导线相当于电流互感器的一次侧绕组,这样通过磁感应次级线圈中就有感应电流流过,和次级线圈相连的电流表便发生偏转,从而指示出被测电流的数值。
	
	
	        141、填空题  三相异步电动机的制动方法有两类:()和电气制动。
                    
 
	
	点击查看答案
 本题答案:机械制动
本题解析:试题答案机械制动
	
	
	        142、单项选择题  东风4c型内燃机车上安装了压力继电器5YJ,当机车进行紧急制动时,来自风管的风压达到()时,5YJ动作。
                    
	A、170kPa
	B、180kPa
	C、190kPa
	D、200kPa
 
	
	点击查看答案
 本题答案:D
本题解析:暂无解析
	
	
	        143、判断题  一台三相异步电动机的三相绕组为星形连接,每相绕组由4条支路组成,今用电桥测得A相电阻为0.1,B相电阻为0.05,C相电阻为0.05,由此可判定A相绕组有2条支路断路。
                    
 
	
	点击查看答案
 本题答案:对
本题解析:暂无解析
	
	
	        144、填空题  由一个或几个元件依次相接构成的()叫支路。
                    
 
	
	点击查看答案
 本题答案:无分支电路
本题解析:试题答案无分支电路
	
	
	        145、判断题  修理变压器时,若一、二次绕组都少绕了4%的匝数,则额定电压应适当减少。额定输出功率也适当降低。
                    
 
	
	点击查看答案
 本题答案:对
本题解析:暂无解析
	
	
	        146、填空题  电阻两端的电压常叫做()。
                    
 
	
	点击查看答案
 本题答案:电压降
本题解析:试题答案电压降
	
	
	        147、问答题  改变直流电动机转向的方法是什么?
                    
 
	
	点击查看答案
 本题答案:对于直流电动机而言,决定电机转向的因素有电枢端电压的极
本题解析:试题答案对于直流电动机而言,决定电机转向的因素有电枢端电压的极性和主极磁通的极性:对他励电机而言,独立地改变外加电压或励磁电流的方向,即可改变转向;对并励电机而言,只要将励磁绕组反接,就可改变转向;对串联电机而言,可改变励磁绕组的接线方向,通过绕组的正、反接来改变转向。
	
	
	        148、单项选择题  东风8s型内燃机车采用的4Qs,型电空接触器辅助触头的额定电流是()。
                    
	A、5A
	B、10A
	C、15A
	D、20A
 
	
	点击查看答案
 本题答案:A
本题解析:暂无解析
	
	
	        149、单项选择题  东风8B型内燃机车采用的4Q5型电阻制动短接接触器主触头的额定电压为()。
                    
	A、l000V
	B、1200V
	C、1300V
	D、1400V
 
	
	点击查看答案
 本题答案:A
本题解析:暂无解析
	
	
	        150、单项选择题  东风8B型内燃机车采用的4Q2B型组合接触器主触头超程()。
                    
	A、≥7mln
	B、≥8nlin
	C、≥9n’LITl
	D、≥101Tim
 
	
	点击查看答案
 本题答案:A
本题解析:暂无解析
	
	
	        151、填空题  负载通常也称为(),是将电能转变成其他形式能的元器件或设备。
                    
 
	
	点击查看答案
 本题答案:用电器
本题解析:试题答案用电器
	
	
	        152、判断题  若变压器一次电压低于额定电压,则不论负载如何,它的输出功率一定低于额定功率,温升也必然小于额定温升。
                    
 
	
	点击查看答案
 本题答案:错
本题解析:暂无解析
	
	
	        153、问答题  什么是电器的允许温升值?
                    
 
	
	点击查看答案
 本题答案:因为电器工作环境直接影响电器的散热过程。我国国家标准规
本题解析:试题答案因为电器工作环境直接影响电器的散热过程。我国国家标准规定最高环境温度为40℃(一般为35℃),从发热温度极限减去最高环境温度即为允许温升值。
	
	
	        154、填空题  东风4B型内燃机车TKH6型转换开关主触头超程为()。
                    
 
	
	点击查看答案
 本题答案:2~3.5mm
本题解析:试题答案2~3.5mm
	
	
	        155、填空题  接触器的触头处于断开状态时必须有足够的(),以保证可靠地熄灭电弧和开断电路。
                    
 
	
	点击查看答案
 本题答案:开距
本题解析:试题答案开距
	
	
	        156、判断题  有差调速系统是依靠偏差进行调节的;无差调速系统是依靠偏差的积累进行调节的。
                    
 
	
	点击查看答案
 本题答案:错
本题解析:暂无解析
	
	
	        157、问答题  电器的定义是什么?
                    
 
	
	点击查看答案
 本题答案:根据外界特定信号,自动或手动地接通和断开电路,对电路或
本题解析:试题答案根据外界特定信号,自动或手动地接通和断开电路,对电路或非电对象起控制、调整、保护及检测作用的电工设备,称之为电器。
	
	
	        158、单项选择题  东风8B型内燃机车采用的JGIA05B型感应子牵引励磁机的额定频率是()。
                    
	A、539.2Hz
	B、639.2Hz
	C、739.2Hz
	D、839.2Hz
 
	
	点击查看答案
 本题答案:A
本题解析:暂无解析
	
	
	        159、填空题  三相异步电动机转子铁芯中铁耗很小,铁耗主要是()损耗。
                    
 
	
	点击查看答案
 本题答案:定子铁芯
本题解析:试题答案定子铁芯
	
	
	        160、单项选择题  用电压表测量电压时,应将电压表与被测电路联成()方式。
                    
	A、串联
	B、并联
	C、串联或并联
	D、任意
 
	
	点击查看答案
 本题答案:B
本题解析:暂无解析
	
	
	        161、填空题  固定式锯弓由手柄、()、弓架、活动夹头、方形导套和元宝螺母所组成。
                    
 
	
	点击查看答案
 本题答案:固定夹头
本题解析:试题答案固定夹头
	
	
	        162、填空题  直流电机主极的极性在圆周上呈()间隔排列,主极所产生的磁场称为主磁极。
                    
 
	
	点击查看答案
 本题答案:NS
本题解析:试题答案NS
	
	
	        163、填空题  TJVl一7/10型风速继电器的返回值约为()。
                    
 
	
	点击查看答案
 本题答案:6m/s
本题解析:试题答案6m/s
	
	
	        164、判断题  触头的参数主要有触头的结构尺寸、开距、超程、研距、触头初压力等。
                    
 
	
	点击查看答案
 本题答案:错
本题解析:暂无解析
	
	
	        165、单项选择题  东风7c型内燃机车牵引电动机换向片片间云母下刻深度为()。
                    
	A、0•5~1mill
	B、1~1.5mill
	C、1.5~2min
	D、2~2.5mm
 
	
	点击查看答案
 本题答案:B
本题解析:暂无解析
	
	
	        166、填空题  我国电机的定额分为三类,即连续定额、短时定额和()。
                    
 
	
	点击查看答案
 本题答案:断续定额
本题解析:试题答案断续定额
	
	
	        167、判断题  控制继电器中的电流继电器,是用于电动机的过载及短路保护、直流电机的磁场控制或失磁保护等场合。
                    
 
	
	点击查看答案
 本题答案:对
本题解析:暂无解析
	
	
	        168、问答题  如何理解RC电路时间常数τ?
                    
 
	
	点击查看答案
 本题答案:时间常数τ表示RC电路中电压或电流衰减为原来值
本题解析:试题答案时间常数τ表示RC电路中电压或电流衰减为原来值的36、8%所需时间,τ愈长,充放电时间就越长。
	
	
	        169、判断题  若用刀开关来控制电动机时,可以选用刀开关的额定电压和额定电流等于电动机的额定电压和额定电流。
                    
 
	
	点击查看答案
 本题答案:错
本题解析:暂无解析
	
	
	        170、判断题  电弧属于气体自持放电中的弧光放电。
                    
 
	
	点击查看答案
 本题答案:对
本题解析:暂无解析
	
	
	        171、填空题  电磁感应是指导体在磁场内运动或磁场在导体周围运动,结果均能使导体切割磁力线而产生()。
                    
 
	
	点击查看答案
 本题答案:感应电动势
本题解析:试题答案感应电动势
	
	
	        172、填空题  电弧是一种强烈的(),由它产生的高热会烧损电器触头,所以必须设法将它熄灭。
                    
 
	
	点击查看答案
 本题答案:放电现象
本题解析:试题答案放电现象
	
	
	        173、问答题  简述主变压器的维护与保养内容。
                    
 
	
	点击查看答案
 本题答案:(1)主变压器必须保持正常的油量,以保持良好的冷却作用
本题解析:试题答案(1)主变压器必须保持正常的油量,以保持良好的冷却作用和绝缘性能。油量不足时,必须及时补足合格的同型号变压器油。
(2)定时检查和校验测量油温用的温度计,以保证指示准确。
(3)经常检查油的温度,正常运行时,主变压器上层油温应不大于95℃,绕组平均温度不得大于105℃(环境温度为40℃)。
(4)主变压器各部分电气接触应保持良好,若有触头发热等不正常现象时,应及时处理。绝缘瓷瓶应经常保持清洁,无裂纹、无放电痕迹及其他异常现象,确保瓷瓶绝缘良好。
(5)主变压器刚开始投入运行,长期停运或检修投入运行时,必须仔细检查它的外
部状态,并对主变压器的各绕组及变压器油进行绝缘强度试验,确认合格后,方能投入运行。
(6)加强对变压器油的保养。若变压器油不净或老化,将严重威胁变压器的安全运行。
(7)定时检查吸湿器中的干燥剂,观察是否变色。硅胶在干燥时呈兰色,吸收潮气后呈粉红色。因此当硅胶呈粉红色时,需要进行干燥或更换
	
	
	        174、单项选择题  东风7C型内燃机车启动发电机额定功率()。
                    
	A、80kW
	B、90kW
	C、100kW
	D、110kW
 
	
	点击查看答案
 本题答案:A
本题解析:暂无解析
	
	
	        175、单项选择题  在机车自负荷试验中,当柴油机转速为(680+10)r/min时,同步主发电机输出功率应为()。
                    
	A、950~1100kW
	B、l900~2100kW
	C、3100~3300kW
	D、3900~4300kW
 
	
	点击查看答案
 本题答案:A
本题解析:暂无解析
	
	
	        176、填空题  东风8B型内燃机车微机控制柜EXP功能板插箱由箱体、总线母板、()和信号连接器四部分组成。
                    
 
	
	点击查看答案
 本题答案:功能模板
本题解析:试题答案功能模板
	
	
	        177、单项选择题&来源:91考试网 91Exam.orgnbsp; 东风7D型内燃机车主发电机的额定频率是()。
                    
	A、50.Hz
	B、65Hz
	C、165Hz
	D、200Hz
 
	
	点击查看答案
 本题答案:C
本题解析:暂无解析
	
	
	        178、问答题  造成柴油机运转中水温高的原因有哪些?
                    
 
	
	点击查看答案
 本题答案:(1)由于机车水系统中有空气。
(2)冷却单
本题解析:试题答案(1)由于机车水系统中有空气。
(2)冷却单节沾污严重或倒片过多,造成冷却能力不够,使水温升高。
(3)冷却风扇转速低甚至因故不转。
(4)机车冷却管路系统中的阀门开闭不到位。
(5)水温继电器误动作。
(6)柴油机冷却水泵发生故障。
(7)燃烧室部件发生故障。
	
	
	        179、单项选择题  东风8B型内燃机车脚踏开关的操作力不超过()。
                    
	A、35N
	B、40N
	C、45N
	D、50N
 
	
	点击查看答案
 本题答案:A
本题解析:暂无解析
	
	
	        180、问答题  变压器为什么只能一点接地?
                    
 
	
	点击查看答案
 本题答案:为了防止变压器运行时,因静电感应在铁芯等处产生感应电势
本题解析:试题答案为了防止变压器运行时,因静电感应在铁芯等处产生感应电势,造成对地放电,一点接地能将感应电势引入地中。
	
	
	        181、问答题  绘图题:画出两个单相接成V/V型的电压互感器的接线方案图。
                    
 
	
	点击查看答案
 本题答案:
试题答案
	
	
	        182、问答题  在实用中如何按照整流元件的额定电流正确选用整流元件?
                    
 
	
	点击查看答案
 本题答案:整流元件的额定电流都是以额定通态平均电流来定义的,而额
本题解析:试题答案整流元件的额定电流都是以额定通态平均电流来定义的,而额定通态平均电流的大小又是根据晶闸管或其他整流元件的发热和冷却条件的不同而变化的。因此,要正确按整流元件的额定电流选取整流元件,必须首先保证整流元件所要求的额定冷却条件,然后再来具体选择电流数值。
在选择电流值时又必须注意,决定元件发热大小的电流值应为有效电流值。因此在选用元件时,要先经过换算,根据晶闸管或其他整流元件的额定通态平均电流数值,即定义额定电流值、流过元件的电流波形情况,求出元件允许流过电流的最大有效值,该最大有效值称为额定有效值。
在实际使用时,不论整流电流波形如何,或导通角如何变化,只要流过元件的实际电流的最大有效值小于或等于管子的额定有效值,管子的发热就能满足在额定范围内。
也就是说,虽然整流元件的额定电流是以额定通态平均值定义的,但在选用时必须按额定有效值与实际电路中元件的最大电流有效值进行比较选用。
	
	
	        183、判断题  放大器的输入电阻是从放大器输入端看进去的等效电阻,它是个直流电阻。
                    
 
	
	点击查看答案
 本题答案:错
本题解析:暂无解析
	
	
	        184、单项选择题  东风se型内燃机车采用的4Q型电空接触器传动部分的额定风压为()。
                    
	A、500kPa
	B、600kPa
	C、700kPa
	D、800kPa
 
	
	点击查看答案
 本题答案:A
本题解析:暂无解析
	
	
	        185、单项选择题  东风8e型内燃机车空调系统电气控制部分包括电气控制箱和电气操纵盒,其中控制系统的控制电源是()。
                    
	A、来自机车蓄电池的110V直流电源
	B、来自空调电源的三相交流电源
	C、机车辅助发电机
	D、其他
 
	
	点击查看答案
 本题答案:A
本题解析:暂无解析
	
	
	        186、单项选择题  电刷与换向器表面的接触面积不应小于电刷全面积的()。
                    
	A、80%
	B、70%
	C、60%
	D、50%
 
	
	点击查看答案
 本题答案:A
本题解析:暂无解析
	
	
	        187、判断题  在用兆欧表测试前,必须使设备带电,这样测试结果才准确。
                    
 
	
	点击查看答案
 本题答案:错
本题解析:暂无解析
	
	
	        188、问答题  简述直流电机换向器的作用与结构。
                    
 
	
	点击查看答案
 本题答案:换向器的作用是机械整流,即在直流电动机中,它将外加的直
本题解析:试题答案换向器的作用是机械整流,即在直流电动机中,它将外加的直流电流逆变成绕组内的交流电流;在直流发电机中,它将绕组内的交流电势整流成电刷两端的直流电势。
换向器的结构由许多换向片组成,换向片间用云母片绝缘。换向片凸起的一端称为升高片,用以与电枢绕组端头相连,换向片下部作成燕尾形,利用换向器套简、v形压圈及螺旋压圈将换向片、云母片紧固成一个整体。
	
	
	        189、单项选择题  最大运行速度为()的机车适宜采用架悬式牵引电动机。
                    
	A、80~140km/h
	B、140~200km/h
	C、160~220km/h
	D、200~250km/h
 
	
	点击查看答案
 本题答案:B
本题解析:暂无解析
	
	
	        190、填空题  微机控制柜分为三层:上层为辅机机/电源插箱,中间为(),下层为EXP功能板插箱。
                    
 
	
	点击查看答案
 本题答案:风扇插箱
本题解析:试题答案风扇插箱
	
	
	        191、判断题  电路的通断和转换通过电器中的执行部件,主要是靠其触头来实现。
                    
 
	
	点击查看答案
 本题答案:对
本题解析:暂无解析
	
	
	        192、问答题  简述用电容、电阻、电感构成的四种滤波方式。
                    
 
	
	点击查看答案
 本题答案:(1)电容滤波;(2)电感滤波:(3)电容电阻滤波;(
本题解析:试题答案(1)电容滤波;(2)电感滤波:(3)电容电阻滤波;(4)电容电感滤波。
	
	
	        193、判断题  绕组套装时,要确保与铁芯柱同心,绕组的轴向要可靠地压紧,并防止绕组绝缘在运行时收缩而产生振动变形。
                    
 
	
	点击查看答案
 本题答案:对
本题解析:暂无解析
	
	
	        194、判断题  变压器的原边和副边绕组之间没有磁的联系,只有电的联系。
                    
 
	
	点击查看答案
 本题答案:错
本题解析:暂无解析
	
	
	        195、填空题  电机按铭牌上所规定的条件运行时,就称为电机的()状态。
                    
 
	
	点击查看答案
 本题答案:额定运行
本题解析:试题答案额定运行
	
	
	        196、填空题  三相异步电机定子三相绕组的结构是()的。
                    
 
	
	点击查看答案
 本题答案:对称
本题解析:试题答案对称
	
	
	        197、单项选择题  运行中硅机组的快速熔断器熔断,说明该支路的晶闸管()。
                    
	A、击穿
	B、断路
	C、短路
	D、虚接
 
	
	点击查看答案
 本题答案:A
本题解析:暂无解析
	
	
	        198、判断题  串励直流电动机接上单相交流电源,电机也会转动。
                    
 
	
	点击查看答案
 本题答案:对
本题解析:暂无解析
	
	
	        199、单项选择题  东风8B型内燃机车采用新型的()调速系统。
                    
	A、有挡无级
	B、无挡有级
	C、无挡无级
	D、有挡有级
 
	
	点击查看答案
 本题答案:A
本题解析:暂无解析
	
	
	        200、单项选择题  东风8B型内燃机车主整流柜的短时直流电流是()。
                    
	A、5200A
	B、6200A
	C、7200A
	D、8200A
 
	
	点击查看答案
 本题答案:C
本题解析:暂无解析
	
	
	        
		  
      
      题库试看结束后
微信扫下方二维码即可打包下载完整版《★电力机车电工考试》题库
手机用户可保存上方二维码到手机中,在微信扫一扫中右上角选择“从相册选取二维码”即可。
题库试看结束后微信扫下方二维码即可打包下载完整版《电力机车电工考试:机车电工技师》题库,分栏、分答案解析排版、小字体方便打印背记!经广大会员朋友实战检验,此方法考试通过率大大提高!绝对是您考试过关的不二利器!
手机用户可保存上方二维码到手机中,在微信扫一扫中右上角选择“从相册选取二维码”即可。
  微信搜索关注"91考试网"公众号,领30元,获取公务员事业编教师考试资料40G