手机用户可
保存上方二维码到手机中,在
微信扫一扫中右上角选择“从
相册选取二维码”即可。
1、判断题 数字调度分系统中PWR为整个系统提供所需的±5V电源及铃流,每框配两块电源板,两板的±5V电源工作于并联热供方式。
点击查看答案
本题答案:对
本题解析:暂无解析
2、单项选择题 在GSM-R通信系统中,BSC依据测量所得数据,进行计算,进而决定如何进行功率控制。若认为MS发射电平过高,()。
A.BSC可通知MS降低发射功率
B.BSC可要求BTS降低发射功率
C.BSC要求BTS提高发射功率
D.BSC可通知MS提高发射功率
点击查看答案
本题答案:A
本题解析:暂无解析
3、填空题 无线发射机的主要任务是完成高频信号的产生、()和放大的过程。
点击查看答案
本题答案:调制
本题解析:试题答案调制
4、单项选择题 对一个四线组来说,()在红线的顺时针方向时,该端为A端。
A.绿线
B.兰线
C.绿组
D.兰组
点击查看答案
本题答案:A
本题解析:暂无解析
5、判断题 直放站的安装条件只要能在安装点接收到空间基本的通话信号就可以拉。
点击查看答案
本题答案:错
本题解析:暂无解析
6、单项选择题 电缆线路应做防雷保护系统接地,其间距宜为4KM,在强雷区敷设时,间距宜降为()。
A、1KM
B、2KM
C、3KM
D、4KM
点击查看答案
本题答案:B
本题解析:暂无解析
7、问答题 阐述测试SDH接收机灵敏度时的操作步骤。
点击查看答案
本题答案:1.接好电路。
2.按监视误码的通道速率等级,图
本题解析:试题答案1.接好电路。
2.按监视误码的通道速率等级,图案发生器(或SDH分析仪的发送部分)选择适当的PRBS,从支路输入口(或线路输入口与被测支路相关的通道)送测试信号。
3.调整光衰减器,逐渐加大衰减值,使误码检测器测到的误码尽量接近,但不大于规定的BER(通常规定BER=1×10-10)。
4.断开R点的活动连接器,将光衰减器与光功率计相连,读出R点的接收光功率PR。
5.对于精确的测量,应考虑R、R′和R″各点光功率的差异,用活动连接器的衰减值对读出的接收光功率进行修正。
8、填空题 当维修或更换列尾控制盒时,需要重新()新的机车号码。
点击查看答案
本题答案:置入
本题解析:试题答案置入
9、填空题 数调系统采用()的数字通道。保证数字环的任何一处断开都不会影响系统的正常运行,增加了系统的安全可靠性。
点击查看答案
本题答案:环状
本题解析:试题答案环状
10、单项选择题 在通信电源系统中,属于直流供配电系统的设备是()。
A、电容补偿柜
B、蓄电池组
C、UPS
D、变压器
点击查看答案
本题答案:B
本题解析:暂无解析
11、填空题 调度电话网包括()电话网、()电话网、货运调度电话网、电力调度电话网。
点击查看答案
本题答案:干局线调度;列车调度
本题解析:试题答案干局线调度;列车调度
12、问答题 障碍处理必须做到的“五清”是指哪“五清”?
点击查看答案
本题答案:障碍处理必须做到“五清”,即时
本题解析:试题答案障碍处理必须做到“五清”,即时间清、原因清、地点清、影响范围清、处理过程清。
13、问答题 维护人员必须严格执行电路纪律"十不准"规定的具体内容?
点击查看答案
本题答案:1.不准任意中断电路或业务;
2.不准任意加
本题解析:试题答案1.不准任意中断电路或业务;
2.不准任意加.甩.倒换设备;
3.不准任意变更电路;
4.不准任意配置.修改数据;
5.不准任意切断告警;
6.不准借故推迟故障处理时间和隐瞒谎报故障;
7.不准泄漏用户信息;
8.不准泄露系统口令;
9.不准在系统上进行与维护无关的操作;
10.不准关闭业务联络电话。
14、单项选择题 2、下列关于交换设备配线的说法中,不正确的是()。
A.配线电缆转弯曲率半径不得大于60mm
B.63芯以上电缆的曲率半径不应小于电缆直径的5倍
C.芯线焊接后绝缘层离开端子边缘露铜不得大于1mm
D.配线电缆应与电源线、音频线分开绑扎3、长途机械室联合接
点击查看答案
本题答案:A
本题解析:暂无解析
15、判断题 在雷雨、冰雪、能见度低或六级以上大风等恶劣环境条件下禁止高处作业。
点击查看答案
本题答案:对
本题解析:暂无解析
16、单项选择题 混频和变频都是用()来进行的。
A.线性元件
B.非线性元件
C.特殊元件
D.元件
点击查看答案
本题答案:B
本题解析:暂无解析
17、填空题 直放站是一个全双工射频放大器,它是从归属基站的下行链路及从移动台的上行链路中接收、放大并()该信号给移动台和归属基站。
点击查看答案
本题答案:反向重传
本题解析:试题答案反向重传
18、填空题 中软数调设备应急分机的使用是必须拔掉值班台的2B+D插头,起机后,所拨号码为()所对应的键号。
点击查看答案
本题答案:值班台
本题解析:试题答案值班台
19、填空题 遇有降雾、暴风雨(雪)、扬沙等恶劣天气影响了望时,应()线路上施工作业。
点击查看答案
本题答案:停止
本题解析:试题答案停止
20、单项选择题 下面哪种缆线最容易受到电磁干扰?()
A.同轴电缆
B.UTP
C.光缆
D.STP
点击查看答案
本题答案:B
本题解析:暂无解析
21、判断题 铁路传输网网管按三级设置,部网管中心负责中继层传输系统的管理,局网管中心负责骨干层传输。
点击查看答案
本题答案:错
本题解析:暂无解析
22、问答题 电缆芯线为什么要对号?有哪几种方法?
点击查看答案
本题答案:(1)因为要核对电缆芯线线序,防止芯线接错,故电缆芯线
本题解析:试题答案(1)因为要核对电缆芯线线序,防止芯线接错,故电缆芯线要对号。
(2)常用万用表、蜂鸣器和放音对号器进行对号。
23、单项选择题 维护工作必须认真执行“三不动、三不离”和“三不放过”等基本()。
A、工作制度
B、安全制度
C、生产制度
D、检修制度
点击查看答案
本题答案:B
本题解析:暂无解析
24、填空题 悬浮液在分选设备中能否保持(),是衡量悬浮液能否用于分选的主要指标。
点击查看答案
本题答案:动态稳定
本题解析:试题答案动态稳定
25、填空题 列车广播机面板上设置的发光二极管,作为整机()指示。
点击查看答案
本题答案:工作情况
本题解析:试题答案工作情况
26、填空题 GSM-R系统一般设备()的接地线,应使用截面积不小于()mm2的多股铜线。
点击查看答案
本题答案:机架;16
本题解析:试题答案机架;16
27、单项选择题 同沟敷设电缆,深度一致,缆与缆之间相隔()公分,不得叠加和交叉。
A、5
B、10
C、15
D、20
点击查看答案
本题答案:B
本题解析:暂无解析
28、填空题 用一台中央处理器负责对整个系统的运行工作进行直接控制并执行交换系统全部功能的方式叫()。
点击查看答案
本题答案:集中控制方式
本题解析:试题答案集中控制方式
29、填空题 GSM-R系统用户终端设备包括机车综合无线通信设备、汽车车载台、列尾通信设备、作业手持台、()、调车手持台、固定用户接入系统(FAS)终端、SIM卡等。
点击查看答案
本题答案:通用手持台
本题解析:试题答案通用手持台
30、填空题 SDH/MSTP系统维护中的备用2M通道误码性能测试属于()项目。
点击查看答案
本题答案:年表
本题解析:试题答案年表
31、单项选择题 使用Windows操作系统当系统提示硬磁盘空间不足时,一般情况下可最先考虑删除()目录下的文件来释放空间。
A.MyDocuments
B.Temp
C.Programfiles
D.Fonts
点击查看答案
本题答案:B
本题解析:暂无解析
32、填空题 铁路会议电话的连接方式有二线制和()两种。
点击查看答案
本题答案:四线制
本题解析:试题答案四线制
33、判断题 光通信中简单的网络节点可以只具有部分功能,而复杂节点则通常包括交叉连接、复用和交换全部的网络节点功能。
点击查看答案
本题答案:对
本题解析:暂无解析
34、填空题 中间站通信机械室,接地电阻,在分设室外接地体时,工作地线电阻应≤(),保护工作地线应≤();在合设室外接地体时,联合地线电阻应该≤()。
点击查看答案
本题答案:5Ω;10Ω;4Ω
本题解析:试题答案5Ω;10Ω;4Ω
35、填空题 光交换主要有三种方式,即空分交换、时分交换和()。
点击查看答案
本题答案:波分交换
本题解析:试题答案波分交换
36、单项选择题 一块DTE板可提供()个2M。
A、4
B、8
C、12
D、16
点击查看答案
本题答案:B
本题解析:暂无解析
37、单项选择题 启动HONET网管终端系统后,可以看到三个指示灯,不属于这三个指示灯的是()。
A、前后台通讯状态指示灯
B、告警
C、后台与传输系统状态
D、电源指示
点击查看答案
本题答案:D
本题解析:暂无解析
38、单项选择题 放电电流越大,电池的终止电压可取得()
A.高些
B.不变
C.低些
D.不定
点击查看答案
本题答案:C
本题解析:暂无解析
39、单项选择题 《行规》规定列车无线调度通信设备电源由机务部门提供,电源开关及引入配线由()部门负责。
A、通信
B、机务
C、电务
D、车务
点击查看答案
本题答案:B
本题解析:暂无解析
40、问答题 在电气化区段切割地下埋设的电缆时,应该怎样保证工作人员安全?
点击查看答案
本题答案:在电气化区段切割地下埋设的电缆外皮或打开电缆套管之前,
本题解析:试题答案在电气化区段切割地下埋设的电缆外皮或打开电缆套管之前,要将电缆断开处两端连通地线。铺设干燥绝缘垫并穿高压绝缘鞋,保证工作人员安全。
41、填空题 协议转换器上E1LOS红灯亮说明()通道不通。
点击查看答案
本题答案:2M
本题解析:试题答案2M
42、单项选择题 电器着火时不应()。
A.切断电源
B.使用绝缘灭火机
C.使用水灭火
D.使用干砂灭火
点击查看答案
本题答案:C
本题解析:暂无解析
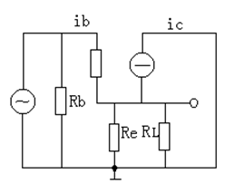
43、问答题
电路如图所示,IbeQ=0.7V,β=50。

1.计算该电路的静态工作点。
2.画出它的等效电路。
3.计算AUL、Ri、Ro
点击查看答案
本题答案:1.IbQ=0.05mA,IcQ=βIbQ=
本题解析:试题答案1.IbQ=0.05mA,IcQ=βIbQ=2.5mA,UceQ=10.5V
2.
3.AUL=1、Ri=200/3KΩ、Ro=16.4Ω
44、判断题 所谓“眼图”,是一种利用示波器来显示均衡波形的方法。
点击查看答案
本题答案:对
本题解析:暂无解析
45、问答题 通信电源集中监控系统的目的和内容是什么?
点击查看答案
本题答案:监控系统的目的是对监控范围内的电源系统、空调系统和系统内的各
本题解析:试题答案监控系统的目的是对监控范围内的电源系统、空调系统和系统内的各个设备及机房环境进行遥信、遥测、遥控,实时监视系统和设备运行状态,记录和处理监控数据,及时检测故障并通知维护人员处理,实现电源、空调的集中维护和优化管理,提高供电系统的可靠性和通信设备的安全性,达到通信局(站)少人或无人值守。
集中监控一般以遥信、遥测、遥控的方式监视和控制现场电源、空调等设备的使用和环境的实际状况等内容。
遥信指的是远距离信号显示。
遥测指的是远距离数据测量。
遥控指的是远距离设备控制。
46、填空题 浪涌保护器电源线与防雷箱的连接线长度不得大于0.5m,受条件限制连接线长度大于0.5m时,应采用()连接。
点击查看答案
本题答案:凯文接线法
本题解析:试题答案凯文接线法
47、单项选择题 在计算机网络中,()的覆盖范围是一个城市,距离常在10~150km之间。
A.骨干网
B.局域网
C.城域网
D.广域网
点击查看答案
本题答案:C
本题解析:暂无解析
48、判断题 当前用于通信的光纤其直径一般都为125μs。
点击查看答案
本题答案:对
本题解析:暂无解析
49、问答题 《行车设备检查登记簿》(运统-46)中应登记哪些内容?
点击查看答案
本题答案:《行车设备检查登记簿》(运统-46)中应登记内容包括日
本题解析:试题答案《行车设备检查登记簿》(运统-46)中应登记内容包括日期时间、设备名称及编号、检修项目、影响范围、起止时间。
50、填空题 架空光电缆与电力线交叉时,两线路最近导线的垂直距离:0.38KV最小距离(),10KV最小距离()。
点击查看答案
本题答案:1米;2米
本题解析:试题答案1米;2米
51、单项选择题 如果在二楼机房发生火灾,你应该如何紧急脱离现场()。
A.跳楼逃离现场
B.打开门窗呼救
C.用牢固的绳子,一头扎在固定物体上,沿着绳子滑下逃生
D.用床单扎在吊灯上,沿着床单滑下逃生
点击查看答案
本题答案:C
本题解析:暂无解析
52、单项选择题 电池在开路状态测得的电压是()
A.开路电压
B.放电电压
C.工作电压
D.整体电压
点击查看答案
本题答案:A
本题解析:暂无解析
53、判断题 SDH跟PDH相比,组网更灵活并使网络有很强的自愈能力。。
点击查看答案
本题答案:对
本题解析:暂无解析
54、单项选择题 工程设计中,若采用管道或架空的方式铺设光缆,可根据光缆的护层结构选用()。
A.无铠装光缆
B.皱纹钢带铠装光缆
C.皱纹钢带铠装防蚁光缆
D.钢丝铠装光缆
点击查看答案
本题答案:A
本题解析:暂无解析
55、问答题 简述开关电源的交流故障和恢复时,开关电源和蓄电池组工作状态的变化?
点击查看答案
本题答案:当低压交流电源故障时,蓄电池组开始放电,为负载提供直流
本题解析:试题答案当低压交流电源故障时,蓄电池组开始放电,为负载提供直流电源;当低压交流电源恢复正常后,来源:91考试网 www.91eXam.org整流设备重新投入工作,给直流负载供电,并同时对蓄电池组均衡充电,此时整流设备输出电流比平时大,当蓄电池组充满电后,直流供配电系统自动转入浮充充电状态。
56、单项选择题 个人防寒护品必须保持齐全完好,并按规定放在()。
A、个人休息处所
B、工作现场
C、防洪应急备品库
D、任意处所
点击查看答案
本题答案:B
本题解析:暂无解析
57、填空题 会议电话分机由发信放大、受信放大、()、二四线转换四部分组成。
点击查看答案
本题答案:电源
本题解析:试题答案电源
58、判断题 进行电缆气闭灌注、绕包、封焊、化铅等工作,接触有毒化学物品时,应带手套、口罩、护目镜等防护用品。
点击查看答案
本题答案:对
本题解析:暂无解析
59、单项选择题 光纤结构一般为双层或多层圆心柱体,中心部为()。
A.纤芯
B.包层
C.涂覆层
D.加强芯
点击查看答案
本题答案:A
本题解析:暂无解析
60、填空题 既不导电也不()是光纤的最主要的特点。
点击查看答案
本题答案:倒磁
本题解析:试题答案倒磁
61、问答题 传输故障处理的一般原则是什么?
点击查看答案
本题答案:传输故障处理的一般原则是先外部,后传输;先单站,后单板
本题解析:试题答案传输故障处理的一般原则是先外部,后传输来源:91exam .org;先单站,后单板;先线路,后支路;先高级,后低级。
62、填空题 录音仪手动查询是通过键盘操作,可逐页逐段查找,显示屏显示()的起始时间。
点击查看答案
本题答案:每段相对应
本题解析:试题答案每段相对应
63、问答题 交换机应提供哪些输入输出设备?
点击查看答案
本题答案:交换机应能提供多种输入输出设备。主要有以下几方面的输入输出设
本题解析:试题答案交换机应能提供多种输入输出设备。主要有以下几方面的输入输出设备。交换机日常维护的人-机命令输入输出设备,用于局数据修改及故障处理、网络管理的数据接口;告警显示输出设备,用不同的声音或颜色区别交换机现实的不同故障等级或重要程度的告警;海量存储器,容量很大,用于存储程序、局数据及用户数据等的输入输出设备及相应的外存设备,计费信息的存储设备应单独设置;数据接口,应采用标准接口,如ITU-TM.3000系列建议的Q3接口,V.24、X.25接口。
64、填空题 通信机房应安装具有()和分路功能的交流引入配电箱(配电屏)。
点击查看答案
本题答案:雷电防护
本题解析:试题答案雷电防护
65、单项选择题 表面安装技术是SMT的核心,()是决定表面贴装产品质量的关键。
A.印刷
B.贴片
C.焊接
D.检测
点击查看答案
本题答案:C
本题解析:暂无解析
66、单项选择题 电池的环境温度高,寿命影响()
A.不变
B.增加
C.缩短
D.不定
点击查看答案
本题答案:C
本题解析:暂无解析
67、判断题 有限竞争协议在重载荷时将采用无冲突的策略。
点击查看答案
本题答案:对
本题解析:暂无解析
68、单项选择题 不属于交换机呼叫处理程序步骤的是()。
A、输入处理
B、内部处理
C、输出处理
D、外部处理
点击查看答案
本题答案:D
本题解析:暂无解析
69、判断题 建筑施工企业给从事危险作业的职工办理意外伤害保险,可以视企业的经济条件而定。
点击查看答案
本题答案:错
本题解析:暂无解析
70、问答题 简述锥形单管铁塔的优缺点。
点击查看答案
本题答案:优点是采用大型机械加工及安装,对人工要求低,有利于批量生产安
本题解析:试题答案优点是采用大型机械加工及安装,对人工要求低,有利于批量生产安装,铁塔及基础占地面积较小,防盗能力强,后期使用维护量低。机械化加工和安装时能有效控制质量。安装后铁塔比较美观。
缺点是加工及安装均要求有大型机械,目前成本相对较高。因为单管塔单体构件较大,其重量对于人工运输及人工安装难度较大,对安装场地有一定的交通及施工条件要求。
锥形单管塔适合于交通及安装条件较好的地区及工点。
71、单项选择题 集团公司管内数调系统现组网方式为环形,当主备环发生同时中断故障时,由()传输网管采取业务修改径路法临时倒通。
A、白旗维护中心
B、大板维护中心
C、呼和维护中心
D、锡林浩特维护中心
点击查看答案
本题答案:C
本题解析:暂无解析
72、判断题 全体职工应牢固树立安全第一的思想,严格遵守劳动纪律、作业纪律和有关规章制度,保证人身、设备、交通、消防安全。
点击查看答案
本题答案:对
本题解析:暂无解析
73、问答题 OLT与ONU的区别?
点击查看答案
本题答案:OLT与ONU的概念仅是物理位置和机械结构上的区别,而
本题解析:试题答案OLT与ONU的概念仅是物理位置和机械结构上的区别,而在业务提供能力上并没有不同之处。通常将配备有网管单元BAM、与网管系统相同的点称为OLT,其他点称为ONU,或者将业务集中的点称为OLT,其他点称为ONU。
74、单项选择题 送(受)话器每()更新一次,送(受)话器缆线每年更新一次。
A、半年
B、1年
C、2年
D、3年
点击查看答案
本题答案:C
本题解析:暂无解析
75、填空题 光纤衰耗、接头损耗的测量,实际上也是测量光纤两端的()。
点击查看答案
本题答案:光功率
本题解析:试题答案光功率
76、单项选择题 铁路电话1**表示特种业务号码,其中120表示()。
A.长途人工电话查询
B.区段人工记录
C.事故救援
D.医疗急救
点击查看答案
本题答案:D
本题解析:暂无解析
77、判断题 树形结构主要用于用户接入网或用户线路网中。
点击查看答案
本题答案:对
本题解析:暂无解析
78、填空题 跨局运用的客运机车、动车组,对CIR设备实行()检查;跨局运用的货运机车,对CIR设备可实行入库故障修。
点击查看答案
本题答案:逐台入库
本题解析:试题答案逐台入库
79、问答题 《铁路运输安全保护条例》中规定,在铁路线路安全保护区内,除必要的铁路施工、作业、抢险活动外,任何单位和个人不得实施哪些行为?
点击查看答案
本题答案:1.建造建筑物、构筑物;
2.取土、挖砂、挖
本题解析:试题答案1.建造建筑物、构筑物;
2.取土、挖砂、挖沟;
3.采空作业;
4.堆放、悬挂物品。
80、单项选择题 屏蔽室应良好接地,接地电阻不大于()。
A、2Ω
B、4Ω
C、5Ω
D、10Ω
点击查看答案
本题答案:C
本题解析:暂无解析
81、判断题 室内配线不应有中间接头。
点击查看答案
本题答案:对
本题解析:暂无解析
82、判断题 安全生产管理,坚持安全第一、预防为主的方针是《安全生产法》的法条。
点击查看答案
本题答案:对
本题解析:暂无解析
83、单项选择题 PCM30/32路一次群帧结构中勤务比特为()位。
A.1
B.2
C.3
D.4
点击查看答案
本题答案:B
本题解析:暂无解析
84、问答题 人工降低接地电阻的方法有哪些?
点击查看答案
本题答案:1.换土法
2.层叠法
3.水泥土壤
本题解析:试题答案1.换土法
2.层叠法
3.水泥土壤法
4.长效降阻法
85、判断题 在通信段设置局数据网网管中心,负责骨干网和铁道部区域网的监测、管理,指挥并协调相关维护单位进行设备维护和故障处理。
点击查看答案
本题答案:错
本题解析:暂无解析
86、问答题 《维规》对通信电源包括的设备是如何规定的?
点击查看答案
本题答案:通信电源设备包括交直流配电设备、高频开关电源、UPS电
本题解析:试题 答案通信电源设备包括交直流配电设备、高频开关电源、UPS电源、逆变器、蓄电池组、发电机组、供电线路、接地装置等。
87、问答题 当通信线路 损坏时,业务抢通和修复顺序的内容是什么?
点击查看答案
本题答案:(1)闭塞线、站间行车电话、扳道电话;
(2
本题解析:试题答案(1)闭塞线、站间行车电话、扳道电话;
(2)列车调度电话;
(3)列车调度指挥系统、列车运行控制系统和调度集中系统的网络通道;
(4)车辆运行安全监测传输通道、电力远动传输通道;
(5)客票发售与预订系统网络通道;
(6)车次号自动识别系统网络通道;
(7)其他。
88、判断题 通信(电务)段每月应对作业工具、安全防护用品进行全面检查,发现不良时,应立即停止使用,并及时予以修理或更换。
点击查看答案
本题答案:对
本题解析:暂无解析
89、填空题 二端网络的构成元()。
点击查看答案
本题答案:电阻、电感和电容
本题解析:试题答案电阻、电感和电容
90、单项选择题 在逻辑功能上,CMOS门电路和TTL电路是相同的,当CMOS的电源电压UDD为()时,它可与低功耗的TTL电路直接兼容。
A.18V
B.5V
C.12V
D.32V
点击查看答案
本题答案:B
本题解析:暂无解析
91、问答题 通信线路或设备损坏时,应按何顺序抢通和恢复?
点击查看答案
本题答案:1.列车调度电话
2.站间行车电话、扳道电话
本题解析:试题答案1.列车调度电话
2.站间行车电话、扳道电话
3.列车调度指挥系统和调度集中系统的网络通道
4.车辆运行安全监测传输通道
5.客票发售与预订系统网络通道
6.车号自动识别系统网络通道
7.其他
92、填空题 CABLELOSS主要是测量馈线的损耗,它的取值在()之间。
点击查看答案
本题答案:0至5
本题解析:试题答案0至5
93、填空题 在铁路GSM-R网中,网络节点间及对固定电话网均采用()信令方式。
点击查看答案
本题答案:NO.7
本题解析:试题答案NO.7
94、问答题 影响无线通信距离的主要因素有那些?
点击查看答案
本题答案:1.随着两者之间的距离的增加,电波的强度减弱,同时包括天线高
本题解析:试题答案1.随着来源:91考试网 www.91exAm.org两者之间的距离的增加,电波的强度减弱,同时包括天线高度及大气状况;
2.阴影衰耗,建筑物的阻挡引起;
3.多径传播引起的快衰落。
95、判断题 信号频率越高,传输能量越大。
点击查看答案
本题答案:错
本题解析:暂无解析
96、判断题 SDH技术中通道状态字节C1用来将通道终端的状态和性能情况回送给高阶VC通道的源设备,实现双向通道的状态和性能监视。
点击查看答案
本题答案:错
本题解析:暂无解析
97、填空题 SDH网的一个关键功能是要求能对支路信号()进行同步数字复用、交叉连接和交换。
点击查看答案
本题答案:2/34/140Mbit/s
本题解析:试题答案2/34/140Mbit/s
98、填空题 光缆配盘宜按出厂盘号顺序排列。非出厂盘号顺序排列时,相邻两盘光缆的光纤模场直径之差应小于()μm。
点击查看答案
本题答案:1
本题解析:试题答案1
99、判断题 SDH没有世界性的标准光接口规范。
点击查看答案
本题答案:错
本题解析:暂无解析
100、填空题 ZXONU上用户听到的拨号音及语音是LE侧()提供的。
点击查看答案
本题答案:交换机
本题解析:试题答案交换机
101、填空题 交换机与OLT之间采用的是V5接口连接,OLT和ONU之间采用的是()连接。
点击查看答案
本题答案:光纤
本题解析:试题答案光纤
102、单项选择题 目前,光纤在()nm处的损耗可以做到0.2dB/nm左右,接近光纤损耗的理论极限值。
A.1050
B.1550
C.2050
D.2550
点击查看答案
本题答案:B
本题解析:暂无解析
103、填空题 在市电停电时,UPS蓄电池通过()继续向负载供电,保证负载用电不中断。
点击查看答案
本题答案:逆变器
本题解析:试题答案逆变器
104、单项选择题 以下用于传输模拟信号的复用技术是()。
A.频分复用
B.同步时分复用
C.异步时分复用
D.码分复用
点击查看答案
本题答案:A
本题解析:暂无解析
105、问答题 如何给列尾控制盒置号?
点击查看答案
本题答案:同时按住黑键与绿键对控制盒通电,待提示“机
本题解析:试题答案同时按住黑键与绿键对控制盒通电,待提示“机车号”后松开按键,此后可按黑键改变号码,按绿键确认。号码改变时控制盒会有相应的语音提示和号码显示。置号时按4位机车号码的个,十,百,千位顺序依次置入。置号完毕,控制盒报出新的号码:“××××号机车”。特别注意:如在置号过程中对控制盒断电,已置入的号码无效,原号码不会改变。
106、填空题 高处作业中的安全标志和各种用于高处作业的设施,使用前应()。
点击查看答案
本题答案:检查
本题解析:试题答案检查
107、单项选择题 话筒是一种将声能转化成()的器件。
A.电能
B.机械能
C.热能
D.光能
点击查看答案
本题答案:A
本题解析:暂无解析
108、单项选择题 某通信局站的蓄电池组总容量为1000AH,负载电流为20A。当交流停电后除去环境因素影响外,允许放电时间约为()小时。
A、10
B、20
C、30
D、40
点击查看答案
本题答案:D
本题解析:暂无解析
109、问答题 通信段、通信车间、通信工区需要配备的仪表有哪些?
点击查看答案
本题答案:光源、光功率计,OTDR,数据线路综合测试仪,规则分析
本题解析:试题答案光源、光功率计,OTDR,数据线路综合测试仪,规则分析仪,误码仪,网络测试仪,电平表,杂音计、PCM测试仪等仪表。
110、填空题 MP侧的硬盘空间检查用()指令?
点击查看答案
本题答案:DISPMDDMP
本题解析:试题答案DISPMDDMP
111、填空题 单模光纤工作波长有()nm和1550nm 两种。
点击查看答案
本题答案:1310
本题解析:试题答案1310
112、问答题 阐述SDH抖动测试中需注意哪些问题。
点击查看答案
本题答案:1.在输出抖动测试时应注意仪表的抖动测量范围,通常仪表有两种
本题解析:试题答案1.在输出抖动测试时应注意仪表的抖动测量范围,通常仪表有两种范围可选,如20UI和2UI或10UI和1UI。在测量时只要估计被测信号抖动不会超出范围,选用小范围测试能得到较准确的测量结果。
2.在输入抖动容限测量时,有些仪表加抖能力有限(如最大5U1),这时可能无法测到设备的实际抖动容限水平。
3.在测量SDH设备的映射抖动和结合抖动时,需要对发送STM—N信号的PDH支路PRBS净荷加频偏,这时要注意搞清仪表加频偏功能是对PDH支路信号加频偏还是对发出的STM—N线路信号加偏。
113、填空题 在电缆施工中,配盘、芯线交叉、加入平衡元件等,这些措施统称为()。
点击查看答案
本题答案:对称电缆的平衡
本题解析:试题答案对称电缆的平衡
114、判断题 2M通道的传输速率是2048kb/s。
点击查看答案
本题答案:对
本题解析:暂无解析
115、问答题 LTW495C机车台怎样改变通信频组?
点击查看答案
本题答案:按住“频组”键,频组LED指示
本题解析:试题答案按住“频组”键,频组LED指示灯依1、2、3、4、1……的顺序循环变化,当达到用户希望的频组号时,松开“频组”键,即可得到需要的频组位置。
116、判断题 变压器的阻抗与线圈的圈数有关,圈数越多,阻抗越低。
点击查看答案
本题答案:错
本题解析:暂无解析
117、问答题 铁路建设项目施工技术交底应达到什么效果?
点击查看答案
本题答案:施工技术交底应交到工班和作业人员,使施工人员明确和掌握几何尺
本题解析:试题答案施工技术交底应交到工班和作业人员,使施工人员明确和掌握几何尺寸、标高、施工工艺、质量标准、安全技术措施要求,明确工程材料、工艺、质量、安全、环保、进度要求及所采用施工规范、工程验收标准等,严格按照施工图、施工组织设计、作业指导书、施工及验收规范的有关技术规定施工。
118、判断题 移动通信系统中的收信机的主要作用是把天线接收下来的射频载波信号首先进行低噪声放大,然后经过变频、中频放大和解调后还原出原始信号,最后经中频放大器放大输出。
点击查看答案
本题答案:错
本题解析:暂无解析
119、问答题 简述光纤通信系统中“抖动”的含义。
点击查看答案
本题答案:光纤通信系统中“抖动”就是数字
本题解析:试题答案光纤通信系统中“抖动”就是数字信号的有效瞬间相对于标准位置的偏差,其单位是UI,它表示对应于1个码元的偏差。
120、问答题 什么是自愈网?
点击查看答案
本题答案:自愈网能在网络出现意外故障情况时自动恢复业务。
本题解析:试题答案自愈网能在网络出现意外故障情况时自动恢复业务。
121、单项选择题 在以下关于“计算机指令”的叙述中,正确的有()。
A.指令就是程序的集合
B.指令是一组二进制或十六进制代码
C.指令通常由操作码和操作数两部分组成
D.所有计算机具有相同的指令格式
点击查看答案
本题答案:C
本题解析:暂无解析
122、单项选择题 数字调度设备的共电接口环路电阻应()。
A.≤150Ω
B.≤600Ω
C.≤2000Ω
D.∞
点击查看答案
本题答案:C
本题解析:暂无解析
123、单项选择题 不属于有线接入技术的是()。
A、铜缆接入技术
B、光纤接人技术
C、以太网有线接入技术
D、微波通信系统
点击查看答案
本题答案:D
本题解析:暂无解析
124、多项选择题 通信线路的中修.大修周期原则上分别是()年。
A.3年
B.5年
C.8年
D.10年
E.15年
点击查看答案
本题答案:B, E
本题解析:暂无解析
125、问答题 阐述测试SDH系统误码的在线监测时的操作步骤。 。
点击查看答案
本题答案:1.根据需要测试的实体一再生段、复用段、高阶通道或低阶通道,
本题解析:试题答案1.根据需要测试的实体一再生段、复用段、高阶通道或低阶通道,选择适当的监视点(通过光耦合器在光路测试可以监视再生段、复用段、高阶通道和低阶通道的全部误码性能,在监测接口测试只能监视高阶通道和低阶通道的误码性能)。
2.在监视点接入SDH分析仪(接收)。
3.调整SDH分析仪,同时监视相应的参数:B1、B2、B3和V5(b1\b2)。
4.设置测试时间,同时在网管上进行相同的监测。
5.测试结束后,记录测试结果
126、判断题 交流配电屏中,熔断器容量按最大负荷电流的1.2-1.5倍选取。
点击查看答案
本题答案:对
本题解析:暂无解析
127、填空题 列尾控制盒与列调控制盒的接口均采用标准()插座,型号为AL16-J7Z。
点击查看答案
本题答案:七芯
本题解析:试题答案七芯
128、单项选择题 在光传输设备中,光发射机的作用不包括()。
A.由调制电路将模拟电信号转换成数字电信号
B.由光源产生光纤通信系统所需要的载波
C.输人接口在电/光之间解决阻抗、功率及电位的匹配问题
D.线路编码包括码型转换和编码
点击查看答案
本题答案:A
本题解析:暂无解析
129、单项选择题 电源线与信号线交叉敷设时,宜成()。
A.平行敷设
B.垂直敷设
C.45度交叉
D.立体交叉
点击查看答案
本题答案:B
本题解析:暂无解析
130、判断题 SDH自愈保护中,通常情况下通道倒换环使用共享保护,复用段倒换环使用专用保护。
点击查看答案
本题答案:错
本题解析:暂无解析
131、单项选择题 每个施工地点都要设置安全员,负责按公路管理部门的有关规定摆放安全标志,观察过往车辆并监督各项安全措施执行情况,发现问题及时处理。特别是()时,更要特别注意。
A.开工前安全标志尚未全部摆放到位
B.收工撤离收取安全标志
C.开工前安全标志尚未全部摆放到位和收工撤离收取安全标志
D.开工前和收工撤离
点击查看答案
本题答案:C
本题解析:暂无解析
132、填空题 在铁路线上、站场内或市区挖坑、挖沟时,应与有关部门联系,如有危及行人、行车和施工安全时,须采取安全防护措施;利用爆破方法时,必须由熟练的爆破人员指导,()、炸药的保管、运搬应按有关规定办理。
点击查看答案
本题答案:雷管
本题解析:试题答案雷管
133、问答题 什么是UPS的转换效率,它具有哪些特性。
点击查看答案
本题答案:UPS电源的转换效率是指在输入额定电压,输出额定负载时
本题解析:试题答案UPS电源的转换效率是指在输入额定电压,输出额定负载时,输出的有功功率与输入有功功率(不含电池充电功率)之比。UPS的转换效率是一项较重要的指标,效率的提高往往代表着新技术与新功率器件的成功应用。转换效率高的UPS自身损耗小,功率器件温升低,整机运行的可靠性及寿命都会有所提高。
134、填空题 将数字数据调制为模拟信号的调制方法有()。
点击查看答案
本题答案:调幅、调频、调相
本题解析:试题答案调幅、调频、调相
135、问答题 阐述智能光网络方案主要解决的问题。
点击查看答案
本题答案:智能光网络方案主要解决的问题:一是智能光网络与现有传送网的互
本题解析:试题答案智能光网络方案主要解决的问题:一是智能光网络与现有传送网的互通。智能光网络的发展是一个逐步引入的过程,只有实现智能光网络与现有传送网的互通,完成端到端的电路动态调度,才能充分发挥现有网络资源的作用。实现智能光网络与现有网络的互通可以在网络管理系统中加入控制平面,使用标准的UNI接口与用户网管相连,通过响应用户侧网管的请求实现智能光网络功能。二是光网元的互通。光网元互通则是在网元中内置分布式控制软件,通过NNI接口实现。从网络控制和路由建立的方式考虑,智能光网络有集中控制式系统和分布式控制系统。这两种方案各有长处,适用于不同的网络,运营商需要选择所采用的方案。传统SDH业务(租用路线(LL))是在任何时候都固定连接的业务,可采用集中式资源管理以提高网络的组织效率。带宽按需分配业务需要进行自动资源分配,可采用分布式解决方案。网元资源随着业务的不同需求在不同子网间自由划分和组织,可按照网络发展的需要自由地组织网络。
136、单项选择题 由于采用了频率复用,在同频小区之间产生的干扰就称为:()
A.同频干扰
B.快衰落
C.领道干扰
D.慢衰落
点击查看答案
本题答案:A
本题解析:暂无解析
137、问答题 简述传输设备光板维护的注意哪些事项?
点击查看答案
本题答案:(1)光接口板上未用的光口一定要用防尘冒盖住。
本题解析:试题答案(1)光接口板上未用的光口一定要用防尘冒盖住。
(2)日常维护工作中使用的尾纤在不用时,尾纤接头也要带上防尘冒。
(3)不要直视光板上的光口,以防激光灼伤眼睛。
(4)清洗光纤头时;应使用无尘纸蘸无水酒精小心清洗,不能使用普通的工业酒精、医用酒精或水。
(5)更换光板时;注意应先拔掉光板上的光纤,再拔光板,不要带纤拔插板。
(6)当设备安装在19英寸机柜时,光口连接应使用短护套尾纤。
138、填空题 当采用屏蔽电缆或穿金属保护管以及在线槽内敷设时,与具有强磁场和强电场的电气设备之间的净距离应大于(),屏蔽线应单端接地。
点击查看答案
本题答案:0.8m
本题解析:试题答案0.8m
139、填空题 通道测试的最主要指标是()、()。
点击查看答案
本题答案:误码率;衰耗
本题解析:试题答案误码率;衰耗
140、判断题 综合视频监控系统的维护主要依靠网管进行。
点击查看答案
本题答案:对
本题解析:暂无解析
141、单项选择题 我国铁路综合数字移动通信系统(GSM-R)规划使用的上下行频段为()。
A.903-909MHz和948-954MHz
B.909-915MHz和954-960MHz
C.825-835MHz和870-880MHz
D.885-889MHz和930-934MHz
点击查看答案
本题答案:D
本题解析:暂无解析
142、填空题 码型变换电路的作用是将输入接口送来的普通二进制信号变换为适于光纤线路中传送的()。
点击查看答案
本题答案:码型信号
本题解析:试题答案码型信号
143、单项选择题 地区电缆(不论长短)两线间绝缘电阻()。
A、≥4MΩ
B、≥6MΩ
C、≥8MΩ
D、≥10MΩ
点击查看答案
本题答案:D
本题解析:暂无解析
144、单项选择题 为什么需要网络互连设备?()。
A.它们允许更多的网络节点,扩展网络的距离,合并不同的网络
B.它们增加数据传输的速度,降低建筑物内的电磁干扰
C.它们提供了冗余的路径,从而防止信号丢失的损坏
D.它们提供了整个建筑物内设备的连接
点击查看答案
本题答案:A
本题解析:暂无解析
145、问答题 什么是保护接地、接零保护和漏电保护?
点击查看答案
本题答案:为保证人身安全,减少或避免触电事故发生,将电气设备不带
本题解析:试题答案为保证人身安全,减少或避免触电事故发生,将电气设备不带电的金属外壳与大地做电气连接,称为保护接地。保护接地只应用于不接地的电网中。
把设备不带电的金属外壳部分接在电源的零线上,称为接零保护 。
当有人遭电击而且已危及生命安全之前,触电线路能够及时准确地向保护装置发出信息,使其有选择而迅速地切断电源。这种措施称为漏电保护。
146、判断题 布放架间电缆的两端必须有明显标示。
点击查看答案
本题答案:对
本题解析:暂无解析
147、填空题 分组交换的基本业务功能包括交换虚电路(SVC)和()
点击查看答案
本题答案:永久虚电路(PVC)
本题解析:试题答案永久虚电路(PVC)
148、填空题 当铁路无线通信系统及其设备受到干扰时,应及时上报(),积极配合无线电管理机构查找和处理干扰源。
点击查看答案
本题答案:无线电管理机构
本题解析:试题答案无线电管理机构
149、填空题 帧中继的拥塞控制是通过拥塞监测、()、拥塞恢复三个步骤实现的。
点击查看答案
本题答案:拥塞避免
本题解析:试题答案拥塞避免
150、单项选择题 将基础直流电源的电压变换成通信设备所需要的各种直流电压的设备是()。
A.整流设备
B.逆变器
C.直流变换器(DC/DC)
D.交流不间断电源(UPS)
点击查看答案
本题答案:C
本题解析:暂无解析
151、判断题 通信设备责任故障或障碍按性质分为责任和非责任两类。
点击查看答案
本题答案:对
本题解析:暂无解析
152、判断题 我国工伤保险基金实行社会统筹,除了生产经营单位要为全部从业人员缴纳工伤保险费外,职工本人也要酌情缴纳部分工伤保险费。
点击查看答案
本题答案:错
本题解析:暂无解析
153、单项选择题 光源稳定性是指光源输出光波长()时间或温度而漂移。
A.不随
B.要随
C.可能不随
D.一定要随
点击查看答案
本题答案:A
本题解析:暂无解析
154、填空题 严禁作业工具、材料或设备侵入()限界。
点击查看答案
本题答案:铁路
本题解析:试题答案铁路
155、填空题 郑西线直放站远端机一般采用()条通道与近端机相连。
点击查看答案
本题答案:3
本题解析:试题答案3
156、问答题 隧道内安装漏泄电缆支架的质量标准有哪些?
点击查看答案
本题答案:(1)支架的安装位置,距离钢轨面高度一般为4.8~4.
本题解析:试题答案(1)支架的安装位置,距离钢轨面高度一般为4.8~4.9m;
(2)支架上夹板固定位置要统一,以使电缆与洞壁之间的距离保持一致,洞内防火型二用吊夹一般每隔5m安装一个;
(3)隧道内无衬砌面时,采用钢丝承力索吊挂电缆方式。固定钢丝承力索的支架采用40×40×4mm角钢,孔深为120mm,并采用水泥沙浆灌注。角钢间距不宜大于15m,根据地形可适当移动位置,但移动距离不应大于2m。
157、填空题 隧道内漏缆吊挂应在隧道侧壁,槽口朝向()侧。
点击查看答案
本题答案:线路
本题解析:试题答案线路
158、填空题 计算机网络信息安全中,安全服务是指对应的网络协议层次对信息的()、完整性和真实性进行保护和鉴别,以便防御各种安全威胁和攻击。
点击查看答案
本题答案:保密性
本题解析:试题答案保密性
159、问答题 阐述阀控型铅酸蓄电池的组成及工作原理。
点击查看答案
本题答案:1.组成:阀控铅蓄电池的基本结构是由正负极板、隔板、电
本题解析:试题答案1.组成:阀控铅蓄电池的基本结构是由正负极板、隔板、电解液、安全阀、气塞、外壳等部分组成。正负极板均采用涂浆式极板,活性材料涂在特制的铅钙合金骨架上。这种极板具有很强的耐酸性、很好的导电性和较长的寿命,自放电速率也较小。隔板采用超细玻璃纤维制成,全部电解液注入极板和隔板中,电池内没有流动的电解液,即使外壳破裂,电池也能正常工作。电池顶部装有安全阀,当电池内部气压达到一定数值时,安全阀自动开启,排出气体。电池内气压低于一定数值时,安全阀自动关闭,顶盖上还备有内装陶瓷过滤器的气塞,它可以防止酸雾从蓄电池中溢出。正负极接线端子用铅合金制成,采用全密封结构,并且用沥青封口。
2.阀控铅蓄电池的密封原理:铅酸蓄电池在充电后期正极会析出氧气,负极析出氢气,直接造成了电池的水损耗,这是电池不能密封的直接原因,如何使气体少析出或不析出呢?阀控电池采取了以下措施:
①采用无锑合金,严格控制Fe、Cl等杂质含量,提高了负极析氢电位,使得负极析氢较困难;
②采用阴极吸收技术,使超细玻璃纤维隔板处于不饱合吸酸状态,具有一定贫液度,这为气体扩散创造了有利条件,使正极产生的氧气扩散至负极与海绵状铅反应。
这样正极分解水产生的氧气又在负极还原成水。合理设计可以使电池的氧气点合效率达99%以上,基本上没有水的损耗。此即为氧循环复合原理。O2与Pb的反应又使负极去极化,极化电位进一步降低,更有利于抑制氢气在负极的析出。而氧气通过氧循环复合反应又回到体系中。
160、单项选择题 网桥作为局域网上的互连设备,主要作用于()。
A.物理层
B.数据链路层
C.网络层
D.高层
点击查看答案
本题答案:B
本题解析:暂无解析
161、填空题 频率特性测试目的是保持话音经过传输后具有原来的()和()。
点击查看答案
本题答案:清晰程度;逼真度
本题解析:试题答案清晰程度;逼真度
162、单项选择题 话筒引线不能太长,否则会引起杂音和产生啸叫,一般以()以内为宜。
A.3米
B.5米
C.10米
D.15米
点击查看答案
本题答案:C
本题解析:暂无解析
163、单项选择题 双稳态触发器的触发脉冲过窄,将会使电路出现()。
A.空翻
B.正常翻转
C.触发而不翻转
D.空翻、正常翻转均可能
点击查看答案
本题答案:C
本题解析:暂无解析
164、填空题 移动通信网无线区群的激励方式一般分为中心激励和()激励。
点击查看答案
本题答案:顶点
本题解析:试题答案顶点
165、填空题 线槽拐直角弯时,其最小的弯曲半径不应小于槽内最粗电缆外径的()倍。
点击查看答案
本题答案:10
本题解析:试题答案10
166、问答题 串音大小与哪些因素有关?
点击查看答案
本题答案:1.与线路长度有关:线路越长远端串音、近端串音越大,但过了一
本题解析:试题答案1.与线路长度有关:线路越长远端串音、近端串音越大,但过了一定长度后,近端串音不随长度继续增大,而稳定在一定值上;
2.与频率有关:无论是近端还是远端串音,都是随频率的升高而增大。
167、单项选择题 用户线采用PCM传输设备时,用户信令在第()时隙传送。
A、0
B、1
C、16
D、31
点击查看答案
本题答案:C
本题解析:暂无解析
168、填空题 射频直放站主要检测项目有:正、反向输入、输出电平;静噪门限电平;()。
点击查看答案
本题答案:自动增益控制范围
本题解析:试题答案自动增益控制范围
169、填空题 数据网由全路()和区域网络构成。
点击查看答案
本题答案:骨干网络
本题解析:试题答案骨干网络
170、判断题 某用户摘机未听到拨号音,不一定是用户话机的故障。
点击查看答案
本题答案:对
本题解析:暂无解析
171、判断题 全塑电缆接续套管应具有能防潮防水的技术要求,不管是架空电缆、直埋电缆,还是管道电缆,都要求接头有良好的防潮防水性能,以保证通信电缆正常的电气特性。
点击查看答案
本题答案:对
本题解析:暂无解析
172、判断题 电信网的目标是向网内任何用户之间提供通信的能力。
点击查看答案
本题答案:对
本题解析:暂无解析
173、单项选择题 若要求滤波器工作在数百兆的中心频率上,带宽只有几赫,下列()可以实现。
A.LC滤波器
B.RC滤波器
C.晶体滤波器
D.锁相环
点击查看答案
本题答案:D
本题解析:暂无解析
174、问答题 铁路建设项目施工作业指导书是什么?
点击查看答案
本题答案:施工作业指导书是根据分部、分项工程施工具体要求,针对特
本题解析:试题答案施工作业指导书是根据分部、分项工程施工具体要求,针对特殊过程、关键工序向施工人员交待作业程序、方法及注意事项,落实各项验收规范和标准,指导现场施工作业、严格控制工程质量,确保施工安全,满足节能环保要求等需要制订的作业及工艺标准。
175、单项选择题 进入现场施工前必须先观察施工区域的()位置,以便应急紧急情况。
A.引桥跳板
B.照明设备
C.逃生通道
D.灭火器
点击查看答案
本题答案:C
本题解析:暂无解析
176、判断题 垂直运输机械人员、安装拆卸工、爆破作业人员、登高架设作业人员、电工、锅炉工、焊工等特种作业人员必须经过考核合格取得操作证后方准上岗作业。
点击查看答案
本题答案:对
本题解析:暂无解析
177、问答题 对DTP板S0灯S1灯做环路故障分析
点击查看答案
本题答案:SO灯亮表示2M1无码流,如果是主系统,表示备环方向,
本题解析:试题答案SO灯亮表示2M1无码流,如果是主系统,表示备环方向,主站与末端站通信发生线路故障;如果是分系统,表示主环方向,该站与上行站通信发生线路故障:
S1灯亮,表示2M2无码流,如果是主系统,表示主环方向,主站与下行站通信发生故障;如果是分系统,表示备环方向,该站与下行站通信故障。
178、单项选择题 应急通信系统无论采取何种接入方式,现场设备开通时间应不大于()。
A.2小时
B.1小时
C.30分钟
D.20分钟
点击查看答案
本题答案:C
本题解析:暂无解析
179、填空题 凡进行危险较大、影响行车和人身安全的工作,必须事先拟定安全技术措施,并由()切实组织实施。
点击查看答案
本题答案:施工负责人
本题解析:试题答案施工负责人
180、问答题 施工企业对施工项目的安全措施应在什么阶段制定?
点击查看答案
本题答案:安全技术措施须在施工前编制好,并且经过审批后正式下达施工单位
本题解析:试题答案安全技术措施须在施工前编制好,并且经过审批后正式下达施工单位指导施工,设计和施工发生变更时,安全技术措施必须及时变更或做补充。
181、判断题 负荷均分电路实质是使每台整流器能够平均分担电源系统输出的总功率。
点击查看答案
本题答案:对
本题解析:暂无解析
182、填空题 程控交换机按信号方式分为()交换机和时分交换机。
点击查看答案
本题答案:空分
本题解析:试题答案空分
183、单项选择题 长途电缆的防雷保护系统接地电阻应小于()Ω。
91ExAm.org
A、1
B、2
C、3
D、4
点击查看答案
本题答案:D
本题解析:暂无解析
184、判断题 铁路通信设备维护只采取日常维护和集中检修的方式。
点击查看答案
本题答案:错
本题解析:暂无解析
185、问答题 提高功率因素有什么意义?
点击查看答案
本题答案:在相同视在功率下,功率因素越高,有功功率越大,无功功率也就越
本题解析:试题答案在相同视在功率下,功率因素越高,有功功率越大,无功功率也就越小,这样电源设备容量就能充分利用;无功功率越小,减少了供电设备及线路中功率损耗,所以提高功率因素有很大的经济意义。
186、填空题 阀控式密封铅酸蓄电池在投入使用前应按产品使用说明书的规定进行补充充电。当环境温度为21~32℃时充电12小时,如环境温度为10~15℃时,充电时间应延长至()小时。
点击查看答案
本题答案:24
本题解析:试题答案24
187、单项选择题 铁路专用无线通信施工必须建立逐级施工()制。
A、工作责任
B、安全责任
C、生产责任
D、检修责任
点击查看答案
本题答案:B
本题解析:暂无解析
188、判断题 高频平衡只做Ⅰ串Ⅱ(或Ⅱ串Ⅰ)组合的近端串音衰耗测试。
点击查看答案
本题答案:对
本题解析:暂无解析
189、单项选择题 微波和卫星传输系统的中继站是指处在微波传输链路中间,没有上、下话路功能的站。主要完成信号的双向接收和转发。可分为再生中继站和(),射频有源转接站和无源转接站。
A.中频转接站
B.微波中继器
C.交叉连接站
D.分插复用站
点击查看答案
本题答案:A
本题解析:暂无解析
190、判断题 登杆前应检查梯子是否牢固,并检查杆根、登杆的撑角、线担的强度。
点击查看答案
本题答案:对
本题解析:暂无解析
191、填空题 时间同步技术有()、()、GPS、互联网授时、SDH传送网授时。
点击查看答案
本题答案:短波授时;长波授时
本题解析:试题答案短波授时;长波授时
192、问答题 什么是PDS?它由哪几部分组成?
点击查看答案
本题答案:PDS主要是综合布线系统中用于实现数据和语言的通信。即满足计
本题解析:试题答案PDS主要是综合布线系统中用于实现数据和语言的通信。即满足计算机局域网LAN和程控交换机PBX的需求。它遵循电话系统的物理拓扑结构,采用星型的结构化布线方法,数据与电话的布线结构相一致;
PDS由以下6个部分组成:
1.设备子系统:主要指语言系统的电话总机房和数据系统的网络设备室。
2.配线架子系统:指除设备室外,所有楼层的配线架。
3.垂直干线子系统:提供垂直方向的电缆,组成楼层间及外界的通信通道。
4.水平干线子系统:通常使用无屏蔽双绞线(UTP),将垂直干线延伸到用户工作区,在需要高速应用时,水平干线也可采用光缆。
5.工作区子系统:由信息插座及连接到用户设备的连线组成。
6.建筑群子系统:指将一幢建筑物中电缆延伸到另一建筑物,包括电缆、光缆和一些电气保护设备。
193、填空题 在低频回路上常采用()的方法来减小衰减、改善传输质量。
点击查看答案
本题答案:增加电感
本题解析:试题答案增加电感
194、填空题 移动基站控制器主要的功能是进行无线信道管理、实施呼叫和通信链路的建立和拆除,并对本控制区内移动台的()进行控制等。
点击查看答案
本题答案:越区切换
本题解析:试题答案越区切换
195、问答题 GSM-R系统有哪几部分组成
点击查看答案
本题答案:GSM-R系统由基站子系统.移动台子系统.网络子系统和操作维
本题解析:试题答案GSM-R系统由基站子系统.移动台子系统.网络子系统和操作维护子系统四大部分组成。
196、问答题 铁路无线通信日常维护是什么?
点击查看答案
本题答案:日常维护:是预防和消除设备故障隐患、及时发现问题和快速
本题解析:试题答案日常维护:是预防和消除设备故障隐患、及时发现问题和快速进行处理的经常性维护作业,包括对系统和设备进行巡视、检查、检测、倒换和排除故障等工作。日常维护的基本任务就是确保通信设备和系统的正常运行。
197、单项选择题 下列各项不属于环境量的是()。
A.温湿度
B.烟雾报警
C.地湿报警
D.低压电流
点击查看答案
本题答案:D
本题解析:暂无解析
198、填空题 GSM-R的中文含义是()。
点击查看答案
本题答案:铁路数字移动通信系统
本题解析:试题答案铁路数字移动通信系统
199、单项选择题 若要产生周期性脉冲信号,可采用()电路。
A.多谐振荡器
B.双稳态触发器
C.单稳态触发器
D.其它类型
点击查看答案
本题答案:A
本题解析:暂无解析
200、问答题 电源设备外观检查、告警检查的内容是什么?
点击查看答案
本题答案:对电源设备外观进行检查,对整流器、二次模块的各项告警功
本题解析:试题答案对电源设备外观进行检查,对整流器、二次模块的各项告警功能进行试验,确认良好;与监控终端试验远程监控功能,发现不良及时查找原因。
题库试看结束后
微信扫下方二维码即可打包下载完整版《★铁路通信工技能考试》题库
手机用户可保存上方二维码到手机中,在微信扫一扫中右上角选择“从相册选取二维码”即可。
题库试看结束后微信扫下方二维码即可打包下载完整版《铁路通信工技能考试:铁路通信工技能考试》题库,分栏、分答案解析排版、小字体方便打印背记!经广大会员朋友实战检验,此方法考试通过率大大提高!绝对是您考试过关的不二利器!
手机用户可保存上方二维码到手机中,在微信扫一扫中右上角选择“从相册选取二维码”即可。
微信搜索关注"91考试网"公众号,领30元,获取公务员事业编教师考试资料40G