时间:2017-10-25 06:53:14


1、问答题
某罐尺寸如图示(单位为m),顶部是球缺形,下部是圆柱形,求它的容积。

2、问答题 论述正压气力除灰设备的控制。
3、单项选择题 用盐酸溶液清洗管道内的灰垢,酸液浓度为()。
A.4%~6%;
B.6%~8%;
C.8%~10%;
D.10%~12%。
4、问答题 金属棒在2℃时长恰好是1000mm,在27℃时的长是1001mm,试粗算一下该金属的线膨胀系数是多少?
5、问答题
如图D-4所示,有R1,R2两个电阻,并联后接入电压是6V的电路中,已知通过R2的电流强度是0.1A,R1=30Ω,求主路上的电流强度和并联总电阻。

6、单项选择题 灰渣泵的转子和电动机一般用()。
A.皮带连接;
B.联轴器连接;
C.螺栓连接;
D.挠性连接。
7、单项选择题 比转速的物理意义是指在泵内的扬程为1m,流量为()时的转速。
A.0.05m/s;
B.0.06m/s;
C.0.075m/s;
D.0.080m/s。
8、单项选择题 当新轴承上涂有防锈剂时,则应先将轴承用热机油加热,使防锈剂熔化后,再用()清洗并冲洗干净。
A.汽油;
B.煤油;
C.柴油;
D.机油。
9、单项选择题
表示加工平整程度的光洁度用符号()及标志数字大小来表示。

A.图A-2A.;
B.图A-2B.;
C.图A-2C.;
D.图A-2D.。
10、单项选择题 研磨时,研具的材料应比工件的材料(),这样可使研磨剂的微小磨粒嵌在研具上形成无数刀刃。
A.硬度高;
B.一样;
C.硬度低;
D.无关。
11、问答题 画出水环式直空泵的星形偏心叶轮。
12、单项选择题 7806型滚动轴承的内径尺寸为()mm。
A.30;
B.40;
C.75;
D.36。
13、问答题 绘图题:画出朗肯循环热力设备系统图,并标明设备名称。
14、单项选择题 AX-320型电焊机接入380V电源,选用的熔丝额定电流是()A。
A.50;
B.60;
C.100;
D.120。
15、问答题 分析油隔离泵在运行中常见的故障及导致故障的主要原因?
16、问答题 某台传动滚筒轴的功率P0为20kW,总传动功率η为90%,功率备用系数K为1.5,问选用多大功率P1的电动机。
17、问答题 某一铸铁件要攻丝M12³1.25的螺纹,计算它的底孔直径是多少。
18、单项选择题 为了保证除灰管道有一定的使用期限,在选择除灰管道的材料和确定管壁厚度时,都要充分地考虑()因素。
A.耐磨;
B.壁厚;
C.材料;
D.尺寸。
19、单项选择题 除灰管道磨损与输送的水流或气流的()有一定关系。
A.重度;
B.浓度;
C.温度;
D.流量。
20、单项选择题 为了保证除灰管道有一定的使用期限,在选择除灰管道的材料和确定管壁厚度时,都要充分地考虑()因素。
A.耐磨;
B.壁厚;
C.材料;
D.尺寸。
21、单项选择题 蠕变是指金属在一定的温度()下随时间的增加,发生缓慢的塑性变形现象。
A.应力;
B.压力;
C.拉力;
D.外力。
22、单项选择题 为了保持空气斜槽有良好的输送性能,槽体倾斜度一般不小于()。
A.6%;
B.8%;
C.10%;
D.12%。
23、单项选择题 亚弧电流的平均值等于()倍的有效值。
A.0.707;
B.0.637;
C.0.9;
D.1。
24、问答题 论述灰渣对管道的磨损?
25、问答题 绘图题:流体在管内流动时,受粘滞性影响,其流速分布如何,请画出。
26、单项选择题 用机油将轴承加热到100~120℃,使轴承内孔膨胀大于轴颈()mm以上,再进行装配。
A.0.05;
B.0.1;
C.0.15;
D.0.2。
27、单项选择题 装配灰浆泵时,将推力轴承安装在准确位置,按记录装好轴承中间垫环,不要偏斜,用()敲打轴承内套,使两盘轴承靠紧。
A.手锤;
B.大锤;
C.紫铜棒;
D.木块。
28、单项选择题 用机油将轴承加热到100~120℃,使轴承内孔膨胀大于轴颈()mm以上,再进行装配。
A.0.05;
B.0.1;
C.0.15;
D.0.2。
29、单项选择题 旋转式给料器(电动锁气器)转子叶片间存灰小,转子转动时较轻,可以()起动。
A.不带负荷;
B.带少量负荷;
C.带负荷;
D.盘车。
30、单项选择题 对于不对称的焊缝的结构采用先焊()的一侧的方法。
A.焊缝多;
B.焊缝少;
C.跳焊;
D.对称焊。
31、单项选择题 淬火的水温一般不超过()。
A.20℃;
B.30℃;
C.40℃;
D.50℃。
32、单项选择题 用空气斜槽输送细灰,其长度一般不宜超过()。
A.30m;
B.35m;
C.40m;
D.20m。
33、单项选择题 下列几种泵相对流量大的是()。
A.离心泵;
B.齿轮泵;
C.轴流泵;
D.双吸泵。
34、问答题 喷水式柱塞泥浆泵的润滑系统主要包括哪些构件?其作用是什么?
35、问答题 画出电动截止阀、止回阀、气动调节阀在汽水系统图上的表示方法。
36、单项选择题 灰渣泵在不同的流量下,其与扬程效率和功率之间的关系称为()。
A.效率特性;
B.参数特性;
C.工作特性;
D.泵的特性。
37、问答题 压力为80cmHg时,气体之体积为1000cm3,如温度不变,而体积增至2000cm3,问压力应为多少?
38、问答题 画离心泵示意图。
39、单项选择题 管径选择时,一般是根据所要通过介质的最大流量和允许()计算管子内径的。
A.压力损失;
B.介质温度;
C.介质对管壁的压力;
D.介质的化学性质。
40、单项选择题 为了保持空气斜槽有良好的输送性能,槽体倾斜度一般不小于()。
A.6%;
B.8%;
C.10%;
D.12%。
41、单项选择题 转动机械的地脚螺栓不垂直度允许偏差为螺栓长度的()。
A.1/10;
B.1/100;
C.1/50;
D.1/1000。
42、问答题 一个氧气瓶,容积为100L,在温度为20℃时,瓶上压力表指示的压力为100个标准大气压,求瓶里氧气的质量?(标准状况下,每升氧气的质量是1.43g)
43、问答题 在修理中如何判断螺纹的规格及其各部尺寸?
44、问答题 什么是形状公差?形状公差包括几项内容?
45、单项选择题 用空气斜槽输送细灰,其长度一般不宜超过()。
A.30m;
B.35m;
C.40m;
D.20m。
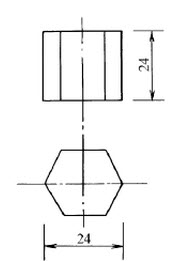
46、问答题 一个空心钢球重100kg,测得外径为450mm,求钢球的内径?
47、问答题 绘图题:已知正齿轮模数m=4,齿数Z=19,齿形角α=20°,齿宽B=33,孔径46+0.17,画出齿轮零件图。
48、问答题 两圆柱直齿轮啮合,该齿轮组模数为4,大齿轮齿数36,小齿轮齿数为24,求中心距a?。
49、单项选择题 灰渣泵的主要工作参数有流量Q()以及效率η和功率P。
A.出力;
B.扬程H;
C.温度T;
D.灰水浓度C。
50、单项选择题 灰渣泵叶轮前后盘与护套配合间隙可以通过改变推力轴承在轴端的()来调整。
A.位置;
B.径向位置;
C.轴向位置;
D.间隙。
51、单项选择题 灰渣泵叶轮前后盘与护套配合间隙可以通过改变推力轴承在轴端的()来调整。
A.位置;
B.径向位置;
C.轴向位置;
D.间隙。
52、问答题 绘图题:已知边长为a,请用钢板尺、划规、划针作正五边形。
53、问答题 论述柱塞泵的工作原理。
54、单项选择题 电机地脚垫铁放入后,应用()mm的塞尺检查不得塞入,以防空脚。
A.0.08~0.1;
B.0.05~0.1;
C.0.06;
D.0.15。
55、单项选择题 灰渣泵的主要工作参数有流量Q()以及效率η和功率P。
A.出力;
B.扬程H;
C.温度T;
D.灰水浓度C。
56、单项选择题 灰渣泵的转子和电动机一般用()。
A.皮带连接;
B.联轴器连接;
C.螺栓连接;
D.挠性连接。
57、问答题 已知正六棱锥底面的边长为2cm,侧棱长4cm求正六棱锥的体积?
58、问答题 圆柱齿轮通过测量,齿轮外径50mm,齿数16,求出绘制该齿轮加工图的基本尺寸是多少?
59、问答题 论述除灰系统阀门容易损坏的原因?
60、单项选择题 根据水泵的相似定律,提高水泵扬程和流量的最简单的方法是()。
A.提高水泵的转速;
B.增大入口管径;
C.减少出口管径;
D.增加叶轮直径。
61、问答题 用碳素工具钢能否切削合金钢?为什么?
62、问答题 论述离心泵检修质量的要求。
63、单项选择题 异步电动机电源电压在允许范围内变化时,对电机的转速()。
A.影响较大;
B.影响较小;
C.没有影响;
D.正常。
64、单项选择题 亚共析钢含碳量是()。
A、小于0、8%
B、等于0、8%
C、 大于0、8%
65、单项选择题
表示加工平整程度的光洁度用符号()及标志数字大小来表示。

A.图A-2A.;
B.图A-2B.;
C.图A-2C.;
D.图A-2D.。
66、问答题 绘图题:已知一小于90°的圆弧,请用钢板尺、划规、划针作该段圆弧的展开长度。
67、单项选择题 湿式除尘器的落灰管应保持良好的(),以防止漏风。
A.接触;
B.状态;
C.系统;
D.密封。
68、单项选择题 电除尘器振打系统的锤头和承击砧应为线接触,在锤头厚度方向上的接触必须大于锤厚的()。
A.50%;
B.60%;
C.75%;
D.40%。
69、问答题 论述电晕线肥大的危害及消除办法。
70、问答题 热装轴套,已知套的内孔实际尺寸为199.98mm,轴外径的实际尺寸为200.08mm,轴和套所用材料的膨胀系数均为12³106,问从理论上讲(不考虑散热等)至少升温多少度才能装入?
71、问答题
齿轮油泵轴与孔需要加工修复,工作图上给出加工尺寸如下:
40-
轴0.025
40,孔,问轴与孔的最大和最小配合间隙是多少?
-0.050+0.039
72、问答题 论述设备大修的原则及项目?
73、问答题 已知V0=6m3/kg,空气温度为27℃,当大气压力为750mmHg时,求其燃烧1kg煤所需实际空气量?
74、问答题 某车工加工一批零件,技术要求(100±2)mm,经检验得到平均值为X=100mm,S=0.35mm,计算分析工序能力指数,并指出应采取的措施。
75、问答题 已知某电除尘器为双室三电场,现测得每一电场的除尘效率是75%,求该除尘器的总除尘效率?
76、单项选择题 灰渣泵允许通过的灰渣粒径范围应()。
A.大于25mm;
B.小于25mm;
C.大于30mm;
D.30~40mm。
77、单项选择题 灰渣泵在不同的流量下,其与扬程效率和功率之间的关系称为()。
A.效率特性;
B.参数特性;
C.工作特性;
D.泵的特性。
78、单项选择题 250mm,垢层厚达到50mm,这时与新管运行时相比,排灰能力降低()。48(Je3A2256).除灰管道
A.20%;
B.30%;
C.40%;
D.50%。
79、问答题 绘图题:已知弦长a与弧高b,请用钢板尺、划规、划针作小圆弧。
80、问答题 编制检修计划应包括哪些内容?
81、单项选择题 安装卷物机时,滚筒中心线必须与钢丝绳保持垂直,第一个转向滑车到卷扬机的距离,应不小于()。
A.3m;
B.4m;
C.6m;
D.10m。
82、问答题 绘图题:已知一圆O,请用钢板尺、划规、划针作圆的内接正五边形。
83、问答题 绘图题:画出火力发电厂燃烧系统流程图(炉及尾部),并注明各设备名称。
84、单项选择题 涡轮齿圈常选用青铜材料,这是为了()。
A.减少磨损
B.降低噪音
C.减少振动
85、单项选择题 淬火的水温一般不超过()。
A.20℃;
B.30℃;
C.40℃;
D.50℃。
86、单项选择题 电除尘器振打系统的锤头和承击砧应为线接触,在锤头厚度方向上的接触必须大于锤厚的()。
A.50%;
B.60%;
C.75%;
D.40%。
87、问答题 试选一台水泵,已知Qmax=0.33m3/s,管路系统中总损失水高Σhw=40m,吸水池液面到压水池液面的几何高度为Hp=70m,泵由电动机直接驱动,输送常温清水。
88、问答题 画出两种密封环的类型。
89、问答题
两个定滑轮车通过一个中间的动滑轮车,吊一个1000kg的重物,如图所示。

90、单项选择题 泵与电机对轮的轴向间隙一般为()mm。
A.2~4;
B.4~6;
C.6~8;
D.8~10。
91、单项选择题 AX-320型电焊机接入380V电源,选用的熔丝额定电流是()A。
A.50;
B.60;
C.100;
D.120。
92、单项选择题 工作票制度是保证运行中的发供电设备工作安全的()之一。
A.安全措施;
B.技术措施;
C.组织措施;
D.运行措施。
93、问答题 论述滚动轴承的工作条件及对轴承钢的性能要求。
94、问答题 画平衡盘装置结构图。
95、单项选择题 转动机械的地脚螺栓不垂直度允许偏差为螺栓长度的()。
A.1/10;
B.1/100;
C.1/50;
D.1/1000。
96、问答题 以100℃的蒸汽通入温度为30℃、质量为300g的水中,经过相当时间后,结果水温为40℃,而质量增加5g,求水的汽化热。
97、单项选择题 离心水泵流量与转速的关系为()。
A.1次方;
B.2次方;
C.3次方;
D.4次方。
98、单项选择题 异步电动机的转速总是()旋转磁场的转速。
A.大于;
B.等于;
C.小于;
D.大于或等于。
99、问答题 绘图题:作等径90°三通展开样板。
100、单项选择题 亚弧电流的平均值等于()倍的有效值。
A.0.707;
B.0.637;
C.0.9;
D.1。
101、问答题 绘图题:作对称“异向等径三通”的展开图。
102、单项选择题 提供冲灰或冲渣用的压力水以便将灰渣沿灰沟冲到灰渣池的是()。
A.灰渣泵;
B.冲灰水泵;
C.冲灰器;
D.污水泵。
103、问答题
阅读图(a)的几何视图,并按制图标准画法规定,解释绘图时的要求。

104、单项选择题 研磨时,研具的材料应比工件的材料(),这样可使研磨剂的微小磨粒嵌在研具上形成无数刀刃。
A.硬度高;
B.一样;
C.硬度低;
D.无关。
105、单项选择题 提供冲灰或冲渣用的压力水以便将灰渣沿灰沟冲到灰渣池的是()。
A.灰渣泵;
B.冲灰水泵;
C.冲灰器;
D.污水泵。
106、问答题 转动机械的基础二次灌浆应具备哪些条件?
107、问答题
分析图(a)所示的三视图,根据机件形状补全三视图相贯线。

108、单项选择题 塑性是金属材料在受外力作用时产生()而不发生断裂破坏的能力。
A.永久变形;
B.暂时变形;
C.变形;
D.弯曲。
109、问答题 论述阀门的盘根如何进行配制和放置。
110、单项选择题 PH型灰渣泵一般采用滚动轴承作为转子支承件,轴承箱内装有两盘滚柱轴承和一盘(),它们除了承受较大的传动荷载外,还可以承受一定的轴向推力。
A.滚动轴承;
B.滑动轴承;
C.推力轴承;
D.承力轴承。
111、单项选择题 热处理工艺一般经过()个阶段。
A.二;
B.三;
C.四;
D.五。
112、单项选择题 涡轮齿圈常选用青铜材料,这是为了()。
A.减少磨损
B.降低噪音
C.减少振动
113、单项选择题 设备安装图用以指导在厂房内或基础上进行设备的安装工作,是设备()的需要技术文件。
A.设备维护;
B.安装工程;
C.设备启动;
D.设备检查验收。
114、问答题 论述如何进行大修改进后的质量验收?
115、单项选择题 灰渣颗粒的硬度取决于()和燃烧方式,如果燃用的C.稳定,一般这个因素是不变的。
A.煤的含量;
B.煤的含碳量;
C.煤种;
D.煤质。
116、问答题 画出泵内流动体的泄漏。
117、单项选择题 当新轴承上涂有防锈剂时,则应先将轴承用热机油加热,使防锈剂熔化后,再用()清洗并冲洗干净。
A.汽油;
B.煤油;
C.柴油;
D.机油。
118、问答题 论述灰渣泵振动噪声大的原因及消除办法?
119、问答题 转动机械安装试运前,应具备哪些条件?完工验收应出具哪些文件?
120、单项选择题 电机地脚垫铁放入后,应用()mm的塞尺检查不得塞入,以防空脚。
A.0.08~0.1;
B.0.05~0.1;
C.0.06;
D.0.15。
121、问答题 灰渣泵轴承寿命过短的原因有哪些?
122、单项选择题 比转速的物理意义是指在泵内的扬程为1m,流量为()时的转速。
A.0.05m/s;
B.0.06m/s;
C.0.075m/s;
D.0.080m/s。
123、问答题
解释图中螺纹代号的含义。

124、问答题 特殊检修项目施工组织措施包括哪些内容?
125、单项选择题 30号机油的30号指()。
A.规定温度下的粘度;
B.使用温度;
C.凝固点;
D.代号。
126、单项选择题 7806型滚动轴承的内径尺寸为()mm。
A.30;
B.40;
C.75;
D.36。
127、问答题 为了加强科学管理、民主管理和有秩序地完成各项生产任务,班组应有怎样的基本制度?
128、问答题 流动阻力与流动阻力损失分为哪两类?阻力如何形成?
129、单项选择题 泵与电机对轮的轴向间隙一般为()mm。
A.2~4;
B.4~6;
C.6~8;
D.8~10。
130、问答题 绘图题:画过盈配合示意图。
131、单项选择题 对于不对称的焊缝的结构采用先焊()的一侧的方法。
A.焊缝多;
B.焊缝少;
C.跳焊;
D.对称焊。
132、问答题 水泵的吸水管上装有一个带有滤网的底阀,若有一个铸造弯头角度为90°,吸水直径d=150mm,求当流量Q=0.016m3/s时,吸水管的局部阻力为多少?已知弯头的阻力系数为0.43,带底阀滤网的阻力系数为3.0。
133、单项选择题 装配灰浆泵时,将推力轴承安装在准确位置,按记录装好轴承中间垫环,不要偏斜,用()敲打轴承内套,使两盘轴承靠紧。
A.手锤;
B.大锤;
C.紫铜棒;
D.木块。
134、问答题 试述阀门、阀瓣(闸板)与阀座密封面泄漏的原因和处理方法?
135、问答题 已知一台鼠笼式三相异步电动机的功率为5.5kW,电压380V,试求此电机的额定电流?功率因素0.85。
136、问答题 绘图题:画一个管道固定支架的安装示意图。
137、单项选择题 异步电动机电源电压在允许范围内变化时,对电机的转速()。
A.影响较大;
B.影响较小;
C.没有影响;
D.正常。
138、单项选择题 吸风机的叶轮及机壳磨损严重的原因是()。
A.烟气中的灰粉;
B.烟气;
C.水气;
D.空气。
139、问答题
画出单级离心泵的性能曲线图,Q-H;Q-N;Q-n(效率)。

140、单项选择题 用盐酸溶液清洗管道内的灰垢,酸液浓度为()。
A.4%~6%;
B.6%~8%;
C.8%~10%;
D.10%~12%。
141、单项选择题 离心水泵流量与转速的关系为()。
A.1次方;
B.2次方;
C.3次方;
D.4次方。
142、问答题 已知某钢管其弯曲半径R为500mm,弯曲角度为90°,试求弯头弧长?
143、单项选择题 30号机油的30号指()。
A.规定温度下的粘度;
B.使用温度;
C.凝固点;
D.代号。
144、单项选择题 热处理工艺一般经过()个阶段。
A.二;
B.三;
C.四;
D.五。
145、单项选择题 旋转式给料器(电动锁气器)转子叶片间存灰小,转子转动时较轻,可以()起动。
A.不带负荷;
B.带少量负荷;
C.带负荷;
D.盘车。
146、问答题 轴承箱地脚螺栓断裂如何处理?
147、单项选择题 吸风机的叶轮及机壳磨损严重的原因是()。
A.烟气中的灰粉;
B.烟气;
C.水气;
D.空气。
148、单项选择题 除灰管道磨损与输送的水流或气流的()有一定关系。
A.重度;
B.浓度;
C.温度;
D.流量。
149、问答题 机械密封应如何检修?
150、问答题
下面零件图(a)中的绘图比例为1∶1,说明零件图中,
20H7的含义,并根据已知图形量取尺寸,标明零件尺寸,要保证螺纹长度。

151、单项选择题 亚共析钢含碳量是()。
A、小于0、8%
B、等于0、8%
C、大于0、8%
152、问答题 已知一直齿轮周节t=9.42,齿数=24,求模数M是多少?
153、问答题 存放圆钢时,在一端看见一正三角形,即上层总比下层少一根,若最底层是57根,最上层是3根,求圆钢共有多少根。
154、单项选择题 塑性是金属材料在受外力作用时产生()而不发生断裂破坏的能力。
A.永久变形;
B.暂时变形;
C.变形;
D.弯曲。
155、单项选择题 根据水泵的相似定律,提高水泵扬程和流量的最简单的方法是()。
A.提高水泵的转速;
B.增大入口管径;
C.减少出口管径;
D.增加叶轮直径。
156、单项选择题 灰渣颗粒的硬度取决于()和燃烧方式,如果燃用的C.稳定,一般这个因素是不变的。
A.煤的含量;
B.煤的含碳量;
C.煤种;
D.煤质。
157、问答题 绘图题:画出一个正六棱柱的二视图,并标注尺寸,尺寸自己选定。
158、问答题 某轴长2.2m,材料为优质碳素结构钢,轴的温度由13℃升高到65℃,问轴的伸长量是多少?(轴的线膨胀系数α=12³106mm/mm℃)
159、单项选择题 PH型灰渣泵一般采用滚动轴承作为转子支承件,轴承箱内装有两盘滚柱轴承和一盘(),它们除了承受较大的传动荷载外,还可以承受一定的轴向推力。
A.滚动轴承;
B.滑动轴承;
C.推力轴承;
D.承力轴承。
160、问答题
绘图题:如图(a)所示,圆柱表面上一点A,在主视图上的投影是a,画出点A在俯视图上的投影。

161、单项选择题 250mm,垢层厚达到50mm,这时与新管运行时相比,排灰能力降低()。48(Je3A2256).除灰管道
A.20%;
B.30%;
C.40%;
D.50%。
162、问答题 论述单级活塞式压缩机的结构及工作原理。
163、问答题 有一根用35号钢锻成的棒,在0℃时,量得它的长度是L,将它加热时到1.001L时,它的温度是多少?已知35号钢的线膨胀系数α=1.35³106mm/mm℃。
164、问答题 绘图题:画出一个圆台的二视图,并标注尺寸。
165、问答题
齿轮油泵轴与孔需要加工修复,工作图上给出加工尺寸如下:轴
,孔
,问轴与孔的最大和最小配合间隙是多少?
166、单项选择题 管径选择时,一般是根据所要通过介质的最大流量和允许()计算管子内径的。
A.压力损失;
B.介质温度;
C.介质对管壁的压力;
D.介质的化学性质。
167、单项选择题 一般脚手架的允许载荷,每平方米不大于()kg。
A.200;
B.250;
C.270;
D.300。
168、问答题
有一液压缸(如图),其直径D为50mm,活塞杆直径d为35mm,进入油缸的流量Q为0.417³10-3m3/s,问活塞往复的速度v1,v2各是多少?

169、单项选择题 一般脚手架的允许载荷,每平方米不大于()kg。
A.200;
B.250;
C.270;
D.300。
170、问答题 画平衡管装置的结构图。
171、单项选择题 平衡盘的作用是平衡叶轮产生的()。
A.径向推力;
B.径向和轴向推力;
C.;轴向推力;
D.摩擦力。
172、问答题 设备系统的管道如何选择?
173、问答题 某压力容器的绝对压力为111kg/cm2,当大气压力为756mmHg时,其表压力为多少兆帕?
174、问答题 论述如何直轴?
175、单项选择题 平衡盘的作用是平衡叶轮产生的()。
A.径向推力;
B.径向和轴向推力;
C.;轴向推力;
D.摩擦力。
176、问答题 试论述管道系统金属监督的重要性?
177、问答题 论述仓式气力输送泵的工作原理。
178、单项选择题 除灰管道内的灰垢呈灰白色,其主要化学成份为()。
A.氧化硅;
B.氧化铝;
C.氧化铁;
D.氧化钙。
179、问答题
绘图题:根据图(a)提供的机体立体图形及其尺寸,绘制加工图。

180、单项选择题 下列几种泵相对流量大的是()。
A.离心泵;
B.齿轮泵;
C.轴流泵;
D.双吸泵。
181、单项选择题 安装卷物机时,滚筒中心线必须与钢丝绳保持垂直,第一个转向滑车到卷扬机的距离,应不小于()。
A.3m;
B.4m;
C.6m;
D.10m。
182、单项选择题 工作票制度是保证运行中的发供电设备工作安全的()之一。
A.安全措施;
B.技术措施;
C.组织措施;
D.运行措施。
183、单项选择题 泵的轴功率与有效功率的关系是()。
A.轴功率等于有效功率;
B.轴功率小于有效功率;
C.轴功率大于有效功率;
D.轴功率大于等于有效功率。
184、问答题 论述班组工人的技术培训要求。
185、单项选择题 蠕变是指金属在一定的温度()下随时间的增加,发生缓慢的塑性变形现象。
A.应力;
B.压力;
C.拉力;
D.外力。
186、问答题
绘图题:作如图(a)所示“天圆地方”的展开图。

187、问答题 论述一般设备事故的调查?
188、单项选择题 设备安装图用以指导在厂房内或基础上进行设备的安装工作,是设备()的需要技术文件。
A.设备维护;
B.安装工程;
C.设备启动;
D.设备检查验收。
189、问答题 论述錾削为什么要特别注意安全。