时间:2017-09-30 06:00:00


1、判断题 手拉葫芦的悬挂支承点应牢固,悬挂支承点的承载能力应与该葫芦的起重能力相适应。()
2、单项选择题 力是一种既有大小又有方向的()。
(A)度量;
(B)矢量;
(C)标量;
(D)质量。
3、单项选择题 ()部分是用来限制电动机所带动的机械越位,以免发生事故。
(A)零位保护;
(B)安全连锁;
(C)安全限位;
(D)接地保护。
4、判断题 手工锯起锯操作的要点是行程短、压力小、速度慢、起锯角度正确。()
5、判断题 在使用三孔插座时,不准将插座上接电源零线的孔同接地线的孔串接起来使用。()
6、单项选择题 H系列滑车标记的第二个数字和符号表示()。
(A)额定起重量;
(B)滑轮数;
(C)结构型式;
(D)额定工作速度。
7、判断题 使用二氧化碳灭火器时要防止手被冻伤和吸入过量的二氧化碳而窒息。()
8、问答题 试述大、小车轮组的检查项目。
9、单项选择题 起重机的工作类型也就是()的工作类型,按主起升机构来确定。
(A)电气部分;
(B)运行机构;
(C)金属结构;
(D)以上都不对。
10、单项选择题 钢丝绳表面钢丝磨损超过()后应报废。
(A)10%;
(B)20%;
(C)40%;
(D)50%。
11、单项选择题 在下列符号中,钢的硬度符号为()。
(A)HRC;
(B)σs;
(C)αk;
(D)K1C。
12、单项选择题 起升机构用的钢丝绳润滑保养一般()天加一次润滑脂。
(A)7~15;
(B)15~30;
(C)30~40;
(D)40~60。
13、判断题 绿旗左右摆动,表示起吊设备。()
14、单项选择题 &nbs p;液压电磁铁和电力液压推动器所用的油液,每()更换一次。
(A)三个月;
(B)半年;
(C)一年;
(D)二年。
15、问答题 计算题:某起重机大车运行机构的电动机额定转速n=940r/min,减速器的传动比i=15.75,大车车轮直径D=0.5m,试计算大车的额定运行速度?
16、问答题 钢丝绳断丝的原因是什么?
17、问答题 怎样正确保养量具?
18、判断题 YZR系列绕线转子异步电动机转子绕组一般均为三角形接法。()
19、判断题 液压油黏度指数越高,油的黏度随温度变化越大,即液体的黏温特性越好。()
20、判断题 捆绑起吊时,要合理地选择绑扎点,考虑重心位置。()
21、单项选择题 塔类设备顺装法的缺点是吊装高度大,桅杆高,高空作业量大,操作者安全感(),质量不容易保证。
(A)差;
(B)一般;
(C)较好;
(D)好。
22、单项选择题 起升机构用的钢丝绳润滑保养一般()天加一次润滑脂。
(A)7~15;
(B)15~30;
(C)30~40;
(D)40~60。
23、判断题 所有齿轮的润滑都采用齿轮油。()
24、问答题 什么是齿轮传动?其基本特点是什么?
25、单项选择题 在音笛信号中,紧急停止用()。
(A)一长声;
(B)急促的长声;
(C)二短声;
(D)三短声。
26、单项选择题 在手语信号中,手臂伸直、置于头的上方,五指自然伸开、手心朝前保持不动表示()。
(A)吊钩上升;
(B)准备;
(C)停止;
(D)降臂。
27、单项选择题 绳夹使用的数量应根据钢丝绳直径而定,但最少不得少于()。
(A)2个;
(B)3个;
(C)4个;
(D)5个。
28、单项选择题 遇带电的电气设备着火时,应使用()进行灭火。
(A)砂子;
(B)泡沫灭火器;
(C)风动灭火器;
(D)水。
29、判断题 桥式起重机经常超载或在超工作级别下使用是主梁产生下挠的主要原因。()
30、判断题 绿旗左右摆动,表示起吊设备。()
31、判断题 电站用龙门起重机的主要组成部分为箱形门架结构、小车机构、门架运行机构和工作夹钳等。()
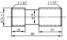
32、问答题 绘图题:如图E-93所示,双头螺栓M24、左端长20mm、右端长35mm、总长80mm,请标注尺寸。
33、单项选择题 排除制动器不能刹住重物故障的方法有()。
(A)调整杠杆系统;
(B)清洗制动轮、调整杠杆系统;
(C)调整弹簧或更换;
(D)调整杠杆系统、清洗制动轮、调整弹簧或更换。
34、问答题 简述凸轮控制器在桥式起重机控制线路中的作用?
35、判断题 在操作频率高、要求有较好的调速及点动性能时,才采用主令控制器--控制 91eXa M.net屏。()
36、单项选择题 力是一种既有大小又有方向的()。
(A)度量;
(B)矢量;
(C)标量;
(D)质量。
37、问答题 计算机:(6×37+1)的钢丝绳,每根钢丝直径为0.6mm,求钢丝绳钢丝总断面面积?
38、判断题 当存在作用于物体的外力时,物体内应力与外力相平衡,并随外力的增加而增加。()
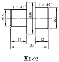
39、问答题 绘图题:已知图(图E-91)最小径段长15mm、中径段长12mm、最大径段长8mm、两端倒角均为1×45°,请标注尺寸。
40、单项选择题 起重机的工作类型也就是()的工作类型,按主起升机构来确定。
(A)电气部分;
(B)运行机构;
(C)金属结构;
(D)以上都不对。
41、判断题 驾驶起重机应使用控制手柄来操作,不可利用安全装置来停车。()
42、判断题 可利用吊钩拉、拔埋于地下的物体或与地面固定设备(建筑物)有钩连的物体。()
43、问答题 绘图题:标出图E-95所示电气元件的名称。
91ExaM.net44、判断题 YZR系列绕线转子异步电动机转子绕组一般均为三角形接法。()
45、单项选择题 塔类设备顺装法的缺点是吊装高度大,桅杆高,高空作业量大,操作者安全感(),质量不容易保证。
(A)差;
(B)一般;
(C)较好;
(D)好。
46、问答题 绘图题:量出下图(图E-89)所画尺寸,并进行尺寸标注。
47、单项选择题 遇带电的电气设备着火时,应使用()进行灭火。
(A)砂子;
(B)泡沫灭火器;
(C)风动灭火器;
(D)水。
48、单项选择题 工作手灯所采用的电压为()。
(A)36V;
(B)110V;
(C)220V;
(D)380V。
49、判断题 二力等值、反向、共线是刚体平衡的充分必要条件。()
50、判断题 桥式起重机经常超载或在超工作级别下使用是主梁产生下挠的主要原因。()
51、单项选择题 动滑轮比定滑轮省力,动滑轮钢丝绳所承受的力是载重量的()。
(A)1/3;
(B)1/2;
(C)1/4;
(D)1/6。
52、单项选择题 起重机轨道通常按照()来选用。
(A)车轮工作宽度;
(B)接触应力;
(C)车轮工作宽度和接触应力;
(D)运行速度。
53、判断题 电站用龙门起重机的主要组成部分为箱形门架结构、小车机构、门架运行机构和工作夹钳等。()
54、问答题 某起重机的大车额定运行速度v为60.8m/min,减速器的传动比i=34.35,电动机转速为950r/min,请问其车轮的直径D为多少?
55、判断题 起升时吹一长声,表示停止。()
56、单项选择题 制动轮表面凹凸不平度达()mm时应报废。
(A)3;
(B)1.5;
(C)0.8;
(D)0.5。
57、判断题 在起升机构中,滑轮组的倍率越大越好。()
58、判断题 起升时吹一长声,表示停止。()
59、单项选择题 起重用链环链具有()的特点。
(A)挠性好、吊物平稳;
(B)挠性差;
(C)抗振动、冲击;
(D)载荷力矩大。
60、判断题 驾驶起重机应使用控制手柄来操作,不可利用安全装置来停车。()
61、判断题 操作钻床时,袖口要扎紧,也要求戴好手套。()
62、判断题 当存在作用于物体的外力时,物体内应力与外力相平衡,并随外力的增加而增加。()
63、单项选择题 一个完整的锉削动作开始时即开始锉时,身体向前倾(),左肘弯曲,右肘稍向后,但不可太大。
(A)15°左右;
(B)18°左右;
(C)30°左右;
(D)10°左右。
64、判断题 吊钩组在使用过程中不需要进行定期检查,也不需要进行润滑。()
65、判断题 滑轮组的滑轮数越多其效率越高。()
66、单项选择题 排除制动器不能刹住重物故障的方法有()。
(A)调整杠杆系统;
(B)清洗制动轮、调整杠杆系统;
(C)调整弹簧或更换;
(D)调整杠杆系统、清洗制动轮、调整弹簧或更换。
67、判断题 在使用三孔插座时,不准将插座上接电源零线的孔同接地线的孔串接起来使用。()
68、判断题 可以在起重机上存放汽油、煤油等物品。()
69、判断题 桥式起重机的金属结构不得出现裂纹、开焊等缺陷。()
70、问答题 某起重机的小车运行速度为42.8m/min,小车车轮直径取为400mm,电动机转速为930r/min,求减速器的传动比?
71、单项选择题 在音笛信号中,紧急停止用()。
(A)一长声;
(B)急促的长声;
(C)二短声;
(D)三短声。
72、判断题 桥式起重机的金属结构不得出现裂纹、开焊等缺陷。()
73、单项选择题 绳夹使用的数量应根据钢丝绳直径而定,但最少不得少于()。
(A)2个;
(B)3个;
(C)4个;
(D)5个。
74、判断题 可利用吊钩拉、拔埋于地下的物体或与地面固定设备(建筑物)有钩连的物体。()
75、问答题 起重机司机要求做到“十不吊”,它的具体内容是什么?
91eXa M.net
76、单项选择题 大吨位的桥式起重机主梁常采用()结构。
(A)框架;
(B)桁架;
(C)格构;
(D)箱式。
77、单项选择题 制动轮表面凹凸不平度达()mm时应报废。
(A)3;
(B)1.5;
(C)0.8;
(D)0.5。
78、判断题 轨道上有油污或冰霜是造成小车运行机构打滑的原因之一。()
79、判断题 在操作频率高、要求有较好的调速及点动性能时,才采用主令控制器--控制屏。()
80、判断题 吊钩组在使用过程中不需要进行定期检查,也不需要进行润滑。()
81、问答题 简述锉刀的正确使用方法。
82、单项选择题 ()是把翻活用钢丝绳的绳扣托在被翻物件的底部或倾面下角部位。
(A)兜翻操作;
(B)游翻操作;
(C)带翻操作;
(D)运行稳钩。
83、单项选择题 起重机在()的情况下,应进行特殊安全技术检验。
(A)新安装、经过大修;
(B)经过大修、改变重要性能;
(C)经过大修、改变重要性能;
(D)新安装、经过大修、改变重要性能。
84、判断题 二力等值、反向、共线是刚体平衡的充分必要条件。()
85、单项选择题 一个完整的锉削动作开始时即开始锉时,身体向前倾(),左肘弯曲,右肘稍向后,但不可太大。
(A)15°左右;
(B)18°左右;
(C)30°左右;
(D)10°左右。
86、单项选择题 在下列符号中,钢的硬度符号为()。
(A)HRC;
(B)σs;
(C)αk;
(D)K1C。
87、单项选择题 钢丝绳表面钢丝磨损超过()后应报废。
(A)10%;
(B)20%;
(C)40%;
(D)50%。
88、单项选择题 起重用链环链具有()的特点。
(A)挠性好、吊物平稳;
(B)挠性差;
(C)抗振动、冲击;
(D)载荷力矩大。
89、判断题 手工锯起锯操作的要点是行程短、压力小、速度慢、起锯角度正确。()
90、单项选择题 动滑轮比定滑轮省力,动滑轮钢丝绳所承受的力是载重量的()。
(A)1/3;
(B)1/2;
(C)1/4;
(D)1/6。
91、问答题 起重机在润滑工作中应遵循什么原则?
92、判断题 可以在起重机上存放汽油、煤油等物品。()
93、判断题 手拉葫芦的悬挂支承点应牢固,悬挂支承点的承载能力应与该葫芦的起重能力相适应。()
94、单项选择题 H系列滑车标记的第二个数字和符号表示()。
(A)额定起重量;
(B)滑轮数;
(C)结构型式;
(D)额定工作速度。
95、单项选择题 在手语信号中,手臂伸直、置于头的上方,五指自然伸开、手心朝前保持不动表示()。
(A)吊钩上升;
(B)准备;
(C)停止;
(D)降臂。
96、判断题 使用二氧化碳灭火器时要防止手被冻伤和吸入过量的二氧化碳而窒息。()
97、单项选择题 起重机轨道通常按照()来选用。
(A)车轮工作宽度;
(B)接触应力;
(C)车轮工作宽度和接触应力;
(D)运行速度。
98、单项选择题 大吨位的桥式起重机主梁常采用()结构。
(A)框架;
(B)桁架;
(C)格构;
(D)箱式。
99、判断题 捆绑起吊时,要合理地选择绑扎点,考虑重心位置。()
100、判断题 在起升机构中,滑轮组的倍率越大越好。()