时间:2017-08-09 08:14:00
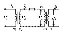
1、计算题 发电机输出功率为100 kW,输出电压是250 V,用户需要的电压是220 V,输电线电阻为10 Ω.若输电线中因发热而损失的功率为输送功率的4%,试求:
(1)用户得到的电功率是多少?
(2)在输电线路中设置的升、降压变压器原副线圈的匝数比.
参考答案:(1)96 kW(2)
本题解析:本题考查远距离输电,根据线路损耗功率可以计算出线路电流大小,再由升压变压器的输出功率求出输出电压,从而求出升压变压器匝数比,由线路压降求出降压变压器的输入电压,从而求出匝数比
(1) P出="100×96%" kW="96" kW
P损="100×4%" kW="4" kW,(2分)
又P损=I22R阻
I2="I3=20" A(2分)
A (2分)
∴
(2分)
V (2分)
U损=4800V (2分)
∴
(2分)
本题难度:一般
2、选择题 在图甲所示的电路中,理想变压器原线圈两端的正弦交变电压变化规律如图乙所示.已知变压器原、副线圈的匝数比n1∶n2=10∶1,串联在原线圈电路中电流表A1的示数为1 A,下列说法正确的是 ( ).
A.电压表V的示数为200
V
B.变压器的输出功率为200 W
C.变压器输出端交流电的频率为100 Hz
D.电流表A2的示数为0.1 A
参考答案:B
本题解析:电表测量的是有效值,电压表V测量原线圈两端交变电压的有效值,所以其示数为U1=
=200 V,A错误;变压器的输出功率等于输入功率,即P出=P入=U1I1=200 W,B正确;变压器不改变输入交流电的频率,变压器输出端交流电的频率为50 Hz,C错误;电流表A2的示数为I2=
=10 A,D错误.
本题难度:简单
3、选择题 两个交流电i1=2sinω1t(A)和i2=2sinω2t(A),ω1≠ω2以下判断正确的是( )
A.由于ω1≠ω2,所以它们通过相同电感元件时,产生不同的自感电动势
B.由于二者是幅值相同的正弦式交变电流,所以它们通过相同的电感元件时,产生相同的自感电动势
C.由于二者频率不同,所以在相同时间内通过相同电阻元件时产生的热量不同
D.由于ω1≠ω2,所以i1和i2永远不可能同时达到峰值
参考答案:A、两个交流电i1=2sinω1t(A)和i2=2sinω2t(A),由于ω1≠ω2,它们通过相同电感元件时,根据自感电动势公式E=n△I△t,电流变化快慢不同,自感电动势一定不同,故A正确,B错误;
C、两个电流的最大值都是2A,故有效值为
本题解析:
本题难度:一般
4、选择题 在电路的MN间加一如图所示正弦交流电,负载电阻R1和R2阻值均为100 Ω,若不考虑电表内阻对电路的影响,则


[? ]
参考答案:AD
本题解析:
本题难度:一般
5、选择题 在下列几种电流的波形图中,不是交变电流的是( )
A B C D
参考答案:A
本题解析:大小和方向都随时间做周期性变化的电流叫交流电;A中电流大小变化,但是方向不变,故不是交流电,故选A.
考点:交流电.
本题难度:一般