时间:2017-08-08 08:16:45
1、选择题 有四个电源,电动势均为6V,内阻分别为r1=1Ω,r2=2Ω,r3=4Ω,今欲向R=2Ω的负载供电,选用哪种电源能使R上得到的功率最大(?)
A.内阻1Ω的
B.内阻2Ω的
C.内阻4Ω的
D.都一样大
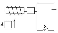
2、计算题 如图所示,为电动机提升重物的装置,电动机线圈r=1 Ω,电动机两端电压为5 V,电路中的电流为1 A,物体A重20 N,不计摩擦力,求:
小题1:电动机线圈电阻上消耗的热功率是多少?
小题2:电动机输入功率和输出功率各是多少?
小题3:10 s内,可以把重物A匀速提升多高?
小题4:这台电动机的机械效率是多少?
3、选择题 维修电炉时,将电阻丝的长度缩短十分之一,则修理后电炉的功率和维修前的功率之比是()
A.9∶10
B.10∶9
C.10∶11
D.11∶10
4、选择题 如图所示,电动势为E、内阻不计的电源与三个灯泡和三个电阻相接。只合上开关S1,三个灯泡都能正常工作。如果再合上S2,则下列表述正确的是(? )
A.电源输出功率减小
B.L1上消耗的功率增大
C.通过R1上的电流增大
D.通过R3上的电流增大
5、选择题 某同学将一直流电源的总功率PE、输出功率PR和电源内部的发热功率Pr随电流I变化的图线画在了同一坐标上,如右图中的a、b、c所示,下面说法正确的是
A.反映Pr变化的图线是c
B.电源电动势为8V
C.电源内阻为2Ω
D.当电流为0.5A时,外电路的电阻为6Ω