时间:2017-08-08 07:57:19
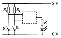
1、其他 如图是应用某种逻辑电路制作的车门报警电路。图中的两个按钮开关分别装在汽车的两扇门上。只要任何一个开关处于开路状态(输入为逻辑1,那么输出也是逻辑1),发光二极管(警报灯)就发光。请你根据要求,在电路图的虚线框内画出门电路符号。 
2、选择题 下列家用电器的自动控制中没有用到温度传感器的是
A.电冰箱
B.微波炉
C.消毒柜
D.电炒锅
3、选择题 下列器件是应用温度传感器的是:
A.电熨斗
B.话筒
C.电饭锅
D.测温仪
4、选择题 如图所示的光控电路用发光二极管理LED模仿路灯,RG为光敏电阻,“
”是具有特殊功能的非门,当加在它的输入端A的电压逐渐上升到某个值时,输出端Y会突然从高电平跳到低电平,而当输入端A的电压下降到另一个值时,Y会从低电平跳到高电平。在天暗时路灯(发光二极管)会点亮,下列说法中正确的是
[? ]
A.天暗时Y处于高电平
B.天暗时Y处于低电平
C.当R1调大时A端的电压降低,灯(发光二极管)点亮
D.当R1调大时A端的电压降低,灯熄灭
5、填空题 如图所示,是为汽车发动机的冷却风扇设计的一个控制电路,点火开关闭合时,输入端B为高电压;并且仅当温度过高时,热敏电阻的阻值就较小,输入端A也为高电压,那么继电器通电,磁性开关合上,冷却风扇工作.在图示虚线框内接入的门电路应是______.若要使冷却风扇容易起动,则应______(选填“增大”或“减小”)可变电阻
R1.