时间:2017-08-07 15:07:14
1、填空题 电动机的自动控制电路如图所示,其中RH为热敏电阻,RL为光敏电阻,当温度升高时,RH的阻值快速减小直至远小于R1;当光照射RL时,其阻值快速减小直至远小于R2,为使电动机在温度升高或受到光照时能自动启动,电路中虚线框内应选___________门逻辑电路;若要提高光照时电动机启动的灵敏度,可以___________R2的阻值(填“增大”或“减小”)。 
2、选择题 下列说法中正确的是:?(?)
A.话筒是一种常用的声音传感器,其作用是将电信号转换为声信号
B.电子秤是利用力传感器进行测量
C.某些街旁的路灯,利用半导体的光敏特性,夜晚电阻小,白天电阻大,控制了电路的通斯
D.半导体热敏电阻常用作温度传感器,因为温度越高,它的电阻值越小
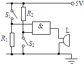
3、选择题 如图所示为用“与”门构成的简易报警器的示意电路.当报警器发出警报声时,电键S1、S2处于的状态为( )
A.S1断开,S2闭合
B.S1闭合,S2断开
C.S1、S2都断开
D.S1、S2都闭合
4、选择题 如图(a)所示为某一门电路符号及输入端A、B的电势随时间变化关系的图像,则图(b)中能正确反映该门电路输出端电势随时间变化关系的图像是(?)

5、填空题 如图是一个为警报器装置的逻辑电路图.RT是一个热敏电阻,低温时电阻值很大,高温时电阻值很小,R是一个阻值较小的分压电阻.
当温度??(填“升高”或者“降低”)到一定程度,电铃就会报警。为了提高电路的灵敏度,即将报警温度调的低些,那么R的值应该调?(填“大”或者“小”) 