时间:2017-07-31 08:15:43
1、选择题 如图所示,三条平行虚线位于纸面内,中间虚线两侧有方向垂直于纸面的匀强磁场,磁感应强度等大反向.菱形闭合导线框ABCD位于纸面内且对角线AC与虚线垂直,磁场宽度与对角线AC长均为d,现使线框沿AC方向匀速穿过过磁场,以逆时针方向为感应电流的正方向,则从C点进入磁场到A点离开磁场的过程中,线框中电流i随时间t的变化关系,以下可能正确的是




A. B. C. D.
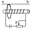
2、选择题 如图9所示,光滑杆ab上套有一闭合金属环,环中有一个通电螺线管。现让滑动变阻器的滑片P迅速滑动,则( ?)
A.当P向左滑时,环会向左运动,且有扩张的趋势
B.当P向右滑时,环会向右运动,且有扩张的趋势
C.当P向左滑时,环会向左运动,且有收缩的趋势
D.当P向右滑时,环会向右运动,且有收缩的趋势
3、选择题 如图1所示,水平桌面上放有一闭合铝环,在铝环的上方有一条形磁铁,当条形磁铁沿轴线竖直向下迅速运动时,下列判断正确的是 
A.铝环有扩张的趋势,对桌面压力增大
B.铝环有扩张的趋势,对桌面压力减小
C.铝环有收缩的趋势,对桌面压力增大
D.铝环有收缩的趋势,对桌面压力减小
4、选择题 如右图所示,在通电直导线近旁固定有两平行光滑导轨A、B,导轨与直导线平行且在同一水平面内,在导轨上有两可自由滑动的导体ab和cd。当通电直导线中的电流逐渐减弱时,导体ab和cd的运动情况是
A.一起向左运动
B.一起向右运动
C.ab和cd相向运动,相互靠近
D.ab和cd相背运动,相互远离
5、填空题 如图所示,两个相同的铝环套在一根光滑杆上,将一条形磁铁向左插入铝环的过程中,两环同时向__________运动,间距__________(增大,不变,减小)。