时间:2017-07-27 11:38:14
1、选择题 关于电容器和电容,下列说法中正确的是( )
A.电容器的电容越大,则所带的电荷量越多
B.电容器不带电荷时,其电容为零
C.对一个确定的电容器来说,其电容与带电情况无关,是个定值
D.由C=
| Q U |
参考答案:A、由C=QU,是比值定义式,C与U、Q无关,电容表征电容器容纳电荷的本领大小,由电容器本身的特性决定,与两极板间的电压、所带的电荷量无关.故ABD错误,C正确;
故选:C.
本题解析:
本题难度:简单
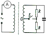
2、选择题 如图所示,理想变压器原、副线圈的匝数比是10:1,原线圈输入交变电压u=100sin50πt(V),O为副线圈中心抽出的线头,电路中两个电阻阻值相同,R=10Ω,下列关于电路的分析正确的是( )
A.开关S断开时,电流表示数为0.25
?A
B.开关S断开时,两电阻总的电功率为2.5W
C.开关S闭合时,两电阻总的电功率为2.5W
D.电容器的耐压值至少是5
?V
参考答案:BC
本题解析:
本题难度:简单
3、选择题 在如图所示的实验装置中,充电后的平行板电容器的A极板与灵敏的静电计相接,极板B接地。若极板B稍向上移动一点,由观察到静电计指针的变化作出电容器电容变小的依据是 
[? ]
A.两极间的电压不变,极板上电荷量变小
B.两极间的电压不变,极板上电荷量变大
C.极板上的电荷量几乎不变,两极间的电压变小
D.极板上的电荷量几乎不变,两极间的电压变大
参考答案:D
本题解析:
本题难度:一般
4、选择题 如图所示,有的计算机键盘的每一个键下面连一小块金属片,与该金属片隔有一定空气隙的是另一片小的固定金属片,这两片金属片组成一个小电容器.该电容器的电容C可用公式C=E
| S d |

参考答案:初始位置的电容C=ESd=9×10-12×50×10-60.6×10-3F=7.5×10-13F
d减小,C增大,电子线路恰能检测出必要的信号时的电容C′=7.5×10-13+2.5×10-13F=1×10-12F.
C′=ESd′,则d′=ESC′=0.45×10-3m=0.45mm,所以d的变化量为0.15mm,即键至少需被按下0.15mm.故D正确,A、B、C错误.
故选D.
本题解析:
本题难度:一般
5、选择题 一只低压教学电源输出的交变电压瞬时值U=10
sin314t(V),关于该电源的规格和使用,以下说法正确的是( )
A.这只电源可以使“10V2W“的灯泡正常发光
B.这只电源的交变电压的周期是314s
C.这只电源在t=0.01s时电压达到最大值
D.“10V2μF”电容器不能接在这只电源上
参考答案:AD
本题解析:
本题难度:一般